Поиск подшипника
Статьи
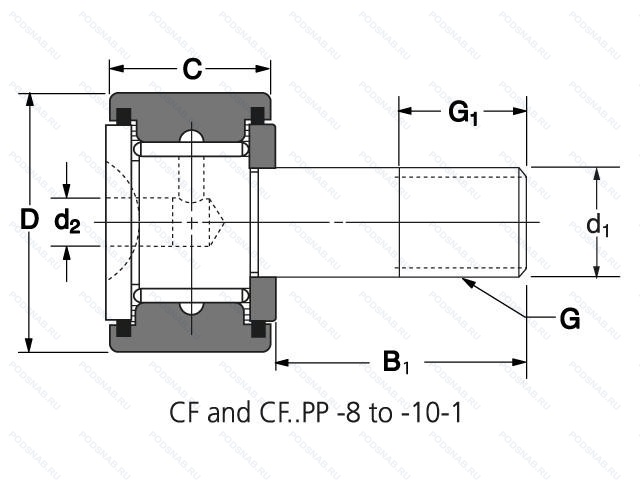
CF8 — Кулачковый ролик толкатель, основное исполнение, выпускается производителями: IKO, NIS, THK.
Размер ролика: 4x12x11 мм.
Альтернативное обозначение: KR19DZ,KR19X,MCFR19X.
Аналоги: KR19-X INA,KR19C.DZ FAG,KR19C.DZ Torrington.
Международная стандартизации ISO
CF8
В наличии
| Обозначение | Конструктивные изменения |
|---|---|
| CF8UUR | Кулачковый ролик толкатель. |
| CF8UU | Символ защиты от загрязнения. |
| CF8-1 | Number Of Carriages Per Rail Track. |
| CF8WBUUR | Кулачковый ролик толкатель. |
| CF8UUN | Манжетные уплотнения с обеих сторон (тип P - две шайбы из оцинкованной листовой стали с промежуточной частью NBR). Диапазон температур -30℃/+100℃. |
| CF8.1NM | Кулачковый ролик толкатель. |
| CF8R | Коронка на наружном кольце. |
| CF8VBUUR | С шестигранным отверстием. Полный тип дополнения. Манжетные уплотнения с обеих сторон (тип P - две шайбы из оцинкованной листовой стали с промежуточной частью NBR). Диапазон температур -30℃/+100℃. |
| CF8-1P | Манжетное уплотнение с одной стороны подшипника. |
| CF8B | С шестигранным отверстием. |
| CF8BUUR | С шестигранным отверстием. Манжетные уплотнения с обеих сторон (тип P - две шайбы из оцинкованной листовой стали с промежуточной частью NBR). Диапазон температур -30℃/+100℃. |
| CF8FBUUR | С шестигранным отверстием. Нержавеющая сталь. Манжетные уплотнения с обеих сторон (тип P - две шайбы из оцинкованной листовой стали с промежуточной частью NBR). Диапазон температур -30℃/+100℃. |
| CF8VB | Отклонения основных размеров. |
| CF8VUU | Полный тип дополнения. Манжетные уплотнения с обеих сторон (тип P - две шайбы из оцинкованной листовой стали с промежуточной частью NBR). Диапазон температур -30℃/+100℃. |
| CF8-1PPSK | Кулачковый толкатель штифтового типа. С шестигранной головкой. Манжетные уплотнения с обеих сторон (тип P - две шайбы из оцинкованной листовой стали с промежуточной частью NBR. Кромка уплотнения предварительно нагружена в осевом направлении). Диапазон температур -30℃/+100℃. |
| CF8-1PPA | Манжетные уплотнения с обеих сторон (тип P - две шайбы из оцинкованной листовой стали с промежуточной частью NBR. Кромка уплотнения предварительно нагружена в осевом направлении). Диапазон температур -30℃/+100℃. |
| CF8UURA | Коронка на наружном кольце. Резиновые уплотнения с каждой стороны подшипника. |
| CF8VBUU | С шестигранным отверстием. Полный тип дополнения. Манжетные уплотнения с обеих сторон (тип P - две шайбы из оцинкованной листовой стали с промежуточной частью NBR). Диапазон температур -30℃/+100℃. |
| CF8BUU | С боковыми и нижними уплотнениями. (Стандарт). |
| CF8UUA | Манжетные уплотнения с обеих сторон (тип P - две шайбы из оцинкованной листовой стали с промежуточной частью NBR). Диапазон температур -30℃/+100℃. |
| CF8-M8X1.25 | Distance Between Beginning Of The Rail And First Hole In MM. |
Модификации кулачкового ролика CF8 — это измененное основное конструктивное исполнение CF8, основные размеры (4x12x11) не отличаются.
| Обозначение | Гост | Конструктивные особенности |
|---|---|---|
| KRV19SK | ISO | Кулачковый толкатель штифтового типа. С шестигранной головкой. |
| KR19C.DZ | ISO | 15° Угол контакта. Опорные ролики игольчатого типа. Цилиндрический наружный диаметр. Литой сепаратор оконного типа из полиамида. усиленного стекловолокном. |
| MCF19S | ISO | Запечатанная версия кулачкового ролика. |
| KR19PP/VK426 | ISO | Манжетное уплотнение с обеих сторон подшипника. |
| KR19-PP-A-NMT | ISO | Двухрядный радиально-упорный шарикоподшипник без отверстия для смазки. Манжетные уплотнения с обеих сторон (тип P - две шайбы из оцинкованной листовой стали с промежуточной частью NBR. Кромка уплотнения предварительно нагружена в осевом направлении). Диапазон температур -30℃/+100℃. Шестигранная гайка. |
| KR19LL | ISO | Контактное. синтетические. резиновое уплотнение с двух сторон. |
| KR19-SK-PP-A-L460 | ISO | Двухрядный радиально-упорный шарикоподшипник без отверстия для смазки. Кулачковый толкатель штифтового типа. С шестигранной головкой. Уплотнения на каждой стороне подшипника. Смазка (в зависимости от заказчика). |
| MCF19SB | ISO | Double Row. Angular Contact. Non-Filling Notch Bearing. With Outwardly Convergent Угол контактаs. Rigid Design. |
| KRV19X LL | ISO | Цилиндрический (плоский) профиль наружной рабочей поверхности. Контактное уплотнения из синтетической черной резины с обеих сторон. |
| KR19-X-PP-A | ISO | Двухрядный радиально-упорный шарикоподшипник без отверстия для смазки. Цилиндрическая рабочая поверхность. Манжетные уплотнения с обеих сторон (тип P - две шайбы из оцинкованной листовой стали с промежуточной частью NBR. Кромка уплотнения предварительно нагружена в осевом направлении). Диапазон температур -30℃/+100℃. |
| KR19-X-PP-A-NMT | ISO | Двухрядный радиально-упорный шарикоподшипник без отверстия для смазки. Цилиндрическая рабочая поверхность. Манжетные уплотнения с обеих сторон (тип P - две шайбы из оцинкованной листовой стали с промежуточной частью NBR. Кромка уплотнения предварительно нагружена в осевом направлении). Диапазон температур -30℃/+100℃. Шестигранная гайка. |
| KR19-X-PP-SK-A | ISO | Двухрядный радиально-упорный шарикоподшипник без отверстия для смазки. Кулачковый толкатель штифтового типа. С шестигранной головкой. Цилиндрическая рабочая поверхность. Манжетные уплотнения с обеих сторон (тип P - две шайбы из оцинкованной листовой стали с промежуточной частью NBR. Кромка уплотнения предварительно нагружена в осевом направлении). Диапазон температур -30℃/+100℃. |
| KRV19X SK | ISO | Кулачковый толкатель штифтового типа. С шестигранной головкой. Цилиндрическая рабочая поверхность. |
| KR19XCLL | ISO | Цилиндрический (плоский) профиль наружной рабочей поверхности. Контактное. синтетические. резиновое уплотнение с двух сторон. |
| KRV19FLL/3AS | ISO | Контактное. синтетические. резиновое уплотнение с двух сторон. Смазка. Shell Oil Co. Смазка Alvania #3, стандартная заливка.. |
| MCF19SBX | ISO | Запечатанная версия кулачкового ролика. Кулачковый механизм. Шестигранное отверстие заменяет шлиц под отвертку во фланцевом конце штока. Цилиндрическая рабочая поверхность. |
| MCFR19X | ISO | Цилиндрическая рабочая поверхность. |
| KRV19-X-PP-A | ISO | Двухрядный радиально-упорный шарикоподшипник без отверстия для смазки. Цилиндрическая рабочая поверхность. Манжетные уплотнения с обеих сторон (тип P - две шайбы из оцинкованной листовой стали с промежуточной частью NBR. Кромка уплотнения предварительно нагружена в осевом направлении). Диапазон температур -30℃/+100℃. |
| KR19CLL | ISO | Контактное. синтетические. резиновое уплотнение с двух сторон. |
| KR19FLL | ISO | Контактное. синтетические. резиновое уплотнение с двух сторон. |
Аналог кулачкового ролика CF8 — это ролик такого же размера dx4,Dx12,Bx11, типа и конструкции.
| Обозначение | Конструктивные особенности | Внутренний (d) | Наружный (D) | Ширина (B) |
|---|---|---|---|---|
| 30/7-B-2RSR-TVH | Шариковый радиально-упорный подшипник. Модифицированная внутренняя конструкция. Твердая клетка из полиамида. Резиновые уплотнения с каждой стороны подшипника. | 7.00 | 19.00 | 10.00 |
| 30/7-B-2Z-TVH | Шариковый радиально-упорный подшипник. Модифицированная внутренняя конструкция. Защитные металлические шайбы с обеих сторон подшипника. Твердая клетка из полиамида. | 7.00 | 19.00 | 10.00 |
| NK12/12+IR9X12X12 | Роликовый игольчатый подшипник однорядный. Изменённая фаска. | 9.00 | 19.00 | 12.00 |
| NA498M | Роликовый игольчатый подшипник однорядный. Подшипник с латунным сепаратором. центрированный по телам качения. | 8.00 | 19.00 | 11.00 |
| NA499M | Роликовый игольчатый подшипник однорядный. Подшипник с латунным сепаратором. центрированный по телам качения. | 9.00 | 20.00 | 11.00 |
| 607ZZD2 | Шариковый радиальный однорядный подшипник. Стальная шайба. | 7.00 | 19.00 | 12.00 |
| 698ZZD2 | Шариковый радиальный однорядный подшипник. Стальная шайба. | 8.00 | 19.00 | 12.00 |
| GEBJ8C | Шарнирный подшипник. 15° Угол контакта. | 8.00 | 19.00 | 12.00 |
| GEG8N | Шарнирный подшипник. Канавка под стопорное кольцо на внешнем кольце. | 8.00 | 19.00 | 11.00 |
| GEG8E | Шарнирный подшипник. Повышенной грузоподъемности. | 8.00 | 19.00 | 11.00 |
| GE 008 XES | Шарнирный подшипник. Габаритные размеры отличаются от стандарта ISO или опорные ролики с цилиндрической наружной поверхностью. Антизадирная пластичная смазка. | 8.00 | 19.00 | 12.00 |
| GE 008 HCR | Шарнирный подшипник. Антизадирная пластичная смазка. | 8.00 | 19.00 | 11.00 |
| GE 008 HS | Шарнирный подшипник. Антизадирная пластичная смазка. | 8.00 | 19.00 | 11.00 |
| GEBJ8S | Шарнирный подшипник. Запечатанная версия кулачкового ролика. | 8.00 | 19.00 | 12.00 |
| 534098-ДК1 | Роликовый радиальный игольчатый однорядный подшипник. Кольцевая проточка на середине цилиндрической наружной поверхности наружного кольца плюс три отверстия для смазки. Сепаратор из алюминиевого сплава.. | 8.00 | 19.00 | 11.00 |
Способы доставки
Отправка через ведущие транспортные и курьерские компании: ПЭК, Деловые Линии, СДЭК, Байкал-Сервис, Энергия, КИТ, ЖелДорЭкспедиция.
Самовывоз возможен напрямую со склада в Москве.
Сроки доставки
Срок зависит от региона и выбранной транспортной компании. Все заказы комплектуются и отправляются в кратчайшие сроки со склада в Москве.
Надёжность и сохранность
Вся продукция упаковывается с учётом требований транспортировки. Мы гарантируем, что подшипники и комплектующие прибудут к заказчику в полной сохранности.
Доставка в страны ЕАЭС
Мы работаем с проверенными логистическими партнёрами, что позволяет оперативно доставлять заказы в Беларусь, Казахстан, Армению и другие страны ЕАЭС.
Варианты оплаты:
Минимальная сумма заказа и скидки:
Документы и гарантии:
Да, конечно! Наши технические специалисты готовы помочь вам с подбором точного аналога или замены подшипника. Просто позвоните нам по телефону +7 (495) 104-99-04 или напишите на почту zakaz@podsnab.ru.
Для оперативной консультации подготовьте, пожалуйста, имеющиеся данные: маркировку, размеры, тип оборудования или артикул старого подшипника.
Да, конечно! Мы высоко ценим долгосрочное сотрудничество и доверие клиентов по всей России. Для постоянных клиентов действует персональная система скидок.
Условия формируются индивидуально и зависят от:
Чтобы узнать свои условия и получить максимально выгодное предложение, свяжитесь с персональным менеджером или напишите нам на почту zakaz@podsnab.ru.
Вы можете оформить заказ несколькими способами:
Для оформления заказа от юридического лица свяжитесь с нашим отделом по работе с корпоративными клиентами по телефону +7 (495) 104-99-04 или напишите на email zakaz@podsnab.ru, прикрепив реквизиты вашей организации.
Мы оперативно подготовим коммерческое предложение и выставим счет.
Возврат товара надлежащего качества возможен в течение 10 дней с момента получения, если товар не был в употреблении, сохранен товарный вид, упаковка не вскрывалась и присутствуют все сопроводительные документы.
Возврат денежных средств осуществляется в течение 10 рабочих дней после проверки товара складом.
В соответствии с законодательством возврату не подлежат подшипники надлежащего качества, если отсутствует оригинальная упаковка или имеются следы монтажа.
В случае выявления брака или гарантийного случая мы гарантируем возврат или обмен товара.
Да, гарантийный срок хранения устанавливается заводом-изготовителем и в среднем составляет 2 года при соблюдении условий хранения: сухое помещение, оригинальная упаковка и смазка.
Точный срок для конкретного типа подшипника уточняйте у наших менеджеров.
Пн–Пт: с 8:00 до 17:00 (МСК).
Сб–Вс: выходные дни.
Заказы на сайте принимаются круглосуточно. Заявки, поступившие после окончания рабочего дня, обрабатываются на следующий рабочий день.
Минимальная сумма заказа для доставки составляет 3000 рублей. Самовывоз со склада возможен на любую сумму при наличии товара.
ООО «УралТехГрупп»
ИНН: 7415093830
КПП: 772401001
ОГРН: 1167456069021
Банк: ПАО Сбербанк
Р/с: 40702810838000475273
К/с: 30101810400000000225
БИК: 044525225
У подшипника CF8 пока нет отзывов. Вы можете стать первым покупателем, поделившимся своим мнением.