Поиск подшипника
Статьи
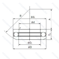
8206 — Подшипник шариковый упорный однонаправленный, основное исполнение, выпускается производителями: GPZ, LYC, TAM.
Размер подшипника: 30x52x16 мм.
Альтернативное обозначение: 51206.
Аналоги: 51206 FAG,51206 SKF,51206J9 SKF,51206X SKF,51206 Koyo,51206B Steyr,8206 LYC,51206 KG.
Международная стандартизации ISO
8206
В наличии
Шариковый подшипник 8206 ISO представляет собой высококачественное решение для работы с радиальными и осевыми нагрузками. Этот подшипник имеет размеры, соответствующие стандарту ISO, и идеально подходит для применения в различных механизмах, таких как насосы, редукторы и системы линейных движений, где важны точность и долговечность работы.
Подшипник 8206 ISO выполнен из прочных материалов, что придаёт ему повышенную устойчивость к внешним воздействиям, таким как пыль и грязь. Он оснащён уплотнениями, которые защищают от загрязнений и удерживают смазку внутри, обеспечивая долговечность и снижение потребности в обслуживании подшипникового узла.
Размеры и характеристики подшипника 8206 ISO делают его отличным выбором для множества промышленных применений, где требуется высокая точность, стабильность и долговечность при минимальном трении. Он является отличным выбором для тех, кто ищет подшипник 8206 с оптимальными техническими характеристиками для работы в разнообразных условиях.
| Обозначение | Гост | Конструктивные особенности |
|---|---|---|
| 906 | ISO | Подшипник шариковый упорный однонаправленный. |
| 51206 | ISO | Подшипник шариковый упорный однонаправленный. |
| MFR/PN906 | ISO | Подшипник шариковый упорный однонаправленный. |
| H30162 | ISO | Подшипник шариковый упорный однонаправленный. |
| 51206A | ISO | Двухрядный радиально-упорный шарикоподшипник без отверстия для смазки. |
| 51206X | ISO | Измененные размеры границ. введенные пересмотренными стандартами ISO. |
| 51206P5 | ISO | Размерная и рабочая точность соответствует классу допуска ISO 5. |
| 30TAG001/SL2FJ | ISO | Подшипник шариковый упорный однонаправленный. |
| 51206X/J9 | ISO | Измененные размеры границ. введенные пересмотренными стандартами ISO. Прессованный стальной сепаратор. Вращающийся элемент по центру. Незакаленный. |
| 51206SC | ISO | Подшипник шариковый упорный однонаправленный. |
| 51206B | ISO | Изменения во внутренней конструкции. |
| 51206T2 | ISO | Пластиковый сепаратор. Нейлон или тефлон. |
| 51206J9 | ISO | Прессованный стальной сепаратор. Вращающийся элемент по центру. Незакаленный. |
| 5-1206 | ГОСТ | Подшипник шариковый упорный однонаправленный. |
Аналог шарикового подшипника 8206 — это подшипник такого же размера dx30,Dx52,Bx16, типа и конструкции.
| Обозначение | Конструктивные особенности | Внутренний (d) | Наружный (D) | Ширина (B) |
|---|---|---|---|---|
| RSTO25DZ | Опорный ролик. Опорные ролики игольчатого типа. Цилиндрический наружный диаметр. Литой сепаратор оконного типа из полиамида. усиленного стекловолокном. | 30.00 | 52.00 | 15.80 |
| 81206M | Роликовый цилиндрический упорный подшипник. Подшипник с латунным сепаратором. центрированный по телам качения. | 30.00 | 52.00 | 16.00 |
| 81206VE | Роликовый цилиндрический упорный подшипник. Segment Vibr. Scr. Ex.. Code V)=Vibrating Equipment Specification • Higher Precision Bore & OD Tolerances • Special Radial Internal Clearance Range • Unique Combination of Geometry & Finishes Optimize Performance. | 30.00 | 52.00 | 16.00 |
| 4T-CR-0643L | однорядный конический роликовый подшипник. Одно механическое уплотнение. | 30.00 | 52.00 | 16.00 |
| 81206-L | Роликовый цилиндрический упорный подшипник. Aluminum Cage. | 30.00 | 52.00 | 16.00 |
| CR-0643L | Однорядный конический роликовый подшипник. Одно механическое уплотнение. | 30.00 | 52.00 | 16.00 |
| RSTO25X | Опорный ролик. Цилиндрическая рабочая поверхность. | 30.00 | 52.00 | 15.80 |
| 81206-TV-XL | Роликовый цилиндрический упорный подшипник. Серия X-Life премиум-класс. увеличиный срок службы. Сепаратор из полиамида. | 30.00 | 52.00 | 16.00 |
| 8-206 К | Шариковый упорный однорядный подшипник. «Замок» (скос) на внутреннем кольце плюс массивный сепаратор из текстолита. | 30.00 | 52.00 | 16.00 |
| 4-9206 Л | Роликовый упорный однорядный подшипник. Сепаратор из латуни.. | 30.00 | 52.00 | 16.00 |
| 8E-NK30X51X17-1 | Роликовый игольчатый подшипник однорядный. Number Of Carriages Per Rail Track. Изменённая фаска. | 30.00 | 51.00 | 17.00 |
| DL30 | Шариковый упорный подшипник. Однорядный. | 30.00 | 53.00 | 15.50 |
| 51206J | Шариковый упорный однорядный подшипник. Дорожки качения наружного кольца. угол контакта и ширина наружного кольца в соответствии с ISO. Только для тел качения. | 30.00 | 52.00 | 16.00 |
| 51206 V/HR22Q2 | Шариковый упорный однорядный подшипник. Подшипник без сепаратора. С полным комплектом тел качения. | 30.00 | 52.00 | 16.00 |
| 51206 V/HR22T2 | Шариковый упорный однорядный подшипник. Подшипник без сепаратора. С полным комплектом тел качения. | 30.00 | 52.00 | 16.00 |
Способы доставки
Отправка через ведущие транспортные и курьерские компании: ПЭК, Деловые Линии, СДЭК, Байкал-Сервис, Энергия, КИТ, ЖелДорЭкспедиция.
Самовывоз возможен напрямую со склада в Москве.
Сроки доставки
Срок зависит от региона и выбранной транспортной компании. Все заказы комплектуются и отправляются в кратчайшие сроки со склада в Москве.
Надёжность и сохранность
Вся продукция упаковывается с учётом требований транспортировки. Мы гарантируем, что подшипники и комплектующие прибудут к заказчику в полной сохранности.
Доставка в страны ЕАЭС
Мы работаем с проверенными логистическими партнёрами, что позволяет оперативно доставлять заказы в Беларусь, Казахстан, Армению и другие страны ЕАЭС.
Варианты оплаты:
Минимальная сумма заказа и скидки:
Документы и гарантии:
Да, конечно! Наши технические специалисты готовы помочь вам с подбором точного аналога или замены подшипника. Просто позвоните нам по телефону +7 (495) 104-99-04 или напишите на почту zakaz@podsnab.ru.
Для оперативной консультации подготовьте, пожалуйста, имеющиеся данные: маркировку, размеры, тип оборудования или артикул старого подшипника.
Да, конечно! Мы высоко ценим долгосрочное сотрудничество и доверие клиентов по всей России. Для постоянных клиентов действует персональная система скидок.
Условия формируются индивидуально и зависят от:
Чтобы узнать свои условия и получить максимально выгодное предложение, свяжитесь с персональным менеджером или напишите нам на почту zakaz@podsnab.ru.
Вы можете оформить заказ несколькими способами:
Для оформления заказа от юридического лица свяжитесь с нашим отделом по работе с корпоративными клиентами по телефону +7 (495) 104-99-04 или напишите на email zakaz@podsnab.ru, прикрепив реквизиты вашей организации.
Мы оперативно подготовим коммерческое предложение и выставим счет.
Возврат товара надлежащего качества возможен в течение 10 дней с момента получения, если товар не был в употреблении, сохранен товарный вид, упаковка не вскрывалась и присутствуют все сопроводительные документы.
Возврат денежных средств осуществляется в течение 10 рабочих дней после проверки товара складом.
В соответствии с законодательством возврату не подлежат подшипники надлежащего качества, если отсутствует оригинальная упаковка или имеются следы монтажа.
В случае выявления брака или гарантийного случая мы гарантируем возврат или обмен товара.
Да, гарантийный срок хранения устанавливается заводом-изготовителем и в среднем составляет 2 года при соблюдении условий хранения: сухое помещение, оригинальная упаковка и смазка.
Точный срок для конкретного типа подшипника уточняйте у наших менеджеров.
Пн–Пт: с 8:00 до 17:00 (МСК).
Сб–Вс: выходные дни.
Заказы на сайте принимаются круглосуточно. Заявки, поступившие после окончания рабочего дня, обрабатываются на следующий рабочий день.
Минимальная сумма заказа для доставки составляет 3000 рублей. Самовывоз со склада возможен на любую сумму при наличии товара.
ООО «УралТехГрупп»
ИНН: 7415093830
КПП: 772401001
ОГРН: 1167456069021
Банк: ПАО Сбербанк
Р/с: 40702810838000475273
К/с: 30101810400000000225
БИК: 044525225
У подшипника 8206 пока нет отзывов. Вы можете стать первым покупателем, поделившимся своим мнением.