Поиск подшипника
Статьи
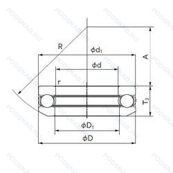
8113 — Подшипник шариковый упорный однонаправленный, основное исполнение, производство BM3.
Размер подшипника: 65x90x18 мм.
Альтернативное обозначение: 441696R, VKBA666.
Аналоги: 51113 FAG,51113 NSK,51113 Steyr,51113B Steyr,51113 Koyo,51113 NTN,51113 IBC Bearings,51113 Nachi,51113 NKE,51113 ISB,51113 UM,51113A ZKL.
Международная стандартизации ISO
8113
В наличии
| Обозначение | Конструктивные изменения |
|---|---|
| BT4-8113 E2/C500 | Наружное кольцо доступно со стандартными смазочными отверстиями и канавками. Осевой зазор в мкм. |
Модификации шарикового подшипника 8113 — это измененное основное конструктивное исполнение 8113, основные размеры (65x90x18) не отличаются.
| Обозначение | Гост | Конструктивные особенности |
|---|---|---|
| 51113P6 | ISO | точность размеров и хода в соответствии с классом допуска ISO 6. |
| 51113J9 | ISO | Прессованный стальной сепаратор. Вращающийся элемент по центру. Незакаленный. |
| 51113A | ISO | Двухрядный радиально-упорный шарикоподшипник без отверстия для смазки. |
| 51113 | ISO | Подшипник шариковый упорный однонаправленный. |
| 51113P5 | ISO | Размерная и рабочая точность соответствует классу допуска ISO 5. |
| 51113B | ISO | Изменения во внутренней конструкции. |
| 441696R | ISO | Wide Inner Ring Bearing. One Land-Riding Rubber Seal. |
Аналог шарикового подшипника 8113 — это подшипник такого же размера dx65,Dx90,Bx18, типа и конструкции.
| Обозначение | Конструктивные особенности | Внутренний (d) | Наружный (D) | Ширина (B) |
|---|---|---|---|---|
| 2007913-А | Роликовый радиальный-упорный однорядный подшипник. Повышенная грузоподъемность. | 65.00 | 90.00 | 17.00 |
| 2007913A | Роликовый радиальный-упорный однорядный подшипник. Двухрядный радиально-упорный шарикоподшипник без отверстия для смазки. | 65.00 | 90.00 | 17.00 |
| E32913J | Роликовый радиальный-упорный однорядный подшипник. Дорожки качения наружного кольца. угол контакта и ширина наружного кольца в соответствии с ISO. | 65.00 | 90.00 | 17.00 |
| HR32913J | Роликовый радиальный-упорный однорядный подшипник. Дорожки качения наружного кольца. угол контакта и ширина наружного кольца в соответствии с ISO. Для конических роликоподшипников и радиальных шарикоподшипников. | 65.00 | 90.00 | 17.00 |
| R65-11 | Роликовый радиальный-упорный однорядный подшипник. Наружное кольцо подшипника с роликами и сепаратором. 11/16. | 65.00 | 90.00 | 19.00 |
| 32913X | Роликовый радиальный-упорный однорядный подшипник. Измененные размеры границ. введенные пересмотренными стандартами ISO. | 65.00 | 90.00 | 17.00 |
| 88113-ЮТ | Шариковый упорный подшипник. Температура отпуска. 160°. Все детали или часть деталей из нержавеющей стали.. | 65.00 | 90.00 | 18.00 |
| 4-9113 Л | Роликовый упорный однорядный подшипник. Сепаратор из латуни.. | 65.00 | 90.00 | 18.00 |
| 6-2007913 АИ | Роликовый радиальный-упорный однорядный подшипник. Повышенная грузоподъемность. Изменение ТУ на поставку комплектующих деталей или исходных материалов. | 65.00 | 90.00 | 17.00 |
| 32913 A | Роликовый радиальный-упорный однорядный подшипник. Двухрядный радиально-упорный шарикоподшипник без отверстия для смазки. | 65.00 | 90.00 | 17.00 |
| 32913JR | Роликовый радиальный-упорный конический однорядный подшипник. TAPERED ROLLER BEARING CONFORMING TO ISO R355 (SUB-UNIT. METRIC SERIES). EXAMPLE/ 30206JR. | 65.00 | 90.00 | 17.00 |
| 4-88113 ЮТ | Шариковый упорно-радиальный подшипник. Температура отпуска. 160°. Все детали или часть деталей из нержавеющей стали.. | 65.00 | 90.00 | 18.00 |
| 6-88113 ЮТ | Шариковый упорно-радиальный подшипник. Температура отпуска. 160°. Все детали или часть деталей из нержавеющей стали.. | 65.00 | 90.00 | 18.00 |
| 5-88113 ЮТ | Шариковый упорно-радиальный однорядный подшипник. Температура отпуска. 160°. Все детали или часть деталей из нержавеющей стали.. | 65.00 | 90.00 | 18.00 |
| 5-88113 Ю2Т | Шариковый упорный однорядный подшипник. Температура отпуска. 160°. Все детали или часть деталей из нержавеющей стали.. | 65.00 | 90.00 | 18.00 |
Способы доставки
Отправка через ведущие транспортные и курьерские компании: ПЭК, Деловые Линии, СДЭК, Байкал-Сервис, Энергия, КИТ, ЖелДорЭкспедиция.
Самовывоз возможен напрямую со склада в Москве.
Сроки доставки
Срок зависит от региона и выбранной транспортной компании. Все заказы комплектуются и отправляются в кратчайшие сроки со склада в Москве.
Надёжность и сохранность
Вся продукция упаковывается с учётом требований транспортировки. Мы гарантируем, что подшипники и комплектующие прибудут к заказчику в полной сохранности.
Доставка в страны ЕАЭС
Мы работаем с проверенными логистическими партнёрами, что позволяет оперативно доставлять заказы в Беларусь, Казахстан, Армению и другие страны ЕАЭС.
Варианты оплаты:
Минимальная сумма заказа и скидки:
Документы и гарантии:
Да, конечно! Наши технические специалисты готовы помочь вам с подбором точного аналога или замены подшипника. Просто позвоните нам по телефону +7 (495) 104-99-04 или напишите на почту zakaz@podsnab.ru.
Для оперативной консультации подготовьте, пожалуйста, имеющиеся данные: маркировку, размеры, тип оборудования или артикул старого подшипника.
Да, конечно! Мы высоко ценим долгосрочное сотрудничество и доверие клиентов по всей России. Для постоянных клиентов действует персональная система скидок.
Условия формируются индивидуально и зависят от:
Чтобы узнать свои условия и получить максимально выгодное предложение, свяжитесь с персональным менеджером или напишите нам на почту zakaz@podsnab.ru.
Вы можете оформить заказ несколькими способами:
Для оформления заказа от юридического лица свяжитесь с нашим отделом по работе с корпоративными клиентами по телефону +7 (495) 104-99-04 или напишите на email zakaz@podsnab.ru, прикрепив реквизиты вашей организации.
Мы оперативно подготовим коммерческое предложение и выставим счет.
Возврат товара надлежащего качества возможен в течение 10 дней с момента получения, если товар не был в употреблении, сохранен товарный вид, упаковка не вскрывалась и присутствуют все сопроводительные документы.
Возврат денежных средств осуществляется в течение 10 рабочих дней после проверки товара складом.
В соответствии с законодательством возврату не подлежат подшипники надлежащего качества, если отсутствует оригинальная упаковка или имеются следы монтажа.
В случае выявления брака или гарантийного случая мы гарантируем возврат или обмен товара.
Да, гарантийный срок хранения устанавливается заводом-изготовителем и в среднем составляет 2 года при соблюдении условий хранения: сухое помещение, оригинальная упаковка и смазка.
Точный срок для конкретного типа подшипника уточняйте у наших менеджеров.
Пн–Пт: с 8:00 до 17:00 (МСК).
Сб–Вс: выходные дни.
Заказы на сайте принимаются круглосуточно. Заявки, поступившие после окончания рабочего дня, обрабатываются на следующий рабочий день.
Минимальная сумма заказа для доставки составляет 3000 рублей. Самовывоз со склада возможен на любую сумму при наличии товара.
ООО «УралТехГрупп»
ИНН: 7415093830
КПП: 772401001
ОГРН: 1167456069021
Банк: ПАО Сбербанк
Р/с: 40702810838000475273
К/с: 30101810400000000225
БИК: 044525225
У подшипника 8113 пока нет отзывов. Вы можете стать первым покупателем, поделившимся своим мнением.