Поиск подшипника
Статьи
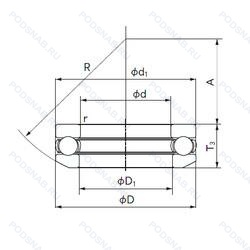
1104 — Подшипник шариковый упорный однонаправленный, основное исполнение, производство NEUTRAL.
Размер подшипника: 20x40x14 мм.
Альтернативное обозначение: 51204.
Аналоги: 51204 FAG,51204 SKF,51204 IBC Bearings,51204 KBS,51204 MGM.
Международная стандартизации ISO
1104
В наличии
| Обозначение | Конструктивные изменения |
|---|---|
| 1104KLLG+COL | Товар включает втулку. |
| 1104KRR | Манжетные уплотнения с обеих сторон (уплотнение типа R - имеет оцинкованные внутреннюю и внешнюю крышки. Между крышками имеется уплотнительная кромка NBR. идущая по шлифованному буртику). |
| 1104KRRB | Подшипник со сферическим наружным кольцом. Манжетные уплотнения с обеих сторон (уплотнение типа R - имеет оцинкованные внутреннюю и внешнюю крышки. Между крышками имеется уплотнительная кромка NBR. идущая по шлифованному буртику). |
| 1104EE | Резиновые уплотнения с каждой стороны подшипника. |
| 1104KRRB + COL | Conrad (Non-Filling Slot) Type. Сферический внешний диаметр. Резиновое уплотнение с двух сторон. Втулка. |
| 1104KRR + COL | Манжетные уплотнения с обеих сторон (уплотнение типа R - имеет оцинкованные внутреннюю и внешнюю крышки. Между крышками имеется уплотнительная кромка NBR. идущая по шлифованному буртику). Втулка. |
| 1104KLLG | Conrad (Non-Filling Slot) Type. Wireloc (стопорное кольцо). Two Mechani-Seals. Interchangeable with RR Series. But Have Non-Contact Labyrinth Seals And Steel Cages For Low Torque. High Speed And Higher Temperature Service. (Up to 350°F/176°C). |
| 1104KL | Flanged Type (2 Thru holes)-Medium Load. |
| 1104KLL | BALL BEARING. CONRAD TYPE. INDUSTRIAL POWER TRANSMISSION. DOUBLE MECHANI-SEAL. |
| 1104KLLB | Подшипник шариковый упорный однонаправленный. |
| 1104KR | Single-Row. Counterbored Outer Ring. Radial Type. Ball Bearing. 15° Угол контакта. |
Модификации шарикового подшипника 1104 — это измененное основное конструктивное исполнение 1104, основные размеры (20x40x14) не отличаются.
| Обозначение | Гост | Конструктивные особенности |
|---|---|---|
| 51204J9 | ISO | Прессованный стальной сепаратор. Вращающийся элемент по центру. Незакаленный. |
| 51204 | ISO | Подшипник шариковый упорный однонаправленный. |
| 53204 | ISO | Подшипник шариковый упорный однонаправленный. |
| 53204U | ISO | Универсальный одиночный подшипник. |
| 51204A | ISO | Двухрядный радиально-упорный шарикоподшипник без отверстия для смазки. |
| 53204J9 | ISO | Прессованный стальной сепаратор. Вращающийся элемент по центру. Незакаленный. |
| 51204P6 | ISO | Размерные и геометрические допуски соответствуют классу точности P6. |
| 51204M | ISO | Механически обработанный латунный сепаратор .Расположенный на элементах качения. |
| 51204MP | ISO | Массивный латунный сепаратор. центрированный по телам качения. |
| S51204 | ISO | Подшипник шариковый упорный однонаправленный. |
| 51204MG | ISO | Формованный сепаратор из полиамида. укрепленного стекловолокном. |
| 904 | ISO | Подшипник шариковый упорный однонаправленный. |
Аналог шарикового подшипника 1104 — это подшипник такого же размера dx20,Dx40,Bx14, типа и конструкции.
| Обозначение | Конструктивные особенности | Внутренний (d) | Наружный (D) | Ширина (B) |
|---|---|---|---|---|
| LWL20C1BCSHS2 | Линейный шариковый подшипник. Тип фланца. Монтируется снизу. Высокий класс точности. Код взаимозаменяемости. Количество узлов скольжения. Высокоуглеродистая сталь. | 20.00 | 40.00 | 15.00 |
| LWL20C1BCSPS2 | Линейный шариковый подшипник. Тип фланца. Монтируется снизу. Код взаимозаменяемости. Количество узлов скольжения. Класс точности. Высокоуглеродистая сталь. | 20.00 | 40.00 | 15.00 |
| LWL20C1BPS2 | Линейный шариковый подшипник. Тип фланца. Монтируется снизу. Код взаимозаменяемости. Количество узлов скольжения. Класс точности. | 20.00 | 40.00 | 15.00 |
| LWL20C1BHS2 | Линейный шариковый подшипник. Тип фланца. Монтируется снизу. Высокий класс точности. Код взаимозаменяемости. Количество узлов скольжения. | 20.00 | 40.00 | 15.00 |
| LWL20C1BT1HS2 | Линейный шариковый подшипник. Тип фланца. Монтируется снизу. Высокий класс точности. Код взаимозаменяемости. Количество узлов скольжения. Небольшая предварительная нагрузка. | 20.00 | 40.00 | 15.00 |
| LWLC20C1BPS2 | Линейный шариковый подшипник. Тип фланца. Монтируется снизу. Код взаимозаменяемости. Количество узлов скольжения. Класс точности. | 20.00 | 40.00 | 15.00 |
| LWLG20C1BHS2 | Линейный шариковый подшипник. Тип фланца. Монтируется снизу. Высокий класс точности. Код взаимозаменяемости. Количество узлов скольжения. | 20.00 | 40.00 | 15.00 |
| 51/53204 | Однорядный конический роликовый подшипник. | 20.00 | 40.00 | 14.70 |
| 8204-К | Шариковый упорный однорядный подшипник. «Замок» (скос) на внутреннем кольце плюс массивный сепаратор из текстолита. | 20.00 | 40.00 | 14.00 |
| 8204Н | Шариковый упорный однорядный подшипник. Детали из теплостойкой стали. | 20.00 | 40.00 | 14.00 |
| DL20 | Шариковый упорный подшипник. Однорядный. | 20.00 | 39.00 | 13.20 |
| 28204 | Шариковый упорный подшипник. | 20.00 | 40.00 | 14.70 |
| 8204 | Шариковый упорный однорядный подшипник. | 20.00 | 47.00 | 14.00 |
| 4-8204 | Шариковый упорный однорядный подшипник. | 20.00 | 40.00 | 14.00 |
| 5-8204 | Шариковый упорный однорядный подшипник. | 20.00 | 40.00 | 14.00 |
Способы доставки
Отправка через ведущие транспортные и курьерские компании: ПЭК, Деловые Линии, СДЭК, Байкал-Сервис, Энергия, КИТ, ЖелДорЭкспедиция.
Самовывоз возможен напрямую со склада в Москве.
Сроки доставки
Срок зависит от региона и выбранной транспортной компании. Все заказы комплектуются и отправляются в кратчайшие сроки со склада в Москве.
Надёжность и сохранность
Вся продукция упаковывается с учётом требований транспортировки. Мы гарантируем, что подшипники и комплектующие прибудут к заказчику в полной сохранности.
Доставка в страны ЕАЭС
Мы работаем с проверенными логистическими партнёрами, что позволяет оперативно доставлять заказы в Беларусь, Казахстан, Армению и другие страны ЕАЭС.
Варианты оплаты:
Минимальная сумма заказа и скидки:
Документы и гарантии:
Да, конечно! Наши технические специалисты готовы помочь вам с подбором точного аналога или замены подшипника. Просто позвоните нам по телефону +7 (495) 104-99-04 или напишите на почту zakaz@podsnab.ru.
Для оперативной консультации подготовьте, пожалуйста, имеющиеся данные: маркировку, размеры, тип оборудования или артикул старого подшипника.
Да, конечно! Мы высоко ценим долгосрочное сотрудничество и доверие клиентов по всей России. Для постоянных клиентов действует персональная система скидок.
Условия формируются индивидуально и зависят от:
Чтобы узнать свои условия и получить максимально выгодное предложение, свяжитесь с персональным менеджером или напишите нам на почту zakaz@podsnab.ru.
Вы можете оформить заказ несколькими способами:
Для оформления заказа от юридического лица свяжитесь с нашим отделом по работе с корпоративными клиентами по телефону +7 (495) 104-99-04 или напишите на email zakaz@podsnab.ru, прикрепив реквизиты вашей организации.
Мы оперативно подготовим коммерческое предложение и выставим счет.
Возврат товара надлежащего качества возможен в течение 10 дней с момента получения, если товар не был в употреблении, сохранен товарный вид, упаковка не вскрывалась и присутствуют все сопроводительные документы.
Возврат денежных средств осуществляется в течение 10 рабочих дней после проверки товара складом.
В соответствии с законодательством возврату не подлежат подшипники надлежащего качества, если отсутствует оригинальная упаковка или имеются следы монтажа.
В случае выявления брака или гарантийного случая мы гарантируем возврат или обмен товара.
Да, гарантийный срок хранения устанавливается заводом-изготовителем и в среднем составляет 2 года при соблюдении условий хранения: сухое помещение, оригинальная упаковка и смазка.
Точный срок для конкретного типа подшипника уточняйте у наших менеджеров.
Пн–Пт: с 8:00 до 17:00 (МСК).
Сб–Вс: выходные дни.
Заказы на сайте принимаются круглосуточно. Заявки, поступившие после окончания рабочего дня, обрабатываются на следующий рабочий день.
Минимальная сумма заказа для доставки составляет 3000 рублей. Самовывоз со склада возможен на любую сумму при наличии товара.
ООО «УралТехГрупп»
ИНН: 7415093830
КПП: 772401001
ОГРН: 1167456069021
Банк: ПАО Сбербанк
Р/с: 40702810838000475273
К/с: 30101810400000000225
БИК: 044525225
У подшипника 1104 пока нет отзывов. Вы можете стать первым покупателем, поделившимся своим мнением.