Поиск подшипника
Статьи
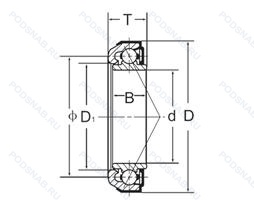
688911 — Подшипник шариковый упорный однонаправленный, основное исполнение, производство GPZ.
Размер подшипника: 52x84x20 мм.
Международная стандартизации ISO
688911
В наличии
Шариковый подшипник 688911 ISO является высококачественным решением для работы с радиальными и осевыми нагрузками. Подшипник с размерами, соответствующими стандартам ISO, используется в различных механизмах, таких как насосы, редукторы и конвейеры, где важна высокая точность, долговечность и минимальное трение при перемещении.
Подшипник 688911 ISO выполнен из прочных материалов, что увеличивает его стойкость к внешним воздействиям, таким как пыль и загрязнения. Уплотнения подшипника защищают его от загрязнений, предотвращают утечку смазки и обеспечивают долгосрочную и стабильную работу подшипникового узла с минимальным обслуживанием.
Размеры подшипника 688911 делают его отличным выбором для различных промышленных приложений, где требуется высокая точность, долговечность и стабильность работы. Этот подшипник является идеальным решением для системы, где важны минимальные износы и высокая эффективность работы.
| Обозначение | Гост | Конструктивные особенности |
|---|---|---|
| 588911 | ISO | Подшипник шариковый упорный однонаправленный. |
| D26 | ISO | Подшипник шариковый упорный однонаправленный. |
| GT26 | ISO | Подшипник шариковый упорный однонаправленный. |
Аналог шарикового подшипника 688911 — это подшипник такого же размера dx52,Dx84,Bx20, типа и конструкции.
| Обозначение | Конструктивные особенности | Внутренний (d) | Наружный (D) | Ширина (B) |
|---|---|---|---|---|
| TR100902 | однорядный конический роликовый подшипник. Однорядные конические роликоподшипники нестандартных размеров. | 50.00 | 90.00 | 20.00 |
| R52Z-4 | Роликовый радиальный-упорный однорядный подшипник. щит из листовой прессованной стали с одной стороны подшипника. Наружное кольцо подшипника с роликами и сепаратором. Подшипник с чрезвычайно высокой точностью вращения (Abec9) и допуском формы (Abec7). | 52.39 | 85.00 | 20.00 |
| 4T-CR-1075 | Роликовый радиальный-упорный конический однорядный подшипник. | 52.39 | 85.00 | 20.00 |
| 18204X/18335X | Роликовый радиальный-упорный однорядный подшипник. Измененные размеры границ. введенные пересмотренными стандартами ISO. | 52.00 | 85.00 | 19.05 |
| 4-588911 С23 | Шариковый упорно-радиальный подшипник. Смазка ШРУС-4. | 52.39 | 84.50 | 21.00 |
| 6-588911 С23 | Шариковый упорно-радиальный подшипник. Смазка ШРУС-4. | 52.39 | 84.50 | 21.00 |
| 588911-АК1 | Шариковый упорно-радиальный подшипник. Повышенная грузоподъемность. | 52.39 | 84.50 | 21.00 |
| 588911-А | Шариковый упорно-радиальный подшипник. Повышенная грузоподъемность. | 52.39 | 84.50 | 21.00 |
| 5-588911 С23 | Шариковый упорно-радиальный однорядный подшипник. Смазка ШРУС-4. | 52.39 | 84.50 | 21.00 |
| 588911-АК1С23 | Шариковый упорно-радиальный однорядный подшипник. Повышенная грузоподъемность. Смазка ШРУС-4. | 52.39 | 84.50 | 21.00 |
| 588911-А1КС23 | Шариковый упорно-радиальный однорядный подшипник. «Замок» (скос) на внутреннем кольце плюс массивный сепаратор из текстолита. Повышенная грузоподъемность. Смазка ШРУС-4. | 52.39 | 84.50 | 21.00 |
| 588911-С23 | Шариковый упорно-радиальный однорядный подшипник. Смазка ШРУС-4. | 52.39 | 84.50 | 21.00 |
| 588911-К | Шариковый упорно-радиальный однорядный подшипник. «Замок» (скос) на внутреннем кольце плюс массивный сепаратор из текстолита. | 52.39 | 84.50 | 21.00 |
| 588911 | Шариковый упорный подшипник. | 52.39 | 84.50 | 20.84 |
| 588911-АК | Шариковый упорно-радиальный однорядный подшипник. Повышенная грузоподъемность. | 52.39 | 84.50 | 21.00 |
Способы доставки
Отправка через ведущие транспортные и курьерские компании: ПЭК, Деловые Линии, СДЭК, Байкал-Сервис, Энергия, КИТ, ЖелДорЭкспедиция.
Самовывоз возможен напрямую со склада в Москве.
Сроки доставки
Срок зависит от региона и выбранной транспортной компании. Все заказы комплектуются и отправляются в кратчайшие сроки со склада в Москве.
Надёжность и сохранность
Вся продукция упаковывается с учётом требований транспортировки. Мы гарантируем, что подшипники и комплектующие прибудут к заказчику в полной сохранности.
Доставка в страны ЕАЭС
Мы работаем с проверенными логистическими партнёрами, что позволяет оперативно доставлять заказы в Беларусь, Казахстан, Армению и другие страны ЕАЭС.
Варианты оплаты:
Минимальная сумма заказа и скидки:
Документы и гарантии:
Да, конечно! Наши технические специалисты готовы помочь вам с подбором точного аналога или замены подшипника. Просто позвоните нам по телефону +7 (495) 104-99-04 или напишите на почту zakaz@podsnab.ru.
Для оперативной консультации подготовьте, пожалуйста, имеющиеся данные: маркировку, размеры, тип оборудования или артикул старого подшипника.
Да, конечно! Мы высоко ценим долгосрочное сотрудничество и доверие клиентов по всей России. Для постоянных клиентов действует персональная система скидок.
Условия формируются индивидуально и зависят от:
Чтобы узнать свои условия и получить максимально выгодное предложение, свяжитесь с персональным менеджером или напишите нам на почту zakaz@podsnab.ru.
Вы можете оформить заказ несколькими способами:
Для оформления заказа от юридического лица свяжитесь с нашим отделом по работе с корпоративными клиентами по телефону +7 (495) 104-99-04 или напишите на email zakaz@podsnab.ru, прикрепив реквизиты вашей организации.
Мы оперативно подготовим коммерческое предложение и выставим счет.
Возврат товара надлежащего качества возможен в течение 10 дней с момента получения, если товар не был в употреблении, сохранен товарный вид, упаковка не вскрывалась и присутствуют все сопроводительные документы.
Возврат денежных средств осуществляется в течение 10 рабочих дней после проверки товара складом.
В соответствии с законодательством возврату не подлежат подшипники надлежащего качества, если отсутствует оригинальная упаковка или имеются следы монтажа.
В случае выявления брака или гарантийного случая мы гарантируем возврат или обмен товара.
Да, гарантийный срок хранения устанавливается заводом-изготовителем и в среднем составляет 2 года при соблюдении условий хранения: сухое помещение, оригинальная упаковка и смазка.
Точный срок для конкретного типа подшипника уточняйте у наших менеджеров.
Пн–Пт: с 8:00 до 17:00 (МСК).
Сб–Вс: выходные дни.
Заказы на сайте принимаются круглосуточно. Заявки, поступившие после окончания рабочего дня, обрабатываются на следующий рабочий день.
Минимальная сумма заказа для доставки составляет 3000 рублей. Самовывоз со склада возможен на любую сумму при наличии товара.
ООО «УралТехГрупп»
ИНН: 7415093830
КПП: 772401001
ОГРН: 1167456069021
Банк: ПАО Сбербанк
Р/с: 40702810838000475273
К/с: 30101810400000000225
БИК: 044525225
У подшипника 688911 пока нет отзывов. Вы можете стать первым покупателем, поделившимся своим мнением.