Поиск подшипника
Статьи
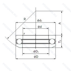
18212 — Подшипник шариковый упорный однонаправленный, основное исполнение, производство GPZ.
Размер подшипника: 60x100x31 мм.
Альтернативное обозначение: 53212 + U212, 53212U.
Международная стандартизации ISO
18212
В наличии
| Обозначение | Гост | Конструктивные особенности |
|---|---|---|
| 53212U | ISO | Универсальный одиночный подшипник. |
| 53212+U212 | ISO | Подшипник шариковый упорный однонаправленный. |
| 53212 | ISO | Подшипник шариковый упорный однонаправленный. |
Аналог шарикового подшипника 18212 — это подшипник такого же размера dx60,Dx100,Bx31, типа и конструкции.
| Обозначение | Конструктивные особенности | Внутренний (d) | Наружный (D) | Ширина (B) |
|---|---|---|---|---|
| 33112-90KA1 | Однорядный конический роликовый подшипник. Assembly Code. | 60.00 | 100.00 | 30.00 |
| 33112CM-90KM1 | Однорядный конический роликовый подшипник. Шариковый подшипник. Специальный радиальный внутренний зазор для электродвигателей. | 60.00 | 100.00 | 30.00 |
| 33112U | Однорядный конический роликовый подшипник. Конические роликоподшипники с возможностью взаимозаменять друг друга. | 60.00 | 100.00 | 30.00 |
| 33112-J42C | Однорядный конический роликовый подшипник. Специальная маркировка для конических роликоподшипников. полученных от разных производителей. | 60.00 | 100.00 | 30.00 |
| 33112/QVB259 | Однорядный конический роликовый подшипник. Оптимизированная геометрия и специальная обработка контактных поверхностей. Отклонения основных размеров. | 60.00 | 100.00 | 30.00 |
| 33112D | Однорядный конический роликовый подшипник. Угол контакта (от 24 до 32 градусов). Метрическая серия. | 60.00 | 100.00 | 30.00 |
| HR33112J | однорядный конический роликовый подшипник. Дорожки качения наружного кольца. угол контакта и ширина наружного кольца в соответствии с ISO. Для конических роликоподшипников и радиальных шарикоподшипников. | 60.00 | 100.00 | 30.00 |
| 33112.A | однорядный конический роликовый подшипник. (Чаша/внешняя поверхность) отличается по наружному диаметру/радиусу/ширине от номера базовой детали. | 60.00 | 100.00 | 30.00 |
| 33112F | однорядный конический роликовый подшипник. Внутренняя конструкция изменена с целью получения большей грузоподъемности и продолжительности работы. | 60.00 | 100.00 | 30.00 |
| 33112-H | Однорядный конический роликовый подшипник. Произведен в Китае. | 60.00 | 100.00 | 30.00 |
| 4T-33112 | однорядный конический роликовый подшипник. Цементованная сталь. | 60.00 | 100.00 | 30.00 |
| 33112-XL | Однорядный конический роликовый подшипник. Серия X Live. | 60.00 | 100.00 | 30.00 |
| 33112/Q | Однорядный конический роликовый подшипник. Подшипники класса TQ-Line. имеющих суффикс Q в обозначении. являются основой для производства подшипников SKF. | 60.00 | 100.00 | 30.00 |
| 33112J | Однорядный конический роликовый подшипник. Дорожки качения наружного кольца. угол контакта и ширина наружного кольца в соответствии с ISO. | 60.00 | 100.00 | 30.00 |
| E33112J | Роликовый радиальный-упорный однорядный подшипник. Дорожки качения наружного кольца. угол контакта и ширина наружного кольца в соответствии с ISO. | 60.00 | 100.00 | 30.00 |
Способы доставки
Отправка через ведущие транспортные и курьерские компании: ПЭК, Деловые Линии, СДЭК, Байкал-Сервис, Энергия, КИТ, ЖелДорЭкспедиция.
Самовывоз возможен напрямую со склада в Москве.
Сроки доставки
Срок зависит от региона и выбранной транспортной компании. Все заказы комплектуются и отправляются в кратчайшие сроки со склада в Москве.
Надёжность и сохранность
Вся продукция упаковывается с учётом требований транспортировки. Мы гарантируем, что подшипники и комплектующие прибудут к заказчику в полной сохранности.
Доставка в страны ЕАЭС
Мы работаем с проверенными логистическими партнёрами, что позволяет оперативно доставлять заказы в Беларусь, Казахстан, Армению и другие страны ЕАЭС.
Варианты оплаты:
Минимальная сумма заказа и скидки:
Документы и гарантии:
Да, конечно! Наши технические специалисты готовы помочь вам с подбором точного аналога или замены подшипника. Просто позвоните нам по телефону +7 (495) 104-99-04 или напишите на почту zakaz@podsnab.ru.
Для оперативной консультации подготовьте, пожалуйста, имеющиеся данные: маркировку, размеры, тип оборудования или артикул старого подшипника.
Да, конечно! Мы высоко ценим долгосрочное сотрудничество и доверие клиентов по всей России. Для постоянных клиентов действует персональная система скидок.
Условия формируются индивидуально и зависят от:
Чтобы узнать свои условия и получить максимально выгодное предложение, свяжитесь с персональным менеджером или напишите нам на почту zakaz@podsnab.ru.
Вы можете оформить заказ несколькими способами:
Для оформления заказа от юридического лица свяжитесь с нашим отделом по работе с корпоративными клиентами по телефону +7 (495) 104-99-04 или напишите на email zakaz@podsnab.ru, прикрепив реквизиты вашей организации.
Мы оперативно подготовим коммерческое предложение и выставим счет.
Возврат товара надлежащего качества возможен в течение 10 дней с момента получения, если товар не был в употреблении, сохранен товарный вид, упаковка не вскрывалась и присутствуют все сопроводительные документы.
Возврат денежных средств осуществляется в течение 10 рабочих дней после проверки товара складом.
В соответствии с законодательством возврату не подлежат подшипники надлежащего качества, если отсутствует оригинальная упаковка или имеются следы монтажа.
В случае выявления брака или гарантийного случая мы гарантируем возврат или обмен товара.
Да, гарантийный срок хранения устанавливается заводом-изготовителем и в среднем составляет 2 года при соблюдении условий хранения: сухое помещение, оригинальная упаковка и смазка.
Точный срок для конкретного типа подшипника уточняйте у наших менеджеров.
Пн–Пт: с 8:00 до 17:00 (МСК).
Сб–Вс: выходные дни.
Заказы на сайте принимаются круглосуточно. Заявки, поступившие после окончания рабочего дня, обрабатываются на следующий рабочий день.
Минимальная сумма заказа для доставки составляет 3000 рублей. Самовывоз со склада возможен на любую сумму при наличии товара.
ООО «УралТехГрупп»
ИНН: 7415093830
КПП: 772401001
ОГРН: 1167456069021
Банк: ПАО Сбербанк
Р/с: 40702810838000475273
К/с: 30101810400000000225
БИК: 044525225
У подшипника 18212 пока нет отзывов. Вы можете стать первым покупателем, поделившимся своим мнением.