Поиск подшипника
Статьи
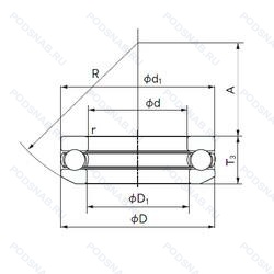
8102 — Подшипник шариковый упорный однонаправленный, основное исполнение, производство GPZ.
Размер подшипника: 15x28x9 мм.
Альтернативное обозначение: 51102.
Аналоги: 51102 FAG,51102 INA,51102 Nachi,51102 JBS Japanese Bearing Service,51102 CBF,51102 ISB.
Международная стандартизации ISO
8102
В наличии
| Обозначение | Гост | Конструктивные особенности |
|---|---|---|
| 81102 | ISO | Подшипник шариковый упорный однонаправленный. |
| 51102 | ISO | Подшипник шариковый упорный однонаправленный. |
| 51102A | ISO | Двухрядный радиально-упорный шарикоподшипник без отверстия для смазки. |
| 51102MG | ISO | Формованный сепаратор из полиамида. укрепленного стекловолокном. |
| 51102J91 | ISO | Подшипник шариковый упорный однонаправленный. |
| 51102J9 | ISO | Прессованный стальной сепаратор. Вращающийся элемент по центру. Незакаленный. |
| 51102P6 | ISO | Размерные и геометрические допуски соответствуют классу точности P6. |
| 51102G | ISO | Устройство повторного смазывания со смазочной канавкой и отверстием на внешнем кольце. |
| 51102T2 | ISO | Пластиковый сепаратор. Нейлон или тефлон. |
Аналог шарикового подшипника 8102 — это подшипник такого же размера dx15,Dx28,Bx9, типа и конструкции.
| Обозначение | Конструктивные особенности | Внутренний (d) | Наружный (D) | Ширина (B) |
|---|---|---|---|---|
| ШС15ВК | Шарнирный подшипник. Отдельное внутреннее кольцо шарнирного подшипника.. С отверстиями и канавками для смазки во внутреннем кольце.. | 15.00 | 28.00 | 8.00 |
| ШС15 К | Шарнирный подшипник. Канавка и отверстие для смазки на внутреннем и наружном кольцах.. С отверстиями и канавками для смазки во внутреннем кольце.. | 15.00 | 28.00 | 8.00 |
| ШСЛ15 | Шарнирный подшипник. С отверстиями и канавками для смазки во внутреннем кольце. | 15.00 | 28.00 | 8.00 |
| ШСЛ15К | Шарнирный подшипник. Канавка и отверстие для смазки на внутреннем и наружном кольцах.. С отверстиями и канавками для смазки во внутреннем кольце. | 15.00 | 28.00 | 8.00 |
| ШСЛ15К1 | Шарнирный подшипник. Канавка и отверстие для смазки на наружном кольце.. С отверстиями и канавками для смазки во внутреннем кольце. | 15.00 | 28.00 | 8.00 |
| 9102-Е | Роликовый упорный однорядный подшипник. Сепаратор из текстолита.. | 15.00 | 28.00 | 9.00 |
| 9102КЕ | Роликовый упорный однорядный подшипник. Сепаратор из текстолита.. | 15.00 | 28.00 | 8.00 |
| ШСП15 | Шарнирный подшипник. С отверстиями и канавками для смазки во внутреннем кольце. | 15.00 | 28.00 | 8.00 |
| ШСП15 К | Шарнирный подшипник. Канавка и отверстие для смазки на внутреннем и наружном кольцах.. С отверстиями и канавками для смазки во внутреннем кольце. | 15.00 | 28.00 | 8.00 |
| ШСШ16К | Шарнирный подшипник. Канавка и отверстие для смазки на внутреннем и наружном кольцах.. С отверстиями и канавками для смазки во внутреннем кольце. | 16.00 | 28.00 | 9.00 |
| 51102 V/HR22Q2 | Шариковый упорный однорядный подшипник. Подшипник без сепаратора. С полным комплектом тел качения. | 15.00 | 28.00 | 9.00 |
| 20-ШМ15 ЮТ | Шарнирный подшипник. Температура отпуска. 160°. Одно или два кольца из нержавеющей стали.. Без отверстий и канавок для смазки.. | 15.00 | 28.00 | 8.00 |
| 20-ШМ15 | Шарнирный подшипник. Без отверстий и канавок для смазки.. | 15.00 | 28.00 | 8.00 |
| 1-ШС15 | Шарнирный подшипник. С отверстиями и канавками для смазки во внутреннем кольце.. | 15.00 | 28.00 | 8.00 |
| 1-ШС15 ЮТ | Шарнирный подшипник. Температура отпуска. 160°. Одно или два кольца из нержавеющей стали.. С отверстиями и канавками для смазки во внутреннем кольце.. | 15.00 | 28.00 | 8.00 |
Способы доставки
Отправка через ведущие транспортные и курьерские компании: ПЭК, Деловые Линии, СДЭК, Байкал-Сервис, Энергия, КИТ, ЖелДорЭкспедиция.
Самовывоз возможен напрямую со склада в Москве.
Сроки доставки
Срок зависит от региона и выбранной транспортной компании. Все заказы комплектуются и отправляются в кратчайшие сроки со склада в Москве.
Надёжность и сохранность
Вся продукция упаковывается с учётом требований транспортировки. Мы гарантируем, что подшипники и комплектующие прибудут к заказчику в полной сохранности.
Доставка в страны ЕАЭС
Мы работаем с проверенными логистическими партнёрами, что позволяет оперативно доставлять заказы в Беларусь, Казахстан, Армению и другие страны ЕАЭС.
Варианты оплаты:
Минимальная сумма заказа и скидки:
Документы и гарантии:
Да, конечно! Наши технические специалисты готовы помочь вам с подбором точного аналога или замены подшипника. Просто позвоните нам по телефону +7 (495) 104-99-04 или напишите на почту zakaz@podsnab.ru.
Для оперативной консультации подготовьте, пожалуйста, имеющиеся данные: маркировку, размеры, тип оборудования или артикул старого подшипника.
Да, конечно! Мы высоко ценим долгосрочное сотрудничество и доверие клиентов по всей России. Для постоянных клиентов действует персональная система скидок.
Условия формируются индивидуально и зависят от:
Чтобы узнать свои условия и получить максимально выгодное предложение, свяжитесь с персональным менеджером или напишите нам на почту zakaz@podsnab.ru.
Вы можете оформить заказ несколькими способами:
Для оформления заказа от юридического лица свяжитесь с нашим отделом по работе с корпоративными клиентами по телефону +7 (495) 104-99-04 или напишите на email zakaz@podsnab.ru, прикрепив реквизиты вашей организации.
Мы оперативно подготовим коммерческое предложение и выставим счет.
Возврат товара надлежащего качества возможен в течение 10 дней с момента получения, если товар не был в употреблении, сохранен товарный вид, упаковка не вскрывалась и присутствуют все сопроводительные документы.
Возврат денежных средств осуществляется в течение 10 рабочих дней после проверки товара складом.
В соответствии с законодательством возврату не подлежат подшипники надлежащего качества, если отсутствует оригинальная упаковка или имеются следы монтажа.
В случае выявления брака или гарантийного случая мы гарантируем возврат или обмен товара.
Да, гарантийный срок хранения устанавливается заводом-изготовителем и в среднем составляет 2 года при соблюдении условий хранения: сухое помещение, оригинальная упаковка и смазка.
Точный срок для конкретного типа подшипника уточняйте у наших менеджеров.
Пн–Пт: с 8:00 до 17:00 (МСК).
Сб–Вс: выходные дни.
Заказы на сайте принимаются круглосуточно. Заявки, поступившие после окончания рабочего дня, обрабатываются на следующий рабочий день.
Минимальная сумма заказа для доставки составляет 3000 рублей. Самовывоз со склада возможен на любую сумму при наличии товара.
ООО «УралТехГрупп»
ИНН: 7415093830
КПП: 772401001
ОГРН: 1167456069021
Банк: ПАО Сбербанк
Р/с: 40702810838000475273
К/с: 30101810400000000225
БИК: 044525225
У подшипника 8102 пока нет отзывов. Вы можете стать первым покупателем, поделившимся своим мнением.