Поиск подшипника
Статьи
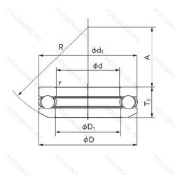
51103/16 — Подшипник шариковый упорный однонаправленный, модификация основного исполнения 51103, производство Подшипники IBC.
Размер подшипника: 16x30x9 мм.
01.
Международная стандартизации ISO
5110316
В наличии
| Обозначение | Конструктивные изменения |
|---|---|
| 51103J9 | Прессованный стальной сепаратор. Вращающийся элемент по центру. Незакаленный. |
| 51103 | Подшипник шариковый упорный однонаправленный. Основное конструктивное исполнение. |
| 51103A | Упорный шарикоподшипник с более высокой предельной скоростью. |
| 51103MG | Формованный сепаратор из полиамида. укрепленного стекловолокном. |
| 51103P5 | Размерная и рабочая точность соответствует классу допуска ISO 5. |
| 51103-AH01-HLV | Размеры могут отличаться от базового номера детали. Внутренний зазор равен C3 (больше обычного) и защищен от коррозии специальным покрытием Corrotect®. Код местонахождения завода. может использоваться в стандартной комплектации. |
| 51103G | Устройство повторного смазывания со смазочной канавкой и отверстием на внешнем кольце. |
| 51103SS | Нержавеющая сталь. |
| 51103 V/HR11T1 | Подшипник без сепаратора. С полным комплектом тел качения. |
| 51103 V/HR22T2 | Подшипник без сепаратора. С полным комплектом тел качения. |
| 51103 V/HR22Q2 | Подшипник без сепаратора. С полным комплектом тел качения. |
| 51103J | Дорожки качения наружного кольца. угол контакта и ширина наружного кольца в соответствии с ISO. Только для тел качения. |
| 51103 V/HR11Q1 | Подшипник без сепаратора. С полным комплектом тел качения. |
Модификации шарикового подшипника 51103/16 — это измененное основное конструктивное исполнение 51103, основные размеры (16x30x9) не отличаются.
| Обозначение | Гост | Конструктивные особенности |
|---|---|---|
| 8103 | ISO | Подшипник шариковый упорный однонаправленный. |
| Z-521004.AKL | ISO | Подшипник шариковый упорный однонаправленный. |
| S51103 | ISO | Подшипник шариковый упорный однонаправленный. |
| SS51103 | ISO | Подшипник шариковый упорный однонаправленный. |
Аналог шарикового подшипника 51103/16 — это подшипник такого же размера dx16,Dx30,Bx9, типа и конструкции.
| Обозначение | Конструктивные особенности | Внутренний (d) | Наружный (D) | Ширина (B) |
|---|---|---|---|---|
| 81103TVP | Роликовый цилиндрический упорный подшипник. Формованный полиамидный сепаратор оконного типа. Роликовые тела качения. | 17.00 | 30.00 | 9.00 |
| 81103LPB | Роликовый цилиндрический упорный подшипник. Обработанная сепаратор из легкого металла. Верховой вал. | 17.00 | 30.00 | 9.00 |
| 8103-А | Шариковый упорный однорядный подшипник. Повышенная грузоподъемность. | 17.00 | 30.00 | 9.00 |
| 8103-К | Шариковый упорный однорядный подшипник. «Замок» (скос) на внутреннем кольце плюс массивный сепаратор из текстолита. | 17.00 | 30.00 | 9.00 |
| 8103-Ю | Шариковый упорный однорядный подшипник. Все детали или часть деталей из нержавеющей стали.. | 17.00 | 30.00 | 9.00 |
| 8103-ЮТ | Шариковый упорный однорядный подшипник. Температура отпуска. 160°. Все детали или часть деталей из нержавеющей стали.. | 17.00 | 30.00 | 9.00 |
| 8103Н | Шариковый упорный однорядный подшипник. Детали из теплостойкой стали. | 17.00 | 30.00 | 9.00 |
| ЕШ17 | Шарнирный подшипник. Одно или два кольца из полимерного материала.. | 17.00 | 30.00 | 10.00 |
| ЕШС17К | Шарнирный подшипник. Канавка и отверстие для смазки на внутреннем и наружном кольцах.. | 17.00 | 30.00 | 10.00 |
| ЕШСЛ17К | Шарнирный подшипник. Канавка и отверстие для смазки на внутреннем и наружном кольцах.. | 17.00 | 30.00 | 10.00 |
| ЕШСЛ17К1 | Шарнирный подшипник. Канавка и отверстие для смазки на наружном кольце.. | 17.00 | 30.00 | 10.00 |
| ЕШСП17 К | Шарнирный подшипник. Канавка и отверстие для смазки на внутреннем и наружном кольцах.. | 17.00 | 30.00 | 10.00 |
| 3903 ZZ | Шариковый радиально-упорный двухрядный подшипник. Защитные металлические шайбы (бесконтактные уплотнения) с обеих сторон подшипника. | 17.00 | 30.00 | 10.00 |
| 6-8103 А | Шариковый упорный однорядный подшипник. Повышенная грузоподъемность. | 17.00 | 30.00 | 9.00 |
| 5-8103 А | Шариковый упорный однорядный подшипник. Повышенная грузоподъемность. | 17.00 | 30.00 | 9.00 |
Способы доставки
Отправка через ведущие транспортные и курьерские компании: ПЭК, Деловые Линии, СДЭК, Байкал-Сервис, Энергия, КИТ, ЖелДорЭкспедиция.
Самовывоз возможен напрямую со склада в Москве.
Сроки доставки
Срок зависит от региона и выбранной транспортной компании. Все заказы комплектуются и отправляются в кратчайшие сроки со склада в Москве.
Надёжность и сохранность
Вся продукция упаковывается с учётом требований транспортировки. Мы гарантируем, что подшипники и комплектующие прибудут к заказчику в полной сохранности.
Доставка в страны ЕАЭС
Мы работаем с проверенными логистическими партнёрами, что позволяет оперативно доставлять заказы в Беларусь, Казахстан, Армению и другие страны ЕАЭС.
Варианты оплаты:
Минимальная сумма заказа и скидки:
Документы и гарантии:
Да, конечно! Наши технические специалисты готовы помочь вам с подбором точного аналога или замены подшипника. Просто позвоните нам по телефону +7 (495) 104-99-04 или напишите на почту zakaz@podsnab.ru.
Для оперативной консультации подготовьте, пожалуйста, имеющиеся данные: маркировку, размеры, тип оборудования или артикул старого подшипника.
Да, конечно! Мы высоко ценим долгосрочное сотрудничество и доверие клиентов по всей России. Для постоянных клиентов действует персональная система скидок.
Условия формируются индивидуально и зависят от:
Чтобы узнать свои условия и получить максимально выгодное предложение, свяжитесь с персональным менеджером или напишите нам на почту zakaz@podsnab.ru.
Вы можете оформить заказ несколькими способами:
Для оформления заказа от юридического лица свяжитесь с нашим отделом по работе с корпоративными клиентами по телефону +7 (495) 104-99-04 или напишите на email zakaz@podsnab.ru, прикрепив реквизиты вашей организации.
Мы оперативно подготовим коммерческое предложение и выставим счет.
Возврат товара надлежащего качества возможен в течение 10 дней с момента получения, если товар не был в употреблении, сохранен товарный вид, упаковка не вскрывалась и присутствуют все сопроводительные документы.
Возврат денежных средств осуществляется в течение 10 рабочих дней после проверки товара складом.
В соответствии с законодательством возврату не подлежат подшипники надлежащего качества, если отсутствует оригинальная упаковка или имеются следы монтажа.
В случае выявления брака или гарантийного случая мы гарантируем возврат или обмен товара.
Да, гарантийный срок хранения устанавливается заводом-изготовителем и в среднем составляет 2 года при соблюдении условий хранения: сухое помещение, оригинальная упаковка и смазка.
Точный срок для конкретного типа подшипника уточняйте у наших менеджеров.
Пн–Пт: с 8:00 до 17:00 (МСК).
Сб–Вс: выходные дни.
Заказы на сайте принимаются круглосуточно. Заявки, поступившие после окончания рабочего дня, обрабатываются на следующий рабочий день.
Минимальная сумма заказа для доставки составляет 3000 рублей. Самовывоз со склада возможен на любую сумму при наличии товара.
ООО «УралТехГрупп»
ИНН: 7415093830
КПП: 772401001
ОГРН: 1167456069021
Банк: ПАО Сбербанк
Р/с: 40702810838000475273
К/с: 30101810400000000225
БИК: 044525225
У подшипника 51103/16 пока нет отзывов. Вы можете стать первым покупателем, поделившимся своим мнением.