Поиск подшипника
Статьи
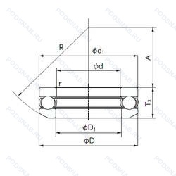
51105SS — Подшипник шариковый упорный однонаправленный, модификация основного исполнения 51105, производство NEUTRAL.
Размер подшипника: 25x42x11 мм.
Две резиновые защитные шайбы.
Международная стандартизации ISO
51105SS
В наличии
| Обозначение | Конструктивные изменения |
|---|---|
| 51105 | Подшипник шариковый упорный однонаправленный. Основное конструктивное исполнение. |
| 51105A | Упорный шарикоподшипник с более высокой предельной скоростью. |
| 51105MG | Формованный сепаратор из полиамида. укрепленного стекловолокном. |
| 51105-AH01-HLV | Размеры могут отличаться от базового номера детали. Внутренний зазор равен C3 (больше обычного) и защищен от коррозии специальным покрытием Corrotect®. Код местонахождения завода. может использоваться в стандартной комплектации. |
| 51105J9 | Прессованный стальной сепаратор. Вращающийся элемент по центру. Незакаленный. |
| 51105G | Устройство повторного смазывания со смазочной канавкой и отверстием на внешнем кольце. |
| 51105P6 | Размерные и геометрические допуски соответствуют классу точности P6. |
| 51105P5 | Размерная и рабочая точность соответствует классу допуска ISO 5. |
| 51105VA | Нержавеющая сталь. |
| 51105 V/HR11Q1 | Подшипник без сепаратора. С полным комплектом тел качения. |
| 51105 V/HR11T1 | Подшипник без сепаратора. С полным комплектом тел качения. |
| 51105 V/HR22Q2 | Подшипник без сепаратора. С полным комплектом тел качения. |
| 51105J | Дорожки качения наружного кольца. угол контакта и ширина наружного кольца в соответствии с ISO. Только для тел качения. |
| 51105 V/HR22T2 | Подшипник без сепаратора. С полным комплектом тел качения. |
Модификации шарикового подшипника 51105SS — это измененное основное конструктивное исполнение 51105, основные размеры (25x42x11) не отличаются.
| Обозначение | Гост | Конструктивные особенности |
|---|---|---|
| 81105 | ISO | Подшипник шариковый упорный однонаправленный. |
| S51105 | ISO | Подшипник шариковый упорный однонаправленный. |
| SS51105 | ISO | Подшипник шариковый упорный однонаправленный. |
Аналог шарикового подшипника 51105SS — это подшипник такого же размера dx25,Dx42,Bx11, типа и конструкции.
| Обозначение | Конструктивные особенности | Внутренний (d) | Наружный (D) | Ширина (B) |
|---|---|---|---|---|
| 81105TN | Роликовый цилиндрический упорный подшипник. литой под давлением сепаратор из полиамида 6.6. центрированный роликовый элемент. | 25.00 | 42.00 | 11.00 |
| 81105TVPB | Роликовый цилиндрический упорный подшипник. Твердый оконный сепаратор из полиамида. армированного стекловолокном. Направляющие на внутреннем кольце. | 25.00 | 42.00 | 11.00 |
| 81105-TV | Роликовый цилиндрический упорный подшипник. Прочный сепаратор из полиамида. армированного стекловолокном. | 25.00 | 42.00 | 11.00 |
| 81105T2 | Роликовый цилиндрический упорный подшипник. Пластиковый сепаратор. Нейлон или тефлон. | 25.00 | 42.00 | 11.00 |
| 81105-TV-E55N | Роликовый цилиндрический упорный подшипник. Сепаратор из полиамида. | 25.00 | 42.00 | 11.00 |
| 8105-К | Шариковый упорный однорядный подшипник. «Замок» (скос) на внутреннем кольце плюс массивный сепаратор из текстолита. | 25.00 | 42.00 | 11.00 |
| 8105-Ю | Шариковый упорный однорядный подшипник. Все детали или часть деталей из нержавеющей стали.. | 25.00 | 42.00 | 11.00 |
| 8105-ЮТ | Шариковый упорный однорядный подшипник. Температура отпуска. 160°. Все детали или часть деталей из нержавеющей стали.. | 25.00 | 42.00 | 11.00 |
| 8105Н | Шариковый упорный однорядный подшипник. Детали из теплостойкой стали. | 25.00 | 42.00 | 11.00 |
| В0-8105 К | Шариковый упорный однорядный подшипник. «Замок» (скос) на внутреннем кольце плюс массивный сепаратор из текстолита. | 25.00 | 42.00 | 11.00 |
| 6-8105 А | Шариковый упорный однорядный подшипник. Повышенная грузоподъемность. | 25.00 | 42.00 | 11.00 |
| 6-868805 | Шариковый упорный однорядный подшипник. | 25.20 | 42.00 | 11.48 |
| 6-8105 НЛ1Ш1 | Шариковый упорный однорядный подшипник. Детали из теплостойкой стали. Сепаратор из латуни.. Нормы шумности. | 25.00 | 42.00 | 11.00 |
| 8105-НЛ1 | Шариковый упорный однорядный подшипник. Детали из теплостойкой стали. Сепаратор из латуни.. | 25.00 | 42.00 | 11.00 |
| 5-8105 | Шариковый упорный однорядный подшипник. | 25.00 | 42.00 | 11.00 |
Способы доставки
Отправка через ведущие транспортные и курьерские компании: ПЭК, Деловые Линии, СДЭК, Байкал-Сервис, Энергия, КИТ, ЖелДорЭкспедиция.
Самовывоз возможен напрямую со склада в Москве.
Сроки доставки
Срок зависит от региона и выбранной транспортной компании. Все заказы комплектуются и отправляются в кратчайшие сроки со склада в Москве.
Надёжность и сохранность
Вся продукция упаковывается с учётом требований транспортировки. Мы гарантируем, что подшипники и комплектующие прибудут к заказчику в полной сохранности.
Доставка в страны ЕАЭС
Мы работаем с проверенными логистическими партнёрами, что позволяет оперативно доставлять заказы в Беларусь, Казахстан, Армению и другие страны ЕАЭС.
Варианты оплаты:
Минимальная сумма заказа и скидки:
Документы и гарантии:
Да, конечно! Наши технические специалисты готовы помочь вам с подбором точного аналога или замены подшипника. Просто позвоните нам по телефону +7 (495) 104-99-04 или напишите на почту zakaz@podsnab.ru.
Для оперативной консультации подготовьте, пожалуйста, имеющиеся данные: маркировку, размеры, тип оборудования или артикул старого подшипника.
Да, конечно! Мы высоко ценим долгосрочное сотрудничество и доверие клиентов по всей России. Для постоянных клиентов действует персональная система скидок.
Условия формируются индивидуально и зависят от:
Чтобы узнать свои условия и получить максимально выгодное предложение, свяжитесь с персональным менеджером или напишите нам на почту zakaz@podsnab.ru.
Вы можете оформить заказ несколькими способами:
Для оформления заказа от юридического лица свяжитесь с нашим отделом по работе с корпоративными клиентами по телефону +7 (495) 104-99-04 или напишите на email zakaz@podsnab.ru, прикрепив реквизиты вашей организации.
Мы оперативно подготовим коммерческое предложение и выставим счет.
Возврат товара надлежащего качества возможен в течение 10 дней с момента получения, если товар не был в употреблении, сохранен товарный вид, упаковка не вскрывалась и присутствуют все сопроводительные документы.
Возврат денежных средств осуществляется в течение 10 рабочих дней после проверки товара складом.
В соответствии с законодательством возврату не подлежат подшипники надлежащего качества, если отсутствует оригинальная упаковка или имеются следы монтажа.
В случае выявления брака или гарантийного случая мы гарантируем возврат или обмен товара.
Да, гарантийный срок хранения устанавливается заводом-изготовителем и в среднем составляет 2 года при соблюдении условий хранения: сухое помещение, оригинальная упаковка и смазка.
Точный срок для конкретного типа подшипника уточняйте у наших менеджеров.
Пн–Пт: с 8:00 до 17:00 (МСК).
Сб–Вс: выходные дни.
Заказы на сайте принимаются круглосуточно. Заявки, поступившие после окончания рабочего дня, обрабатываются на следующий рабочий день.
Минимальная сумма заказа для доставки составляет 3000 рублей. Самовывоз со склада возможен на любую сумму при наличии товара.
ООО «УралТехГрупп»
ИНН: 7415093830
КПП: 772401001
ОГРН: 1167456069021
Банк: ПАО Сбербанк
Р/с: 40702810838000475273
К/с: 30101810400000000225
БИК: 044525225
У подшипника 51105SS пока нет отзывов. Вы можете стать первым покупателем, поделившимся своим мнением.