Поиск подшипника
Статьи
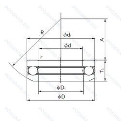
60715K11 — Подшипник шариковый упорный однонаправленный, модификация основного исполнения 60715, производство NEUTRAL.
Размер подшипника: 12x30x14 мм.
(segment tap. r. int. pl. code df)-same as.
Международная стандартизации ISO
60715K11
В наличии
| Обозначение | Гост | Конструктивные особенности |
|---|---|---|
| 53201+U 201 | ISO | Универсальный одиночный подшипник. |
| D1 | ISO | Подшипник шариковый упорный однонаправленный. |
| FT1 | ISO | Подшипник шариковый упорный однонаправленный. |
| GT1 | ISO | Подшипник шариковый упорный однонаправленный. |
Аналог шарикового подшипника 60715K11 — это подшипник такого же размера dx12,Dx30,Bx14, типа и конструкции.
| Обозначение | Конструктивные особенности | Внутренний (d) | Наружный (D) | Ширина (B) |
|---|---|---|---|---|
| KR30-PP-A-L460 | Кулачковый ролик толкатель. Двухрядный радиально-упорный шарикоподшипник без отверстия для смазки. Уплотнения на каждой стороне подшипника. Смазка (в зависимости от заказчика). | 12.00 | 30.00 | 14.00 |
| KRV30DZ | Кулачковый ролик толкатель. Опорный ролик. Цилиндрический наружный диаметр. | 12.00 | 30.00 | 14.00 |
| KR30X LL | Кулачковый ролик толкатель. Цилиндрический (плоский) профиль наружной рабочей поверхности. Контактное уплотнения из синтетической черной резины с обеих сторон. | 12.00 | 30.00 | 14.00 |
| CF12VBUU | Кулачковый ролик толкатель. С шестигранным отверстием. Полный тип дополнения. Манжетные уплотнения с обеих сторон (тип P - две шайбы из оцинкованной листовой стали с промежуточной частью NBR). Диапазон температур -30℃/+100℃. | 12.00 | 30.00 | 14.00 |
| KR30-B-NMT | Кулачковый ролик толкатель. Внутренняя модификация конструкции. Может использоваться в качестве стандартного. Шестигранная гайка. | 12.00 | 30.00 | 14.00 |
| CF12VUU | Кулачковый ролик толкатель. Полный тип дополнения. Манжетные уплотнения с обеих сторон (тип P - две шайбы из оцинкованной листовой стали с промежуточной частью NBR). Диапазон температур -30℃/+100℃. | 12.00 | 30.00 | 14.00 |
| KR30-PP-A-NMT | Кулачковый ролик толкатель. Двухрядный радиально-упорный шарикоподшипник без отверстия для смазки. Манжетные уплотнения с обеих сторон (тип P - две шайбы из оцинкованной листовой стали с промежуточной частью NBR. Кромка уплотнения предварительно нагружена в осевом направлении). Диапазон температур -30℃/+100℃. Шестигранная гайка. | 12.00 | 30.00 | 14.00 |
| KRV30XLLH | Кулачковый ролик толкатель. Цилиндрический (плоский) профиль наружной рабочей поверхности. Манжетное уплотнение с обеих сторон подшипника. | 12.00 | 30.00 | 14.00 |
| CF12VBUUR | Кулачковый ролик толкатель. С шестигранным отверстием. Полный тип дополнения. Манжетные уплотнения с обеих сторон (тип P - две шайбы из оцинкованной листовой стали с промежуточной частью NBR). Диапазон температур -30℃/+100℃. | 12.00 | 30.00 | 14.00 |
| GC30EE | Кулачковый ролик толкатель. Пластиковые уплотнения с каждой стороны подшипника. | 12.00 | 30.00 | 14.00 |
| KRV30LL/3AS | Кулачковый ролик толкатель. Контактное. синтетические. резиновое уплотнение с двух сторон. Смазка. Shell Oil Co. Смазка Alvania #3, стандартная заливка.. | 12.00 | 30.00 | 14.00 |
| KRV30-X-PP-A | Кулачковый ролик толкатель. Двухрядный радиально-упорный шарикоподшипник без отверстия для смазки. Цилиндрическая рабочая поверхность. Манжетные уплотнения с обеих сторон (тип P - две шайбы из оцинкованной листовой стали с промежуточной частью NBR. Кромка уплотнения предварительно нагружена в осевом направлении). Диапазон температур -30℃/+100℃. | 12.00 | 30.00 | 14.00 |
| PAE12TRS | Линейный шариковый подшипник. Нержавеющая сталь. Square (Larged Tapped Hole). | 12.00 | 30.00 | 14.00 |
| KR30XA | Кулачковый ролик толкатель. (Cone/Inner Race And Cup/Outer Race) Special Feature Bearing (Non-Interchangeable With Bearings Having The Same Basic Part Number). | 12.00 | 30.00 | 14.00 |
| 534901-ДК1 | Роликовый радиальный игольчатый подшипник. Кольцевая проточка на середине цилиндрической наружной поверхности наружного кольца плюс три отверстия для смазки. Сепаратор из алюминиевого сплава.. | 12.00 | 30.00 | 14.00 |
Способы доставки
Отправка через ведущие транспортные и курьерские компании: ПЭК, Деловые Линии, СДЭК, Байкал-Сервис, Энергия, КИТ, ЖелДорЭкспедиция.
Самовывоз возможен напрямую со склада в Москве.
Сроки доставки
Срок зависит от региона и выбранной транспортной компании. Все заказы комплектуются и отправляются в кратчайшие сроки со склада в Москве.
Надёжность и сохранность
Вся продукция упаковывается с учётом требований транспортировки. Мы гарантируем, что подшипники и комплектующие прибудут к заказчику в полной сохранности.
Доставка в страны ЕАЭС
Мы работаем с проверенными логистическими партнёрами, что позволяет оперативно доставлять заказы в Беларусь, Казахстан, Армению и другие страны ЕАЭС.
Варианты оплаты:
Минимальная сумма заказа и скидки:
Документы и гарантии:
Да, конечно! Наши технические специалисты готовы помочь вам с подбором точного аналога или замены подшипника. Просто позвоните нам по телефону +7 (495) 104-99-04 или напишите на почту zakaz@podsnab.ru.
Для оперативной консультации подготовьте, пожалуйста, имеющиеся данные: маркировку, размеры, тип оборудования или артикул старого подшипника.
Да, конечно! Мы высоко ценим долгосрочное сотрудничество и доверие клиентов по всей России. Для постоянных клиентов действует персональная система скидок.
Условия формируются индивидуально и зависят от:
Чтобы узнать свои условия и получить максимально выгодное предложение, свяжитесь с персональным менеджером или напишите нам на почту zakaz@podsnab.ru.
Вы можете оформить заказ несколькими способами:
Для оформления заказа от юридического лица свяжитесь с нашим отделом по работе с корпоративными клиентами по телефону +7 (495) 104-99-04 или напишите на email zakaz@podsnab.ru, прикрепив реквизиты вашей организации.
Мы оперативно подготовим коммерческое предложение и выставим счет.
Возврат товара надлежащего качества возможен в течение 10 дней с момента получения, если товар не был в употреблении, сохранен товарный вид, упаковка не вскрывалась и присутствуют все сопроводительные документы.
Возврат денежных средств осуществляется в течение 10 рабочих дней после проверки товара складом.
В соответствии с законодательством возврату не подлежат подшипники надлежащего качества, если отсутствует оригинальная упаковка или имеются следы монтажа.
В случае выявления брака или гарантийного случая мы гарантируем возврат или обмен товара.
Да, гарантийный срок хранения устанавливается заводом-изготовителем и в среднем составляет 2 года при соблюдении условий хранения: сухое помещение, оригинальная упаковка и смазка.
Точный срок для конкретного типа подшипника уточняйте у наших менеджеров.
Пн–Пт: с 8:00 до 17:00 (МСК).
Сб–Вс: выходные дни.
Заказы на сайте принимаются круглосуточно. Заявки, поступившие после окончания рабочего дня, обрабатываются на следующий рабочий день.
Минимальная сумма заказа для доставки составляет 3000 рублей. Самовывоз со склада возможен на любую сумму при наличии товара.
ООО «УралТехГрупп»
ИНН: 7415093830
КПП: 772401001
ОГРН: 1167456069021
Банк: ПАО Сбербанк
Р/с: 40702810838000475273
К/с: 30101810400000000225
БИК: 044525225
У подшипника 60715K11 пока нет отзывов. Вы можете стать первым покупателем, поделившимся своим мнением.