Поиск подшипника
Статьи
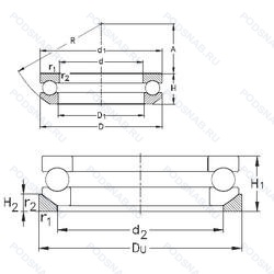
53211+U211 — Подшипник шариковый упорный однонаправленный, модификация основного исполнения 53211, выпускается производителями: FAG, ISB, NIS, NKE, SKF.
Размер подшипника: 55x90x30 мм.
Аналоги: 53211U NSK.
Международная стандартизации ISO
53211U211
В наличии
| Обозначение | Конструктивные изменения |
|---|---|
| 53211 | Подшипник шариковый упорный однонаправленный. Основное конструктивное исполнение. |
| 53211J9 | Прессованный стальной сепаратор. Вращающийся элемент по центру. Незакаленный. |
| 53211U | Упорный шариковый подшипник. С шайбой сферического корпуса и с шайбой посадочного места. |
| 53211M | Механически обработанный латунный сепаратор .Расположенный на элементах качения. |
| 53211U+U211 | Универсальный одиночный подшипник. |
Модификации шарикового подшипника 53211+U211 — это измененное основное конструктивное исполнение 53211, основные размеры (55x90x30) не отличаются.
| Обозначение | Гост | Конструктивные особенности |
|---|---|---|
| 18211 | ISO | Подшипник шариковый упорный однонаправленный. |
Аналог шарикового подшипника 53211+U211 — это подшипник такого же размера dx55,Dx90,Bx30, типа и конструкции.
| Обозначение | Конструктивные особенности | Внутренний (d) | Наружный (D) | Ширина (B) |
|---|---|---|---|---|
| 33111S | Однорядный конический роликовый подшипник. (Конус/внутренняя дорожка и чашка/внешняя дорожка) Специальная особенность подшипников (невзаимозаменяемы с подшипниками. имеющими одинаковые номера основных деталей). | 55.00 | 95.00 | 30.00 |
| 33111JR | однорядный конический роликовый подшипник. TAPERED ROLLER BEARING CONFORMING TO ISO R355 (SUB-UNIT. METRIC SERIES). EXAMPLE/ 30206JR. | 55.00 | 95.00 | 30.00 |
| 33111/Q | Однорядный конический роликовый подшипник. Подшипники класса TQ-Line. имеющих суффикс Q в обозначении. являются основой для производства подшипников SKF. | 55.00 | 95.00 | 30.00 |
| JM207049/010PREC.3 | Однорядный конический роликовый подшипник. (Конус/внутреннее кольцо и чашка/внешнее кольцо) Класс точности 3. | 55.00 | 95.00 | 29.00 |
| JM207049/010-30000 | Однорядный конический роликовый подшипник. 5/8. (Cone/Inner Race And Cup/Outer Race) Same As PREC.3 (Precision Class 3). | 55.00 | 95.00 | 29.00 |
| 4T-33111 | однорядный конический роликовый подшипник. Цементованная сталь. | 55.00 | 95.00 | 30.00 |
| 33111J | Однорядный конический роликовый подшипник. Дорожки качения наружного кольца. угол контакта и ширина наружного кольца в соответствии с ISO. | 55.00 | 95.00 | 30.00 |
| 33111-H | Однорядный конический роликовый подшипник. Произведен в Китае. | 55.00 | 95.00 | 30.00 |
| 711U | Подшипник шариковый упорный двойного направления. Универсальный одиночный подшипник. | 55.00 | 94.00 | 30.40 |
| JM207049A/10 | однорядный конический роликовый подшипник. Двухрядный радиально-упорный шарикоподшипник без отверстия для смазки. Distance Between Beginning Of The Rail And First Hole In MM. | 55.00 | 95.00 | 29.00 |
| E33111J | Роликовый радиальный-упорный однорядный подшипник. Дорожки качения наружного кольца. угол контакта и ширина наружного кольца в соответствии с ISO. | 55.00 | 95.00 | 30.00 |
| HR33111J | Роликовый радиальный-упорный однорядный подшипник. Дорожки качения наружного кольца. угол контакта и ширина наружного кольца в соответствии с ISO. Для конических роликоподшипников и радиальных шарикоподшипников. | 55.00 | 95.00 | 30.00 |
| JM207049/10 | Роликовый радиальный-упорный конический однорядный подшипник. Distance Between Beginning Of The Rail And First Hole In MM. | 55.00 | 95.00 | 29.00 |
| 33111F | Роликовый радиальный-упорный однорядный подшипник. Сепаратор из обработанной стали или специального чугуна. | 55.00 | 95.00 | 30.00 |
| 4111-AW | Шариковый упорный подшипник. Скользящая контактная поверхность из твердого хрома/Elgoglide®. | 55.00 | 94.00 | 30.00 |
Способы доставки
Отправка через ведущие транспортные и курьерские компании: ПЭК, Деловые Линии, СДЭК, Байкал-Сервис, Энергия, КИТ, ЖелДорЭкспедиция.
Самовывоз возможен напрямую со склада в Москве.
Сроки доставки
Срок зависит от региона и выбранной транспортной компании. Все заказы комплектуются и отправляются в кратчайшие сроки со склада в Москве.
Надёжность и сохранность
Вся продукция упаковывается с учётом требований транспортировки. Мы гарантируем, что подшипники и комплектующие прибудут к заказчику в полной сохранности.
Доставка в страны ЕАЭС
Мы работаем с проверенными логистическими партнёрами, что позволяет оперативно доставлять заказы в Беларусь, Казахстан, Армению и другие страны ЕАЭС.
Варианты оплаты:
Минимальная сумма заказа и скидки:
Документы и гарантии:
Да, конечно! Наши технические специалисты готовы помочь вам с подбором точного аналога или замены подшипника. Просто позвоните нам по телефону +7 (495) 104-99-04 или напишите на почту zakaz@podsnab.ru.
Для оперативной консультации подготовьте, пожалуйста, имеющиеся данные: маркировку, размеры, тип оборудования или артикул старого подшипника.
Да, конечно! Мы высоко ценим долгосрочное сотрудничество и доверие клиентов по всей России. Для постоянных клиентов действует персональная система скидок.
Условия формируются индивидуально и зависят от:
Чтобы узнать свои условия и получить максимально выгодное предложение, свяжитесь с персональным менеджером или напишите нам на почту zakaz@podsnab.ru.
Вы можете оформить заказ несколькими способами:
Для оформления заказа от юридического лица свяжитесь с нашим отделом по работе с корпоративными клиентами по телефону +7 (495) 104-99-04 или напишите на email zakaz@podsnab.ru, прикрепив реквизиты вашей организации.
Мы оперативно подготовим коммерческое предложение и выставим счет.
Возврат товара надлежащего качества возможен в течение 10 дней с момента получения, если товар не был в употреблении, сохранен товарный вид, упаковка не вскрывалась и присутствуют все сопроводительные документы.
Возврат денежных средств осуществляется в течение 10 рабочих дней после проверки товара складом.
В соответствии с законодательством возврату не подлежат подшипники надлежащего качества, если отсутствует оригинальная упаковка или имеются следы монтажа.
В случае выявления брака или гарантийного случая мы гарантируем возврат или обмен товара.
Да, гарантийный срок хранения устанавливается заводом-изготовителем и в среднем составляет 2 года при соблюдении условий хранения: сухое помещение, оригинальная упаковка и смазка.
Точный срок для конкретного типа подшипника уточняйте у наших менеджеров.
Пн–Пт: с 8:00 до 17:00 (МСК).
Сб–Вс: выходные дни.
Заказы на сайте принимаются круглосуточно. Заявки, поступившие после окончания рабочего дня, обрабатываются на следующий рабочий день.
Минимальная сумма заказа для доставки составляет 3000 рублей. Самовывоз со склада возможен на любую сумму при наличии товара.
ООО «УралТехГрупп»
ИНН: 7415093830
КПП: 772401001
ОГРН: 1167456069021
Банк: ПАО Сбербанк
Р/с: 40702810838000475273
К/с: 30101810400000000225
БИК: 044525225
У подшипника 53211+U211 пока нет отзывов. Вы можете стать первым покупателем, поделившимся своим мнением.