Поиск подшипника
Статьи
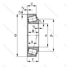
KLM300849-LM300811 — Однорядный конический роликовый подшипник, модификация основного исполнения KLM300849, выпускается производителями: FAG, SKF.
Размер подшипника: 40x67x17 мм.
Альтернативное обозначение: K-LM300849/811.
Аналоги: LM300849.LM300811 FAG,LM300849.LM300811CZ FAG,LM300849/811/Q SKF,LM300849/LM300811 Timken,LM300849-90497 Timken,SET318 Timken,LM300849/811/QVK210 SKF.
Международная стандартизации ISO
KLM300849LM300811
В наличии
| Обозначение | Конструктивные изменения |
|---|---|
| KLM300849-LM300811-CZ | Однорядный конический роликовый подшипник. |
Модификации конического роликового подшипника KLM300849-LM300811 — это измененное основное конструктивное исполнение KLM300849, основные размеры (40x67x17) не отличаются.
| Обозначение | Гост | Конструктивные особенности |
|---|---|---|
| LM300849-90497 | ISO | Однорядный конический роликовый подшипник. |
| LM300849/LM300811 | ISO | Механически обработанный латунный сепаратор. |
| 57414/LM300811 | ISO | Однорядный конический роликовый подшипник. |
| LM300849/11CZ | ISO | Однорядный конический роликовый подшипник. |
| F15003 | ISO | Однорядный конический роликовый подшипник. |
| LM300849.LM300811CZ | ISO | Однорядный конический роликовый подшипник. |
| HI-CAP57414/LM300811 | ISO | Угол контакта 20 градусов. |
| LM300849/LM300811/QCL7A | ISO | Оптимизированная геометрия и специальная обработка контактных поверхностей. Высокопроизводительная конструкция для подшипниковых узлов шестерен (заменена на CL7C). |
| LM300849/811/QCL7A | ISO | Оптимизированная геометрия и специальная обработка контактных поверхностей. Высокопроизводительная конструкция для подшипниковых узлов шестерен (заменена на CL7C). |
| VKHB2272 | ISO | Однорядный конический роликовый подшипник. |
| LM300849/LM300811J42B | ISO | Специальная маркировка для конических роликоподшипников. полученных от разных производителей. |
| BT1B328612C/QCL7C | ISO | Высокоэффективная конструкция. |
| LM300849/811/Q | ISO | Подшипники класса TQ-Line. имеющих суффикс Q в обозначении. являются основой для производства подшипников SKF. |
| BT1B328612C/QCL7CVK210 | ISO | Измененный внутренний дизайн. Оптимизированная геометрия и специальная обработка контактных поверхностей. Высокоэффективная конструкция. На подшипнике не может быть нанесен логотип клиента, может использоваться как стандарт. |
| EC12694S02 H106 | ISO | Кольца стабилизированы по размерам для использования при рабочих температурах до +250°C (482°F). |
| LM300849RG3/811RG | ISO | Соответствует стандарту AFBMA. Углеродистые чаши и конусы корпуса. |
| LM300849-N/LM300811-N | ISO | Канавка под стопорное кольцо на внешнем кольце. |
| BT1B328612C | ISO | S-Range. Straight Raceway In The Outer Ring. Series 320X. |
| SET318 | ISO | Однорядный конический роликовый подшипник. |
| LM300849/LM300811TVP | ISO | Сепаратор из полиамида. |
| LM300849/LM300811/Q | ISO | Подшипники класса TQ-Line. имеющих суффикс Q в обозначении. являются основой для производства подшипников SKF. |
| LM300849/811/QVK210 | ISO | Оптимизированная геометрия и специальная обработка контактных поверхностей. На подшипнике не может быть нанесен логотип клиента, может использоваться как стандарт. |
Аналог конического роликового подшипника KLM300849-LM300811 — это подшипник такого же размера dx40,Dx67,Bx17, типа и конструкции.
| Обозначение | Конструктивные особенности | Внутренний (d) | Наружный (D) | Ширина (B) |
|---|---|---|---|---|
| K40 | Подшипник шариковый двухрядный радиально-упорный. | 40.00 | 67.00 | 18.00 |
| 300849/300811 | Роликовый радиальный-упорный конический однорядный подшипник. | 40.99 | 67.98 | 18.00 |
| 2007808-А | Роликовый радиальный-упорный однорядный подшипник. Повышенная грузоподъемность. | 40.99 | 67.97 | 17.50 |
| 6-2007808 А | Роликовый радиальный-упорный однорядный подшипник. Повышенная грузоподъемность. | 40.99 | 67.97 | 17.50 |
| 2007808A | Роликовый радиальный-упорный однорядный подшипник. Двухрядный радиально-упорный шарикоподшипник без отверстия для смазки. | 40.99 | 67.98 | 18.00 |
| 3007108А | Роликовый радиальный-упорный однорядный подшипник. Повышенная грузоподъемность. | 40.00 | 68.00 | 18.00 |
| H-LM300849/H-LM300811 | Роликовый радиальный-упорный однорядный подшипник. | 40.99 | 67.97 | 17.50 |
| EC126694S02H106 | Роликовый радиальный-упорный однорядный подшипник. | 41.00 | 68.00 | 17.50 |
| NP561514/NP742592 | Роликовый радиальный-упорный однорядный подшипник. | 40.99 | 67.97 | 17.50 |
| 40BER20XV1V | Шариковый радиально-упорный однорядный подшипник. | 40.00 | 68.00 | 18.00 |
| 40BNR20SV1V | Шариковый радиально-упорный однорядный подшипник. | 40.00 | 68.00 | 18.00 |
| 40BER20SV1V | Шариковый радиально-упорный однорядный подшипник. | 40.00 | 68.00 | 18.00 |
| ARX40X68X17.5 | Роликовый игольчатый подшипник однорядный. Distance Between Beginning Of The Rail And First Hole In MM. Изменённая фаска. | 40.00 | 68.00 | 17.50 |
| LM300849/11 | Роликовый радиальный-упорный конический однорядный подшипник. 11/16. | 40.99 | 67.97 | 17.50 |
| 562008 | Шариковый упорный двухрядный подшипник. | 40.00 | 68.00 | 18.00 |
Способы доставки
Отправка через ведущие транспортные и курьерские компании: ПЭК, Деловые Линии, СДЭК, Байкал-Сервис, Энергия, КИТ, ЖелДорЭкспедиция.
Самовывоз возможен напрямую со склада в Москве.
Сроки доставки
Срок зависит от региона и выбранной транспортной компании. Все заказы комплектуются и отправляются в кратчайшие сроки со склада в Москве.
Надёжность и сохранность
Вся продукция упаковывается с учётом требований транспортировки. Мы гарантируем, что подшипники и комплектующие прибудут к заказчику в полной сохранности.
Доставка в страны ЕАЭС
Мы работаем с проверенными логистическими партнёрами, что позволяет оперативно доставлять заказы в Беларусь, Казахстан, Армению и другие страны ЕАЭС.
Варианты оплаты:
Минимальная сумма заказа и скидки:
Документы и гарантии:
Да, конечно! Наши технические специалисты готовы помочь вам с подбором точного аналога или замены подшипника. Просто позвоните нам по телефону +7 (495) 104-99-04 или напишите на почту zakaz@podsnab.ru.
Для оперативной консультации подготовьте, пожалуйста, имеющиеся данные: маркировку, размеры, тип оборудования или артикул старого подшипника.
Да, конечно! Мы высоко ценим долгосрочное сотрудничество и доверие клиентов по всей России. Для постоянных клиентов действует персональная система скидок.
Условия формируются индивидуально и зависят от:
Чтобы узнать свои условия и получить максимально выгодное предложение, свяжитесь с персональным менеджером или напишите нам на почту zakaz@podsnab.ru.
Вы можете оформить заказ несколькими способами:
Для оформления заказа от юридического лица свяжитесь с нашим отделом по работе с корпоративными клиентами по телефону +7 (495) 104-99-04 или напишите на email zakaz@podsnab.ru, прикрепив реквизиты вашей организации.
Мы оперативно подготовим коммерческое предложение и выставим счет.
Возврат товара надлежащего качества возможен в течение 10 дней с момента получения, если товар не был в употреблении, сохранен товарный вид, упаковка не вскрывалась и присутствуют все сопроводительные документы.
Возврат денежных средств осуществляется в течение 10 рабочих дней после проверки товара складом.
В соответствии с законодательством возврату не подлежат подшипники надлежащего качества, если отсутствует оригинальная упаковка или имеются следы монтажа.
В случае выявления брака или гарантийного случая мы гарантируем возврат или обмен товара.
Да, гарантийный срок хранения устанавливается заводом-изготовителем и в среднем составляет 2 года при соблюдении условий хранения: сухое помещение, оригинальная упаковка и смазка.
Точный срок для конкретного типа подшипника уточняйте у наших менеджеров.
Пн–Пт: с 8:00 до 17:00 (МСК).
Сб–Вс: выходные дни.
Заказы на сайте принимаются круглосуточно. Заявки, поступившие после окончания рабочего дня, обрабатываются на следующий рабочий день.
Минимальная сумма заказа для доставки составляет 3000 рублей. Самовывоз со склада возможен на любую сумму при наличии товара.
ООО «УралТехГрупп»
ИНН: 7415093830
КПП: 772401001
ОГРН: 1167456069021
Банк: ПАО Сбербанк
Р/с: 40702810838000475273
К/с: 30101810400000000225
БИК: 044525225
У подшипника KLM300849-LM300811 пока нет отзывов. Вы можете стать первым покупателем, поделившимся своим мнением.