Поиск подшипника
Статьи
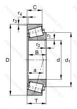
32208J — однорядный конический роликовый подшипник, модификация основного исполнения 32208, выпускается производителями: KBC, NACHI, NSK.
Размер подшипника: 40x80x24 мм.
Дорожки качения наружного кольца. угол контакта и ширина наружного кольца в соответствии с iso.
Аналоги: 32208-DY FAG,32208J2/Q SKF,32208M Timken,32208C SNR,32208JR Koyo,32208A TPS Timken Polska,32208A Gnutti Carlo,32208A FLT,32208 FBJ,32208J KBC,32208A ZKL,32208 LYC,32208 CFC,32208 China,7508 GPZ,32208 Neutral.
Международная стандартизации ISO
32208J
В наличии
| Обозначение | Конструктивные изменения |
|---|---|
| 32208C | 15° Угол контакта. |
| 32208 | однорядный конический роликовый подшипник. Основное конструктивное исполнение. |
| 32208G | Устройство повторного смазывания со смазочной канавкой и отверстием на внешнем кольце. |
| 32208A | Двухрядный радиально-упорный шарикоподшипник без отверстия для смазки. |
| 32208DY | Конические роликоподшипники. произведенные в Корее и продаваемые под торговой маркой FAG. могут быть идентифицированы по суффиксу -DY/-DZ. |
| 32208JR E3 | TAPERED ROLLER BEARING CONFORMING TO ISO R355 (SUB-UNIT. METRIC SERIES). EXAMPLE/ 30206JR. Cast Iron Cover Mounting Groove. |
| 32208M | (Конус/внутренняя поверхность и чашка/внешняя поверхность) Компоненты со сквозной закалкой. Номера деталей DIN 720. Номера деталей IsoClass. |
| 32208CZ | однорядный конический роликовый подшипник. |
| 32208M-90KM1 | Подшипник с латунным сепаратором. центрированный по телам качения. |
| 32208-90KA1 | Assembly Code. |
| 32208-90NA2 | однорядный конический роликовый подшипник. |
| 32208-XL | Серия X Live. |
| 32208-CYB-W136 | однорядный конический роликовый подшипник. |
| 32208.J42A | Специальная маркировка конических роликоподшипников при покупке разных производителей. |
| 32208-92KA1-P5 | (Cone/Inner Race And Cup/Outer Race) Dimensional And Running Accuracy To ISO Tolerance Class 5. |
| 32208J2 | Штампованный стальной сепаратор. центрируемый по роликам. Число после J указывает на различные конструктивные исполнения сепаратора. |
| 32208J2/Q | Оптимизированная геометрия и специальная обработка контактных поверхностей. Штампованный стальной сепаратор. центрируемый по роликам. Число после J указывает на различные конструктивные исполнения сепаратора. |
| 32208M-90KA4 | Подшипник с латунным сепаратором. центрированный по телам качения. |
| 32208P5 | Размерная и рабочая точность соответствует классу допуска ISO 5. |
| 32208B | Конический роликовый подшипник. Угол контакта 20 градусов. |
| 32208-H | Произведен в Китае. |
| 32208JR | TAPERED ROLLER BEARING CONFORMING TO ISO R355 (SUB-UNIT. METRIC SERIES). EXAMPLE/ 30206JR. |
| 32208F | Сепаратор из обработанной стали или специального чугуна. |
| 32208CR | (TB-Segment) Phenolic (Composition) Fafnir Standard. |
Модификации конического роликового подшипника 32208J — это измененное основное конструктивное исполнение 32208, основные размеры (40x80x24) не отличаются.
| Обозначение | Гост | Конструктивные особенности |
|---|---|---|
| 26880/26822B | ISO | Фланец на передней поверхности наружного кольца. |
| 26881/26822B | ISO | Фланец на передней поверхности наружного кольца. |
| 344/332A | ISO | (Чаша/внешняя поверхность) отличается по наружному диаметру/радиусу/ширине от номера базовой детали. |
| 344A/332A | ISO | (Чаша/внешняя поверхность) отличается по наружному диаметру/радиусу/ширине от номера базовой детали. |
| 101040/101080 | ISO | однорядный конический роликовый подшипник. |
| 26880/26824 | ISO | однорядный конический роликовый подшипник. |
| 17517 | ISO | однорядный конический роликовый подшипник. |
| 7508A | ISO | (Чаша/внешняя поверхность) отличается по наружному диаметру/радиусу/ширине от номера базовой детали. |
| 26880-99401 | ISO | однорядный конический роликовый подшипник. |
| 26881-99401 | ISO | однорядный конический роликовый подшипник. |
| HR32208CJ | ISO | Стальной сепаратор из двух частей оконного типа. Для конических роликоподшипников и радиальных шарикоподшипников. |
| 7508 | ISO | однорядный конический роликовый подшипник. |
| HR32208J | ISO | Дорожки качения наружного кольца. угол контакта и ширина наружного кольца в соответствии с ISO. Для конических роликоподшипников и радиальных шарикоподшипников. |
| 26880/26822 | ISO | однорядный конический роликовый подшипник. |
| 26881/26822 | ISO | однорядный конический роликовый подшипник. |
| 26881/26824 | ISO | однорядный конический роликовый подшипник. |
| 4T-32208P5 | ISO | Размерная и рабочая точность соответствует классу допуска ISO 5. |
| BT1-0524 | ISO | однорядный конический роликовый подшипник. |
| 4T-32208 | ISO | Цементованная сталь. |
| 4T-32208X | ISO | однорядный конический роликовый подшипник. |
| 7508 | ГОСТ | однорядный конический роликовый подшипник. |
Аналог конического роликового подшипника 32208J — это подшипник такого же размера dx40,Dx80,Bx24, типа и конструкции.
| Обозначение | Конструктивные особенности | Внутренний (d) | Наружный (D) | Ширина (B) |
|---|---|---|---|---|
| 2208-K-2RS+H308 | Шариковый сферический двухрядный подшипник. Коническое внутреннее отверстие. Контактные уплотнения типа RS с обеих сторон игольчатого роликоподшипника. | 40.00 | 80.00 | 23.00 |
| 2208 TN9 | Шариковый сферический двухрядный подшипник. Литой защелкивающийся сепаратор из полиамида. армированного стекловолокном 6.6. | 40.00 | 80.00 | 23.00 |
| 2208SK | Шариковый сферический двухрядный подшипник. Кулачковый толкатель штифтового типа. С шестигранной головкой. Только для внутреннего и наружного колец. | 40.00 | 80.00 | 23.00 |
| S2208-2RS | Шариковый сферический двухрядный подшипник. Резиновые уплотнения с каждой стороны подшипника. | 40.00 | 80.00 | 23.00 |
| NJ 2208 ECPH | Роликовый радиальный однорядный подшипник. Однорядный цилиндрический роликовый подшипник. | 40.00 | 80.00 | 23.00 |
| NU 2208 ECPH | Роликовый радиальный однорядный подшипник. Однорядный цилиндрический роликовый подшипник. | 40.00 | 80.00 | 23.00 |
| 40-3508 Н | Роликовый радиальный двухрядный подшипник. Детали из теплостойкой стали. | 40.00 | 80.00 | 23.00 |
| 5-32508 Д | Роликовый радиальный подшипник. Сепаратор из алюминиевого сплава.. | 40.00 | 80.00 | 23.00 |
| 5-32508 Д1 | Роликовый радиальный подшипник. Сепаратор из алюминиевого сплава.. | 40.00 | 80.00 | 23.00 |
| 502308-КМ | Роликовый радиальный однорядный подшипник. Кольцевая проточка на середине цилиндрической наружной поверхности наружного кольца плюс три отверстия для смазки. Модифицированный контакт.. | 40.00 | 77.00 | 23.00 |
| 53508-Н(22208CCW33C3) | Роликовый радиальный двухрядный подшипник. ВНИИНП-210. Детали из вакуумированной стали.. Детали из теплостойкой стали. | 40.00 | 80.00 | 23.00 |
| 580508АК | Шариковый радиальный однорядный подшипник. Повышенная грузоподъемность. | 40.00 | 80.00 | 23.00 |
| 6-180508 АК2УС9 | Шариковый радиальный однорядный подшипник. Дополнительные технические требования. Повышенная грузоподъемность. Смазка ЛЗ-31. | 40.00 | 80.00 | 23.00 |
| 6-180508 К2С9 | Шариковый радиальный однорядный подшипник. Смазка ЛЗ-31. | 40.00 | 80.00 | 23.00 |
| 6-180508 К2УС9 | Шариковый радиальный однорядный подшипник. Дополнительные технические требования. Смазка ЛЗ-31. | 40.00 | 80.00 | 23.00 |
Способы доставки
Отправка через ведущие транспортные и курьерские компании: ПЭК, Деловые Линии, СДЭК, Байкал-Сервис, Энергия, КИТ, ЖелДорЭкспедиция.
Самовывоз возможен напрямую со склада в Москве.
Сроки доставки
Срок зависит от региона и выбранной транспортной компании. Все заказы комплектуются и отправляются в кратчайшие сроки со склада в Москве.
Надёжность и сохранность
Вся продукция упаковывается с учётом требований транспортировки. Мы гарантируем, что подшипники и комплектующие прибудут к заказчику в полной сохранности.
Доставка в страны ЕАЭС
Мы работаем с проверенными логистическими партнёрами, что позволяет оперативно доставлять заказы в Беларусь, Казахстан, Армению и другие страны ЕАЭС.
Варианты оплаты:
Минимальная сумма заказа и скидки:
Документы и гарантии:
Да, конечно! Наши технические специалисты готовы помочь вам с подбором точного аналога или замены подшипника. Просто позвоните нам по телефону +7 (495) 104-99-04 или напишите на почту zakaz@podsnab.ru.
Для оперативной консультации подготовьте, пожалуйста, имеющиеся данные: маркировку, размеры, тип оборудования или артикул старого подшипника.
Да, конечно! Мы высоко ценим долгосрочное сотрудничество и доверие клиентов по всей России. Для постоянных клиентов действует персональная система скидок.
Условия формируются индивидуально и зависят от:
Чтобы узнать свои условия и получить максимально выгодное предложение, свяжитесь с персональным менеджером или напишите нам на почту zakaz@podsnab.ru.
Вы можете оформить заказ несколькими способами:
Для оформления заказа от юридического лица свяжитесь с нашим отделом по работе с корпоративными клиентами по телефону +7 (495) 104-99-04 или напишите на email zakaz@podsnab.ru, прикрепив реквизиты вашей организации.
Мы оперативно подготовим коммерческое предложение и выставим счет.
Возврат товара надлежащего качества возможен в течение 10 дней с момента получения, если товар не был в употреблении, сохранен товарный вид, упаковка не вскрывалась и присутствуют все сопроводительные документы.
Возврат денежных средств осуществляется в течение 10 рабочих дней после проверки товара складом.
В соответствии с законодательством возврату не подлежат подшипники надлежащего качества, если отсутствует оригинальная упаковка или имеются следы монтажа.
В случае выявления брака или гарантийного случая мы гарантируем возврат или обмен товара.
Да, гарантийный срок хранения устанавливается заводом-изготовителем и в среднем составляет 2 года при соблюдении условий хранения: сухое помещение, оригинальная упаковка и смазка.
Точный срок для конкретного типа подшипника уточняйте у наших менеджеров.
Пн–Пт: с 8:00 до 17:00 (МСК).
Сб–Вс: выходные дни.
Заказы на сайте принимаются круглосуточно. Заявки, поступившие после окончания рабочего дня, обрабатываются на следующий рабочий день.
Минимальная сумма заказа для доставки составляет 3000 рублей. Самовывоз со склада возможен на любую сумму при наличии товара.
ООО «УралТехГрупп»
ИНН: 7415093830
КПП: 772401001
ОГРН: 1167456069021
Банк: ПАО Сбербанк
Р/с: 40702810838000475273
К/с: 30101810400000000225
БИК: 044525225
У подшипника 32208J пока нет отзывов. Вы можете стать первым покупателем, поделившимся своим мнением.