Поиск подшипника
Статьи
32315B — Однорядный конический роликовый подшипник, модификация основного исполнения 32315, выпускается производителями: FAG, MGM, NTN, ROLLWAY, SKF, SNR, ZKL.
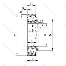
Размер подшипника: 75x160x58 мм.
Конический роликовый подшипник. угол контакта 20 градусов.
Аналоги: 32315-B FAG,32315BX7JU MGM.
Международная стандартизации ISO
32315B
В наличии
| Обозначение | Конструктивные изменения |
|---|---|
| 32315R | С выпуклыми асимметричными роликами и обработанным сепаратором. |
| 32315C | 15° Угол контакта. |
| 32315BC | Conrad Type 25° Угол контакта. Domestic Production. |
| 32315 | Однорядный конический роликовый подшипник. Основное конструктивное исполнение. |
| 32315A | Соответствует стандартам ISO с улучшенными характеристиками. |
| 32315U | Универсальный одиночный подшипник. |
| 32315J1 | Прессованный стальной сепаратор. |
| 32315BJ2/PEXCL7C | Больший угол контакта по сравнению со стандартной конструкцией. Высокоэффективная конструкция. Штампованный стальной сепаратор. центрируемый по роликам. Число после J указывает на различные конструктивные исполнения сепаратора. |
| 32315BJ2/QCL7C | Больший угол контакта по сравнению со стандартной конструкцией. Штампованный стальной сепаратор. центрируемый по роликам. Число после J указывает на различные конструктивные исполнения сепаратора. Высокоэффективная конструкция. |
| 32315J2 | Штампованный стальной сепаратор. центрируемый по роликам. Число после J указывает на различные конструктивные исполнения сепаратора. |
| 32315BJ2/QCL7A | Больший угол контакта по сравнению со стандартной конструкцией. Оптимизированная геометрия и специальная обработка контактных поверхностей. Штампованный стальной сепаратор. центрируемый по роликам. Число после J указывает на различные конструктивные исполнения сепаратора. Высокопроизводительная конструкция для подшипниковых узлов шестерен (заменена на CL7C). |
| 32315BX7JU | Больший угол контакта по сравнению со стандартной конструкцией. |
| 32315B/CL7C | Больший угол контакта по сравнению со стандартной конструкцией. Высокоэффективная конструкция. |
| 32315JR | TAPERED ROLLER BEARING CONFORMING TO ISO R355 (SUB-UNIT. METRIC SERIES). EXAMPLE/ 30206JR. |
| 32315J2/Q | Оптимизированная геометрия и специальная обработка контактных поверхностей. Штампованный стальной сепаратор. центрируемый по роликам. Число после J указывает на различные конструктивные исполнения сепаратора. |
| 32315CR | Rib Outer Ring. |
| 32315M-90NM2 | Подшипник с латунным сепаратором. центрированный по телам качения. |
| 32315M | (Конус/внутренняя поверхность и чашка/внешняя поверхность) Компоненты со сквозной закалкой. Номера деталей DIN 720. Номера деталей IsoClass. |
| 32315B P6 | Single Row Tapered Roller Bearing With Угол контакта > 17°. Размерные и геометрические допуски соответствуют классу точности P6. |
| 32315BA | Modified Internal Design. Increased Угол контакта. |
| 32315-H | Произведен в Китае. |
| 32315-B-T29B | Конический роликовый подшипник. Угол контакта 20 градусов. Low Friction Design Was Introduced Optimizing The Contact Roller Face / Inner Ring Rib. |
| 32315CA | Латунный сепаратор с симметричными роликами. |
| 32315F | Сепаратор из обработанной стали или специального чугуна. |
Модификации конического роликового подшипника 32315B — это измененное основное конструктивное исполнение 32315, основные размеры (75x160x58) не отличаются.
| Обозначение | Гост | Конструктивные особенности |
|---|---|---|
| E32315 | ISO | Однорядный конический роликовый подшипник. |
| BT1B243150 | ISO | Однорядный конический роликовый подшипник. |
Аналог конического роликового подшипника 32315B — это подшипник такого же размера dx75,Dx160,Bx58, типа и конструкции.
| Обозначение | Конструктивные особенности | Внутренний (d) | Наружный (D) | Ширина (B) |
|---|---|---|---|---|
| 7615 | Роликовый радиальный-упорный однорядный подшипник. | 75.00 | 160.00 | 58.00 |
| E32315J | Роликовый радиальный-упорный однорядный подшипник. Дорожки качения наружного кольца. угол контакта и ширина наружного кольца в соответствии с ISO. | 75.00 | 160.00 | 58.00 |
| HR32315J | Роликовый радиальный-упорный однорядный подшипник. Дорожки качения наружного кольца. угол контакта и ширина наружного кольца в соответствии с ISO. Для конических роликоподшипников и радиальных шарикоподшипников. | 75.00 | 160.00 | 58.00 |
| F15071 | Роликовый радиальный-упорный однорядный подшипник. | 75.00 | 160.00 | 58.00 |
| 7615-М | Роликовый радиальный-упорный однорядный подшипник. Модифицированный контакт.. | 75.00 | 160.00 | 58.00 |
Способы доставки
Отправка через ведущие транспортные и курьерские компании: ПЭК, Деловые Линии, СДЭК, Байкал-Сервис, Энергия, КИТ, ЖелДорЭкспедиция.
Самовывоз возможен напрямую со склада в Москве.
Сроки доставки
Срок зависит от региона и выбранной транспортной компании. Все заказы комплектуются и отправляются в кратчайшие сроки со склада в Москве.
Надёжность и сохранность
Вся продукция упаковывается с учётом требований транспортировки. Мы гарантируем, что подшипники и комплектующие прибудут к заказчику в полной сохранности.
Доставка в страны ЕАЭС
Мы работаем с проверенными логистическими партнёрами, что позволяет оперативно доставлять заказы в Беларусь, Казахстан, Армению и другие страны ЕАЭС.
Варианты оплаты:
Минимальная сумма заказа и скидки:
Документы и гарантии:
Да, конечно! Наши технические специалисты готовы помочь вам с подбором точного аналога или замены подшипника. Просто позвоните нам по телефону +7 (495) 104-99-04 или напишите на почту zakaz@podsnab.ru.
Для оперативной консультации подготовьте, пожалуйста, имеющиеся данные: маркировку, размеры, тип оборудования или артикул старого подшипника.
Да, конечно! Мы высоко ценим долгосрочное сотрудничество и доверие клиентов по всей России. Для постоянных клиентов действует персональная система скидок.
Условия формируются индивидуально и зависят от:
Чтобы узнать свои условия и получить максимально выгодное предложение, свяжитесь с персональным менеджером или напишите нам на почту zakaz@podsnab.ru.
Вы можете оформить заказ несколькими способами:
Для оформления заказа от юридического лица свяжитесь с нашим отделом по работе с корпоративными клиентами по телефону +7 (495) 104-99-04 или напишите на email zakaz@podsnab.ru, прикрепив реквизиты вашей организации.
Мы оперативно подготовим коммерческое предложение и выставим счет.
Возврат товара надлежащего качества возможен в течение 10 дней с момента получения, если товар не был в употреблении, сохранен товарный вид, упаковка не вскрывалась и присутствуют все сопроводительные документы.
Возврат денежных средств осуществляется в течение 10 рабочих дней после проверки товара складом.
В соответствии с законодательством возврату не подлежат подшипники надлежащего качества, если отсутствует оригинальная упаковка или имеются следы монтажа.
В случае выявления брака или гарантийного случая мы гарантируем возврат или обмен товара.
Да, гарантийный срок хранения устанавливается заводом-изготовителем и в среднем составляет 2 года при соблюдении условий хранения: сухое помещение, оригинальная упаковка и смазка.
Точный срок для конкретного типа подшипника уточняйте у наших менеджеров.
Пн–Пт: с 8:00 до 17:00 (МСК).
Сб–Вс: выходные дни.
Заказы на сайте принимаются круглосуточно. Заявки, поступившие после окончания рабочего дня, обрабатываются на следующий рабочий день.
Минимальная сумма заказа для доставки составляет 3000 рублей. Самовывоз со склада возможен на любую сумму при наличии товара.
ООО «УралТехГрупп»
ИНН: 7415093830
КПП: 772401001
ОГРН: 1167456069021
Банк: ПАО Сбербанк
Р/с: 40702810838000475273
К/с: 30101810400000000225
БИК: 044525225
У подшипника 32315B пока нет отзывов. Вы можете стать первым покупателем, поделившимся своим мнением.