Поиск подшипника
Статьи
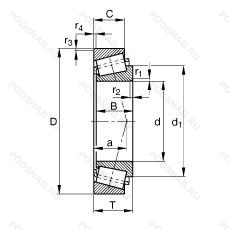
KLM29748-LM29710 — Однорядный конический роликовый подшипник, модификация основного исполнения KLM29748, производство FAG.
Размер подшипника: 38x65x18 мм.
Альтернативное обозначение: KLM29748-710, LM29748/710, LM29748/LM29710, LM29748-20024 / 710-20024, LM29748-99402, SET56.
Аналоги: LM29748.LM29710 FAG,LM29748/LM29710 Timken,LM29748-99402 Timken,LM29748/LM29710 SKF,SET56 Timken,LM29748/710 SKF,LM29748/LM29710 Koyo,LM29748R/LM29710R NSK,LM29748RG/LM29710RG NSK,H-LM29748/10 Nachi,LM29748/10 Koyo,H-LM29748/LM29710 Nachi,LM29748/LM29710 FBJ.
Международная стандартизации ISO
KLM29748LM29710
В наличии
| Обозначение | Гост | Конструктивные особенности |
|---|---|---|
| LM29749/10 | ISO | Distance Between Beginning Of The Rail And First Hole In MM. |
| LM29748-99402 | ISO | Однорядный конический роликовый подшипник. |
| LM29749-99401 | ISO | Однорядный конический роликовый подшипник. |
| LM29749/LM29710 | ISO | Механически обработанный латунный сепаратор. |
| LM29748-LM29710 | ISO | Механически обработанный латунный сепаратор. |
| LM29749/LM29710/Q | ISO | Подшипники класса TQ-Line. имеющих суффикс Q в обозначении. являются основой для производства подшипников SKF. |
| 38KW01CG5 | ISO | Коническое отверстие. |
| LM29749/LM29710/VQ060 | ISO | Однорядный конический роликовый подшипник. |
| LM29749/710/Q | ISO | Подшипники класса TQ-Line. имеющих суффикс Q в обозначении. являются основой для производства подшипников SKF. |
| 57207/LM29710 | ISO | Однорядный конический роликовый подшипник. |
| LM29749/H/710/Q | ISO | Pressed Snap-Type Steel Cage. Hardened. Подшипники класса TQ-Line. имеющих суффикс Q в обозначении. являются основой для производства подшипников SKF. |
| LM29749/10/QCL7CVA606 | ISO | Оптимизированная геометрия и специальная обработка контактных поверхностей. Высокоэффективная конструкция. Distance Between Beginning Of The Rail And First Hole In MM. Crowned Raceway On Bearing Rings And Special Heat Treatment. |
| 634009 | ISO | Однорядный конический роликовый подшипник. |
| HI-CAP57207/LM297Z | ISO | Однорядный конический роликовый подшипник. |
| 4T-LM29749/4T-LM29710 | ISO | Однорядный конический роликовый подшипник. |
| H-LM29748/LM29710 | ISO | Однорядный конический роликовый подшипник. |
| H-LM29748/10 | ISO | Однорядный конический роликовый подшипник. |
| LM29749RG3/710RG | ISO | Соответствует стандарту AFBMA. Углеродистые чаши и конусы корпуса. |
| LM29749/10/QCL7CVA607 | ISO | Оптимизированная геометрия и специальная обработка контактных поверхностей. Высокоэффективная конструкция. Distance Between Beginning Of The Rail And First Hole In MM. Crowned Raceway On Bearing Rings And Special Heat Treatment. |
| LM29748/710 | ISO | Однорядный конический роликовый подшипник. |
| LM29749R/LM29710R | ISO | Соответствует стандарту AFBMA. |
| LM29748R/LM29710R | ISO | Соответствует стандарту AFBMA. |
| SET56 | ISO | Однорядный конический роликовый подшипник. |
| K29749/710/Q | ISO | Подшипники класса TQ-Line. имеющих суффикс Q в обозначении. являются основой для производства подшипников SKF. |
| LM29748/10 | ISO | Distance Between Beginning Of The Rail And First Hole In MM. |
Аналог конического роликового подшипника KLM29748-LM29710 — это подшипник такого же размера dx38,Dx65,Bx18, типа и конструкции.
| Обозначение | Конструктивные особенности | Внутренний (d) | Наружный (D) | Ширина (B) |
|---|---|---|---|---|
| IR8108 | Подшипник шариковый двухрядный радиально-упорный. | 38.00 | 66.00 | 17.00 |
| F-226837.4 | Однорядный цилиндрический роликовый подшипник. | 38.00 | 65.00 | 17.00 |
| 29748/29710 | Роликовый радиальный-упорный конический однорядный подшипник. | 38.10 | 65.09 | 18.29 |
| 29749/29710 | Роликовый радиальный-упорный конический однорядный подшипник. | 38.10 | 65.09 | 18.29 |
| 29749/29711 | Роликовый радиальный-упорный конический однорядный подшипник. | 38.10 | 65.09 | 18.29 |
| 38KW01CG | Роликовый радиальный-упорный однорядный подшипник. | 38.10 | 65.10 | 18.00 |
| 4T-LM29748L/LM29710 | Роликовый радиальный-упорный конический однорядный подшипник. | 38.10 | 65.09 | 18.82 |
| LM 29748/710/Q | Роликовый радиальный-упорный конический однорядный подшипник. Оптимизированная геометрия и специальная обработка контактных поверхностей. | 38.10 | 65.09 | 18.03 |
| LM 29749/710/QCL7CVA607 | Роликовый радиальный-упорный подшипник. Измененная или модифицированная внутренняя конструкция при неизменных основных размерах. | 38.10 | 65.09 | 18.03 |
| KLM29749CA/KLM29710C | Роликовый радиальный-упорный однорядный подшипник. Латунный сепаратор с симметричными роликами. | 38.10 | 65.09 | 18.03 |
| LM29748/LM29710-LM29700LA | Роликовый радиальный-упорный однорядный подшипник. | 38.10 | 65.09 | 18.80 |
| K-LM29749/K-LM29710 | Роликовый радиальный-упорный однорядный подшипник. | 38.10 | 65.09 | 18.03 |
| XXLJT38.1=1 | Шариковый радиальный однорядный подшипник. Number Of Carriages Per Rail Track. | 38.10 | 66.00 | 17.00 |
| F15055/LM29710 | Роликовый радиальный-упорный однорядный подшипник. | 38.10 | 65.09 | 18.03 |
| HI-CAP 57207/LM29710S | Роликовый радиальный-упорный однорядный подшипник. Угол контакта 20 градусов. | 38.10 | 65.09 | 18.03 |
Способы доставки
Отправка через ведущие транспортные и курьерские компании: ПЭК, Деловые Линии, СДЭК, Байкал-Сервис, Энергия, КИТ, ЖелДорЭкспедиция.
Самовывоз возможен напрямую со склада в Москве.
Сроки доставки
Срок зависит от региона и выбранной транспортной компании. Все заказы комплектуются и отправляются в кратчайшие сроки со склада в Москве.
Надёжность и сохранность
Вся продукция упаковывается с учётом требований транспортировки. Мы гарантируем, что подшипники и комплектующие прибудут к заказчику в полной сохранности.
Доставка в страны ЕАЭС
Мы работаем с проверенными логистическими партнёрами, что позволяет оперативно доставлять заказы в Беларусь, Казахстан, Армению и другие страны ЕАЭС.
Варианты оплаты:
Минимальная сумма заказа и скидки:
Документы и гарантии:
Да, конечно! Наши технические специалисты готовы помочь вам с подбором точного аналога или замены подшипника. Просто позвоните нам по телефону +7 (495) 104-99-04 или напишите на почту zakaz@podsnab.ru.
Для оперативной консультации подготовьте, пожалуйста, имеющиеся данные: маркировку, размеры, тип оборудования или артикул старого подшипника.
Да, конечно! Мы высоко ценим долгосрочное сотрудничество и доверие клиентов по всей России. Для постоянных клиентов действует персональная система скидок.
Условия формируются индивидуально и зависят от:
Чтобы узнать свои условия и получить максимально выгодное предложение, свяжитесь с персональным менеджером или напишите нам на почту zakaz@podsnab.ru.
Вы можете оформить заказ несколькими способами:
Для оформления заказа от юридического лица свяжитесь с нашим отделом по работе с корпоративными клиентами по телефону +7 (495) 104-99-04 или напишите на email zakaz@podsnab.ru, прикрепив реквизиты вашей организации.
Мы оперативно подготовим коммерческое предложение и выставим счет.
Возврат товара надлежащего качества возможен в течение 10 дней с момента получения, если товар не был в употреблении, сохранен товарный вид, упаковка не вскрывалась и присутствуют все сопроводительные документы.
Возврат денежных средств осуществляется в течение 10 рабочих дней после проверки товара складом.
В соответствии с законодательством возврату не подлежат подшипники надлежащего качества, если отсутствует оригинальная упаковка или имеются следы монтажа.
В случае выявления брака или гарантийного случая мы гарантируем возврат или обмен товара.
Да, гарантийный срок хранения устанавливается заводом-изготовителем и в среднем составляет 2 года при соблюдении условий хранения: сухое помещение, оригинальная упаковка и смазка.
Точный срок для конкретного типа подшипника уточняйте у наших менеджеров.
Пн–Пт: с 8:00 до 17:00 (МСК).
Сб–Вс: выходные дни.
Заказы на сайте принимаются круглосуточно. Заявки, поступившие после окончания рабочего дня, обрабатываются на следующий рабочий день.
Минимальная сумма заказа для доставки составляет 3000 рублей. Самовывоз со склада возможен на любую сумму при наличии товара.
ООО «УралТехГрупп»
ИНН: 7415093830
КПП: 772401001
ОГРН: 1167456069021
Банк: ПАО Сбербанк
Р/с: 40702810838000475273
К/с: 30101810400000000225
БИК: 044525225
У подшипника KLM29748-LM29710 пока нет отзывов. Вы можете стать первым покупателем, поделившимся своим мнением.