Поиск подшипника
Статьи
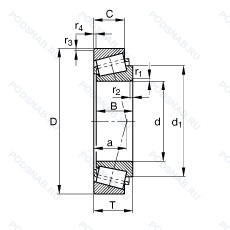
32206-XL — Однорядный конический роликовый подшипник, модификация основного исполнения 32206, производство FAG.
Размер подшипника: 30x62x21 мм.
Серия x live.
Аналоги: 32206 SKF,32206C SNR,32206F AS - Fersa,32206 IKL,32206A FLT,32206 KBS.
Международная стандартизации ISO
32206XL
В наличии
| Обозначение | Конструктивные изменения |
|---|---|
| 32206J2/Q | Оптимизированная геометрия и специальная обработка контактных поверхностей. Штампованный стальной сепаратор. центрируемый по роликам. Число после J указывает на различные конструктивные исполнения сепаратора. |
| 32206A | Двухрядный радиально-упорный шарикоподшипник без отверстия для смазки. |
| 32206C | Изменения внутренней конструкции. |
| 32206J | Дорожки качения наружного кольца. угол контакта и ширина наружного кольца в соответствии с ISO. |
| 32206B | Конический роликовый подшипник. Угол контакта 20 градусов. |
| 32206M | (Конус/внутренняя поверхность и чашка/внешняя поверхность) Компоненты со сквозной закалкой. Номера деталей DIN 720. Номера деталей IsoClass. |
| 32206J2/VQ045 | Штампованный стальной сепаратор. центрируемый по роликам. Число после J указывает на различные конструктивные исполнения сепаратора. Dimensional And/Or Accuracy Tolerances Other Than Standard. |
| 32206B-90KA1 | Конический роликовый подшипник. Угол контакта 20 градусов. Assembly Code. |
| 32206B-90NA6 | Конический роликовый подшипник. Угол контакта 20 градусов. |
| 32206-90KA1 | Assembly Code. |
| 32206M-90KM1 | Подшипник с латунным сепаратором. центрированный по телам качения. |
| 32206X | Размеры границ изменены в соответствии со стандартами ISO. |
| 32206.BA.H106 | Modified Internal Design. Increased Угол контакта. |
| 32206J2 | Штампованный стальной сепаратор. центрируемый по роликам. Число после J указывает на различные конструктивные исполнения сепаратора. |
| 32206.CH106 | Конический роликовый подшипник. Модификация внутренней конструкции. |
| 32206A.J42A | Модификация внутренней конструкции. Специальная маркировка конических роликоподшипников при покупке разных производителей. |
| 32206DY | Конические роликоподшипники. произведенные в Корее и продаваемые под торговой маркой FAG. могут быть идентифицированы по суффиксу -DY/-DZ. |
| 32206P5 | Dimensional And Running Accuracy To ISO Tolerance Class 5 (More accurate Than P6). (100% Interchangeable With Basic Designation). |
| 32206JR | TAPERED ROLLER BEARING CONFORMING TO ISO R355 (SUB-UNIT. METRIC SERIES). EXAMPLE/ 30206JR. |
| 32206BJ2/QCL7CVA606 | Больший угол контакта по сравнению со стандартной конструкцией. Оптимизированная геометрия и специальная обработка контактных поверхностей. Высокоэффективная конструкция. Штампованный стальной сепаратор. центрируемый по роликам. Число после J указывает на различные конструктивные исполнения сепаратора. Crowned Raceway On Bearing Rings And Special Heat Treatment. |
| 32206F | Сепаратор из обработанной стали или специального чугуна. |
| 32206-H | Произведен в Китае. |
| 32206BA | Modified Internal Design. Increased Угол контакта. |
| ETA-32206/25STPX4V10-G | Устройство повторного смазывания со смазочной канавкой и отверстием на внешнем кольце. Особо качественная нитроцементованная сталь. |
| 4T-32206C | 15° Угол контакта. Цементованная сталь. |
Модификации конического роликового подшипника 32206-XL — это измененное основное конструктивное исполнение 32206, основные размеры (30x62x21) не отличаются.
| Обозначение | Гост | Конструктивные особенности |
|---|---|---|
| 15116/15244 | ISO | Однорядный конический роликовый подшипник. |
| 15117X/15244 | ISO | Измененные размеры границ. введенные пересмотренными стандартами ISO. |
| 15121T/15244 | ISO | Однорядный конический роликовый подшипник. |
| 15117/15244 | ISO | Однорядный конический роликовый подшипник. |
| 7506E | ISO | Повышенная грузоподъемность. |
| 15118/15244 | ISO | Однорядный конический роликовый подшипник. |
| 15116-99402 | ISO | Однорядный конический роликовый подшипник. |
| 15117-99403 | ISO | Однорядный конический роликовый подшипник. |
| 15118-99402 | ISO | Однорядный конический роликовый подшипник. |
| 15120-99402 | ISO | Однорядный конический роликовый подшипник. |
| L32206J2/Q | ISO | Оптимизированная геометрия и специальная обработка контактных поверхностей. Штампованный стальной сепаратор. центрируемый по роликам. Число после J указывает на различные конструктивные исполнения сепаратора. |
| 15117/15244PREC.0 | ISO | (Конус/внутреннее кольцо и чашка/внешнее кольцо) Класс точности 0. |
| 01/04/7406 | ISO | Однорядный конический роликовый подшипник. |
| 4T-32206 | ISO | Цементованная сталь. |
| 15118/245 | ISO | Длина направляющей. |
| HR32206J | ISO | Дорожки качения наружного кольца. угол контакта и ширина наружного кольца в соответствии с ISO. Для конических роликоподшипников и радиальных шарикоподшипников. |
| E32206J | ISO | Взаимозаменяемые кольца конического роликоподшипника. |
| BR32206 | ISO | Однорядный конический роликовый подшипник. |
| BO88827308/1/1 | ISO | Number Of Carriages Per Rail Track. |
| 4T-32206P5 | ISO | Размерная и рабочая точность соответствует классу допуска ISO 5. |
Аналог конического роликового подшипника 32206-XL — это подшипник такого же размера dx30,Dx62,Bx21, типа и конструкции.
| Обозначение | Конструктивные особенности | Внутренний (d) | Наружный (D) | Ширина (B) |
|---|---|---|---|---|
| 76-180506 ЮТС15 | Шариковый радиальный однорядный подшипник. Температура отпуска. 160°. Все детали или часть деталей из нержавеющей стали.. Смазка ВНИИНП-207. | 30.00 | 62.00 | 20.00 |
| 76-180506 ЮТС4 | Шариковый радиальный однорядный подшипник. Температура отпуска. 160°. Все детали или часть деталей из нержавеющей стали.. Смазка ЦИАТИМ-221С. | 15.00 | 28.00 | 20.00 |
| 7А-180506 Е | Шариковый радиальный однорядный подшипник. Сепаратор из текстолита.. | 30.00 | 62.00 | 20.00 |
| LG30=9 | Шариковый радиальный однорядный подшипник. Largest Fill. | 30.00 | 62.00 | 22.00 |
| LG30=5 | Шариковый радиальный однорядный подшипник. Distance Between Beginning Of The Rail And First Hole In MM. | 30.00 | 62.00 | 21.00 |
| 2-80506 ЕС9 | Шариковый радиальный однорядный подшипник. Сепаратор из текстолита.. Смазка ЛЗ-31. | 30.00 | 62.00 | 20.00 |
| 2206-K-2RS+H306 | Шариковый сферический двухрядный подшипник. Коническое внутреннее отверстие. Контактные уплотнения типа RS с обеих сторон игольчатого роликоподшипника. | 30.00 | 62.00 | 20.00 |
| 2206 TN9 | Шариковый сферический двухрядный подшипник. Литой защелкивающийся сепаратор из полиамида. армированного стекловолокном 6.6. | 30.00 | 62.00 | 20.00 |
| NU 2206 ECPH | Роликовый радиальный однорядный подшипник. Однорядный цилиндрический роликовый подшипник. | 30.00 | 62.00 | 20.00 |
| 42506-А1 | Роликовый радиальный однорядный подшипник. Повышенная грузоподъемность. | 30.00 | 62.00 | 20.00 |
| 42506-Б1 | Роликовый радиальный однорядный подшипник. Сепаратор из безоловянистой бронзы.. | 30.00 | 62.00 | 20.00 |
| 42506-Д1 | Роликовый радиальный однорядный подшипник. Сепаратор из алюминиевого сплава.. | 30.00 | 62.00 | 20.00 |
| 5-32506 Б | Роликовый радиальный подшипник. Сепаратор из безоловянистой бронзы.. | 30.00 | 62.00 | 20.00 |
| 5-7506 А | Роликовый радиальный-упорный однорядный подшипник. Повышенная грузоподъемность. | 30.00 | 62.00 | 21.25 |
| 6-102506-М | Роликовый радиальный однорядный подшипник. Модифицированный контакт.. | 30.00 | 62.00 | 20.00 |
Способы доставки
Отправка через ведущие транспортные и курьерские компании: ПЭК, Деловые Линии, СДЭК, Байкал-Сервис, Энергия, КИТ, ЖелДорЭкспедиция.
Самовывоз возможен напрямую со склада в Москве.
Сроки доставки
Срок зависит от региона и выбранной транспортной компании. Все заказы комплектуются и отправляются в кратчайшие сроки со склада в Москве.
Надёжность и сохранность
Вся продукция упаковывается с учётом требований транспортировки. Мы гарантируем, что подшипники и комплектующие прибудут к заказчику в полной сохранности.
Доставка в страны ЕАЭС
Мы работаем с проверенными логистическими партнёрами, что позволяет оперативно доставлять заказы в Беларусь, Казахстан, Армению и другие страны ЕАЭС.
Варианты оплаты:
Минимальная сумма заказа и скидки:
Документы и гарантии:
Да, конечно! Наши технические специалисты готовы помочь вам с подбором точного аналога или замены подшипника. Просто позвоните нам по телефону +7 (495) 104-99-04 или напишите на почту zakaz@podsnab.ru.
Для оперативной консультации подготовьте, пожалуйста, имеющиеся данные: маркировку, размеры, тип оборудования или артикул старого подшипника.
Да, конечно! Мы высоко ценим долгосрочное сотрудничество и доверие клиентов по всей России. Для постоянных клиентов действует персональная система скидок.
Условия формируются индивидуально и зависят от:
Чтобы узнать свои условия и получить максимально выгодное предложение, свяжитесь с персональным менеджером или напишите нам на почту zakaz@podsnab.ru.
Вы можете оформить заказ несколькими способами:
Для оформления заказа от юридического лица свяжитесь с нашим отделом по работе с корпоративными клиентами по телефону +7 (495) 104-99-04 или напишите на email zakaz@podsnab.ru, прикрепив реквизиты вашей организации.
Мы оперативно подготовим коммерческое предложение и выставим счет.
Возврат товара надлежащего качества возможен в течение 10 дней с момента получения, если товар не был в употреблении, сохранен товарный вид, упаковка не вскрывалась и присутствуют все сопроводительные документы.
Возврат денежных средств осуществляется в течение 10 рабочих дней после проверки товара складом.
В соответствии с законодательством возврату не подлежат подшипники надлежащего качества, если отсутствует оригинальная упаковка или имеются следы монтажа.
В случае выявления брака или гарантийного случая мы гарантируем возврат или обмен товара.
Да, гарантийный срок хранения устанавливается заводом-изготовителем и в среднем составляет 2 года при соблюдении условий хранения: сухое помещение, оригинальная упаковка и смазка.
Точный срок для конкретного типа подшипника уточняйте у наших менеджеров.
Пн–Пт: с 8:00 до 17:00 (МСК).
Сб–Вс: выходные дни.
Заказы на сайте принимаются круглосуточно. Заявки, поступившие после окончания рабочего дня, обрабатываются на следующий рабочий день.
Минимальная сумма заказа для доставки составляет 3000 рублей. Самовывоз со склада возможен на любую сумму при наличии товара.
ООО «УралТехГрупп»
ИНН: 7415093830
КПП: 772401001
ОГРН: 1167456069021
Банк: ПАО Сбербанк
Р/с: 40702810838000475273
К/с: 30101810400000000225
БИК: 044525225
У подшипника 32206-XL пока нет отзывов. Вы можете стать первым покупателем, поделившимся своим мнением.