Поиск подшипника
Статьи
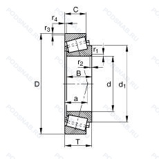
30208-XL — Однорядный конический роликовый подшипник, модификация основного исполнения 30208, производство FAG.
Размер подшипника: 40x80x19 мм.
Серия x live.
Аналоги: 30208-DY FAG,30208A SNR,30208A ZKL,30208 KBF,30208 ACE,30208 Neutral.
Международная стандартизации ISO
30208XL
В наличии
| Обозначение | Конструктивные изменения |
|---|---|
| 30208J | Дорожки качения наружного кольца. угол контакта и ширина наружного кольца в соответствии с ISO. |
| 30208C | 15° Угол контакта. |
| 30208 | Однорядный конический роликовый подшипник. Основное конструктивное исполнение. |
| 30208A | Соответствует стандартам ISO с улучшенными характеристиками. |
| 30208A.J42A | Двухрядный радиально-упорный шарикоподшипник без отверстия для смазки. Специальная маркировка конических роликоподшипников при покупке разных производителей. |
| 30208E | Повышенная грузоподъемность. |
| 30208JR | TAPERED ROLLER BEARING CONFORMING TO ISO R355 (SUB-UNIT. METRIC SERIES). EXAMPLE/ 30206JR. |
| 30208-CZ | Однорядный конический роликовый подшипник. |
| 30208J2 | Штампованный стальной сепаратор. центрируемый по роликам. Число после J указывает на различные конструктивные исполнения сепаратора. |
| 30208-90KA1 | Assembly Code. |
| 30208-90KA9 | Однорядный конический роликовый подшипник. |
| 30208M-90KM1 | Подшипник с латунным сепаратором. центрированный по телам качения. |
| 30208J2/P5 | Размерная и рабочая точность соответствует классу допуска ISO 5. Штампованный стальной сепаратор. центрируемый по роликам. Число после J указывает на различные конструктивные исполнения сепаратора. |
| 30208M-9/KM1 | (Конус/внутренняя поверхность и чашка/внешняя поверхность) Компоненты со сквозной закалкой. Номера деталей DIN 720. Номера деталей IsoClass. Largest Fill. |
| 30208AQ | Измененный внутренний дизайн. Оптимизированная геометрия и специальная обработка контактных поверхностей. |
| 30208J2/Q | Оптимизированная геометрия и специальная обработка контактных поверхностей. Штампованный стальной сепаратор. центрируемый по роликам. Число после J указывает на различные конструктивные исполнения сепаратора. |
| 30208DY | Конические роликоподшипники. произведенные в Корее и продаваемые под торговой маркой FAG. могут быть идентифицированы по суффиксу -DY/-DZ. |
| 30208J2/QW64 | Антифрикционный заполнитель. твердая смазка. Оптимизированная геометрия и специальная обработка контактных поверхностей. Штампованный стальной сепаратор. центрируемый по роликам. Число после J указывает на различные конструктивные исполнения сепаратора. |
| 30208P5 | Размерная и рабочая точность соответствует классу допуска ISO 5. |
| 30208F | Внутренняя конструкция изменена с целью получения большей грузоподъемности и продолжительности работы. |
| 30208M-92KA1 | Подшипник с латунным сепаратором. центрированный по телам качения. |
| 30208RJ2/Q | Flanged Outer Ring. Оптимизированная геометрия и специальная обработка контактных поверхностей. Штампованный стальной сепаратор. центрируемый по роликам. Число после J указывает на различные конструктивные исполнения сепаратора. |
| 30208-H | Произведен в Китае. |
| 30208BF | Однорядный конический роликовый подшипник. |
| 30208CR | (TB-Segment) Phenolic (Composition) Fafnir Standard. |
Модификации конического роликового подшипника 30208-XL — это измененное основное конструктивное исполнение 30208, основные размеры (40x80x19) не отличаются.
| Обозначение | Гост | Конструктивные особенности |
|---|---|---|
| SET20 | ISO | Однорядный конический роликовый подшипник. |
| HR30208J | ISO | Дорожки качения наружного кольца. угол контакта и ширина наружного кольца в соответствии с ISO. Для конических роликоподшипников и радиальных шарикоподшипников. |
| 11157/11315 | ISO | Однорядный конический роликовый подшипник. |
| 11157X/11315 | ISO | Измененные размеры границ. введенные пересмотренными стандартами ISO. |
| 11157-99401 | ISO | Однорядный конический роликовый подшипник. |
| SET1017 | ISO | Однорядный конический роликовый подшипник. |
| X30208/Y30208 | ISO | Однорядный конический роликовый подшипник. |
| U399/U365L | ISO | (Cup/Outer Race) Loose Rib (Part Of Unit-Bearing). |
| 4T-30208P5 | ISO | Размерная и рабочая точность соответствует классу допуска ISO 5. |
| 4T-30208XU | ISO | Размеры границ изменены в соответствии со стандартами ISO. Конические роликоподшипники с возможностью взаимозаменять друг друга. |
| 4T-30208X P5 | ISO | Размерная и рабочая точность соответствует классу допуска ISO 5. Размеры границ изменены в соответствии со стандартами ISO. |
| HR30208 | ISO | Однорядный конический роликовый подшипник. |
| 11157/11315PREC.0 | ISO | (Конус/внутреннее кольцо и чашка/внешнее кольцо) Класс точности 0. |
| 4T-30208 | ISO | Цементованная сталь. |
| HI-CAP57307/30208J | ISO | Угол контакта 20 градусов. Конический роликоподшипник. соответствующий стандарту ISO R355. |
| HR30208J-L | ISO | Дорожки качения наружного кольца. угол контакта и ширина наружного кольца в соответствии с ISO. With Inner Ring Spacer. |
| SET20-900SA | ISO | Однорядный конический роликовый подшипник. |
Аналог конического роликового подшипника 30208-XL — это подшипник такого же размера dx40,Dx80,Bx19, типа и конструкции.
| Обозначение | Конструктивные особенности | Внутренний (d) | Наружный (D) | Ширина (B) |
|---|---|---|---|---|
| 50208-У1 | Шариковый радиальный однорядный подшипник. Дополнительные технические требования. | 40.00 | 80.00 | 18.00 |
| 50208E5 | Шариковый радиальный однорядный подшипник. Смазочные отверстия и канавки во внутреннем кольце. | 40.00 | 80.00 | 18.00 |
| 55-32208 Б2Т2 | Роликовый радиальный однорядный подшипник. 200°. Температура отпуска. Сепаратор из безоловянистой бронзы.. | 40.00 | 80.00 | 18.00 |
| 55-32208 БТ2 | Роликовый радиальный однорядный подшипник. 200°. Температура отпуска. Сепаратор из безоловянистой бронзы.. | 40.00 | 80.00 | 18.00 |
| 55-32208 Р3 | Роликовый радиальный однорядный подшипник. Детали из теплоустойчивой (быстрорежущие) стали.. | 40.00 | 80.00 | 18.00 |
| 55-32208 Р5 | Роликовый радиальный однорядный подшипник. Детали из теплоустойчивой (быстрорежущие) стали.. | 40.00 | 80.00 | 18.00 |
| 6-102208 М | Роликовый радиальный однорядный подшипник. Модифицированный контакт.. | 40.00 | 80.00 | 18.00 |
| 6-12208 КМ | Роликовый радиальный однорядный подшипник. Модифицированный контакт.. | 40.00 | 80.00 | 18.00 |
| 6-12208 Л1 | Роликовый радиальный однорядный подшипник. Сепаратор из латуни.. | 40.00 | 80.00 | 18.00 |
| 6-136208 Р | Шариковый радиально-упорный однорядный подшипник. Детали из теплоустойчивой (быстрорежущие) стали.. | 40.00 | 80.00 | 18.00 |
| 6-150208 А | Шариковый радиальный однорядный подшипник. Повышенная грузоподъемность. | 40.00 | 80.00 | 18.00 |
| 6-150208 Е5 | Шариковый радиальный однорядный подшипник. Сепаратор из текстолита.. | 40.00 | 80.00 | 18.00 |
| 6-150208 У1 | Шариковый радиальный однорядный подшипник. Дополнительные технические требования. | 40.00 | 80.00 | 18.00 |
| 6-180208 С17 | Шариковый радиальный однорядный подшипник. Смазка Литол-24. | 40.00 | 80.00 | 18.00 |
| 6-180208 С9 | Шариковый радиальный однорядный подшипник. Смазка ЛЗ-31. | 40.00 | 80.00 | 18.00 |
Способы доставки
Отправка через ведущие транспортные и курьерские компании: ПЭК, Деловые Линии, СДЭК, Байкал-Сервис, Энергия, КИТ, ЖелДорЭкспедиция.
Самовывоз возможен напрямую со склада в Москве.
Сроки доставки
Срок зависит от региона и выбранной транспортной компании. Все заказы комплектуются и отправляются в кратчайшие сроки со склада в Москве.
Надёжность и сохранность
Вся продукция упаковывается с учётом требований транспортировки. Мы гарантируем, что подшипники и комплектующие прибудут к заказчику в полной сохранности.
Доставка в страны ЕАЭС
Мы работаем с проверенными логистическими партнёрами, что позволяет оперативно доставлять заказы в Беларусь, Казахстан, Армению и другие страны ЕАЭС.
Варианты оплаты:
Минимальная сумма заказа и скидки:
Документы и гарантии:
Да, конечно! Наши технические специалисты готовы помочь вам с подбором точного аналога или замены подшипника. Просто позвоните нам по телефону +7 (495) 104-99-04 или напишите на почту zakaz@podsnab.ru.
Для оперативной консультации подготовьте, пожалуйста, имеющиеся данные: маркировку, размеры, тип оборудования или артикул старого подшипника.
Да, конечно! Мы высоко ценим долгосрочное сотрудничество и доверие клиентов по всей России. Для постоянных клиентов действует персональная система скидок.
Условия формируются индивидуально и зависят от:
Чтобы узнать свои условия и получить максимально выгодное предложение, свяжитесь с персональным менеджером или напишите нам на почту zakaz@podsnab.ru.
Вы можете оформить заказ несколькими способами:
Для оформления заказа от юридического лица свяжитесь с нашим отделом по работе с корпоративными клиентами по телефону +7 (495) 104-99-04 или напишите на email zakaz@podsnab.ru, прикрепив реквизиты вашей организации.
Мы оперативно подготовим коммерческое предложение и выставим счет.
Возврат товара надлежащего качества возможен в течение 10 дней с момента получения, если товар не был в употреблении, сохранен товарный вид, упаковка не вскрывалась и присутствуют все сопроводительные документы.
Возврат денежных средств осуществляется в течение 10 рабочих дней после проверки товара складом.
В соответствии с законодательством возврату не подлежат подшипники надлежащего качества, если отсутствует оригинальная упаковка или имеются следы монтажа.
В случае выявления брака или гарантийного случая мы гарантируем возврат или обмен товара.
Да, гарантийный срок хранения устанавливается заводом-изготовителем и в среднем составляет 2 года при соблюдении условий хранения: сухое помещение, оригинальная упаковка и смазка.
Точный срок для конкретного типа подшипника уточняйте у наших менеджеров.
Пн–Пт: с 8:00 до 17:00 (МСК).
Сб–Вс: выходные дни.
Заказы на сайте принимаются круглосуточно. Заявки, поступившие после окончания рабочего дня, обрабатываются на следующий рабочий день.
Минимальная сумма заказа для доставки составляет 3000 рублей. Самовывоз со склада возможен на любую сумму при наличии товара.
ООО «УралТехГрупп»
ИНН: 7415093830
КПП: 772401001
ОГРН: 1167456069021
Банк: ПАО Сбербанк
Р/с: 40702810838000475273
К/с: 30101810400000000225
БИК: 044525225
У подшипника 30208-XL пока нет отзывов. Вы можете стать первым покупателем, поделившимся своим мнением.