Поиск подшипника
Статьи
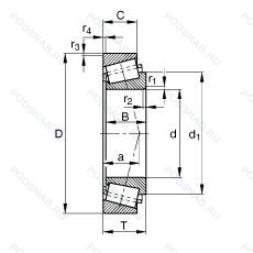
32209-XL — Однорядный конический роликовый подшипник, модификация основного исполнения 32209, производство FAG.
Размер подшипника: 45x85x24 мм.
Серия x live.
Аналоги: 32209 Timken,32209J2/Q SKF,32209M Timken,VKHB2670MY SKF,32209C Steyr,32209A IBC Bearings,H-E32209J Nachi,32209A FLT,32209 ISB,32209A STW,32209JGA KBC.
Международная стандартизации ISO
32209XL
В наличии
| Обозначение | Конструктивные изменения |
|---|---|
| 32209J | Дорожки качения наружного кольца. угол контакта и ширина наружного кольца в соответствии с ISO. |
| 32209 | Однорядный конический роликовый подшипник. Основное конструктивное исполнение. |
| 32209C | 15° Угол контакта. |
| 32209A.J42A | Двухрядный радиально-упорный шарикоподшипник без отверстия для смазки. Специальная маркировка конических роликоподшипников при покупке разных производителей. |
| 32209A | Соответствует стандартам ISO с улучшенными характеристиками. |
| 32209-CZ | Однорядный конический роликовый подшипник. |
| 32209M | (Конус/внутренняя поверхность и чашка/внешняя поверхность) Компоненты со сквозной закалкой. Номера деталей DIN 720. Номера деталей IsoClass. |
| 32209-90KA1 | Assembly Code. |
| 32209M-90KM1 | Подшипник с латунным сепаратором. центрированный по телам качения. |
| 32209-9X025 | Однорядный конический роликовый подшипник. |
| 32209-DZ | Конические роликоподшипники. произведенные в Корее и продаваемые под торговой маркой FAG. могут быть идентифицированы по суффиксу -DY/-DZ. |
| 32209JGA | Changed Internal Design From Standards. Конический роликовый подшипник. изготовленный в соответствии с ISO. Bearing Made Of Carburized Steel. |
| 32209J2 | Штампованный стальной сепаратор. центрируемый по роликам. Число после J указывает на различные конструктивные исполнения сепаратора. |
| 32209J2/Q | Оптимизированная геометрия и специальная обработка контактных поверхностей. Штампованный стальной сепаратор. центрируемый по роликам. Число после J указывает на различные конструктивные исполнения сепаратора. |
| 32209F | Внутренняя конструкция изменена с целью получения большей грузоподъемности и продолжительности работы. |
| 32209JA | Прессованный сепаратор из незакаленной листовой стали, центрировано по внешнему кольцу. |
| 32209BJ2/Q | Больший угол контакта по сравнению со стандартной конструкцией. Оптимизированная геометрия и специальная обработка контактных поверхностей. Штампованный стальной сепаратор. центрируемый по роликам. Число после J указывает на различные конструктивные исполнения сепаратора. |
| 32209BA | Modified Internal Design. Increased Угол контакта. |
| 32209-H | Произведен в Китае. |
| 32209A.P6 | Модификация внутренней конструкции. Размерные и геометрические допуски соответствуют классу точности P6. |
| 32209DY | Конические роликоподшипники. произведенные в Корее и продаваемые под торговой маркой FAG. могут быть идентифицированы по суффиксу -DY/-DZ. |
| 32209CR | (TB-Segment) Phenolic (Composition) Fafnir Standard. |
| 32209JR-1 | Number Of Carriages Per Rail Track. TAPERED ROLLER BEARING CONFORMING TO ISO R355 (SUB-UNIT. METRIC SERIES). EXAMPLE/ 30206JR. |
Модификации конического роликового подшипника 32209-XL — это измененное основное конструктивное исполнение 32209, основные размеры (45x85x24) не отличаются.
| Обозначение | Гост | Конструктивные особенности |
|---|---|---|
| 25581/25526 | ISO | Однорядный конический роликовый подшипник. |
| 25582/25526 | ISO | Однорядный конический роликовый подшипник. |
| 25583/25526 | ISO | Однорядный конический роликовый подшипник. |
| 25584/25526 | ISO | Однорядный конический роликовый подшипник. |
| 25584A/25526 | ISO | Двухрядный радиально-упорный шарикоподшипник без отверстия для смазки. |
| 6-7509A | ISO | (Чаша/внешняя поверхность) отличается по наружному диаметру/радиусу/ширине от номера базовой детали. |
| 4T-32209 | ISO | Цементованная сталь. |
| HR32209J | ISO | Дорожки качения наружного кольца. угол контакта и ширина наружного кольца в соответствии с ISO. Для конических роликоподшипников и радиальных шарикоподшипников. |
| 25580/25526 | ISO | Однорядный конический роликовый подшипник. |
| 25590/25526 | ISO | Однорядный конический роликовый подшипник. |
| SET1058-900SA | ISO | Однорядный конический роликовый подшипник. |
| H-E32209J | ISO | Взаимозаменяемые кольца конического роликоподшипника. |
| R45-36UQ | ISO | Однорядный конический роликовый подшипник. |
| VKHB2670MY | ISO | Механически обработанный латунный сепаратор. |
| 4T-32209P5 | ISO | Размерная и рабочая точность соответствует классу допуска ISO 5. |
Аналог конического роликового подшипника 32209-XL — это подшипник такого же размера dx45,Dx85,Bx24, типа и конструкции.
| Обозначение | Конструктивные особенности | Внутренний (d) | Наружный (D) | Ширина (B) |
|---|---|---|---|---|
| HI-CAP 57276 | Роликовый радиальный-упорный однорядный подшипник. Угол контакта 20 градусов. | 45.00 | 85.00 | 24.75 |
| HI-CAP 57396R/32209J | Роликовый радиальный-упорный однорядный подшипник. Угол контакта 20 градусов. | 45.00 | 85.00 | 24.70 |
| 8-127509 А | Роликовый радиальный-упорный однорядный подшипник. Повышенная грузоподъемность. | 45.00 | 85.00 | 24.75 |
| 380708-ЕК10Т2С17 | Шариковый радиальный однорядный подшипник. Смазка Литол-24. Сепаратор из текстолита.. 200°. Температура отпуска. Улучшенная конструкция уплотнений плюс стопорный штифт. | 40.00 | 85.00 | 23.00 |
| 2209-K+H309 | Шариковый сферический двухрядный подшипник. Коническое внутреннее отверстие. | 45.00 | 85.00 | 23.00 |
| 2209-K-2RS+H309 | Шариковый сферический двухрядный подшипник. Коническое внутреннее отверстие. Контактные уплотнения типа RS с обеих сторон игольчатого роликоподшипника. | 45.00 | 85.00 | 23.00 |
| 2209-2RS1TN9 | Шариковый сферический двухрядный подшипник. | 45.00 | 85.00 | 23.00 |
| S2209-2RS | Шариковый сферический двухрядный подшипник. Резиновые уплотнения с каждой стороны подшипника. | 45.00 | 85.00 | 23.00 |
| NJ 2209 ECPH | Роликовый радиальный однорядный подшипник. Однорядный цилиндрический роликовый подшипник. | 45.00 | 85.00 | 23.00 |
| NU 2209 ECPH | Роликовый радиальный однорядный подшипник. Однорядный цилиндрический роликовый подшипник. | 45.00 | 85.00 | 23.00 |
| 40-3509 Н | Роликовый радиальный двухрядный подшипник. Детали из теплостойкой стали. | 45.00 | 85.00 | 23.00 |
| 5-42509 Д | Роликовый радиальный однорядный подшипник. Сепаратор из алюминиевого сплава.. | 45.00 | 85.00 | 23.00 |
| 53509-Н(22209CCW33C3) | Роликовый радиальный двухрядный подшипник. ВНИИНП-210. Детали из вакуумированной стали.. Детали из теплостойкой стали. | 45.00 | 85.00 | 23.00 |
| 6-127509 А | Роликовый радиальный-упорный однорядный подшипник. Повышенная грузоподъемность. | 45.00 | 85.00 | 24.75 |
| 6-1509 Л | Шариковый радиальный двухрядный подшипник. Сепаратор из латуни.. | 45.00 | 85.00 | 23.00 |
Способы доставки
Отправка через ведущие транспортные и курьерские компании: ПЭК, Деловые Линии, СДЭК, Байкал-Сервис, Энергия, КИТ, ЖелДорЭкспедиция.
Самовывоз возможен напрямую со склада в Москве.
Сроки доставки
Срок зависит от региона и выбранной транспортной компании. Все заказы комплектуются и отправляются в кратчайшие сроки со склада в Москве.
Надёжность и сохранность
Вся продукция упаковывается с учётом требований транспортировки. Мы гарантируем, что подшипники и комплектующие прибудут к заказчику в полной сохранности.
Доставка в страны ЕАЭС
Мы работаем с проверенными логистическими партнёрами, что позволяет оперативно доставлять заказы в Беларусь, Казахстан, Армению и другие страны ЕАЭС.
Варианты оплаты:
Минимальная сумма заказа и скидки:
Документы и гарантии:
Да, конечно! Наши технические специалисты готовы помочь вам с подбором точного аналога или замены подшипника. Просто позвоните нам по телефону +7 (495) 104-99-04 или напишите на почту zakaz@podsnab.ru.
Для оперативной консультации подготовьте, пожалуйста, имеющиеся данные: маркировку, размеры, тип оборудования или артикул старого подшипника.
Да, конечно! Мы высоко ценим долгосрочное сотрудничество и доверие клиентов по всей России. Для постоянных клиентов действует персональная система скидок.
Условия формируются индивидуально и зависят от:
Чтобы узнать свои условия и получить максимально выгодное предложение, свяжитесь с персональным менеджером или напишите нам на почту zakaz@podsnab.ru.
Вы можете оформить заказ несколькими способами:
Для оформления заказа от юридического лица свяжитесь с нашим отделом по работе с корпоративными клиентами по телефону +7 (495) 104-99-04 или напишите на email zakaz@podsnab.ru, прикрепив реквизиты вашей организации.
Мы оперативно подготовим коммерческое предложение и выставим счет.
Возврат товара надлежащего качества возможен в течение 10 дней с момента получения, если товар не был в употреблении, сохранен товарный вид, упаковка не вскрывалась и присутствуют все сопроводительные документы.
Возврат денежных средств осуществляется в течение 10 рабочих дней после проверки товара складом.
В соответствии с законодательством возврату не подлежат подшипники надлежащего качества, если отсутствует оригинальная упаковка или имеются следы монтажа.
В случае выявления брака или гарантийного случая мы гарантируем возврат или обмен товара.
Да, гарантийный срок хранения устанавливается заводом-изготовителем и в среднем составляет 2 года при соблюдении условий хранения: сухое помещение, оригинальная упаковка и смазка.
Точный срок для конкретного типа подшипника уточняйте у наших менеджеров.
Пн–Пт: с 8:00 до 17:00 (МСК).
Сб–Вс: выходные дни.
Заказы на сайте принимаются круглосуточно. Заявки, поступившие после окончания рабочего дня, обрабатываются на следующий рабочий день.
Минимальная сумма заказа для доставки составляет 3000 рублей. Самовывоз со склада возможен на любую сумму при наличии товара.
ООО «УралТехГрупп»
ИНН: 7415093830
КПП: 772401001
ОГРН: 1167456069021
Банк: ПАО Сбербанк
Р/с: 40702810838000475273
К/с: 30101810400000000225
БИК: 044525225
У подшипника 32209-XL пока нет отзывов. Вы можете стать первым покупателем, поделившимся своим мнением.