Поиск подшипника
Статьи
32220-XL — Однорядный конический роликовый подшипник, модификация основного исполнения 32220, производство FAG.
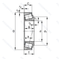
Размер подшипника: 100x180x49 мм.
Серия x live.
Аналоги: 32220M Timken,4T-32220 NTN,32220 Neutral.
Международная стандартизации ISO
32220XL
В наличии
| Обозначение | Конструктивные изменения |
|---|---|
| 32220-A-N11BA-A200-250 | Модификация внутренней конструкции. Осевой зазор в мкм. Два О-образных конических роликоподшипника (ранее известные как K10). |
| 32220C | Конический роликовый подшипник. Модификация внутренней конструкции. |
| 32220J2 | Штампованный стальной сепаратор. центрируемый по роликам. Число после J указывает на различные конструктивные исполнения сепаратора. |
| 32220A.A230.280.N11CA | Модификация внутренней конструкции. Два Х-расположенных конических роликоподшипника. С прокладками между чашками. Осевой зазор в мкм. |
| 32220J2/DFC380/RH34 | Штампованный стальной сепаратор. центрируемый по роликам. Число после J указывает на различные конструктивные исполнения сепаратора. Комплект из двух подшипников. согласованных для установки по Х-образной схеме. Число. следующее непосредственно после букв DF. обозначает конструкцию промежуточного кольца. Осевой зазор в мкм. |
| 32220DBM-90KM6 | Комплект из 2 подшипников O-образного расположения. Средний преднатяг. Internal Timken Code. |
| 32220-XL-DF-A230-280 | Серия X-Life премиум-класс. увеличиный срок службы. Два конических роликоподшипника. расположенных по схеме X. С промежуточным кольцом между наружными кольцами. Осевой зазор в мкм. |
| 32220J2/DF | Штампованный стальной сепаратор. центрируемый по роликам. Число после J указывает на различные конструктивные исполнения сепаратора. Комплект из двух подшипников. согласованных для установки по Х-образной схеме. Число. следующее непосредственно после букв DF. обозначает конструкцию промежуточного кольца. |
| 32220U | Конические роликоподшипники с возможностью взаимозаменять друг друга. |
| 32220JR | TAPERED ROLLER BEARING CONFORMING TO ISO R355 (SUB-UNIT. METRIC SERIES). EXAMPLE/ 30206JR. |
| 32220-A-N11CA | Модификация внутренней конструкции. Два Х-расположенных конических роликоподшипника. С прокладками между чашками. |
| 32220-A-N11CA-A230-28 | Модификация внутренней конструкции. Два Х-расположенных конических роликоподшипника. С прокладками между чашками. 1.3/4. |
| 32220T108J2/DB | Комплект из двух подшипников. согласованных для установки по О-образной схеме. Число. следующее непосредственно после букв DB обозначает конструкцию проставочных колец в комплекте. Штампованный стальной сепаратор. центрируемый по роликам. Число после J указывает на различные конструктивные исполнения сепаратора. T - за которым следует цифра. обозначает общую ширину пар подшипников. расположенных «спина к спине» или «тандем». |
| 32220T140J2/DB11 | Штампованный стальной сепаратор. центрируемый по роликам. Число после J указывает на различные конструктивные исполнения сепаратора. T - за которым следует цифра. обозначает общую ширину пар подшипников. расположенных «спина к спине» или «тандем». Комплект из двух подшипников. согласованных для установки по О-образной схеме. Число. следующее непосредственно после букв DB обозначает конструкцию проставочных колец в комплекте. |
| 32220A.P5 | Модификация внутренней конструкции. Размерная и рабочая точность соответствует классу допуска ISO 5. |
| 32220M-90KM6 | Подшипник с латунным сепаратором. центрированный по телам качения. |
| 32220XJ2/DF | Присоединительные размеры не соответствуют серии размеров ISO. Штампованный стальной сепаратор. центрируемый по роликам. Число после J указывает на различные конструктивные исполнения сепаратора. Комплект из двух подшипников. согласованных для установки по Х-образной схеме. Число. следующее непосредственно после букв DF. обозначает конструкцию промежуточного кольца. |
| 32220AR | Код формы шариковой направляющей. |
| 32220-H | Произведен в Китае. |
| 32220-XL-P5 | Серия X Live. Размерная и рабочая точность соответствует классу допуска ISO 5. |
| 32220-XL-DBB-A250-300 | Серия X-Life премиум-класс. увеличиный срок службы. Two Single Row Deep Groove Ball Bearings. Single Row Angular Contact Ball Bearings Or Single Row Tapered Roller Bearings Matched For Mounting In A Back-To-Back Arrangement. Variant Of Intermediate Ring Design. Осевой зазор в мкм. |
| 32220-XL-DBA-A200-250 | Серия X-Life премиум-класс. увеличиный срок службы. Два однорядных радиальных шарикоподшипника. Однорядные радиально-упорные шарикоподшипники или однорядные конические роликовые подшипники. подходящие для монтажа в схеме «спина к спине». Легкая предварительная нагрузка. Осевой зазор в мкм. |
| 32220/DF | Комплект из двух подшипников. согласованных для установки по Х-образной схеме. Число. следующее непосредственно после букв DF. обозначает конструкцию промежуточного кольца. |
| 32220F | Сепаратор из обработанной стали или специального чугуна. |
| 32220J/DF | Дорожки качения наружного кольца. угол контакта и ширина наружного кольца в соответствии с ISO. Комплект из двух подшипников. согласованных для установки по Х-образной схеме. Число. следующее непосредственно после букв DF. обозначает конструкцию промежуточного кольца. |
Модификации конического роликового подшипника 32220-XL — это измененное основное конструктивное исполнение 32220, основные размеры (100x180x49) не отличаются.
| Обозначение | Гост | Конструктивные особенности |
|---|---|---|
| 783/773 | ISO | Однорядный конический роликовый подшипник. |
| F-801478.32220-A | ISO | (Чаша/внешняя поверхность) отличается по наружному диаметру/радиусу/ширине от номера базовой детали. |
| Z-581075.32220-A-H67C | ISO | (Чаша/внешняя поверхность) отличается по наружному диаметру/радиусу/ширине от номера базовой детали. Испытания для французских железных дорог. |
| HR32220J | ISO | Дорожки качения наружного кольца. угол контакта и ширина наружного кольца в соответствии с ISO. Для конических роликоподшипников и радиальных шарикоподшипников. |
| 4T-32220 | ISO | Однорядный конический роликовый подшипник. |
Аналог конического роликового подшипника 32220-XL — это подшипник такого же размера dx100,Dx180,Bx49, типа и конструкции.
| Обозначение | Конструктивные особенности | Внутренний (d) | Наружный (D) | Ширина (B) |
|---|---|---|---|---|
| 8-7520 А | Роликовый радиальный-упорный однорядный подшипник. Повышенная грузоподъемность. | 100.00 | 180.00 | 49.00 |
| 6-7520 К | Роликовый радиальный-упорный однорядный подшипник. | 100.00 | 180.00 | 49.00 |
| 6-7520 АШ1 | Роликовый радиальный-упорный однорядный подшипник. Повышенная грузоподъемность. Нормы шумности. | 100.00 | 180.00 | 49.00 |
| 6-7520 АШ | Роликовый радиальный-упорный однорядный подшипник. Повышенная грузоподъемность. Нормы шумности. | 100.00 | 180.00 | 49.00 |
| 3007220А | Роликовый радиальный-упорный однорядный подшипник. Повышенная грузоподъемность. | 100.00 | 180.00 | 48.00 |
| 3067220А | Роликовый радиальный-упорный однорядный подшипник. Повышенная грузоподъемность. | 100.00 | 180.00 | 48.00 |
| E32220J | Роликовый радиальный-упорный однорядный подшипник. Дорожки качения наружного кольца. угол контакта и ширина наружного кольца в соответствии с ISO. | 100.00 | 180.00 | 49.00 |
| X32220/Y32220 | Роликовый радиальный-упорный однорядный подшипник. | 100.00 | 180.00 | 49.00 |
| X32220M/Y32220M | Роликовый радиальный-упорный однорядный подшипник. Подшипник с латунным сепаратором. центрированный по телам качения. | 100.00 | 180.00 | 49.00 |
| 783/772-B | Роликовый радиальный-упорный однорядный подшипник. Конический роликовый подшипник. Угол контакта 20 градусов. | 100.00 | 180.97 | 48.01 |
| 6-7520 | Роликовый радиальный-упорный однорядный подшипник. | 100.00 | 180.00 | 49.00 |
| 5-7520 | Роликовый радиальный-упорный однорядный подшипник. | 100.00 | 180.00 | 49.00 |
| 5-7520 А | Роликовый радиальный-упорный однорядный подшипник. Повышенная грузоподъемность. | 100.00 | 180.00 | 49.00 |
Способы доставки
Отправка через ведущие транспортные и курьерские компании: ПЭК, Деловые Линии, СДЭК, Байкал-Сервис, Энергия, КИТ, ЖелДорЭкспедиция.
Самовывоз возможен напрямую со склада в Москве.
Сроки доставки
Срок зависит от региона и выбранной транспортной компании. Все заказы комплектуются и отправляются в кратчайшие сроки со склада в Москве.
Надёжность и сохранность
Вся продукция упаковывается с учётом требований транспортировки. Мы гарантируем, что подшипники и комплектующие прибудут к заказчику в полной сохранности.
Доставка в страны ЕАЭС
Мы работаем с проверенными логистическими партнёрами, что позволяет оперативно доставлять заказы в Беларусь, Казахстан, Армению и другие страны ЕАЭС.
Варианты оплаты:
Минимальная сумма заказа и скидки:
Документы и гарантии:
Да, конечно! Наши технические специалисты готовы помочь вам с подбором точного аналога или замены подшипника. Просто позвоните нам по телефону +7 (495) 104-99-04 или напишите на почту zakaz@podsnab.ru.
Для оперативной консультации подготовьте, пожалуйста, имеющиеся данные: маркировку, размеры, тип оборудования или артикул старого подшипника.
Да, конечно! Мы высоко ценим долгосрочное сотрудничество и доверие клиентов по всей России. Для постоянных клиентов действует персональная система скидок.
Условия формируются индивидуально и зависят от:
Чтобы узнать свои условия и получить максимально выгодное предложение, свяжитесь с персональным менеджером или напишите нам на почту zakaz@podsnab.ru.
Вы можете оформить заказ несколькими способами:
Для оформления заказа от юридического лица свяжитесь с нашим отделом по работе с корпоративными клиентами по телефону +7 (495) 104-99-04 или напишите на email zakaz@podsnab.ru, прикрепив реквизиты вашей организации.
Мы оперативно подготовим коммерческое предложение и выставим счет.
Возврат товара надлежащего качества возможен в течение 10 дней с момента получения, если товар не был в употреблении, сохранен товарный вид, упаковка не вскрывалась и присутствуют все сопроводительные документы.
Возврат денежных средств осуществляется в течение 10 рабочих дней после проверки товара складом.
В соответствии с законодательством возврату не подлежат подшипники надлежащего качества, если отсутствует оригинальная упаковка или имеются следы монтажа.
В случае выявления брака или гарантийного случая мы гарантируем возврат или обмен товара.
Да, гарантийный срок хранения устанавливается заводом-изготовителем и в среднем составляет 2 года при соблюдении условий хранения: сухое помещение, оригинальная упаковка и смазка.
Точный срок для конкретного типа подшипника уточняйте у наших менеджеров.
Пн–Пт: с 8:00 до 17:00 (МСК).
Сб–Вс: выходные дни.
Заказы на сайте принимаются круглосуточно. Заявки, поступившие после окончания рабочего дня, обрабатываются на следующий рабочий день.
Минимальная сумма заказа для доставки составляет 3000 рублей. Самовывоз со склада возможен на любую сумму при наличии товара.
ООО «УралТехГрупп»
ИНН: 7415093830
КПП: 772401001
ОГРН: 1167456069021
Банк: ПАО Сбербанк
Р/с: 40702810838000475273
К/с: 30101810400000000225
БИК: 044525225
У подшипника 32220-XL пока нет отзывов. Вы можете стать первым покупателем, поделившимся своим мнением.