Поиск подшипника
Статьи
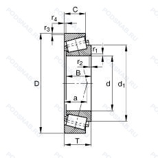
30224-XL — Однорядный конический роликовый подшипник, модификация основного исполнения 30224, производство FAG.
Размер подшипника: 120x215x43 мм.
Серия x live.
Аналоги: 30224A FAG,30224M Timken,30224A SNR,30224 KBS.
Международная стандартизации ISO
30224XL
В наличии
| Обозначение | Конструктивные изменения |
|---|---|
| 30224-XL-DF-A230-280 | Серия X-Life премиум-класс. увеличиный срок службы. Два конических роликоподшипника. расположенных по схеме X. С промежуточным кольцом между наружными кольцами. Осевой зазор в мкм. |
| 30224-A-N11CA-A160-190 | Модификация внутренней конструкции. Два Х-расположенных конических роликоподшипника. С прокладками между чашками. Осевой зазор в мкм. |
| 30224-A-N11CA-A200-250 | Модификация внутренней конструкции. Два Х-расположенных конических роликоподшипника. С прокладками между чашками. Осевой зазор в мкм. |
| 30224-A-N11BA-A200-250 | Модификация внутренней конструкции. Осевой зазор в мкм. Два О-образных конических роликоподшипника (ранее известные как K10). |
| 30224-A-N11BB-A270-320 | Модификация внутренней конструкции. Two O Arranged Tapered Roller Bearings. Осевой зазор в мкм. |
| 30224-A-N11CA-A230-280 | Модификация внутренней конструкции. Два Х-расположенных конических роликоподшипника. С прокладками между чашками. Осевой зазор в мкм. |
| 30224-A-N11CA-A380-430 | Модификация внутренней конструкции. Два Х-расположенных конических роликоподшипника. С прокладками между чашками. Осевой зазор в мкм. |
| 30224-A-N11BB-A270-32 | Модификация внутренней конструкции. Two O Arranged Tapered Roller Bearings. 02. |
| 30224-A-N11CA-A200-25 | Модификация внутренней конструкции. Два Х-расположенных конических роликоподшипника. С прокладками между чашками. Distance Between Beginning Of The Rail And First Hole In MM. |
| 30224-A-N11CA-A380-43 | Модификация внутренней конструкции. Два Х-расположенных конических роликоподшипника. С прокладками между чашками. 2.11/16. |
| 30224-A-N11CA-A230-28 | Модификация внутренней конструкции. Два Х-расположенных конических роликоподшипника. С прокладками между чашками. 1.3/4. |
| 30224J2 | Штампованный стальной сепаратор. центрируемый по роликам. Число после J указывает на различные конструктивные исполнения сепаратора. |
| 30224JR | TAPERED ROLLER BEARING CONFORMING TO ISO R355 (SUB-UNIT. METRIC SERIES). EXAMPLE/ 30206JR. |
| 30224M-90KM2 | Подшипник с латунным сепаратором. центрированный по телам качения. |
| 30224J2/DF | Штампованный стальной сепаратор. центрируемый по роликам. Число после J указывает на различные конструктивные исполнения сепаратора. Комплект из двух подшипников. согласованных для установки по Х-образной схеме. Число. следующее непосредственно после букв DF. обозначает конструкцию промежуточного кольца. |
| 30224-XL-P5 | Серия X Live. Размерная и рабочая точность соответствует классу допуска ISO 5. |
| 30224M-90KM3 | Подшипник с латунным сепаратором. центрированный по телам качения. Assembly-code. |
| 30224A.A230.280.N11CA | Модификация внутренней конструкции. Два Х-расположенных конических роликоподшипника. С прокладками между чашками. Осевой зазор в мкм. |
| 30224-XL-S1-DBA-A270-320 | Серия X-Life премиум-класс. увеличиный срок службы. Кольца подшипников или шайбы, стабилизированные по размерам для использования при рабочих температурах до +200°C (392°F).. Два однорядных радиальных шарикоподшипника. Однорядные радиально-упорные шарикоподшипники или однорядные конические роликовые подшипники. подходящие для монтажа в схеме «спина к спине». Легкая предварительная нагрузка. Осевой зазор в мкм. |
| 30224-A-N11BA-A200-25 | Модификация внутренней конструкции. Distance Between Beginning Of The Rail And First Hole In MM. Два О-образных конических роликоподшипника (ранее известные как K10). |
| 30224A-P5 | Модификация внутренней конструкции. Размерная и рабочая точность соответствует классу допуска ISO 5. |
| 30224-A-N11CA | Модификация внутренней конструкции. Два Х-расположенных конических роликоподшипника. С прокладками между чашками. |
| 30224/DF | Комплект из двух подшипников. согласованных для установки по Х-образной схеме. Число. следующее непосредственно после букв DF. обозначает конструкцию промежуточного кольца. |
| 30224F | Сепаратор из обработанной стали или специального чугуна. |
| 30224J/DF | Дорожки качения наружного кольца. угол контакта и ширина наружного кольца в соответствии с ISO. Комплект из двух подшипников. согласованных для установки по Х-образной схеме. Число. следующее непосредственно после букв DF. обозначает конструкцию промежуточного кольца. |
Модификации конического роликового подшипника 30224-XL — это измененное основное конструктивное исполнение 30224, основные размеры (120x215x43) не отличаются.
| Обозначение | Гост | Конструктивные особенности |
|---|---|---|
| 7224K | ISO | Коническое отверстие. конус 1/12. |
| 01/02/7224 | ISO | Однорядный конический роликовый подшипник. |
| E30224J | ISO | Взаимозаменяемые кольца конического роликоподшипника. |
| HR30224J | ISO | Дорожки качения наружного кольца. угол контакта и ширина наружного кольца в соответствии с ISO. Для конических роликоподшипников и радиальных шарикоподшипников. |
Аналог конического роликового подшипника 30224-XL — это подшипник такого же размера dx120,Dx215,Bx43, типа и конструкции.
| Обозначение | Конструктивные особенности | Внутренний (d) | Наружный (D) | Ширина (B) |
|---|---|---|---|---|
| 1224/C3 | Подшипник шариковый двухрядный самоустанавливающийся. Внутренний зазор больше нормального. | 120.00 | 215.00 | 42.00 |
| 1224K | Подшипник шариковый двухрядный самоустанавливающийся. Коническое внутреннее отверстие. | 120.00 | 215.00 | 42.00 |
| 1224M.C3 | Подшипник шариковый двухрядный самоустанавливающийся. Внутренний зазор больше нормального. Подшипник с латунным сепаратором. центрированный по телам качения. | 120.00 | 215.00 | 42.00 |
| 1224M | Подшипник шариковый двухрядный самоустанавливающийся. Подшипник с латунным сепаратором. центрированный по телам качения. | 120.00 | 215.00 | 42.00 |
| 1224-K-M | Подшипник шариковый двухрядный самоустанавливающийся. Коническое отверстие. Конусность 1/12. Подшипник с латунным сепаратором. центрированный по телам качения. | 120.00 | 215.00 | 42.00 |
| 1224-K-M-C3 | Подшипник шариковый двухрядный самоустанавливающийся. Внутренний зазор больше нормального. Коническое отверстие. Конусность 1/12. Подшипник с латунным сепаратором. центрированный по телам качения. | 120.00 | 215.00 | 42.00 |
| X30224M/Y30224M | Роликовый радиальный-упорный однорядный подшипник. Подшипник с латунным сепаратором. центрированный по телам качения. | 120.00 | 215.00 | 43.50 |
| 5-1224 Е | Шариковый радиальный двухрядный подшипник. Сепаратор из текстолита.. | 120.00 | 215.00 | 42.00 |
| 6-1224 Е | Шариковый радиальный двухрядный подшипник. Сепаратор из текстолита.. | 120.00 | 215.00 | 42.00 |
| 7-1224 Л | Шариковый радиальный двухрядный подшипник. Сепаратор из латуни.. | 120.00 | 215.00 | 42.00 |
| 4-1224-Е | Шариковый радиальный двухрядный подшипник. Сепаратор из текстолита.. | 120.00 | 215.00 | 42.00 |
| 1224-Е | Шариковый радиальный двухрядный подшипник. Сепаратор из текстолита.. | 120.00 | 215.00 | 42.00 |
| 1224-Л | Шариковый радиальный двухрядный подшипник. Сепаратор из латуни.. | 120.00 | 215.00 | 42.00 |
| 1224K+H3024 | Шариковый сферический двухрядный подшипник. Коническое внутреннее отверстие. | 120.00 | 215.00 | 42.00 |
| 5-7224 А | Роликовый радиальный-упорный однорядный подшипник. Повышенная грузоподъемность. | 120.00 | 215.00 | 43.50 |
Способы доставки
Отправка через ведущие транспортные и курьерские компании: ПЭК, Деловые Линии, СДЭК, Байкал-Сервис, Энергия, КИТ, ЖелДорЭкспедиция.
Самовывоз возможен напрямую со склада в Москве.
Сроки доставки
Срок зависит от региона и выбранной транспортной компании. Все заказы комплектуются и отправляются в кратчайшие сроки со склада в Москве.
Надёжность и сохранность
Вся продукция упаковывается с учётом требований транспортировки. Мы гарантируем, что подшипники и комплектующие прибудут к заказчику в полной сохранности.
Доставка в страны ЕАЭС
Мы работаем с проверенными логистическими партнёрами, что позволяет оперативно доставлять заказы в Беларусь, Казахстан, Армению и другие страны ЕАЭС.
Варианты оплаты:
Минимальная сумма заказа и скидки:
Документы и гарантии:
Да, конечно! Наши технические специалисты готовы помочь вам с подбором точного аналога или замены подшипника. Просто позвоните нам по телефону +7 (495) 104-99-04 или напишите на почту zakaz@podsnab.ru.
Для оперативной консультации подготовьте, пожалуйста, имеющиеся данные: маркировку, размеры, тип оборудования или артикул старого подшипника.
Да, конечно! Мы высоко ценим долгосрочное сотрудничество и доверие клиентов по всей России. Для постоянных клиентов действует персональная система скидок.
Условия формируются индивидуально и зависят от:
Чтобы узнать свои условия и получить максимально выгодное предложение, свяжитесь с персональным менеджером или напишите нам на почту zakaz@podsnab.ru.
Вы можете оформить заказ несколькими способами:
Для оформления заказа от юридического лица свяжитесь с нашим отделом по работе с корпоративными клиентами по телефону +7 (495) 104-99-04 или напишите на email zakaz@podsnab.ru, прикрепив реквизиты вашей организации.
Мы оперативно подготовим коммерческое предложение и выставим счет.
Возврат товара надлежащего качества возможен в течение 10 дней с момента получения, если товар не был в употреблении, сохранен товарный вид, упаковка не вскрывалась и присутствуют все сопроводительные документы.
Возврат денежных средств осуществляется в течение 10 рабочих дней после проверки товара складом.
В соответствии с законодательством возврату не подлежат подшипники надлежащего качества, если отсутствует оригинальная упаковка или имеются следы монтажа.
В случае выявления брака или гарантийного случая мы гарантируем возврат или обмен товара.
Да, гарантийный срок хранения устанавливается заводом-изготовителем и в среднем составляет 2 года при соблюдении условий хранения: сухое помещение, оригинальная упаковка и смазка.
Точный срок для конкретного типа подшипника уточняйте у наших менеджеров.
Пн–Пт: с 8:00 до 17:00 (МСК).
Сб–Вс: выходные дни.
Заказы на сайте принимаются круглосуточно. Заявки, поступившие после окончания рабочего дня, обрабатываются на следующий рабочий день.
Минимальная сумма заказа для доставки составляет 3000 рублей. Самовывоз со склада возможен на любую сумму при наличии товара.
ООО «УралТехГрупп»
ИНН: 7415093830
КПП: 772401001
ОГРН: 1167456069021
Банк: ПАО Сбербанк
Р/с: 40702810838000475273
К/с: 30101810400000000225
БИК: 044525225
У подшипника 30224-XL пока нет отзывов. Вы можете стать первым покупателем, поделившимся своим мнением.