Поиск подшипника
Статьи
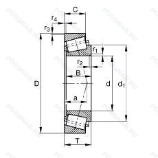
30230-XL — Однорядный конический роликовый подшипник, модификация основного исполнения 30230, производство FAG.
Размер подшипника: 150x270x49 мм.
Серия x live.
Аналоги: 30230A FAG,30230 SKF,30230 Timken,30230 NSK.
Международная стандартизации ISO
30230XL
В наличии
| Обозначение | Конструктивные изменения |
|---|---|
| 30230 | Однорядный конический роликовый подшипник. Основное конструктивное исполнение. |
| 30230A | Соответствует стандартам ISO с улучшенными характеристиками. |
| 30230M | (Конус/внутренняя поверхность и чашка/внешняя поверхность) Компоненты со сквозной закалкой. Номера деталей DIN 720. Номера деталей IsoClass. |
| 30230M-90KM1 | Подшипник с латунным сепаратором. центрированный по телам качения. |
| 30230JR | TAPERED ROLLER BEARING CONFORMING TO ISO R355 (SUB-UNIT. METRIC SERIES). EXAMPLE/ 30206JR. |
| 30230-A-N11CA-A100-130 | Модификация внутренней конструкции. Два Х-расположенных конических роликоподшипника. С прокладками между чашками. Осевой зазор в мкм. |
| 30230-XL-J30PC | Серия X Live. Кольца и тела качения с черным оксидным покрытием. |
| 30230-A-N11CA-A280-330 | Модификация внутренней конструкции. Два Х-расположенных конических роликоподшипника. С прокладками между чашками. Осевой зазор в мкм. |
| 30230-A-N11CA-A280-33 | Модификация внутренней конструкции. Два Х-расположенных конических роликоподшипника. С прокладками между чашками. 2.1/16. |
| 30230/L4B | Ролики и кольца подшипников с черным оксидированием. |
| 30230-A-J30PC | Модификация внутренней конструкции. Кольца и тела качения с черным оксидным покрытием. |
| 30230J2 | Штампованный стальной сепаратор. центрируемый по роликам. Число после J указывает на различные конструктивные исполнения сепаратора. |
| 30230-XL-DF-A280-330 | Серия X-Life премиум-класс. увеличиный срок службы. Два конических роликоподшипника. расположенных по схеме X. С промежуточным кольцом между наружными кольцами. Осевой зазор в мкм. |
| 30230X/DF | Измененные размеры границ. введенные пересмотренными стандартами ISO. Комплект из двух подшипников. согласованных для установки по Х-образной схеме. Число. следующее непосредственно после букв DF. обозначает конструкцию промежуточного кольца. |
| 30230/DF | Комплект из двух подшипников. согласованных для установки по Х-образной схеме. Число. следующее непосредственно после букв DF. обозначает конструкцию промежуточного кольца. |
| 30230/DFC475 | Осевой зазор в мкм. Комплект из двух подшипников. согласованных для установки по Х-образной схеме. Число. следующее непосредственно после букв DF. обозначает конструкцию промежуточного кольца. |
| 30230J2/DFC350 | Штампованный стальной сепаратор. центрируемый по роликам. Число после J указывает на различные конструктивные исполнения сепаратора. Комплект из двух подшипников. согласованных для установки по Х-образной схеме. Число. следующее непосредственно после букв DF. обозначает конструкцию промежуточного кольца. Осевой зазор в мкм. |
| 30230J2/DF | Штампованный стальной сепаратор. центрируемый по роликам. Число после J указывает на различные конструктивные исполнения сепаратора. Комплект из двух подшипников. согласованных для установки по Х-образной схеме. Число. следующее непосредственно после букв DF. обозначает конструкцию промежуточного кольца. |
| 30230A.A280.330.N11CA | Модификация внутренней конструкции. Два Х-расположенных конических роликоподшипника. С прокладками между чашками. Осевой зазор в мкм. |
| 30230-A-N11CA | Модификация внутренней конструкции. Два Х-расположенных конических роликоподшипника. С прокладками между чашками. |
| 30230/DFC350 | Комплект из двух подшипников. согласованных для установки по Х-образной схеме. Число. следующее непосредственно после букв DF. обозначает конструкцию промежуточного кольца. Осевой зазор в мкм. |
| 30230E | Повышенная грузоподъемность. |
| 30230U | Универсальный одиночный подшипник. |
Модификации конического роликового подшипника 30230-XL — это измененное основное конструктивное исполнение 30230, основные размеры (150x270x49) не отличаются.
| Обозначение | Конструктивные особенности | Внутренний (d) | Наружный (D) | Ширина (B) |
|---|---|---|---|---|
| HR30230J | Роликовый радиальный-упорный однорядный подшипник. Дорожки качения наружного кольца. угол контакта и ширина наружного кольца в соответствии с ISO. Для конических роликоподшипников и радиальных шарикоподшипников. | 150.00 | 270.00 | 49.00 |
| X30230M/Y30230M | Роликовый радиальный-упорный однорядный подшипник. Подшипник с латунным сепаратором. центрированный по телам качения. | 150.00 | 270.00 | 49.00 |
| 6-7230 К | Роликовый радиальный-упорный однорядный подшипник. | 150.00 | 270.00 | 49.00 |
| 7230-КМ | Роликовый радиальный-упорный однорядный подшипник. Кольцевая проточка на середине цилиндрической наружной поверхности наружного кольца плюс три отверстия для смазки. Модифицированный контакт.. | 150.00 | 270.00 | 49.00 |
| 5-7230 К | Роликовый радиальный-упорный однорядный подшипник. | 150.00 | 270.00 | 49.00 |
Способы доставки
Отправка через ведущие транспортные и курьерские компании: ПЭК, Деловые Линии, СДЭК, Байкал-Сервис, Энергия, КИТ, ЖелДорЭкспедиция.
Самовывоз возможен напрямую со склада в Москве.
Сроки доставки
Срок зависит от региона и выбранной транспортной компании. Все заказы комплектуются и отправляются в кратчайшие сроки со склада в Москве.
Надёжность и сохранность
Вся продукция упаковывается с учётом требований транспортировки. Мы гарантируем, что подшипники и комплектующие прибудут к заказчику в полной сохранности.
Доставка в страны ЕАЭС
Мы работаем с проверенными логистическими партнёрами, что позволяет оперативно доставлять заказы в Беларусь, Казахстан, Армению и другие страны ЕАЭС.
Варианты оплаты:
Минимальная сумма заказа и скидки:
Документы и гарантии:
Да, конечно! Наши технические специалисты готовы помочь вам с подбором точного аналога или замены подшипника. Просто позвоните нам по телефону +7 (495) 104-99-04 или напишите на почту zakaz@podsnab.ru.
Для оперативной консультации подготовьте, пожалуйста, имеющиеся данные: маркировку, размеры, тип оборудования или артикул старого подшипника.
Да, конечно! Мы высоко ценим долгосрочное сотрудничество и доверие клиентов по всей России. Для постоянных клиентов действует персональная система скидок.
Условия формируются индивидуально и зависят от:
Чтобы узнать свои условия и получить максимально выгодное предложение, свяжитесь с персональным менеджером или напишите нам на почту zakaz@podsnab.ru.
Вы можете оформить заказ несколькими способами:
Для оформления заказа от юридического лица свяжитесь с нашим отделом по работе с корпоративными клиентами по телефону +7 (495) 104-99-04 или напишите на email zakaz@podsnab.ru, прикрепив реквизиты вашей организации.
Мы оперативно подготовим коммерческое предложение и выставим счет.
Возврат товара надлежащего качества возможен в течение 10 дней с момента получения, если товар не был в употреблении, сохранен товарный вид, упаковка не вскрывалась и присутствуют все сопроводительные документы.
Возврат денежных средств осуществляется в течение 10 рабочих дней после проверки товара складом.
В соответствии с законодательством возврату не подлежат подшипники надлежащего качества, если отсутствует оригинальная упаковка или имеются следы монтажа.
В случае выявления брака или гарантийного случая мы гарантируем возврат или обмен товара.
Да, гарантийный срок хранения устанавливается заводом-изготовителем и в среднем составляет 2 года при соблюдении условий хранения: сухое помещение, оригинальная упаковка и смазка.
Точный срок для конкретного типа подшипника уточняйте у наших менеджеров.
Пн–Пт: с 8:00 до 17:00 (МСК).
Сб–Вс: выходные дни.
Заказы на сайте принимаются круглосуточно. Заявки, поступившие после окончания рабочего дня, обрабатываются на следующий рабочий день.
Минимальная сумма заказа для доставки составляет 3000 рублей. Самовывоз со склада возможен на любую сумму при наличии товара.
ООО «УралТехГрупп»
ИНН: 7415093830
КПП: 772401001
ОГРН: 1167456069021
Банк: ПАО Сбербанк
Р/с: 40702810838000475273
К/с: 30101810400000000225
БИК: 044525225
У подшипника 30230-XL пока нет отзывов. Вы можете стать первым покупателем, поделившимся своим мнением.