Поиск подшипника
Статьи
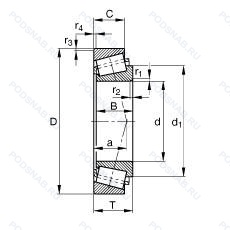
32236-XL — Однорядный конический роликовый подшипник, модификация основного исполнения 32236, производство FAG.
Размер подшипника: 180x320x91 мм.
Серия x live.
Аналоги: 32236-A FAG.
Международная стандартизации ISO
32236XL
В наличии
| Обозначение | Конструктивные изменения |
|---|---|
| 32236-A | Соответствует стандартам ISO с улучшенными характеристиками. |
| 32236 | Однорядный конический роликовый подшипник. Основное конструктивное исполнение. |
| 32236J2 | Штампованный стальной сепаратор. центрируемый по роликам. Число после J указывает на различные конструктивные исполнения сепаратора. |
| 32236-XL-DF-A330-380 | Серия X-Life премиум-класс. увеличиный срок службы. Два конических роликоподшипника. расположенных по схеме X. С промежуточным кольцом между наружными кольцами. Осевой зазор в мкм. |
| 32236-XL-DF-A380-430 | Серия X-Life премиум-класс. увеличиный срок службы. Два конических роликоподшипника. расположенных по схеме X. С промежуточным кольцом между наружными кольцами. Осевой зазор в мкм. |
| 32236-XL-DF-A385-445 | Серия X-Life премиум-класс. увеличиный срок службы. Два конических роликоподшипника. расположенных по схеме X. С промежуточным кольцом между наружными кольцами. Осевой зазор в мкм. |
| 32236-A-N11CA-A330-380 | Модификация внутренней конструкции. Два Х-расположенных конических роликоподшипника. С прокладками между чашками. Осевой зазор в мкм. |
| 32236-A-N11CA-A380-430 | Модификация внутренней конструкции. Два Х-расположенных конических роликоподшипника. С прокладками между чашками. Осевой зазор в мкм. |
| 32236-A-N11CA-A385-445 | Модификация внутренней конструкции. Два Х-расположенных конических роликоподшипника. С прокладками между чашками. Осевой зазор в мкм. |
| 32236-A-N11CA-A385-44 | Модификация внутренней конструкции. Два Х-расположенных конических роликоподшипника. С прокладками между чашками. 2.3/4. |
| 32236XJ2/DF | Присоединительные размеры не соответствуют серии размеров ISO. Штампованный стальной сепаратор. центрируемый по роликам. Число после J указывает на различные конструктивные исполнения сепаратора. Комплект из двух подшипников. согласованных для установки по Х-образной схеме. Число. следующее непосредственно после букв DF. обозначает конструкцию промежуточного кольца. |
| 32236-XL-DF-A430-480 | Серия X-Life премиум-класс. увеличиный срок службы. Два конических роликоподшипника. расположенных по схеме X. С промежуточным кольцом между наружными кольцами. Осевой зазор в мкм. |
| 32236/DF | Комплект из двух подшипников. согласованных для установки по Х-образной схеме. Число. следующее непосредственно после букв DF. обозначает конструкцию промежуточного кольца. |
| 32236J2/VQ532 | Штампованный стальной сепаратор. центрируемый по роликам. Число после J указывает на различные конструктивные исполнения сепаратора. VQ(532)=Variant of standard design in quality. dimensions. accuracy. vibration etc. |
| 32236JR | TAPERED ROLLER BEARING CONFORMING TO ISO R355 (SUB-UNIT. METRIC SERIES). EXAMPLE/ 30206JR. |
| 32236-90KA1 | Assembly Code. |
| 32236-A-N11CA | Модификация внутренней конструкции. Два Х-расположенных конических роликоподшипника. С прокладками между чашками. |
| 32236J2/DF | Штампованный стальной сепаратор. центрируемый по роликам. Число после J указывает на различные конструктивные исполнения сепаратора. Комплект из двух подшипников. согласованных для установки по Х-образной схеме. Число. следующее непосредственно после букв DF. обозначает конструкцию промежуточного кольца. |
| 32236T196J2/DB32 | Штампованный стальной сепаратор. центрируемый по роликам. Число после J указывает на различные конструктивные исполнения сепаратора. Комплект из двух подшипников. согласованных для установки по О-образной схеме. Число. следующее непосредственно после букв DB обозначает конструкцию проставочных колец в комплекте. T - за которым следует цифра. обозначает общую ширину пар подшипников. расположенных «спина к спине» или «тандем». |
| 32236-XL-DF-J30PC-A500-550 | Серия X-Life премиум-класс. увеличиный срок службы. Два конических роликоподшипника. расположенных по схеме X. С промежуточным кольцом между наружными кольцами. Кольца и тела качения с черным оксидным покрытием. Осевой зазор в мкм. |
| 32236UDF | Однорядный конический роликовый подшипник. |
| 32236U | Универсальный одиночный подшипник. |
| 32236J/DF | Дорожки качения наружного кольца. угол контакта и ширина наружного кольца в соответствии с ISO. Комплект из двух подшипников. согласованных для установки по Х-образной схеме. Число. следующее непосредственно после букв DF. обозначает конструкцию промежуточного кольца. |
Модификации конического роликового подшипника 32236-XL — это измененное основное конструктивное исполнение 32236, основные размеры (180x320x91) не отличаются.
| Обозначение | Гост | Конструктивные особенности |
|---|---|---|
| 7536A | ISO | (Чаша/внешняя поверхность) отличается по наружному диаметру/радиусу/ширине от номера базовой детали. |
| 7536 | ISO | Однорядный конический роликовый подшипник. |
Аналог конического роликового подшипника 32236-XL — это подшипник такого же размера dx180,Dx320,Bx91, типа и конструкции.
| Обозначение | Конструктивные особенности | Внутренний (d) | Наружный (D) | Ширина (B) |
|---|---|---|---|---|
| 6-7536-ЛМШ1 | Роликовый радиальный-упорный однорядный подшипник. Сепаратор из латуни.. Модифицированный контакт.. Нормы шумности. | 180.00 | 320.00 | 91.00 |
| 6-7536-ЛМШ | Роликовый радиальный-упорный однорядный подшипник. Сепаратор из латуни.. Модифицированный контакт.. Нормы шумности. | 180.00 | 320.00 | 91.00 |
| 7536-ЛМ | Роликовый радиальный-упорный однорядный подшипник. Сепаратор из латуни.. Модифицированный контакт.. | 180.00 | 320.00 | 91.00 |
| HR32236J | Роликовый радиальный-упорный однорядный подшипник. Дорожки качения наружного кольца. угол контакта и ширина наружного кольца в соответствии с ISO. Для конических роликоподшипников и радиальных шарикоподшипников. | 180.00 | 320.00 | 91.00 |
| В-7536 А | Роликовый радиальный-упорный однорядный подшипник. Повышенная грузоподъемность. | 180.00 | 320.00 | 91.00 |
| В6-7536 А | Роликовый радиальный-упорный однорядный подшипник. Повышенная грузоподъемность. | 180.00 | 320.00 | 91.00 |
| 6-7536-А | Роликовый радиальный-упорный однорядный подшипник. Повышенная грузоподъемность. | 180.00 | 320.00 | 91.00 |
| 6-7536 М | Роликовый радиальный-упорный однорядный подшипник. Модифицированный контакт.. | 180.00 | 320.00 | 91.00 |
| 7536-А | Роликовый радиальный-упорный однорядный подшипник. Повышенная грузоподъемность. | 180.00 | 320.00 | 92.00 |
| Э-7536 А | Роликовый радиальный-упорный однорядный подшипник. Повышенная грузоподъемность. | 180.00 | 320.00 | 91.00 |
| 42836ЛМУ | Роликовый радиальный однорядный подшипник. Сепаратор из латуни.. Дополнительные технические требования. Модифицированный контакт.. | 180.00 | 320.00 | 90.00 |
Способы доставки
Отправка через ведущие транспортные и курьерские компании: ПЭК, Деловые Линии, СДЭК, Байкал-Сервис, Энергия, КИТ, ЖелДорЭкспедиция.
Самовывоз возможен напрямую со склада в Москве.
Сроки доставки
Срок зависит от региона и выбранной транспортной компании. Все заказы комплектуются и отправляются в кратчайшие сроки со склада в Москве.
Надёжность и сохранность
Вся продукция упаковывается с учётом требований транспортировки. Мы гарантируем, что подшипники и комплектующие прибудут к заказчику в полной сохранности.
Доставка в страны ЕАЭС
Мы работаем с проверенными логистическими партнёрами, что позволяет оперативно доставлять заказы в Беларусь, Казахстан, Армению и другие страны ЕАЭС.
Варианты оплаты:
Минимальная сумма заказа и скидки:
Документы и гарантии:
Да, конечно! Наши технические специалисты готовы помочь вам с подбором точного аналога или замены подшипника. Просто позвоните нам по телефону +7 (495) 104-99-04 или напишите на почту zakaz@podsnab.ru.
Для оперативной консультации подготовьте, пожалуйста, имеющиеся данные: маркировку, размеры, тип оборудования или артикул старого подшипника.
Да, конечно! Мы высоко ценим долгосрочное сотрудничество и доверие клиентов по всей России. Для постоянных клиентов действует персональная система скидок.
Условия формируются индивидуально и зависят от:
Чтобы узнать свои условия и получить максимально выгодное предложение, свяжитесь с персональным менеджером или напишите нам на почту zakaz@podsnab.ru.
Вы можете оформить заказ несколькими способами:
Для оформления заказа от юридического лица свяжитесь с нашим отделом по работе с корпоративными клиентами по телефону +7 (495) 104-99-04 или напишите на email zakaz@podsnab.ru, прикрепив реквизиты вашей организации.
Мы оперативно подготовим коммерческое предложение и выставим счет.
Возврат товара надлежащего качества возможен в течение 10 дней с момента получения, если товар не был в употреблении, сохранен товарный вид, упаковка не вскрывалась и присутствуют все сопроводительные документы.
Возврат денежных средств осуществляется в течение 10 рабочих дней после проверки товара складом.
В соответствии с законодательством возврату не подлежат подшипники надлежащего качества, если отсутствует оригинальная упаковка или имеются следы монтажа.
В случае выявления брака или гарантийного случая мы гарантируем возврат или обмен товара.
Да, гарантийный срок хранения устанавливается заводом-изготовителем и в среднем составляет 2 года при соблюдении условий хранения: сухое помещение, оригинальная упаковка и смазка.
Точный срок для конкретного типа подшипника уточняйте у наших менеджеров.
Пн–Пт: с 8:00 до 17:00 (МСК).
Сб–Вс: выходные дни.
Заказы на сайте принимаются круглосуточно. Заявки, поступившие после окончания рабочего дня, обрабатываются на следующий рабочий день.
Минимальная сумма заказа для доставки составляет 3000 рублей. Самовывоз со склада возможен на любую сумму при наличии товара.
ООО «УралТехГрупп»
ИНН: 7415093830
КПП: 772401001
ОГРН: 1167456069021
Банк: ПАО Сбербанк
Р/с: 40702810838000475273
К/с: 30101810400000000225
БИК: 044525225
У подшипника 32236-XL пока нет отзывов. Вы можете стать первым покупателем, поделившимся своим мнением.