Поиск подшипника
Статьи
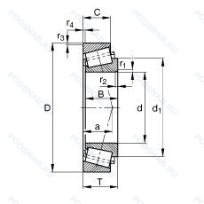
30206-XL — Однорядный конический роликовый подшипник, модификация основного исполнения 30206, производство FAG.
Размер подшипника: 30x62x17 мм.
Серия x live.
Аналоги: 30206-A FAG,30206 SKF,30206 Timken,30206M Timken,30206 Peer.
Международная стандартизации ISO
30206XL
В наличии
| Обозначение | Конструктивные изменения |
|---|---|
| 30206J | Дорожки качения наружного кольца. угол контакта и ширина наружного кольца в соответствии с ISO. |
| 30206CZ | Однорядный конический роликовый подшипник. |
| 30206 | Однорядный конический роликовый подшипник. Основное конструктивное исполнение. |
| 30206A | Соответствует стандартам ISO с улучшенными характеристиками. |
| 30206M | (Конус/внутренняя поверхность и чашка/внешняя поверхность) Компоненты со сквозной закалкой. Номера деталей DIN 720. Номера деталей IsoClass. |
| 30206J2/P6 | Размерные и геометрические допуски соответствуют классу точности P6. Штампованный стальной сепаратор. центрируемый по роликам. Число после J указывает на различные конструктивные исполнения сепаратора. |
| 30206P6 | Размерные и геометрические допуски соответствуют классу точности P6. |
| 30206A P6 | (Чаша/внешняя поверхность) отличается по наружному диаметру/радиусу/ширине от номера базовой детали. Размерные и геометрические допуски соответствуют классу точности P6. |
| 30206-90KA1 | Assembly Code. |
| 30206M-90KM3 | Подшипник с латунным сепаратором. центрированный по телам качения. Assembly-code. |
| 30206M-90KM1 | Подшипник с латунным сепаратором. центрированный по телам качения. |
| 30206/27 | 1.11/16. |
| 30206-P4 | Класс точности. |
| 30206J2/Q | Оптимизированная геометрия и специальная обработка контактных поверхностей. Штампованный стальной сепаратор. центрируемый по роликам. Число после J указывает на различные конструктивные исполнения сепаратора. |
| 30206J2 | Штампованный стальной сепаратор. центрируемый по роликам. Число после J указывает на различные конструктивные исполнения сепаратора. |
| 30206J2/QW64 | Антифрикционный заполнитель. твердая смазка. Оптимизированная геометрия и специальная обработка контактных поверхностей. Штампованный стальной сепаратор. центрируемый по роликам. Число после J указывает на различные конструктивные исполнения сепаратора. |
| 30206P5 | Размерная и рабочая точность соответствует классу допуска ISO 5. |
| 30206-DY | Конические роликоподшипники. произведенные в Корее и продаваемые под торговой маркой FAG. могут быть идентифицированы по суффиксу -DY/-DZ. |
| 30206F | Сепаратор из обработанной стали или специального чугуна. |
| 30206JR | TAPERED ROLLER BEARING CONFORMING TO ISO R355 (SUB-UNIT. METRIC SERIES). EXAMPLE/ 30206JR. |
| 30206C | Изменения во внутренней конструкции. |
| 30206-A-P5 | Модификация внутренней конструкции. Размерная и рабочая точность соответствует классу допуска ISO 5. |
| 30206-H | Произведен в Китае. |
| 4T-30206JX2PX13 | Цементованная сталь. |
| 30206CR | (TB-Segment) Phenolic (Composition) Fafnir Standard. |
Модификации конического роликового подшипника 30206-XL — это измененное основное конструктивное исполнение 30206, основные размеры (30x62x17) не отличаются.
| Обозначение | Гост | Конструктивные особенности |
|---|---|---|
| 17118/17244B | ISO | Однорядный конический роликовый подшипник. |
| PLC64-4-2 | ISO | ISO Tolerance Class ABEC.9. Подшипник с чрезвычайно высокой точностью вращения (Abec9) и допуском формы (Abec7). |
| 17118/17244A | ISO | (Чаша/внешняя поверхность) отличается по наружному диаметру/радиусу/ширине от номера базовой детали. |
| 17118S/17244 | ISO | Запечатанная версия кулачкового ролика. |
| 17119/17244B | ISO | Фланец на передней поверхности наружного кольца. |
| 32006X-90KA8 | ISO | Измененные размеры границ. введенные пересмотренными стандартами ISO. |
| SET1015 | ISO | Однорядный конический роликовый подшипник. |
| 32007JR/2YD | ISO | TAPERED ROLLER BEARING CONFORMING TO ISO R355 (SUB-UNIT. METRIC SERIES). EXAMPLE/ 30206JR. Special Diameter Raceway. |
| 17119/17244 | ISO | Однорядный конический роликовый подшипник. |
| Z-543083.TR1 | ISO | Однорядный конический роликоподшипник. |
| R30-10SA | ISO | Однорядный конический роликовый подшипник. |
| TR306217HL | ISO | Материал термически обработан для длительного срока службы. |
| BT1B328236A/Q | ISO | Измененный внутренний дизайн. Оптимизированная геометрия и специальная обработка контактных поверхностей. |
| BT1B328236A/QCL7CVK210 | ISO | Измененный внутренний дизайн. Оптимизированная геометрия и специальная обработка контактных поверхностей. Высокоэффективная конструкция. На подшипнике не может быть нанесен логотип клиента, может использоваться как стандарт. |
| 4T-30206 | ISO | Цементованная сталь. |
| 408658C | ISO | S-Range. Straight Raceway In The Outer Ring. Series 320X. |
| BT1B328236A/QCL7CVC02 | ISO | Измененный внутренний дизайн. Оптимизированная геометрия и специальная обработка контактных поверхностей. Высокоэффективная конструкция. |
| TR306217CG | ISO | Резьбовой винт со стопором и защелкой. |
| 4T-30206P5 | ISO | Размерная и рабочая точность соответствует классу допуска ISO 5. |
| 576079 | ISO | Однорядный конический роликовый подшипник. |
Аналог конического роликового подшипника 30206-XL — это подшипник такого же размера dx30,Dx62,Bx17, типа и конструкции.
| Обозначение | Конструктивные особенности | Внутренний (d) | Наружный (D) | Ширина (B) |
|---|---|---|---|---|
| 55-2206 БМТ2 | Роликовый радиальный однорядный подшипник. 200°. Модифицированный контакт.. Температура отпуска. Сепаратор из безоловянистой бронзы.. | 30.00 | 62.00 | 16.00 |
| 55-32206 Р10 | Роликовый радиальный однорядный подшипник. Детали из теплоустойчивой (быстрорежущие) стали.. | 30.00 | 62.00 | 16.00 |
| 55-32206 Р7 | Роликовый радиальный однорядный подшипник. Детали из теплоустойчивой (быстрорежущие) стали.. | 30.00 | 62.00 | 16.00 |
| 56-2206 БМТ2 | Роликовый радиальный однорядный подшипник. 200°. Модифицированный контакт.. Температура отпуска. Сепаратор из безоловянистой бронзы.. | 30.00 | 62.00 | 16.00 |
| 6-150206-АКШ1 | Шариковый радиальный однорядный подшипник. Нормы шумности. Повышенная грузоподъемность. | 30.00 | 62.00 | 16.00 |
| 6-150206-КШ1 | Шариковый радиальный однорядный подшипник. Нормы шумности. | 30.00 | 62.00 | 16.00 |
| 6-1580206-АЕС17 | Шариковый радиальный однорядный подшипник. Смазка Литол-24. Сепаратор из текстолита.. Повышенная грузоподъемность. | 30.00 | 62.00 | 18.00 |
| 6-160206-А | Шариковый радиальный однорядный подшипник. Повышенная грузоподъемность. | 30.00 | 62.00 | 16.00 |
| 6-180206-АКС9 | Шариковый радиальный однорядный подшипник. Повышенная грузоподъемность. Смазка ЛЗ-31. | 30.00 | 62.00 | 16.00 |
| 6-180206 АС23 | Шариковый радиальный однорядный подшипник. Повышенная грузоподъемность. Смазка ШРУС-4. | 30.00 | 62.00 | 16.00 |
| 6-180206-АС9 | Шариковый радиальный однорядный подшипник. Повышенная грузоподъемность. Смазка ЛЗ-31. | 30.00 | 62.00 | 16.00 |
| 6-180206 К3С9 | Шариковый радиальный однорядный подшипник. Смазка ЛЗ-31. | 30.00 | 62.00 | 16.00 |
| 6-180206-С17 | Шариковый радиальный однорядный подшипник. Смазка Литол-24. | 30.00 | 62.00 | 16.00 |
| 6-180206-С9 | Шариковый радиальный однорядный подшипник. Смазка ЛЗ-31. | 30.00 | 62.00 | 16.00 |
| 6-180206-С9Ш2 | Шариковый радиальный однорядный подшипник. Нормы шумности. Смазка ЛЗ-31. | 30.00 | 62.00 | 16.00 |
Способы доставки
Отправка через ведущие транспортные и курьерские компании: ПЭК, Деловые Линии, СДЭК, Байкал-Сервис, Энергия, КИТ, ЖелДорЭкспедиция.
Самовывоз возможен напрямую со склада в Москве.
Сроки доставки
Срок зависит от региона и выбранной транспортной компании. Все заказы комплектуются и отправляются в кратчайшие сроки со склада в Москве.
Надёжность и сохранность
Вся продукция упаковывается с учётом требований транспортировки. Мы гарантируем, что подшипники и комплектующие прибудут к заказчику в полной сохранности.
Доставка в страны ЕАЭС
Мы работаем с проверенными логистическими партнёрами, что позволяет оперативно доставлять заказы в Беларусь, Казахстан, Армению и другие страны ЕАЭС.
Варианты оплаты:
Минимальная сумма заказа и скидки:
Документы и гарантии:
Да, конечно! Наши технические специалисты готовы помочь вам с подбором точного аналога или замены подшипника. Просто позвоните нам по телефону +7 (495) 104-99-04 или напишите на почту zakaz@podsnab.ru.
Для оперативной консультации подготовьте, пожалуйста, имеющиеся данные: маркировку, размеры, тип оборудования или артикул старого подшипника.
Да, конечно! Мы высоко ценим долгосрочное сотрудничество и доверие клиентов по всей России. Для постоянных клиентов действует персональная система скидок.
Условия формируются индивидуально и зависят от:
Чтобы узнать свои условия и получить максимально выгодное предложение, свяжитесь с персональным менеджером или напишите нам на почту zakaz@podsnab.ru.
Вы можете оформить заказ несколькими способами:
Для оформления заказа от юридического лица свяжитесь с нашим отделом по работе с корпоративными клиентами по телефону +7 (495) 104-99-04 или напишите на email zakaz@podsnab.ru, прикрепив реквизиты вашей организации.
Мы оперативно подготовим коммерческое предложение и выставим счет.
Возврат товара надлежащего качества возможен в течение 10 дней с момента получения, если товар не был в употреблении, сохранен товарный вид, упаковка не вскрывалась и присутствуют все сопроводительные документы.
Возврат денежных средств осуществляется в течение 10 рабочих дней после проверки товара складом.
В соответствии с законодательством возврату не подлежат подшипники надлежащего качества, если отсутствует оригинальная упаковка или имеются следы монтажа.
В случае выявления брака или гарантийного случая мы гарантируем возврат или обмен товара.
Да, гарантийный срок хранения устанавливается заводом-изготовителем и в среднем составляет 2 года при соблюдении условий хранения: сухое помещение, оригинальная упаковка и смазка.
Точный срок для конкретного типа подшипника уточняйте у наших менеджеров.
Пн–Пт: с 8:00 до 17:00 (МСК).
Сб–Вс: выходные дни.
Заказы на сайте принимаются круглосуточно. Заявки, поступившие после окончания рабочего дня, обрабатываются на следующий рабочий день.
Минимальная сумма заказа для доставки составляет 3000 рублей. Самовывоз со склада возможен на любую сумму при наличии товара.
ООО «УралТехГрупп»
ИНН: 7415093830
КПП: 772401001
ОГРН: 1167456069021
Банк: ПАО Сбербанк
Р/с: 40702810838000475273
К/с: 30101810400000000225
БИК: 044525225
У подшипника 30206-XL пока нет отзывов. Вы можете стать первым покупателем, поделившимся своим мнением.