Поиск подшипника
Статьи
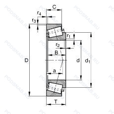
30207-XL — Однорядный конический роликовый подшипник, модификация основного исполнения 30207, производство FAG.
Размер подшипника: 35x72x18 мм.
Серия x live.
Аналоги: 30207A SNR,4T-30207 NTN,30207 LYC,30207 ISB,30207J KBF,30207 IBU Fiedler,30207 KBS.
Международная стандартизации ISO
30207XL
В наличии
Роликовый подшипник 30207-XL относится к коническим однорядным решениям, предназначенным для работы при комбинированных нагрузках. Такой подшипниковый узел используется в транспортных механизмах, редукторах и промышленном оборудовании, где требуется устойчивость к радиальным и осевым усилиям при переменных режимах эксплуатации.
Конструкция обеспечивает точное сопряжение роликов и дорожек качения, что способствует равномерному распределению нагрузки и снижению износа рабочих поверхностей. Геометрия элементов рассчитана на стабильную работу при повышенных нагрузках и скоростях. При подборе часто используется обозначение 30207 подшипник, позволяющее корректно определить типоразмер и совместимость для замены.
Для надёжной работы важно соблюдать требования к монтажу, включая точность посадки и регулировку зазоров. Запрос подшипник 30207 применяется при поиске изделия для обслуживания или ремонта оборудования. Качество смазки и соблюдение условий эксплуатации напрямую влияют на ресурс, температурный режим и долговечность конструкции.
| Обозначение | Конструктивные изменения |
|---|---|
| 30207P5 | Размерная и рабочая точность соответствует классу допуска ISO 5. |
| 30207A | Соответствует стандартам ISO с улучшенными характеристиками. |
| 30207AC | Суффикс для радиально-упорного шарикоподшипника. |
| 30207M | (Конус/внутренняя поверхность и чашка/внешняя поверхность) Компоненты со сквозной закалкой. Номера деталей DIN 720. Номера деталей IsoClass. |
| 30207J2/P5 | Размерная и рабочая точность соответствует классу допуска ISO 5. Штампованный стальной сепаратор. центрируемый по роликам. Число после J указывает на различные конструктивные исполнения сепаратора. |
| 30207J2/P6 | Размерные и геометрические допуски соответствуют классу точности P6. Штампованный стальной сепаратор. центрируемый по роликам. Число после J указывает на различные конструктивные исполнения сепаратора. |
| 30207M-90KM1 | Подшипник с латунным сепаратором. центрированный по телам качения. |
| 30207-90KA1 | Assembly Code. |
| 30207A.P5 | Модификация внутренней конструкции. Размерная и рабочая точность соответствует классу допуска ISO 5. |
| 30207DF | Комплект из двух подшипников. согласованных для установки по Х-образной схеме. Число. следующее непосредственно после букв DF. обозначает конструкцию промежуточного кольца. |
| 30207JU | Конический роликовый подшипник. изготовленный в соответствии с ISO. В упаковке содержится несколько штук. |
| 30207J2/Q | Оптимизированная геометрия и специальная обработка контактных поверхностей. Штампованный стальной сепаратор. центрируемый по роликам. Число после J указывает на различные конструктивные исполнения сепаратора. |
| 30207J2 | Штампованный стальной сепаратор. центрируемый по роликам. Число после J указывает на различные конструктивные исполнения сепаратора. |
| 30207JR | TAPERED ROLLER BEARING CONFORMING TO ISO R355 (SUB-UNIT. METRIC SERIES). EXAMPLE/ 30206JR. |
| 30207Q | Подшипники класса TQ-Line. имеющих суффикс Q в обозначении. являются основой для производства подшипников SKF. |
| 30207AC6KLF-ZVL | Конический роликоподшипник с более высокой номинальной нагрузкой и более высокой предельной скоростью. Reduced Vibration Level Lower Than Normal (Not Indicated). |
| 30207DY | Конические роликоподшипники. произведенные в Корее и продаваемые под торговой маркой FAG. могут быть идентифицированы по суффиксу -DY/-DZ. |
| 30207M-99E60 | Подшипник с латунным сепаратором. центрированный по телам качения. |
| 30207J2/QW64 | Антифрикционный заполнитель. твердая смазка. Оптимизированная геометрия и специальная обработка контактных поверхностей. Штампованный стальной сепаратор. центрируемый по роликам. Число после J указывает на различные конструктивные исполнения сепаратора. |
| 30207J2/QW64E | Solid Oil Filling And E (Extreme Pressure Grease). Оптимизированная геометрия и специальная обработка контактных поверхностей. Штампованный стальной сепаратор. центрируемый по роликам. Число после J указывает на различные конструктивные исполнения сепаратора. |
| 30207/37J2 | Штампованный стальной сепаратор. центрируемый по роликам. Число после J указывает на различные конструктивные исполнения сепаратора. |
| 30207M-9/KM1 | Подшипник с латунным сепаратором. центрированный по телам качения. Largest Fill. |
| 30207-H | Произведен в Китае. |
| 30207F | Сепаратор из обработанной стали или специального чугуна. |
| 30207CR | (TB-Segment) Phenolic (Composition) Fafnir Standard. |
Модификации конического роликового подшипника 30207-XL — это измененное основное конструктивное исполнение 30207, основные размеры (35x72x18) не отличаются.
| Обозначение | Гост | Конструктивные особенности |
|---|---|---|
| 16137/16282 | ISO | Однорядный конический роликовый подшипник. |
| 19138X/19283X | ISO | Измененные размеры границ. введенные пересмотренными стандартами ISO. |
| 19138/19283 | ISO | Однорядный конический роликовый подшипник. |
| 615838 | ISO | Однорядный конический роликовый подшипник. |
| 16137-99401 | ISO | Однорядный конический роликовый подшипник. |
| SET1016 | ISO | Однорядный конический роликовый подшипник. |
| E30207J | ISO | Взаимозаменяемые кольца конического роликоподшипника. |
| 19138X/19282 | ISO | Измененные размеры границ. введенные пересмотренными стандартами ISO. |
| 19138X/19283 | ISO | Измененные размеры границ. введенные пересмотренными стандартами ISO. |
| 4T-30207X3EW | ISO | Однорядный конический роликовый подшипник. |
| 4T-30207P5 | ISO | Размерная и рабочая точность соответствует классу допуска ISO 5. |
| HR30207 | ISO | Однорядный конический роликовый подшипник. |
| 102036/102072 | ISO | Однорядный конический роликовый подшипник. |
| HI-CAP30207JR | ISO | Конический роликоподшипник. соответствующий стандарту ISO R355. Код внутренней конструкции (высокая грузоподъемность). |
| 4T-30207 | ISO | Цементованная сталь. |
| HR30207J | ISO | Дорожки качения наружного кольца. угол контакта и ширина наружного кольца в соответствии с ISO. Для конических роликоподшипников и радиальных шарикоподшипников. |
| HI-CAP57305/30207J | ISO | Угол контакта 20 градусов. Конический роликоподшипник. соответствующий стандарту ISO R355. |
| 102035/102072 | ISO | Однорядный конический роликовый подшипник. |
| X30207/Y30207 | ISO | Однорядный конический роликовый подшипник. |
Аналог конического роликового подшипника 30207-XL — это подшипник такого же размера dx35,Dx72,Bx18, типа и конструкции.
| Обозначение | Конструктивные особенности | Внутренний (d) | Наружный (D) | Ширина (B) |
|---|---|---|---|---|
| 5-46207 Е | Шариковый радиально-упорный однорядный подшипник. Сепаратор из текстолита.. | 35.00 | 72.00 | 17.00 |
| 5-46207 Е3 | Шариковый радиально-упорный однорядный подшипник. Сепаратор из пластических материалов.. | 35.00 | 72.00 | 17.00 |
| 5-46207 Е5 | Шариковый радиально-упорный однорядный подшипник. Сепаратор из текстолита.. | 35.00 | 72.00 | 17.00 |
| 5-46207 К | Шариковый радиально-упорный однорядный подшипник. «Замок» (скос) на внутреннем кольце плюс массивный сепаратор из текстолита. | 35.00 | 72.00 | 17.00 |
| 5-60207 А | Шариковый радиальный однорядный подшипник. Повышенная грузоподъемность. | 35.00 | 72.00 | 17.00 |
| 5-66207 Е | Шариковый радиально-упорный однорядный подшипник. Сепаратор из текстолита.. | 35.00 | 72.00 | 17.00 |
| 502207-КМ | Роликовый радиальный однорядный подшипник. Кольцевая проточка на середине цилиндрической наружной поверхности наружного кольца плюс три отверстия для смазки. Модифицированный контакт.. | 35.00 | 72.00 | 17.00 |
| 50207-А | Шариковый радиальный однорядный подшипник. Повышенная грузоподъемность. | 35.00 | 72.00 | 17.00 |
| 50207-К5 | Шариковый радиальный однорядный подшипник. Повышенная грузоподъемность. | 35.00 | 72.00 | 17.00 |
| 50207-АЕ | Шариковый радиальный однорядный подшипник. Сепаратор из текстолита.. Повышенная грузоподъемность. | 35.00 | 72.00 | 17.00 |
| 55-32207 Б2Т | Роликовый радиальный однорядный подшипник. Температура отпуска. 160°. Сепаратор из безоловянистой бронзы.. | 35.00 | 72.00 | 17.00 |
| 6-180207 А | Шариковый радиальный однорядный подшипник. Повышенная грузоподъемность. | 35.00 | 72.00 | 17.00 |
| 6-180207 АК | Шариковый радиальный однорядный подшипник. Повышенная грузоподъемность. | 35.00 | 72.00 | 17.00 |
| 6-180207 АС17Ш1 | Шариковый радиальный однорядный подшипник. Смазка Литол-24. Повышенная грузоподъемность. Нормы шумности. | 35.00 | 72.00 | 17.00 |
| 6-180207 С17 | Шариковый радиальный однорядный подшипник. Смазка Литол-24. | 35.00 | 72.00 | 17.00 |
Способы доставки
Отправка через ведущие транспортные и курьерские компании: ПЭК, Деловые Линии, СДЭК, Байкал-Сервис, Энергия, КИТ, ЖелДорЭкспедиция.
Самовывоз возможен напрямую со склада в Москве.
Сроки доставки
Срок зависит от региона и выбранной транспортной компании. Все заказы комплектуются и отправляются в кратчайшие сроки со склада в Москве.
Надёжность и сохранность
Вся продукция упаковывается с учётом требований транспортировки. Мы гарантируем, что подшипники и комплектующие прибудут к заказчику в полной сохранности.
Доставка в страны ЕАЭС
Мы работаем с проверенными логистическими партнёрами, что позволяет оперативно доставлять заказы в Беларусь, Казахстан, Армению и другие страны ЕАЭС.
Варианты оплаты:
Минимальная сумма заказа и скидки:
Документы и гарантии:
Да, конечно! Наши технические специалисты готовы помочь вам с подбором точного аналога или замены подшипника. Просто позвоните нам по телефону +7 (495) 104-99-04 или напишите на почту zakaz@podsnab.ru.
Для оперативной консультации подготовьте, пожалуйста, имеющиеся данные: маркировку, размеры, тип оборудования или артикул старого подшипника.
Да, конечно! Мы высоко ценим долгосрочное сотрудничество и доверие клиентов по всей России. Для постоянных клиентов действует персональная система скидок.
Условия формируются индивидуально и зависят от:
Чтобы узнать свои условия и получить максимально выгодное предложение, свяжитесь с персональным менеджером или напишите нам на почту zakaz@podsnab.ru.
Вы можете оформить заказ несколькими способами:
Для оформления заказа от юридического лица свяжитесь с нашим отделом по работе с корпоративными клиентами по телефону +7 (495) 104-99-04 или напишите на email zakaz@podsnab.ru, прикрепив реквизиты вашей организации.
Мы оперативно подготовим коммерческое предложение и выставим счет.
Возврат товара надлежащего качества возможен в течение 10 дней с момента получения, если товар не был в употреблении, сохранен товарный вид, упаковка не вскрывалась и присутствуют все сопроводительные документы.
Возврат денежных средств осуществляется в течение 10 рабочих дней после проверки товара складом.
В соответствии с законодательством возврату не подлежат подшипники надлежащего качества, если отсутствует оригинальная упаковка или имеются следы монтажа.
В случае выявления брака или гарантийного случая мы гарантируем возврат или обмен товара.
Да, гарантийный срок хранения устанавливается заводом-изготовителем и в среднем составляет 2 года при соблюдении условий хранения: сухое помещение, оригинальная упаковка и смазка.
Точный срок для конкретного типа подшипника уточняйте у наших менеджеров.
Пн–Пт: с 8:00 до 17:00 (МСК).
Сб–Вс: выходные дни.
Заказы на сайте принимаются круглосуточно. Заявки, поступившие после окончания рабочего дня, обрабатываются на следующий рабочий день.
Минимальная сумма заказа для доставки составляет 3000 рублей. Самовывоз со склада возможен на любую сумму при наличии товара.
ООО «УралТехГрупп»
ИНН: 7415093830
КПП: 772401001
ОГРН: 1167456069021
Банк: ПАО Сбербанк
Р/с: 40702810838000475273
К/с: 30101810400000000225
БИК: 044525225
У подшипника 30207-XL пока нет отзывов. Вы можете стать первым покупателем, поделившимся своим мнением.