Поиск подшипника
Статьи
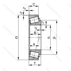
32007-X-XL — Однорядный конический роликовый подшипник, модификация основного исполнения 32007, производство FAG.
Размер подшипника: 35x62x18 мм.
Серия x-life, внешние размеры соответствуют международным стандартам.
Альтернативное обозначение: 32007-X.
Аналоги: 32007X FAG,32007-XDY-XL FAG,32007X SKF,32007C SNR,32007X STW,32007XA MTK,32007X FLT,32007 IBU Fiedler,32007X IBB Fiedler.
Международная стандартизации ISO
32007XXL
В наличии
| Обозначение | Конструктивные изменения |
|---|---|
| 32007X-90NA8 | Измененные размеры границ. введенные пересмотренными стандартами ISO. |
| 32007X-90KA1 | Измененные размеры границ. введенные пересмотренными стандартами ISO. Assembly Code. |
| 32007X-9X048 | Измененные размеры границ. введенные пересмотренными стандартами ISO. |
| 32007X-9X018 | Измененные размеры границ. введенные пересмотренными стандартами ISO. |
| 32007XM-90KM1 | Two Bearings In X-Arrangement. Medium Preload. |
| 32007X.P6 | Размерные и геометрические допуски соответствуют классу точности P6. Внешние размеры соответствуют международным стандартам. |
| 32007-XDY | Внешние размеры соответствуют международным стандартам. Конические роликоподшипники. произведенные в Корее и продаваемые под торговой маркой FAG. могут быть идентифицированы по суффиксу -DY/-DZ. |
| 32007-P4 | Класс точности. |
| 32007JR | TAPERED ROLLER BEARING CONFORMING TO ISO R355 (SUB-UNIT. METRIC SERIES). EXAMPLE/ 30206JR. |
| 32007X/Q | Оптимизированная геометрия и специальная обработка контактных поверхностей. Присоединительные размеры не соответствуют серии размеров ISO. |
| 32007JR/2YD | TAPERED ROLLER BEARING CONFORMING TO ISO R355 (SUB-UNIT. METRIC SERIES). EXAMPLE/ 30206JR. Special Diameter Raceway. |
| 32007JR/1YD | TAPERED ROLLER BEARING CONFORMING TO ISO R355 (SUB-UNIT. METRIC SERIES). EXAMPLE/ 30206JR. Special Diameter Raceway. |
| 32007-XDY-XL-P5 | Серия X-Life премиум-класс. увеличиный срок службы. Размерная и рабочая точность соответствует классу допуска ISO 5. Внешние размеры соответствуют международным стандартам. |
| 32007-XDY-XL | Серия X-Life премиум-класс. увеличиный срок службы. |
| 32007-X-XL-P5 | Серия X-Life премиум-класс. увеличиный срок службы. Размерная и рабочая точность соответствует классу допуска ISO 5. Внешние размеры соответствуют международным стандартам. |
| 32007X-92KA1 | Измененные размеры границ. введенные пересмотренными стандартами ISO. |
| 32007X/QVB003 | Оптимизированная геометрия и специальная обработка контактных поверхностей. Присоединительные размеры не соответствуют серии размеров ISO. Extra Polished Outside Of The Inner Ring. |
| 32007C | Конический роликовый подшипник. Модификация внутренней конструкции. |
| 32007J2 | Штампованный стальной сепаратор. центрируемый по роликам. Число после J указывает на различные конструктивные исполнения сепаратора. |
| 32007-X-H | Pressed Snap-Type Steel Cage. Hardened. External Dimensions Matched To International Standards.. H =. |
| 32007J2/Q | Оптимизированная геометрия и специальная обработка контактных поверхностей. Штампованный стальной сепаратор. центрируемый по роликам. Число после J указывает на различные конструктивные исполнения сепаратора. |
| 32007XR | Размеры границ изменены в соответствии со стандартами ISO. |
| 32007 X/QW64 | Измененные размеры границ. введенные пересмотренными стандартами ISO. |
| 32007X30/32007XF | Промышленная упаковка. |
| 32007JR/3YD | TAPERED ROLLER BEARING CONFORMING TO ISO R355 (SUB-UNIT. METRIC SERIES). EXAMPLE/ 30206JR. |
Модификации конического роликового подшипника 32007-X-XL — это измененное основное конструктивное исполнение 32007, основные размеры (35x62x18) не отличаются.
| Обозначение | Гост | Конструктивные особенности |
|---|---|---|
| LM78349A/LM78310 | ISO | Двухрядный радиально-упорный шарикоподшипник без отверстия для смазки. |
| LM78349/LM78310C | ISO | Механически обработанный латунный сепаратор. |
| LM78349A/LM78310C | ISO | (Чашка/внешнее кольцо) Размеры отличаются от основного номера детали (невзаимозаменяемые). Двухрядный радиально-упорный шарикоподшипник без отверстия для смазки. |
| 407549B | ISO | Конический роликовый подшипник. Угол контакта 20 градусов. |
| 330757C/Q | ISO | S-Range. Straight Raceway In The Outer Ring. Series 320X. Оптимизированная геометрия и специальная обработка контактных поверхностей. |
| LM78349R/LM78310A | ISO | Различный наружный диаметр. Радиус или ширина от номера основной детали. С выпуклыми асимметричными роликами и обработанным сепаратором. |
| 521425A | ISO | (Чаша/внешняя поверхность) отличается по наружному диаметру/радиусу/ширине от номера базовой детали. |
| 4T-32007XP5 | ISO | Размерная и рабочая точность соответствует классу допуска ISO 5. Размеры границ изменены в соответствии со стандартами ISO. |
| LM78349/310APREC.3 | ISO | (Чаша/внешняя поверхность) отличается по наружному диаметру/радиусу/ширине от номера базовой детали. (Конус/внутреннее кольцо и чашка/внешнее кольцо) Класс точности 3. Размерные и геометрические допуски соответствуют классу точности P6. |
| LM78349/310A-30000 | ISO | (Чаша/внешняя поверхность) отличается по наружному диаметру/радиусу/ширине от номера базовой детали. (Cone/Inner Race And Cup/Outer Race) Same As PREC.3 (Precision Class 3). |
| 513286C | ISO | 15° Угол контакта. |
| TR070602S-N | ISO | Запечатанная версия кулачкового ролика. Канавка под стопорное кольцо на внешнем кольце. |
| 4T-32007X | ISO | Размеры границ изменены в соответствии со стандартами ISO. Цементованная сталь. |
| 407549B/K572 | ISO | Конический роликовый подшипник. Угол контакта 20 градусов. |
| LM78349/LM78310TVP | ISO | Сепаратор из полиамида. |
| LM78349A/310C | ISO | Двухрядный радиально-упорный шарикоподшипник без отверстия для смазки. |
| HR32007XJP5 | ISO | Диаметр и угол качения наружного кольца соответствуют стандарту ISO/R355. Серии размеров 20 и 29 — основные размеры соответствуют ISO/R355. |
| 10R32007C | ISO | 15° Угол контакта. |
| H-E32007J | ISO | Взаимозаменяемые кольца конического роликоподшипника. |
| 4T-LM78349/LM78310APX2 | ISO | (Чаша/внешняя поверхность) отличается по наружному диаметру/радиусу/ширине от номера базовой детали. Специальный допуск (начиная с PX1). |
Аналог конического роликового подшипника 32007-X-XL — это подшипник такого же размера dx35,Dx62,Bx18, типа и конструкции.
| Обозначение | Конструктивные особенности | Внутренний (d) | Наружный (D) | Ширина (B) |
|---|---|---|---|---|
| 4-9207 К | Роликовый упорный однорядный подшипник. Кольцевая проточка на середине цилиндрической наружной поверхности наружного кольца плюс три отверстия для смазки. | 35.00 | 62.00 | 18.00 |
| 4-9207 Л | Роликовый упорный однорядный подшипник. Сепаратор из латуни.. | 35.00 | 62.00 | 18.00 |
| 6-292305 АЕ | Роликовый радиальный однорядный подшипник. Сепаратор из текстолита.. Повышенная грузоподъемность. | 35.00 | 62.00 | 17.00 |
| HL-8E-NK36X62X18-1 | Роликовый игольчатый подшипник однорядный. Термообработка роликов HL. Number Of Carriages Per Rail Track. | 36.00 | 62.00 | 18.00 |
| LM78349A/10C | Роликовый радиальный-упорный однорядный подшипник. Двухрядный радиально-упорный шарикоподшипник без отверстия для смазки. | 34.99 | 61.97 | 18.00 |
| HC TR070602S | Роликовый радиальный-упорный однорядный подшипник. Угол контакта 20 градусов. | 35.00 | 62.00 | 19.00 |
| HI-CAP ST3562LFT | Роликовый радиальный-упорный однорядный подшипник. Угол контакта 20 градусов. | 35.00 | 62.00 | 18.00 |
| SC07B26D2 | Шариковый радиальный однорядный подшипник. Угол контакта 40°. | 35.00 | 62.00 | 19.00 |
| 51207 V/HR22Q2 | Шариковый упорный однорядный подшипник. Подшипник без сепаратора. С полным комплектом тел качения. | 35.00 | 62.00 | 18.00 |
| GAC35T | Шарнирный подшипник. Измененная или модифицированная внутренняя конструкция при неизменных основных размерах. Textile Laminated Phenolic Resin. Outer Ring Guided. The Cage Is Suitable For Long-Term Operation At Temperatures Up To 100°C. | 35.00 | 62.00 | 18.00 |
| GAC35N | Шарнирный подшипник. Измененная или модифицированная внутренняя конструкция при неизменных основных размерах. Канавка под стопорное кольцо на внешнем кольце. | 35.00 | 62.00 | 18.00 |
| 5-8207 ЮТ | Шариковый упорный однорядный подшипник. Температура отпуска. 160°. Все детали или часть деталей из нержавеющей стали.. | 35.00 | 62.00 | 18.00 |
| 5-88207 Ю2Т | Шариковый упорный однорядный подшипник. Температура отпуска. 160°. Все детали или часть деталей из нержавеющей стали.. | 35.00 | 62.00 | 18.00 |
| 502207-К1М | Роликовый радиальный однорядный подшипник. Модифицированный контакт.. | 35.00 | 61.80 | 17.00 |
| 6-2007107 А | Роликовый радиальный-упорный однорядный подшипник. Повышенная грузоподъемность. | 35.00 | 62.00 | 18.00 |
Способы доставки
Отправка через ведущие транспортные и курьерские компании: ПЭК, Деловые Линии, СДЭК, Байкал-Сервис, Энергия, КИТ, ЖелДорЭкспедиция.
Самовывоз возможен напрямую со склада в Москве.
Сроки доставки
Срок зависит от региона и выбранной транспортной компании. Все заказы комплектуются и отправляются в кратчайшие сроки со склада в Москве.
Надёжность и сохранность
Вся продукция упаковывается с учётом требований транспортировки. Мы гарантируем, что подшипники и комплектующие прибудут к заказчику в полной сохранности.
Доставка в страны ЕАЭС
Мы работаем с проверенными логистическими партнёрами, что позволяет оперативно доставлять заказы в Беларусь, Казахстан, Армению и другие страны ЕАЭС.
Варианты оплаты:
Минимальная сумма заказа и скидки:
Документы и гарантии:
Да, конечно! Наши технические специалисты готовы помочь вам с подбором точного аналога или замены подшипника. Просто позвоните нам по телефону +7 (495) 104-99-04 или напишите на почту zakaz@podsnab.ru.
Для оперативной консультации подготовьте, пожалуйста, имеющиеся данные: маркировку, размеры, тип оборудования или артикул старого подшипника.
Да, конечно! Мы высоко ценим долгосрочное сотрудничество и доверие клиентов по всей России. Для постоянных клиентов действует персональная система скидок.
Условия формируются индивидуально и зависят от:
Чтобы узнать свои условия и получить максимально выгодное предложение, свяжитесь с персональным менеджером или напишите нам на почту zakaz@podsnab.ru.
Вы можете оформить заказ несколькими способами:
Для оформления заказа от юридического лица свяжитесь с нашим отделом по работе с корпоративными клиентами по телефону +7 (495) 104-99-04 или напишите на email zakaz@podsnab.ru, прикрепив реквизиты вашей организации.
Мы оперативно подготовим коммерческое предложение и выставим счет.
Возврат товара надлежащего качества возможен в течение 10 дней с момента получения, если товар не был в употреблении, сохранен товарный вид, упаковка не вскрывалась и присутствуют все сопроводительные документы.
Возврат денежных средств осуществляется в течение 10 рабочих дней после проверки товара складом.
В соответствии с законодательством возврату не подлежат подшипники надлежащего качества, если отсутствует оригинальная упаковка или имеются следы монтажа.
В случае выявления брака или гарантийного случая мы гарантируем возврат или обмен товара.
Да, гарантийный срок хранения устанавливается заводом-изготовителем и в среднем составляет 2 года при соблюдении условий хранения: сухое помещение, оригинальная упаковка и смазка.
Точный срок для конкретного типа подшипника уточняйте у наших менеджеров.
Пн–Пт: с 8:00 до 17:00 (МСК).
Сб–Вс: выходные дни.
Заказы на сайте принимаются круглосуточно. Заявки, поступившие после окончания рабочего дня, обрабатываются на следующий рабочий день.
Минимальная сумма заказа для доставки составляет 3000 рублей. Самовывоз со склада возможен на любую сумму при наличии товара.
ООО «УралТехГрупп»
ИНН: 7415093830
КПП: 772401001
ОГРН: 1167456069021
Банк: ПАО Сбербанк
Р/с: 40702810838000475273
К/с: 30101810400000000225
БИК: 044525225
У подшипника 32007-X-XL пока нет отзывов. Вы можете стать первым покупателем, поделившимся своим мнением.