Поиск подшипника
Статьи
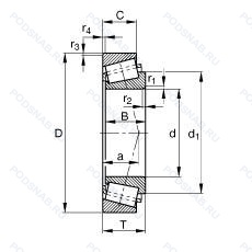
32207-XL — Однорядный конический роликовый подшипник, модификация основного исполнения 32207, производство FAG.
Размер подшипника: 35x72x24 мм.
Серия x live.
Аналоги: 32207-DY FAG,32207 Timken,32207J2/Q SKF,VKHB2712MY SKF,32207 Steyr,32207 NKE,32207 ISB,32207 KBF,32207 Neutral.
Международная стандартизации ISO
32207XL
В наличии
| Обозначение | Конструктивные изменения |
|---|---|
| 32207J | Дорожки качения наружного кольца. угол контакта и ширина наружного кольца в соответствии с ISO. |
| 32207J2/Q | Оптимизированная геометрия и специальная обработка контактных поверхностей. Штампованный стальной сепаратор. центрируемый по роликам. Число после J указывает на различные конструктивные исполнения сепаратора. |
| 32207C | Изменения внутренней конструкции. |
| 32207M | Подшипник с латунным сепаратором. центрированный по телам качения. |
| 32207 | Однорядный конический роликовый подшипник. Основное конструктивное исполнение. |
| 32207A | Двухрядный радиально-упорный шарикоподшипник без отверстия для смазки. |
| 32207JR | TAPERED ROLLER BEARING CONFORMING TO ISO R355 (SUB-UNIT. METRIC SERIES). EXAMPLE/ 30206JR. |
| 32207J2/VB009 | Штампованный стальной сепаратор. центрируемый по роликам. Число после J указывает на различные конструктивные исполнения сепаратора. Отклонения основных размеров. |
| 32207-CZ | Однорядный конический роликовый подшипник. |
| 32207XX/639243 | Single Cone Or Single Cup. Made Of Special Steel. |
| 32207-90KA9 | Однорядный конический роликовый подшипник. |
| 32207-90NA4 | Однорядный конический роликовый подшипник. |
| 32207-90KA1 | Assembly Code. |
| 32207M-90KM1 | Подшипник с латунным сепаратором. центрированный по телам качения. |
| 32207J2 | Штампованный стальной сепаратор. центрируемый по роликам. Число после J указывает на различные конструктивные исполнения сепаратора. |
| 32207JA | Прессованный сепаратор из незакаленной листовой стали, центрировано по внешнему кольцу. |
| 32207DY | Конические роликоподшипники. произведенные в Корее и продаваемые под торговой маркой FAG. могут быть идентифицированы по суффиксу -DY/-DZ. |
| 32207B | Конический роликовый подшипник. Угол контакта 20 градусов. |
| 32207-H | Произведен в Китае. |
| 32207U | Универсальный одиночный подшипник. |
| 32207CN | Нормальный уровень радиального внутреннего зазора (не маркируется). |
| 4T-32207CR | (TB-Segment) Phenolic (Composition) Fafnir Standard. Цементованная сталь. |
| 4T-32207C | 15° Угол контакта. Цементованная сталь. |
| 32207F | Сепаратор из обработанной стали или специального чугуна. |
| 32207-1R | Однорядный конический роликовый подшипник. |
Модификации конического роликового подшипника 32207-XL — это измененное основное конструктивное исполнение 32207, основные размеры (35x72x24) не отличаются.
| Обозначение | Гост | Конструктивные особенности |
|---|---|---|
| 16137/16283 | ISO | Однорядный конический роликовый подшипник. |
| 7507E | ISO | Повышенная грузоподъемность. |
| 7507A1 | ISO | ABEC.1. |
| 231508C/231508 | ISO | Однорядный конический роликовый подшипник. |
| HR32207CN | ISO | Нормальный уровень радиального внутреннего зазора (не маркируется). |
| 100035/100072 | ISO | Однорядный конический роликовый подшипник. |
| HR32207CJ | ISO | Стальной сепаратор из двух частей оконного типа. |
| HR32207J | ISO | Дорожки качения наружного кольца. угол контакта и ширина наружного кольца в соответствии с ISO. Для конических роликоподшипников и радиальных шарикоподшипников. |
| 7507 | ISO | Однорядный конический роликовый подшипник. |
| HI-CAP32207JR | ISO | Конический роликоподшипник. соответствующий стандарту ISO R355. Код внутренней конструкции (высокая грузоподъемность). |
| 100035/100072C | ISO | Flanged Cup. |
| NP353549/NP673396 | ISO | Однорядный конический роликовый подшипник. |
| 25JT5 32207-ENH | ISO | Enhanced. |
| 4T-32207 | ISO | Цементованная сталь. |
| VKHB2712MY | ISO | Механически обработанный латунный сепаратор. |
| 4T-32207P5 | ISO | Размерная и рабочая точность соответствует классу допуска ISO 5. |
| BT1-0591 | ISO | Однорядный конический роликовый подшипник. |
Аналог конического роликового подшипника 32207-XL — это подшипник такого же размера dx35,Dx72,Bx24, типа и конструкции.
| Обозначение | Конструктивные особенности | Внутренний (d) | Наружный (D) | Ширина (B) |
|---|---|---|---|---|
| LG35=1 | Шариковый радиальный однорядный подшипник. Number Of Carriages Per Rail Track. | 35.00 | 72.00 | 24.00 |
| TM-SC0791LC4/5A | Шариковый радиальный однорядный подшипник. Механически обработанный сепаратор. Внутренний радиальный зазор С4. Уплотнение из полиакрила. | 35.00 | 72.00 | 24.00 |
| BB1-1618 TN9 | Шариковый радиальный однорядный подшипник. Литой защелкивающийся сепаратор из полиамида. армированного стекловолокном 6.6. | 35.00 | 72.00 | 25.00 |
| 36-160507 Е | Шариковый радиальный однорядный подшипник. Сепаратор из текстолита.. | 35.00 | 72.00 | 23.00 |
| 2207-K-2RS+H307 | Шариковый сферический двухрядный подшипник. Коническое внутреннее отверстие. Контактные уплотнения типа RS с обеих сторон игольчатого роликоподшипника. | 35.00 | 72.00 | 23.00 |
| 2207-K+H307 | Шариковый сферический двухрядный подшипник. Коническое внутреннее отверстие. | 35.00 | 72.00 | 23.00 |
| 2207S | Шариковый сферический двухрядный подшипник. Запечатанная версия кулачкового ролика. Только для внутреннего и наружного колец. | 35.00 | 72.00 | 23.00 |
| 2207SK | Шариковый сферический двухрядный подшипник. Кулачковый толкатель штифтового типа. С шестигранной головкой. Только для внутреннего и наружного колец. | 35.00 | 72.00 | 23.00 |
| S2207-2RS | Шариковый сферический двухрядный подшипник. Резиновые уплотнения с каждой стороны подшипника. | 35.00 | 72.00 | 23.00 |
| NJ 2207 ECM | Роликовый радиальный однорядный подшипник. Однорядный цилиндрический роликовый подшипник. | 35.00 | 72.00 | 23.00 |
| NU 2207 ECPH | Роликовый радиальный однорядный подшипник. Однорядный цилиндрический роликовый подшипник. | 35.00 | 72.00 | 23.00 |
| 6-12507 АЕМУШ | Роликовый радиальный однорядный подшипник. Сепаратор из текстолита.. Дополнительные технические требования. Модифицированный контакт.. Повышенная грузоподъемность. Нормы шумности. | 35.00 | 72.00 | 23.00 |
| 6-12507 АЕУ | Роликовый радиальный однорядный подшипник. Сепаратор из текстолита.. Дополнительные технические требования. Повышенная грузоподъемность. | 35.00 | 72.00 | 23.00 |
| 6-12507 КМ | Роликовый радиальный однорядный подшипник. Модифицированный контакт.. | 35.00 | 72.00 | 23.00 |
| 6-12507 КМУ | Роликовый радиальный однорядный подшипник. Дополнительные технические требования. Модифицированный контакт.. | 35.00 | 72.00 | 23.00 |
Способы доставки
Отправка через ведущие транспортные и курьерские компании: ПЭК, Деловые Линии, СДЭК, Байкал-Сервис, Энергия, КИТ, ЖелДорЭкспедиция.
Самовывоз возможен напрямую со склада в Москве.
Сроки доставки
Срок зависит от региона и выбранной транспортной компании. Все заказы комплектуются и отправляются в кратчайшие сроки со склада в Москве.
Надёжность и сохранность
Вся продукция упаковывается с учётом требований транспортировки. Мы гарантируем, что подшипники и комплектующие прибудут к заказчику в полной сохранности.
Доставка в страны ЕАЭС
Мы работаем с проверенными логистическими партнёрами, что позволяет оперативно доставлять заказы в Беларусь, Казахстан, Армению и другие страны ЕАЭС.
Варианты оплаты:
Минимальная сумма заказа и скидки:
Документы и гарантии:
Да, конечно! Наши технические специалисты готовы помочь вам с подбором точного аналога или замены подшипника. Просто позвоните нам по телефону +7 (495) 104-99-04 или напишите на почту zakaz@podsnab.ru.
Для оперативной консультации подготовьте, пожалуйста, имеющиеся данные: маркировку, размеры, тип оборудования или артикул старого подшипника.
Да, конечно! Мы высоко ценим долгосрочное сотрудничество и доверие клиентов по всей России. Для постоянных клиентов действует персональная система скидок.
Условия формируются индивидуально и зависят от:
Чтобы узнать свои условия и получить максимально выгодное предложение, свяжитесь с персональным менеджером или напишите нам на почту zakaz@podsnab.ru.
Вы можете оформить заказ несколькими способами:
Для оформления заказа от юридического лица свяжитесь с нашим отделом по работе с корпоративными клиентами по телефону +7 (495) 104-99-04 или напишите на email zakaz@podsnab.ru, прикрепив реквизиты вашей организации.
Мы оперативно подготовим коммерческое предложение и выставим счет.
Возврат товара надлежащего качества возможен в течение 10 дней с момента получения, если товар не был в употреблении, сохранен товарный вид, упаковка не вскрывалась и присутствуют все сопроводительные документы.
Возврат денежных средств осуществляется в течение 10 рабочих дней после проверки товара складом.
В соответствии с законодательством возврату не подлежат подшипники надлежащего качества, если отсутствует оригинальная упаковка или имеются следы монтажа.
В случае выявления брака или гарантийного случая мы гарантируем возврат или обмен товара.
Да, гарантийный срок хранения устанавливается заводом-изготовителем и в среднем составляет 2 года при соблюдении условий хранения: сухое помещение, оригинальная упаковка и смазка.
Точный срок для конкретного типа подшипника уточняйте у наших менеджеров.
Пн–Пт: с 8:00 до 17:00 (МСК).
Сб–Вс: выходные дни.
Заказы на сайте принимаются круглосуточно. Заявки, поступившие после окончания рабочего дня, обрабатываются на следующий рабочий день.
Минимальная сумма заказа для доставки составляет 3000 рублей. Самовывоз со склада возможен на любую сумму при наличии товара.
ООО «УралТехГрупп»
ИНН: 7415093830
КПП: 772401001
ОГРН: 1167456069021
Банк: ПАО Сбербанк
Р/с: 40702810838000475273
К/с: 30101810400000000225
БИК: 044525225
У подшипника 32207-XL пока нет отзывов. Вы можете стать первым покупателем, поделившимся своим мнением.