Поиск подшипника
Статьи
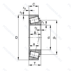
32210-XL — Однорядный конический роликовый подшипник, модификация основного исполнения 32210, производство FAG.
Размер подшипника: 50x90x24 мм.
Серия x live.
Аналоги: 32210-AA FAG,32210 SKF,32210 Timken,32210J2/Q SKF,32210M Timken,VKHB2671MY SKF,32210 RIV,32210 NTN,32210U NTN,32210C Steyr,32210 China,32210 Neutral.
Международная стандартизации ISO
32210XL
В наличии
| Обозначение | Конструктивные изменения |
|---|---|
| 32210J2 | Штампованный стальной сепаратор. центрируемый по роликам. Число после J указывает на различные конструктивные исполнения сепаратора. |
| 32210-A>A | Модификация внутренней конструкции. |
| 32210B | Конический роликовый подшипник. Угол контакта 20 градусов. |
| 32210A | Соответствует стандартам ISO с улучшенными характеристиками. |
| 32210 | Однорядный конический роликовый подшипник. Основное конструктивное исполнение. |
| 32210J | Дорожки качения наружного кольца. угол контакта и ширина наружного кольца в соответствии с ISO. |
| 32210JR | TAPERED ROLLER BEARING CONFORMING TO ISO R355 (SUB-UNIT. METRIC SERIES). EXAMPLE/ 30206JR. |
| 32210M | (Конус/внутренняя поверхность и чашка/внешняя поверхность) Компоненты со сквозной закалкой. Номера деталей DIN 720. Номера деталей IsoClass. |
| 32210A P5 | Двухрядный радиально-упорный шарикоподшипник без отверстия для смазки. Размерная и рабочая точность соответствует классу допуска ISO 5. |
| 32210/Q | Подшипники класса TQ-Line. имеющих суффикс Q в обозначении. являются основой для производства подшипников SKF. |
| 32210-90KA1 | Assembly Code. |
| 32210M-90KM1 | Подшипник с латунным сепаратором. центрированный по телам качения. |
| 32210J2/Q | Оптимизированная геометрия и специальная обработка контактных поверхностей. Штампованный стальной сепаратор. центрируемый по роликам. Число после J указывает на различные конструктивные исполнения сепаратора. |
| 32210/45BJ2/QCL7CVB017 | Больший угол контакта по сравнению со стандартной конструкцией. Оптимизированная геометрия и специальная обработка контактных поверхностей. Высокоэффективная конструкция. Штампованный стальной сепаратор. центрируемый по роликам. Число после J указывает на различные конструктивные исполнения сепаратора. |
| 32210DY | Конические роликоподшипники. произведенные в Корее и продаваемые под торговой маркой FAG. могут быть идентифицированы по суффиксу -DY/-DZ. |
| 32210C | Изменения во внутренней конструкции. |
| 32210CY | KOYO Bearings In FAG Packaging. FAG Bearing On Display. Greater Rounding-Rays For The Angles Than Normal. |
| 32210U | Конические роликоподшипники с возможностью взаимозаменять друг друга. |
| 32210-H | Произведен в Китае. |
| 32210UP5 | Размерная и рабочая точность соответствует классу допуска ISO 5. Конические роликоподшипники с возможностью взаимозаменять друг друга. |
| 32210JR P6 | Размерные и геометрические допуски соответствуют классу точности P6. TAPERED ROLLER BEARING CONFORMING TO ISO R355 (SUB-UNIT. METRIC SERIES). EXAMPLE/ 30206JR. |
| 32210/45 BJ2/QVB022 | 2.13/16. |
| 32210F | Сепаратор из обработанной стали или специального чугуна. |
| 32210/45 | 2.13/16. |
| 32210CR | (TB-Segment) Phenolic (Composition) Fafnir Standard. |
Модификации конического роликового подшипника 32210-XL — это измененное основное конструктивное исполнение 32210, основные размеры (50x90x24) не отличаются.
| Обозначение | Гост | Конструктивные особенности |
|---|---|---|
| 639097 | ISO | Однорядный конический роликовый подшипник. |
| 365/362X | ISO | (Конус/внутренняя дорожка и чашка/наружная дорожка) Суффикс имеет два значения 1) Подшипник со специальными характеристиками (невзаимозаменяемый с подшипниками. имеющими тот же номер базовой детали). 2) Подшипник ISO с теми же граничными размерами. что и у базовой детали. но с другой внутренней геометрией. Увеличение номинальных характеристик. |
| 365S/362X | ISO | Запечатанная версия кулачкового ролика. (Конус/внутренняя дорожка и чашка/наружная дорожка) Суффикс имеет два значения 1) Подшипник со специальными характеристиками (невзаимозаменяемый с подшипниками. имеющими тот же номер базовой детали). 2) Подшипник ISO с теми же граничными размерами. что и у базовой детали. но с другой внутренней геометрией. Увеличение номинальных характеристик. |
| 366/362X | ISO | (Конус/внутренняя дорожка и чашка/наружная дорожка) Суффикс имеет два значения 1) Подшипник со специальными характеристиками (невзаимозаменяемый с подшипниками. имеющими тот же номер базовой детали). 2) Подшипник ISO с теми же граничными размерами. что и у базовой детали. но с другой внутренней геометрией. Увеличение номинальных характеристик. |
| 368/362X | ISO | Однорядный конический роликовый подшипник. |
| 28580/28520 | ISO | Однорядный конический роликовый подшипник. |
| 28579/28520 | ISO | Однорядный конический роликовый подшипник. |
| HR32210J | ISO | Дорожки качения наружного кольца. угол контакта и ширина наружного кольца в соответствии с ISO. Для конических роликоподшипников и радиальных шарикоподшипников. |
| 368A/362X | ISO | Двухрядный радиально-упорный шарикоподшипник без отверстия для смазки. |
| 368A/362X/Q | ISO | Измененная или модифицированная внутренняя конструкция при неизменных основных размерах. Оптимизированная геометрия и специальная обработка контактных поверхностей. Присоединительные размеры не соответствуют серии размеров ISO. |
| HR32210CJ | ISO | Стальной сепаратор из двух частей оконного типа. Для конических роликоподшипников и радиальных шарикоподшипников. |
| 542993 | ISO | Однорядный конический роликовый подшипник. |
| VKHB2671MY | ISO | Механически обработанный латунный сепаратор. |
| 4T-32210 | ISO | Цементованная сталь. |
| R50-22UC | ISO | Наружное кольцо подшипника с роликами и сепаратором. |
| E32210J | ISO | Взаимозаменяемые кольца конического роликоподшипника. |
| 365/362PREC.0 | ISO | (Конус/внутреннее кольцо и чашка/внешнее кольцо) Класс точности 0. |
| 365/362BPREC.0 | ISO | Фланец на наружном диаметре передней поверхности. Класс точности 0. |
Аналог конического роликового подшипника 32210-XL — это подшипник такого же размера dx50,Dx90,Bx24, типа и конструкции.
| Обозначение | Конструктивные особенности | Внутренний (d) | Наружный (D) | Ширина (B) |
|---|---|---|---|---|
| 76-180510 С9Ш2У | Шариковый радиальный однорядный подшипник. Дополнительные технические требования. Нормы шумности. Смазка ЛЗ-31. | 50.00 | 90.00 | 23.00 |
| CUC210 | Шариковый радиальный однорядный подшипник. Радиальный внутренний зазор С2. | 50.00 | 90.00 | 23.00 |
| CUC210-31 | Шариковый радиальный однорядный подшипник. 1.15/16. | 49.21 | 90.00 | 23.00 |
| 160510-А | Шариковый радиальный однорядный подшипник. Повышенная грузоподъемность. | 50.00 | 90.00 | 23.00 |
| 160510-АК | Шариковый радиальный однорядный подшипник. Повышенная грузоподъемность. | 50.00 | 90.00 | 23.00 |
| 2210-K-2RS+H310 | Шариковый сферический двухрядный подшипник. Коническое внутреннее отверстие. Контактные уплотнения типа RS с обеих сторон игольчатого роликоподшипника. | 50.00 | 90.00 | 23.00 |
| 2210 TN9 | Шариковый сферический двухрядный подшипник. Литой защелкивающийся сепаратор из полиамида. армированного стекловолокном 6.6. | 50.00 | 90.00 | 23.00 |
| 2210S | Шариковый сферический двухрядный подшипник. Запечатанная версия кулачкового ролика. Только для внутреннего и наружного колец. | 50.00 | 90.00 | 23.00 |
| S2210-2RS | Шариковый сферический двухрядный подшипник. Резиновые уплотнения с каждой стороны подшипника. | 50.00 | 90.00 | 23.00 |
| NU 2210 ECPH | Роликовый радиальный однорядный подшипник. Однорядный цилиндрический роликовый подшипник. | 50.00 | 90.00 | 23.00 |
| 480210-С-17 | Шариковый радиальный однорядный подшипник. Смазка Литол-24. | 50.00 | 90.00 | 24.00 |
| 4У-7510 А2Ш | Роликовый радиальный-упорный однорядный подшипник. Повышенная грузоподъемность. Нормы шумности. | 50.00 | 90.00 | 24.75 |
| 5-67510 А | Роликовый радиальный-упорный однорядный подшипник. Повышенная грузоподъемность. | 50.00 | 90.00 | 24.75 |
| 5-7510 А | Роликовый радиальный-упорный однорядный подшипник. Повышенная грузоподъемность. | 50.00 | 90.00 | 24.75 |
| 53510-Н | Роликовый радиальный двухрядный подшипник. Детали из теплостойкой стали. | 50.00 | 90.00 | 23.00 |
Способы доставки
Отправка через ведущие транспортные и курьерские компании: ПЭК, Деловые Линии, СДЭК, Байкал-Сервис, Энергия, КИТ, ЖелДорЭкспедиция.
Самовывоз возможен напрямую со склада в Москве.
Сроки доставки
Срок зависит от региона и выбранной транспортной компании. Все заказы комплектуются и отправляются в кратчайшие сроки со склада в Москве.
Надёжность и сохранность
Вся продукция упаковывается с учётом требований транспортировки. Мы гарантируем, что подшипники и комплектующие прибудут к заказчику в полной сохранности.
Доставка в страны ЕАЭС
Мы работаем с проверенными логистическими партнёрами, что позволяет оперативно доставлять заказы в Беларусь, Казахстан, Армению и другие страны ЕАЭС.
Варианты оплаты:
Минимальная сумма заказа и скидки:
Документы и гарантии:
Да, конечно! Наши технические специалисты готовы помочь вам с подбором точного аналога или замены подшипника. Просто позвоните нам по телефону +7 (495) 104-99-04 или напишите на почту zakaz@podsnab.ru.
Для оперативной консультации подготовьте, пожалуйста, имеющиеся данные: маркировку, размеры, тип оборудования или артикул старого подшипника.
Да, конечно! Мы высоко ценим долгосрочное сотрудничество и доверие клиентов по всей России. Для постоянных клиентов действует персональная система скидок.
Условия формируются индивидуально и зависят от:
Чтобы узнать свои условия и получить максимально выгодное предложение, свяжитесь с персональным менеджером или напишите нам на почту zakaz@podsnab.ru.
Вы можете оформить заказ несколькими способами:
Для оформления заказа от юридического лица свяжитесь с нашим отделом по работе с корпоративными клиентами по телефону +7 (495) 104-99-04 или напишите на email zakaz@podsnab.ru, прикрепив реквизиты вашей организации.
Мы оперативно подготовим коммерческое предложение и выставим счет.
Возврат товара надлежащего качества возможен в течение 10 дней с момента получения, если товар не был в употреблении, сохранен товарный вид, упаковка не вскрывалась и присутствуют все сопроводительные документы.
Возврат денежных средств осуществляется в течение 10 рабочих дней после проверки товара складом.
В соответствии с законодательством возврату не подлежат подшипники надлежащего качества, если отсутствует оригинальная упаковка или имеются следы монтажа.
В случае выявления брака или гарантийного случая мы гарантируем возврат или обмен товара.
Да, гарантийный срок хранения устанавливается заводом-изготовителем и в среднем составляет 2 года при соблюдении условий хранения: сухое помещение, оригинальная упаковка и смазка.
Точный срок для конкретного типа подшипника уточняйте у наших менеджеров.
Пн–Пт: с 8:00 до 17:00 (МСК).
Сб–Вс: выходные дни.
Заказы на сайте принимаются круглосуточно. Заявки, поступившие после окончания рабочего дня, обрабатываются на следующий рабочий день.
Минимальная сумма заказа для доставки составляет 3000 рублей. Самовывоз со склада возможен на любую сумму при наличии товара.
ООО «УралТехГрупп»
ИНН: 7415093830
КПП: 772401001
ОГРН: 1167456069021
Банк: ПАО Сбербанк
Р/с: 40702810838000475273
К/с: 30101810400000000225
БИК: 044525225
У подшипника 32210-XL пока нет отзывов. Вы можете стать первым покупателем, поделившимся своим мнением.