Поиск подшипника
Статьи
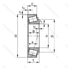
32211-XL — Однорядный конический роликовый подшипник, модификация основного исполнения 32211, производство FAG.
Размер подшипника: 55x100x26 мм.
Серия x live.
Аналоги: 32211-A FAG,32211J2 SKF,32211J2/Q SKF,32211-90KA1 Timken,VKHB2672MY SKF,32211JR Koyo,32211 NTN,32211C Steyr,32211J KBC.
Международная стандартизации ISO
32211XL
В наличии
| Обозначение | Конструктивные изменения |
|---|---|
| 32211J2/DF | Штампованный стальной сепаратор. центрируемый по роликам. Число после J указывает на различные конструктивные исполнения сепаратора. Комплект из двух подшипников. согласованных для установки по Х-образной схеме. Число. следующее непосредственно после букв DF. обозначает конструкцию промежуточного кольца. |
| 32211JR | TAPERED ROLLER BEARING CONFORMING TO ISO R355 (SUB-UNIT. METRIC SERIES). EXAMPLE/ 30206JR. |
| 32211V C12 | Повышенная грузоподъемность. Конический роликовый подшипник. Модификация внутренней конструкции. |
| 32211J1 | Прессованный стальной сепаратор. |
| 32211B | Конический роликовый подшипник. Угол контакта 20 градусов. |
| 32211-90KA1 | Assembly Code. |
| 32211M-90KM1 | Подшипник с латунным сепаратором. центрированный по телам качения. |
| 32211M-90KM2 | Подшипник с латунным сепаратором. центрированный по телам качения. |
| 32211M-90NM3 | Подшипник с латунным сепаратором. центрированный по телам качения. |
| 32211J2/QDF | Оптимизированная геометрия и специальная обработка контактных поверхностей. Штампованный стальной сепаратор. центрируемый по роликам. Число после J указывает на различные конструктивные исполнения сепаратора. Комплект из двух подшипников. согласованных для установки по Х-образной схеме. Число. следующее непосредственно после букв DF. обозначает конструкцию промежуточного кольца. |
| 32211J2 | Штампованный стальной сепаратор. центрируемый по роликам. Число после J указывает на различные конструктивные исполнения сепаратора. |
| 32211A P6 | Двухрядный радиально-упорный шарикоподшипник без отверстия для смазки. Размерные и геометрические допуски соответствуют классу точности P6. |
| 32211J2/Q | Оптимизированная геометрия и специальная обработка контактных поверхностей. Штампованный стальной сепаратор. центрируемый по роликам. Число после J указывает на различные конструктивные исполнения сепаратора. |
| 32211M | (Конус/внутренняя поверхность и чашка/внешняя поверхность) Компоненты со сквозной закалкой. Номера деталей DIN 720. Номера деталей IsoClass. |
| 32211P6 | Размерные и геометрические допуски соответствуют классу точности P6. |
| 32211R | Соответствует стандарту AFBMA. |
| 32211DY | Конические роликоподшипники. произведенные в Корее и продаваемые под торговой маркой FAG. могут быть идентифицированы по суффиксу -DY/-DZ. |
| 32211-A-P5 | Модификация внутренней конструкции. Размерная и рабочая точность соответствует классу допуска ISO 5. |
| 32211-H | Произведен в Китае. |
| 32211UP5 | Размерная и рабочая точность соответствует классу допуска ISO 5. Конические роликоподшипники с возможностью взаимозаменять друг друга. |
| 32211-XL-P5 | Серия X Live. Размерная и рабочая точность соответствует классу допуска ISO 5. |
| 4T-32211 | Цементованная сталь. |
| 32211F | Сепаратор из обработанной стали или специального чугуна. |
| 32211JR-1 | Number Of Carriages Per Rail Track. TAPERED ROLLER BEARING CONFORMING TO ISO R355 (SUB-UNIT. METRIC SERIES). EXAMPLE/ 30206JR. |
| 32211CR | (TB-Segment) Phenolic (Composition) Fafnir Standard. |
Модификации конического роликового подшипника 32211-XL — это измененное основное конструктивное исполнение 32211, основные размеры (55x100x26) не отличаются.
| Обозначение | Гост | Конструктивные особенности |
|---|---|---|
| 110055/110100 | ISO | Однорядный конический роликовый подшипник. |
| 385/383X | ISO | (Конус/внутренняя дорожка и чашка/наружная дорожка) Суффикс имеет два значения 1) Подшипник со специальными характеристиками (невзаимозаменяемый с подшипниками. имеющими тот же номер базовой детали). 2) Подшипник ISO с теми же граничными размерами. что и у базовой детали. но с другой внутренней геометрией. Увеличение номинальных характеристик. |
| 385X/383X | ISO | (Конус/внутренняя дорожка и чашка/наружная дорожка) Суффикс имеет два значения 1) Подшипник со специальными характеристиками (невзаимозаменяемый с подшипниками. имеющими тот же номер базовой детали). 2) Подшипник ISO с теми же граничными размерами. что и у базовой детали. но с другой внутренней геометрией. Увеличение номинальных характеристик. |
| 386/383X | ISO | (Конус/внутренняя дорожка и чашка/наружная дорожка) Суффикс имеет два значения 1) Подшипник со специальными характеристиками (невзаимозаменяемый с подшипниками. имеющими тот же номер базовой детали). 2) Подшипник ISO с теми же граничными размерами. что и у базовой детали. но с другой внутренней геометрией. Увеличение номинальных характеристик. |
| 389/383X | ISO | (Конус/внутренняя дорожка и чашка/наружная дорожка) Суффикс имеет два значения 1) Подшипник со специальными характеристиками (невзаимозаменяемый с подшипниками. имеющими тот же номер базовой детали). 2) Подшипник ISO с теми же граничными размерами. что и у базовой детали. но с другой внутренней геометрией. Увеличение номинальных характеристик. |
| HR32211J | ISO | Дорожки качения наружного кольца. угол контакта и ширина наружного кольца в соответствии с ISO. Для конических роликоподшипников и радиальных шарикоподшипников. |
| 40260 | ISO | Однорядный конический роликовый подшипник. |
| 93819A | ISO | Двухрядный радиально-упорный шарикоподшипник без отверстия для смазки. |
| E32211J | ISO | Взаимозаменяемые кольца конического роликоподшипника. |
| VKHB2672MY | ISO | Механически обработанный латунный сепаратор. |
Аналог конического роликового подшипника 32211-XL — это подшипник такого же размера dx55,Dx100,Bx26, типа и конструкции.
| Обозначение | Конструктивные особенности | Внутренний (d) | Наружный (D) | Ширина (B) |
|---|---|---|---|---|
| X32211M/Y32211M | Роликовый радиальный-упорный однорядный подшипник. Подшипник с латунным сепаратором. центрированный по телам качения. | 55.00 | 100.00 | 26.75 |
| 97511КМ | Роликовый радиальный-упорный двухрядный подшипник. Модифицированный контакт.. | 55.00 | 100.00 | 25.00 |
| 480211-А1С17 | Шариковый радиальный однорядный подшипник. Смазка Литол-24. Повышенная грузоподъемность. | 55.00 | 100.00 | 25.00 |
| 6-7511 А1 | Роликовый радиальный-упорный однорядный подшипник. Повышенная грузоподъемность. | 55.00 | 100.00 | 26.75 |
| 6-7511 А3 | Роликовый радиальный-упорный однорядный подшипник. Повышенная грузоподъемность. | 55.00 | 100.00 | 26.00 |
| 6-7511 М | Роликовый радиальный-упорный однорядный подшипник. Модифицированный контакт.. | 55.00 | 100.00 | 26.00 |
| 7511-А3 | Роликовый радиальный-упорный однорядный подшипник. Повышенная грузоподъемность. | 55.00 | 100.00 | 26.75 |
| 110055/110100C | Роликовый радиальный-упорный однорядный подшипник. 15° Угол контакта. | 55.00 | 100.00 | 26.75 |
| 2211-K-2RS+H311 | Шариковый сферический двухрядный подшипник. Коническое внутреннее отверстие. Контактные уплотнения типа RS с обеих сторон игольчатого роликоподшипника. | 55.00 | 100.00 | 25.00 |
| 2211-K+H311 | Шариковый сферический двухрядный подшипник. Коническое внутреннее отверстие. | 55.00 | 100.00 | 25.00 |
| NJ 2211 ECPH | Роликовый радиальный однорядный подшипник. Однорядный цилиндрический роликовый подшипник. | 55.00 | 100.00 | 25.00 |
| 5-7511 А | Роликовый радиальный-упорный однорядный подшипник. Повышенная грузоподъемность. | 55.00 | 100.00 | 26.75 |
| 5-7511 А1 | Роликовый радиальный-упорный однорядный подшипник. Повышенная грузоподъемность. | 55.00 | 100.00 | 26.75 |
| 5-7511 А3 | Роликовый радиальный-упорный однорядный подшипник. Повышенная грузоподъемность. | 55.00 | 100.00 | 26.00 |
| 5-7511 АК3 | Роликовый радиальный-упорный однорядный подшипник. Повышенная грузоподъемность. | 55.00 | 100.00 | 26.75 |
Способы доставки
Отправка через ведущие транспортные и курьерские компании: ПЭК, Деловые Линии, СДЭК, Байкал-Сервис, Энергия, КИТ, ЖелДорЭкспедиция.
Самовывоз возможен напрямую со склада в Москве.
Сроки доставки
Срок зависит от региона и выбранной транспортной компании. Все заказы комплектуются и отправляются в кратчайшие сроки со склада в Москве.
Надёжность и сохранность
Вся продукция упаковывается с учётом требований транспортировки. Мы гарантируем, что подшипники и комплектующие прибудут к заказчику в полной сохранности.
Доставка в страны ЕАЭС
Мы работаем с проверенными логистическими партнёрами, что позволяет оперативно доставлять заказы в Беларусь, Казахстан, Армению и другие страны ЕАЭС.
Варианты оплаты:
Минимальная сумма заказа и скидки:
Документы и гарантии:
Да, конечно! Наши технические специалисты готовы помочь вам с подбором точного аналога или замены подшипника. Просто позвоните нам по телефону +7 (495) 104-99-04 или напишите на почту zakaz@podsnab.ru.
Для оперативной консультации подготовьте, пожалуйста, имеющиеся данные: маркировку, размеры, тип оборудования или артикул старого подшипника.
Да, конечно! Мы высоко ценим долгосрочное сотрудничество и доверие клиентов по всей России. Для постоянных клиентов действует персональная система скидок.
Условия формируются индивидуально и зависят от:
Чтобы узнать свои условия и получить максимально выгодное предложение, свяжитесь с персональным менеджером или напишите нам на почту zakaz@podsnab.ru.
Вы можете оформить заказ несколькими способами:
Для оформления заказа от юридического лица свяжитесь с нашим отделом по работе с корпоративными клиентами по телефону +7 (495) 104-99-04 или напишите на email zakaz@podsnab.ru, прикрепив реквизиты вашей организации.
Мы оперативно подготовим коммерческое предложение и выставим счет.
Возврат товара надлежащего качества возможен в течение 10 дней с момента получения, если товар не был в употреблении, сохранен товарный вид, упаковка не вскрывалась и присутствуют все сопроводительные документы.
Возврат денежных средств осуществляется в течение 10 рабочих дней после проверки товара складом.
В соответствии с законодательством возврату не подлежат подшипники надлежащего качества, если отсутствует оригинальная упаковка или имеются следы монтажа.
В случае выявления брака или гарантийного случая мы гарантируем возврат или обмен товара.
Да, гарантийный срок хранения устанавливается заводом-изготовителем и в среднем составляет 2 года при соблюдении условий хранения: сухое помещение, оригинальная упаковка и смазка.
Точный срок для конкретного типа подшипника уточняйте у наших менеджеров.
Пн–Пт: с 8:00 до 17:00 (МСК).
Сб–Вс: выходные дни.
Заказы на сайте принимаются круглосуточно. Заявки, поступившие после окончания рабочего дня, обрабатываются на следующий рабочий день.
Минимальная сумма заказа для доставки составляет 3000 рублей. Самовывоз со склада возможен на любую сумму при наличии товара.
ООО «УралТехГрупп»
ИНН: 7415093830
КПП: 772401001
ОГРН: 1167456069021
Банк: ПАО Сбербанк
Р/с: 40702810838000475273
К/с: 30101810400000000225
БИК: 044525225
У подшипника 32211-XL пока нет отзывов. Вы можете стать первым покупателем, поделившимся своим мнением.