Поиск подшипника
Статьи
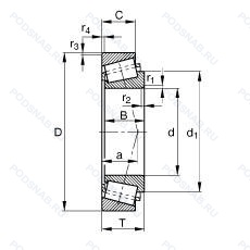
32217-XL — Однорядный конический роликовый подшипник, модификация основного исполнения 32217, производство FAG.
Размер подшипника: 85x150x38 мм.
Серия x live.
Аналоги: 32217 Timken,32217 SKF,VKHB2678MY SKF,32217 Steyr,HR32217J NSK,32217 ISB,32217 Neutral.
Международная стандартизации ISO
32217XL
В наличии
| Обозначение | Конструктивные изменения |
|---|---|
| 32217A.A220.270.N11CA | Модификация внутренней конструкции. Два Х-расположенных конических роликоподшипника. С прокладками между чашками. Осевой зазор в мкм. |
| 32217J2 | Штампованный стальной сепаратор. центрируемый по роликам. Число после J указывает на различные конструктивные исполнения сепаратора. |
| 32217J2/Q | Оптимизированная геометрия и специальная обработка контактных поверхностей. Штампованный стальной сепаратор. центрируемый по роликам. Число после J указывает на различные конструктивные исполнения сепаратора. |
| 32217J2/VB128 | Штампованный стальной сепаратор. центрируемый по роликам. Число после J указывает на различные конструктивные исполнения сепаратора. Отклонения основных размеров. |
| 32217J2/QDF | Штампованный стальной сепаратор. центрируемый по роликам. Число после J указывает на различные конструктивные исполнения сепаратора. Комплект из двух подшипников. согласованных для установки по Х-образной схеме. Число. следующее непосредственно после букв DF. обозначает конструкцию промежуточного кольца. |
| 32217U | Конические роликоподшипники с возможностью взаимозаменять друг друга. |
| 32217-XL-P5 | Серия X Live. Размерная и рабочая точность соответствует классу допуска ISO 5. |
| 32217C | Конический роликовый подшипник. Модификация внутренней конструкции. |
| 32217P5 | Размерная и рабочая точность соответствует классу допуска ISO 5. |
| 32217C12 P5 | Размерная и рабочая точность соответствует классу допуска ISO 5. Конический роликовый подшипник. Модификация внутренней конструкции. |
| 32217SP | Super Precision. |
| 32217-A-N11CA-A220-27 | Модификация внутренней конструкции. Два Х-расположенных конических роликоподшипника. С прокладками между чашками. 1.11/16. |
| 32217-XL-DF-A220-270 | Серия X-Life премиум-класс. увеличиный срок службы. Два конических роликоподшипника. расположенных по схеме X. С промежуточным кольцом между наружными кольцами. Осевой зазор в мкм. |
| 32217-A-N11CA-A220-270 | Модификация внутренней конструкции. Два Х-расположенных конических роликоподшипника. С прокладками между чашками. Осевой зазор в мкм. |
| 32217-A-N11CA | Модификация внутренней конструкции. Два Х-расположенных конических роликоподшипника. С прокладками между чашками. |
| 32217A-P5 | Модификация внутренней конструкции. Размерная и рабочая точность соответствует классу допуска ISO 5. |
| 32217X | (Конус/внутренняя дорожка и чашка/наружная дорожка) Суффикс имеет два значения 1) Подшипник со специальными характеристиками (невзаимозаменяемый с подшипниками. имеющими тот же номер базовой детали). 2) Подшипник ISO с теми же граничными размерами. что и у базовой детали. но с другой внутренней геометрией. Увеличение номинальных характеристик. |
| 32217XJ2/DF | Присоединительные размеры не соответствуют серии размеров ISO. Штампованный стальной сепаратор. центрируемый по роликам. Число после J указывает на различные конструктивные исполнения сепаратора. Комплект из двух подшипников. согласованных для установки по Х-образной схеме. Число. следующее непосредственно после букв DF. обозначает конструкцию промежуточного кольца. |
| 32217JR | TAPERED ROLLER BEARING CONFORMING TO ISO R355 (SUB-UNIT. METRIC SERIES). EXAMPLE/ 30206JR. |
| 32217-H | Произведен в Китае. |
| 32217J1 | Прессованный стальной сепаратор. |
| 32217JRP5 | Конический роликоподшипник. соответствующий стандарту ISO R355. Размерная и рабочая точность соответствует классу допуска ISO 5. Код внутренней конструкции (высокая грузоподъемность). |
| 4T-32217DF | Комплект из двух подшипников. согласованных для установки по Х-образной схеме. Число. следующее непосредственно после букв DF. обозначает конструкцию промежуточного кольца. Цементованная сталь. |
| 32217F | Сепаратор из обработанной стали или специального чугуна. |
| 32217J/DF | Дорожки качения наружного кольца. угол контакта и ширина наружного кольца в соответствии с ISO. Комплект из двух подшипников. согласованных для установки по Х-образной схеме. Число. следующее непосредственно после букв DF. обозначает конструкцию промежуточного кольца. |
Модификации конического роликового подшипника 32217-XL — это измененное основное конструктивное исполнение 32217, основные размеры (85x150x38) не отличаются.
| Обозначение | Гост | Конструктивные особенности |
|---|---|---|
| XAA32217-90KA1 | ISO | Assembly Code. |
| L32217/Q | ISO | Подшипники класса TQ-Line. имеющих суффикс Q в обозначении. являются основой для производства подшипников SKF. |
| 7517K | ISO | Коническое отверстие. Конусность 1/12. |
| Z-581085.32217-A-H67C | ISO | (Чаша/внешняя поверхность) отличается по наружному диаметру/радиусу/ширине от номера базовой детали. Испытания для французских железных дорог. |
| SET1066 | ISO | Однорядный конический роликовый подшипник. |
| SET1286-900SA | ISO | Однорядный конический роликовый подшипник. |
| XAA32217/Y32217 | ISO | Однорядный конический роликовый подшипник. |
| HR32217J | ISO | Дорожки качения наружного кольца. угол контакта и ширина наружного кольца в соответствии с ISO. Для конических роликоподшипников и радиальных шарикоподшипников. |
| 920.003 | ISO | Однорядный конический роликовый подшипник. |
| VKHB2678MY | ISO | Механически обработанный латунный сепаратор. |
| 4T-32217 | ISO | Однорядный конический роликовый подшипник. |
Аналог конического роликового подшипника 32217-XL — это подшипник такого же размера dx85,Dx150,Bx38, типа и конструкции.
| Обозначение | Конструктивные особенности | Внутренний (d) | Наружный (D) | Ширина (B) |
|---|---|---|---|---|
| 29317EX | Подшипник роликовый упорный сферический. Сферический роликоподшипник высокой грузоподъемности. | 85.00 | 150.00 | 39.00 |
| 89317-MB | Роликовый цилиндрический упорный подшипник. Solid Brass Cage. Inner Ring Guided. | 85.00 | 150.00 | 39.00 |
| 6-7517 АК | Роликовый радиальный-упорный однорядный подшипник. Повышенная грузоподъемность. | 85.00 | 150.00 | 38.50 |
| 7-7517-А | Роликовый радиальный-упорный однорядный подшипник. Повышенная грузоподъемность. | 85.00 | 150.00 | 38.50 |
| 8-7517 А | Роликовый радиальный-упорный однорядный подшипник. Повышенная грузоподъемность. | 85.00 | 150.00 | 38.50 |
| 6-7517 АШ1 | Роликовый радиальный-упорный однорядный подшипник. Повышенная грузоподъемность. Нормы шумности. | 85.00 | 150.00 | 38.50 |
| 6-7517 АШ | Роликовый радиальный-упорный однорядный подшипник. Повышенная грузоподъемность. Нормы шумности. | 85.00 | 150.00 | 38.50 |
| 3007217А | Роликовый радиальный-упорный однорядный подшипник. Повышенная грузоподъемность. | 85.00 | 150.00 | 37.00 |
| 3067217А | Роликовый радиальный-упорный однорядный подшипник. Повышенная грузоподъемность. | 85.00 | 150.00 | 37.00 |
| E32217J | Роликовый радиальный-упорный однорядный подшипник. Дорожки качения наружного кольца. угол контакта и ширина наружного кольца в соответствии с ISO. | 85.00 | 150.00 | 38.50 |
| X32217M/Y32217M | Роликовый радиальный-упорный однорядный подшипник. Подшипник с латунным сепаратором. центрированный по телам качения. | 85.00 | 150.00 | 38.50 |
| 6-9959317 ЮТ | Роликовый упорный подшипник. Температура отпуска. 160°. Все детали или часть деталей из нержавеющей стали.. | 85.00 | 150.00 | 39.00 |
| 7517-А1 | Роликовый радиальный-упорный однорядный подшипник. Повышенная грузоподъемность. | 85.00 | 150.00 | 38.50 |
| F-805576.02 | Роликовый радиальный-упорный однорядный подшипник. Design. | 85.00 | 150.00 | 38.50 |
| 5-7517 А | Роликовый радиальный-упорный однорядный подшипник. Повышенная грузоподъемность. | 85.00 | 150.00 | 38.50 |
Способы доставки
Отправка через ведущие транспортные и курьерские компании: ПЭК, Деловые Линии, СДЭК, Байкал-Сервис, Энергия, КИТ, ЖелДорЭкспедиция.
Самовывоз возможен напрямую со склада в Москве.
Сроки доставки
Срок зависит от региона и выбранной транспортной компании. Все заказы комплектуются и отправляются в кратчайшие сроки со склада в Москве.
Надёжность и сохранность
Вся продукция упаковывается с учётом требований транспортировки. Мы гарантируем, что подшипники и комплектующие прибудут к заказчику в полной сохранности.
Доставка в страны ЕАЭС
Мы работаем с проверенными логистическими партнёрами, что позволяет оперативно доставлять заказы в Беларусь, Казахстан, Армению и другие страны ЕАЭС.
Варианты оплаты:
Минимальная сумма заказа и скидки:
Документы и гарантии:
Да, конечно! Наши технические специалисты готовы помочь вам с подбором точного аналога или замены подшипника. Просто позвоните нам по телефону +7 (495) 104-99-04 или напишите на почту zakaz@podsnab.ru.
Для оперативной консультации подготовьте, пожалуйста, имеющиеся данные: маркировку, размеры, тип оборудования или артикул старого подшипника.
Да, конечно! Мы высоко ценим долгосрочное сотрудничество и доверие клиентов по всей России. Для постоянных клиентов действует персональная система скидок.
Условия формируются индивидуально и зависят от:
Чтобы узнать свои условия и получить максимально выгодное предложение, свяжитесь с персональным менеджером или напишите нам на почту zakaz@podsnab.ru.
Вы можете оформить заказ несколькими способами:
Для оформления заказа от юридического лица свяжитесь с нашим отделом по работе с корпоративными клиентами по телефону +7 (495) 104-99-04 или напишите на email zakaz@podsnab.ru, прикрепив реквизиты вашей организации.
Мы оперативно подготовим коммерческое предложение и выставим счет.
Возврат товара надлежащего качества возможен в течение 10 дней с момента получения, если товар не был в употреблении, сохранен товарный вид, упаковка не вскрывалась и присутствуют все сопроводительные документы.
Возврат денежных средств осуществляется в течение 10 рабочих дней после проверки товара складом.
В соответствии с законодательством возврату не подлежат подшипники надлежащего качества, если отсутствует оригинальная упаковка или имеются следы монтажа.
В случае выявления брака или гарантийного случая мы гарантируем возврат или обмен товара.
Да, гарантийный срок хранения устанавливается заводом-изготовителем и в среднем составляет 2 года при соблюдении условий хранения: сухое помещение, оригинальная упаковка и смазка.
Точный срок для конкретного типа подшипника уточняйте у наших менеджеров.
Пн–Пт: с 8:00 до 17:00 (МСК).
Сб–Вс: выходные дни.
Заказы на сайте принимаются круглосуточно. Заявки, поступившие после окончания рабочего дня, обрабатываются на следующий рабочий день.
Минимальная сумма заказа для доставки составляет 3000 рублей. Самовывоз со склада возможен на любую сумму при наличии товара.
ООО «УралТехГрупп»
ИНН: 7415093830
КПП: 772401001
ОГРН: 1167456069021
Банк: ПАО Сбербанк
Р/с: 40702810838000475273
К/с: 30101810400000000225
БИК: 044525225
У подшипника 32217-XL пока нет отзывов. Вы можете стать первым покупателем, поделившимся своим мнением.