Поиск подшипника
Статьи
320/22XJ — Однорядный конический роликовый подшипник, модификация основного исполнения 320/22, производство NSK.
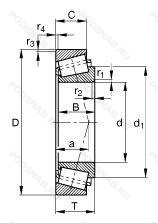
Размер подшипника: 22x44x15 мм.
Дорожки качения наружного кольца. угол контакта и ширина наружного кольца в соответствии с iso, серии размеров 20 и 29 — основные размеры соответствуют iso/r355.
Аналоги: 320/22X SKF,320/22JR Koyo,HR320/22XJ NSK,HC320/22JR Koyo,320/22X NTN,320/22XF AS - Fersa,320/22X ISB.
Международная стандартизации ISO
32022XJ
В наличии
| Обозначение | Конструктивные изменения |
|---|---|
| 320/22CX | Однорядный конический роликовый подшипник. |
| 320/22XF | Внутренняя конструкция изменена с целью получения большей грузоподъемности и продолжительности работы. Размеры границ изменены в соответствии со стандартами ISO. |
| 320/22JR | TAPERED ROLLER BEARING CONFORMING TO ISO R355 (SUB-UNIT. METRIC SERIES). EXAMPLE/ 30206JR. |
Модификации конического роликового подшипника 320/22XJ — это измененное основное конструктивное исполнение 320/22, основные размеры (22x44x15) не отличаются.
| Обозначение | Гост | Конструктивные особенности |
|---|---|---|
| 32022AX | ISO | Поверхность контакта скольжения сталь / сталь. |
| HR320/22XJ | ISO | Для конических роликоподшипников и радиальных шарикоподшипников. |
| HC320/22JR | ISO | Конический роликоподшипник. соответствующий стандарту ISO R355. Код внутренней конструкции (высокая грузоподъемность). |
| 4T-320/22XX2 | ISO | Размеры границ изменены в соответствии со стандартами ISO. |
| HI-CAP320/22JR | ISO | Конический роликоподшипник. соответствующий стандарту ISO R355. Код внутренней конструкции (высокая грузоподъемность). |
Аналог конического роликового подшипника 320/22XJ — это подшипник такого же размера dx22,Dx44,Bx15, типа и конструкции.
| Обозначение | Конструктивные особенности | Внутренний (d) | Наружный (D) | Ширина (B) |
|---|---|---|---|---|
| 4T-320/22X | Роликовый радиальный-упорный конический однорядный подшипник. Цементованная сталь. | 22.00 | 44.00 | 15.00 |
Способы доставки
Отправка через ведущие транспортные и курьерские компании: ПЭК, Деловые Линии, СДЭК, Байкал-Сервис, Энергия, КИТ, ЖелДорЭкспедиция.
Самовывоз возможен напрямую со склада в Москве.
Сроки доставки
Срок зависит от региона и выбранной транспортной компании. Все заказы комплектуются и отправляются в кратчайшие сроки со склада в Москве.
Надёжность и сохранность
Вся продукция упаковывается с учётом требований транспортировки. Мы гарантируем, что подшипники и комплектующие прибудут к заказчику в полной сохранности.
Доставка в страны ЕАЭС
Мы работаем с проверенными логистическими партнёрами, что позволяет оперативно доставлять заказы в Беларусь, Казахстан, Армению и другие страны ЕАЭС.
Варианты оплаты:
Минимальная сумма заказа и скидки:
Документы и гарантии:
Да, конечно! Наши технические специалисты готовы помочь вам с подбором точного аналога или замены подшипника. Просто позвоните нам по телефону +7 (495) 104-99-04 или напишите на почту zakaz@podsnab.ru.
Для оперативной консультации подготовьте, пожалуйста, имеющиеся данные: маркировку, размеры, тип оборудования или артикул старого подшипника.
Да, конечно! Мы высоко ценим долгосрочное сотрудничество и доверие клиентов по всей России. Для постоянных клиентов действует персональная система скидок.
Условия формируются индивидуально и зависят от:
Чтобы узнать свои условия и получить максимально выгодное предложение, свяжитесь с персональным менеджером или напишите нам на почту zakaz@podsnab.ru.
Вы можете оформить заказ несколькими способами:
Для оформления заказа от юридического лица свяжитесь с нашим отделом по работе с корпоративными клиентами по телефону +7 (495) 104-99-04 или напишите на email zakaz@podsnab.ru, прикрепив реквизиты вашей организации.
Мы оперативно подготовим коммерческое предложение и выставим счет.
Возврат товара надлежащего качества возможен в течение 10 дней с момента получения, если товар не был в употреблении, сохранен товарный вид, упаковка не вскрывалась и присутствуют все сопроводительные документы.
Возврат денежных средств осуществляется в течение 10 рабочих дней после проверки товара складом.
В соответствии с законодательством возврату не подлежат подшипники надлежащего качества, если отсутствует оригинальная упаковка или имеются следы монтажа.
В случае выявления брака или гарантийного случая мы гарантируем возврат или обмен товара.
Да, гарантийный срок хранения устанавливается заводом-изготовителем и в среднем составляет 2 года при соблюдении условий хранения: сухое помещение, оригинальная упаковка и смазка.
Точный срок для конкретного типа подшипника уточняйте у наших менеджеров.
Пн–Пт: с 8:00 до 17:00 (МСК).
Сб–Вс: выходные дни.
Заказы на сайте принимаются круглосуточно. Заявки, поступившие после окончания рабочего дня, обрабатываются на следующий рабочий день.
Минимальная сумма заказа для доставки составляет 3000 рублей. Самовывоз со склада возможен на любую сумму при наличии товара.
ООО «УралТехГрупп»
ИНН: 7415093830
КПП: 772401001
ОГРН: 1167456069021
Банк: ПАО Сбербанк
Р/с: 40702810838000475273
К/с: 30101810400000000225
БИК: 044525225
У подшипника 320/22XJ пока нет отзывов. Вы можете стать первым покупателем, поделившимся своим мнением.