Поиск подшипника
Статьи
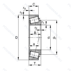
30205-XL — Однорядный конический роликовый подшипник, модификация основного исполнения 30205, производство FAG.
Размер подшипника: 25x52x16 мм.
Серия x live.
Аналоги: 30205 SKF,30205J2/Q SKF,30205JR Koyo.
Международная стандартизации ISO
30205XL
В наличии
| Обозначение | Конструктивные изменения |
|---|---|
| 30205/P6 | Dimensional And Running Accuracy To ISO Tolerance Class 6. (100% Interchangeable With Basic Designation). |
| 30205A | Соответствует стандартам ISO с улучшенными характеристиками. |
| 30205 | Однорядный конический роликовый подшипник. Основное конструктивное исполнение. |
| 30205J | Дорожки качения наружного кольца. угол контакта и ширина наружного кольца в соответствии с ISO. |
| 30205-CZ | Однорядный конический роликовый подшипник. |
| 30205P5 | Размерная и рабочая точность соответствует классу допуска ISO 5. |
| 30205-90KA1 | Assembly Code. |
| 30205M-90KM1 | Подшипник с латунным сепаратором. центрированный по телам качения. |
| 30205PREC.C | (Cone/Inner Race And Cup/Outer Race) Same As PREC.3 (Precision Class 3). |
| 30205J2 | Штампованный стальной сепаратор. центрируемый по роликам. Число после J указывает на различные конструктивные исполнения сепаратора. |
| 30205J2/Q | Оптимизированная геометрия и специальная обработка контактных поверхностей. Штампованный стальной сепаратор. центрируемый по роликам. Число после J указывает на различные конструктивные исполнения сепаратора. |
| 30205M | (Конус/внутренняя поверхность и чашка/внешняя поверхность) Компоненты со сквозной закалкой. Номера деталей DIN 720. Номера деталей IsoClass. |
| 30205JR-1RS | TAPERED ROLLER BEARING CONFORMING TO ISO R355 (SUB-UNIT. METRIC SERIES). EXAMPLE/ 30206JR. Fluorocarbon Rubber On One Side Of The Bearing. |
| 30205DY | Конические роликоподшипники. произведенные в Корее и продаваемые под торговой маркой FAG. могут быть идентифицированы по суффиксу -DY/-DZ. |
| 30205J2/QW64F | Solid Oil Filling And F (Food Compatible Grease. 62 cSt at 40°C 10.1 cSt at 100°C). Оптимизированная геометрия и специальная обработка контактных поверхностей. Штампованный стальной сепаратор. центрируемый по роликам. Число после J указывает на различные конструктивные исполнения сепаратора. |
| 30205J2/QW64 | Антифрикционный заполнитель. твердая смазка. Оптимизированная геометрия и специальная обработка контактных поверхностей. Штампованный стальной сепаратор. центрируемый по роликам. Число после J указывает на различные конструктивные исполнения сепаратора. |
| 30205JR | TAPERED ROLLER BEARING CONFORMING TO ISO R355 (SUB-UNIT. METRIC SERIES). EXAMPLE/ 30206JR. |
| 30205J2/QVB003 | Оптимизированная геометрия и специальная обработка контактных поверхностей. Штампованный стальной сепаратор. центрируемый по роликам. Число после J указывает на различные конструктивные исполнения сепаратора. Extra Polished Outside Of The Inner Ring. |
| 30205C | 15° Угол контакта. |
| 30205-A-P5 | Модификация внутренней конструкции. Размерная и рабочая точность соответствует классу допуска ISO 5. |
| 30205-H | Произведен в Китае. |
| 30205J2/VB003 | Штампованный стальной сепаратор. центрируемый по роликам. Число после J указывает на различные конструктивные исполнения сепаратора. Extra Polished Outside Of The Inner Ring. |
| 30205FR | Однорядный конический роликовый подшипник. |
| 30205F | Сепаратор из обработанной стали или специального чугуна. |
| 30205XR | Однорядный конический роликовый подшипник. |
Модификации конического роликового подшипника 30205-XL — это измененное основное конструктивное исполнение 30205, основные размеры (25x52x16) не отличаются.
| Обозначение | Гост | Конструктивные особенности |
|---|---|---|
| 07100S/07204 | ISO | Запечатанная версия кулачкового ролика. |
| XAA30205-90KA1 | ISO | Assembly Code. |
| 57098JR | ISO | TAPERED ROLLER BEARING CONFORMING TO ISO R355 (SUB-UNIT. METRIC SERIES). EXAMPLE/ 30206JR. |
| 07097/07204B | ISO | Фланец на передней поверхности наружного кольца. |
| 07100S/07205 | ISO | Запечатанная версия кулачкового ролика. |
| 07100SA/07205 | ISO | Sliding Material - Contacting Surfaces Steel - Steel. |
| 509592A | ISO | (Чаша/внешняя поверхность) отличается по наружному диаметру/радиусу/ширине от номера базовой детали. |
| Z-515571.TR1 | ISO | Однорядный конический роликоподшипник. |
| 10R.30205A | ISO | (Чаша/внешняя поверхность) отличается по наружному диаметру/радиусу/ширине от номера базовой детали. |
| 515571A | ISO | Двухрядный радиально-упорный шарикоподшипник без отверстия для смазки. |
| 07100/07204PREC.0 | ISO | (Конус/внутреннее кольцо и чашка/внешнее кольцо) Класс точности 0. |
| 42KT5 30205-ENH | ISO | Enhanced. |
| 4T-30205 | ISO | Цементованная сталь. |
| 4T-07100SA/4T-07205 | ISO | Однорядный конический роликовый подшипник. |
| HR30205J | ISO | Дорожки качения наружного кольца. угол контакта и ширина наружного кольца в соответствии с ISO. Для конических роликоподшипников и радиальных шарикоподшипников. |
| 4T-30205P5 | ISO | Размерная и рабочая точность соответствует классу допуска ISO 5. |
| 4T-30205X1 | ISO | Специальная фаска. |
| NP718852-90KA1 | ISO | Assembly Code. |
| H-E30205J | ISO | Взаимозаменяемые кольца конического роликоподшипника. |
| EC12557.S02.H206 | ISO | Кольца стабилизированы по размерам для использования при рабочих температурах до +250°C (482°F). |
| 30205 | ГОСТ | Однорядный конический роликовый подшипник. |
Аналог конического роликового подшипника 30205-XL — это подшипник такого же размера dx25,Dx52,Bx16, типа и конструкции.
| Обозначение | Конструктивные особенности | Внутренний (d) | Наружный (D) | Ширина (B) |
|---|---|---|---|---|
| 580205-А | Шариковый радиальный однорядный подшипник. Повышенная грузоподъемность. | 25.00 | 52.00 | 15.00 |
| 580205-АЕК7С17 | Шариковый радиальный однорядный подшипник. Смазка Литол-24. Сепаратор из текстолита.. Повышенная грузоподъемность. | 25.00 | 52.00 | 15.00 |
| 580205-АС17 | Шариковый радиальный однорядный подшипник. Смазка Литол-24. Повышенная грузоподъемность. | 25.00 | 52.00 | 15.00 |
| 6-137205 А | Роликовый радиальный-упорный однорядный подшипник. Повышенная грузоподъемность. | 25.00 | 52.00 | 16.25 |
| 6-137205 А1 | Роликовый радиальный-упорный однорядный подшипник. Повышенная грузоподъемность. | 25.00 | 52.00 | 16.25 |
| 6-180205 А | Шариковый радиальный однорядный подшипник. Повышенная грузоподъемность. | 25.00 | 52.00 | 15.00 |
| 6-180205 А1С9 | Шариковый радиальный однорядный подшипник. Повышенная грузоподъемность. Смазка ЛЗ-31. | 25.00 | 52.00 | 15.00 |
| 6-180205 АКС17 | Шариковый радиальный однорядный подшипник. Смазка Литол-24. Повышенная грузоподъемность. | 25.00 | 52.00 | 15.00 |
| 6-180205 АС17 | Шариковый радиальный однорядный подшипник. Смазка Литол-24. Повышенная грузоподъемность. | 25.00 | 52.00 | 15.00 |
| 6-180205 АС17Ш1 | Шариковый радиальный однорядный подшипник. Смазка Литол-24. Повышенная грузоподъемность. Нормы шумности. | 25.00 | 52.00 | 15.00 |
| 6-180205 К6С2 | Шариковый радиальный однорядный подшипник. Смазка ЦИАТИМ-221. | 25.00 | 52.00 | 15.00 |
| 6-180205 КС9 | Шариковый радиальный однорядный подшипник. «Замок» (скос) на внутреннем кольце плюс массивный сепаратор из текстолита. Смазка ЛЗ-31. | 25.00 | 52.00 | 15.00 |
| 6-180205 С17 | Шариковый радиальный однорядный подшипник. Смазка Литол-24. | 25.00 | 52.00 | 15.00 |
| 6-180205 С9 | Шариковый радиальный однорядный подшипник. Смазка ЛЗ-31. | 25.00 | 52.00 | 15.00 |
| 6-180205 Ш1 | Шариковый радиальный однорядный подшипник. Нормы шумности. | 25.00 | 52.00 | 15.00 |
Способы доставки
Отправка через ведущие транспортные и курьерские компании: ПЭК, Деловые Линии, СДЭК, Байкал-Сервис, Энергия, КИТ, ЖелДорЭкспедиция.
Самовывоз возможен напрямую со склада в Москве.
Сроки доставки
Срок зависит от региона и выбранной транспортной компании. Все заказы комплектуются и отправляются в кратчайшие сроки со склада в Москве.
Надёжность и сохранность
Вся продукция упаковывается с учётом требований транспортировки. Мы гарантируем, что подшипники и комплектующие прибудут к заказчику в полной сохранности.
Доставка в страны ЕАЭС
Мы работаем с проверенными логистическими партнёрами, что позволяет оперативно доставлять заказы в Беларусь, Казахстан, Армению и другие страны ЕАЭС.
Варианты оплаты:
Минимальная сумма заказа и скидки:
Документы и гарантии:
Да, конечно! Наши технические специалисты готовы помочь вам с подбором точного аналога или замены подшипника. Просто позвоните нам по телефону +7 (495) 104-99-04 или напишите на почту zakaz@podsnab.ru.
Для оперативной консультации подготовьте, пожалуйста, имеющиеся данные: маркировку, размеры, тип оборудования или артикул старого подшипника.
Да, конечно! Мы высоко ценим долгосрочное сотрудничество и доверие клиентов по всей России. Для постоянных клиентов действует персональная система скидок.
Условия формируются индивидуально и зависят от:
Чтобы узнать свои условия и получить максимально выгодное предложение, свяжитесь с персональным менеджером или напишите нам на почту zakaz@podsnab.ru.
Вы можете оформить заказ несколькими способами:
Для оформления заказа от юридического лица свяжитесь с нашим отделом по работе с корпоративными клиентами по телефону +7 (495) 104-99-04 или напишите на email zakaz@podsnab.ru, прикрепив реквизиты вашей организации.
Мы оперативно подготовим коммерческое предложение и выставим счет.
Возврат товара надлежащего качества возможен в течение 10 дней с момента получения, если товар не был в употреблении, сохранен товарный вид, упаковка не вскрывалась и присутствуют все сопроводительные документы.
Возврат денежных средств осуществляется в течение 10 рабочих дней после проверки товара складом.
В соответствии с законодательством возврату не подлежат подшипники надлежащего качества, если отсутствует оригинальная упаковка или имеются следы монтажа.
В случае выявления брака или гарантийного случая мы гарантируем возврат или обмен товара.
Да, гарантийный срок хранения устанавливается заводом-изготовителем и в среднем составляет 2 года при соблюдении условий хранения: сухое помещение, оригинальная упаковка и смазка.
Точный срок для конкретного типа подшипника уточняйте у наших менеджеров.
Пн–Пт: с 8:00 до 17:00 (МСК).
Сб–Вс: выходные дни.
Заказы на сайте принимаются круглосуточно. Заявки, поступившие после окончания рабочего дня, обрабатываются на следующий рабочий день.
Минимальная сумма заказа для доставки составляет 3000 рублей. Самовывоз со склада возможен на любую сумму при наличии товара.
ООО «УралТехГрупп»
ИНН: 7415093830
КПП: 772401001
ОГРН: 1167456069021
Банк: ПАО Сбербанк
Р/с: 40702810838000475273
К/с: 30101810400000000225
БИК: 044525225
У подшипника 30205-XL пока нет отзывов. Вы можете стать первым покупателем, поделившимся своим мнением.