Поиск подшипника
Статьи
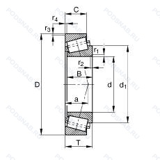
32020-X-XL — Однорядный конический роликовый подшипник, модификация основного исполнения 32020, производство FAG.
Размер подшипника: 100x150x32 мм.
Серия x-life, внешние размеры соответствуют международным стандартам.
Альтернативное обозначение: 32020-X.
Аналоги: 32020X Timken,32020A SNR,32020JR Koyo,32020 ISB,32020XA MTK,32020X KFB Clarfeld,32020X Sin Nan Hwa.
Международная стандартизации ISO
32020XXL
В наличии
| Обозначение | Конструктивные изменения |
|---|---|
| 32020X/Q | Оптимизированная геометрия и специальная обработка контактных поверхностей. Присоединительные размеры не соответствуют серии размеров ISO. |
| 32020XJ P6 | Дорожки качения наружного кольца. угол контакта и ширина наружного кольца в соответствии с ISO. Размерные и геометрические допуски соответствуют классу точности P6. Серии размеров 20 и 29 — основные размеры соответствуют ISO/R355. |
| 32020XP6XN&R | С выпуклыми асимметричными роликами и обработанным сепаратором. Размеры границ изменены в соответствии со стандартами ISO. Более высокий класс допуска для однорядных конических роликоподшипников. |
| 32020X P6 | Размерные и геометрические допуски соответствуют классу точности P6. Размеры границ изменены в соответствии со стандартами ISO. |
| 32020XF | Внутренняя конструкция изменена с целью получения большей грузоподъемности и продолжительности работы. Размеры границ изменены в соответствии со стандартами ISO. |
| 32020X.548629 | Внешние размеры соответствуют международным стандартам. |
| 32020-X-P5 | Размерная и рабочая точность соответствует классу допуска ISO 5. Внешние размеры соответствуют международным стандартам. |
| 32020-01 | Design. |
| 32020JR | TAPERED ROLLER BEARING CONFORMING TO ISO R355 (SUB-UNIT. METRIC SERIES). EXAMPLE/ 30206JR. |
| 32020-X-N11CA | Внешние размеры соответствуют международным стандартам. Два X-образных конических роликоподшипника. С прокладкам между чашками. |
| 32020X/QCLN | Оптимизированная геометрия и специальная обработка контактных поверхностей. Присоединительные размеры не соответствуют серии размеров ISO. Reduced Tolerances For Ring Widths And Total (Abutment) Width_ Corresponds To ISO Tolerance Class 6X. |
| 32020XJ2/DF | Присоединительные размеры не соответствуют серии размеров ISO. Штампованный стальной сепаратор. центрируемый по роликам. Число после J указывает на различные конструктивные исполнения сепаратора. Комплект из двух подшипников. согласованных для установки по Х-образной схеме. Число. следующее непосредственно после букв DF. обозначает конструкцию промежуточного кольца. |
| 32020J | Взаимозаменяемые кольца конического роликоподшипника. |
| 32020X/U4 | Присоединительные размеры не соответствуют серии размеров ISO. Total Width Tolerance +0.10/0mm. |
| 32020-X-H | Pressed Snap-Type Steel Cage. Hardened. External Dimensions Matched To International Standards.. H =. |
| 32020XUP5 | Размерная и рабочая точность соответствует классу допуска ISO 5. Размеры границ изменены в соответствии со стандартами ISO. Конические роликоподшипники с возможностью взаимозаменять друг друга. |
| 4T-32020X | Размеры границ изменены в соответствии со стандартами ISO. |
| 32020-X-XL-P5-DF-A200-230 | Серия X-Life премиум-класс. увеличиный срок службы. Размерная и рабочая точность соответствует классу допуска ISO 5. Внешние размеры соответствуют международным стандартам. Два конических роликоподшипника. расположенных по схеме X. С промежуточным кольцом между наружными кольцами. Осевой зазор в мкм. |
| 32020-X-P5-DF-A200-230 | Размерная и рабочая точность соответствует классу допуска ISO 5. Внешние размеры соответствуют международным стандартам. Два конических роликоподшипника. расположенных по схеме X. С промежуточным кольцом между наружными кольцами. Осевой зазор в мкм. |
| 32020-X-XL-DF-A130-17 | Серия X-Life премиум-класс. увеличиный срок службы. Внешние размеры соответствуют международным стандартам. Два конических роликоподшипника. расположенных по схеме X. С промежуточным кольцом между наружными кольцами. 1.1/16. |
| 32020-X-XL-DF-A140-20 | Серия X-Life премиум-класс. увеличиный срок службы. Внешние размеры соответствуют международным стандартам. Distance Between Beginning Of The Rail And First Hole In MM. Два конических роликоподшипника. расположенных по схеме X. С промежуточным кольцом между наружными кольцами. |
| 32020XUG1P4 | Размеры границ изменены в соответствии со стандартами ISO. Конические роликоподшипники с возможностью взаимозаменять друг друга. Класс точности Р4 по ISO (точнее. чем P5) - Abec.7. |
| 32020XU | Spherical Seat Ring Type. |
| 32020-X-N11CA-A200-230 | Измененные размеры границ. введенные пересмотренными стандартами ISO. Два Х-расположенных конических роликоподшипника. С прокладками между чашками. |
| 32020-X-DF | Измененные размеры границ. введенные пересмотренными стандартами ISO. Комплект из двух подшипников. согласованных для установки по Х-образной схеме. Число. следующее непосредственно после букв DF. обозначает конструкцию промежуточного кольца. |
Модификации конического роликового подшипника 32020-X-XL — это измененное основное конструктивное исполнение 32020, основные размеры (100x150x32) не отличаются.
| Обозначение | Гост | Конструктивные особенности |
|---|---|---|
| JLM820048/JLM820012 | ISO | Однорядный конический роликовый подшипник. |
| HR32020XJ | ISO | Дорожки качения наружного кольца. угол контакта и ширина наружного кольца в соответствии с ISO. Серии размеров 20 и 29 — основные размеры соответствуют ISO/R355. Для конических роликоподшипников и радиальных шарикоподшипников. |
| JLM820048/JLM820012PREC.B | ISO | (Cone/Inner Race And Cup/Outer Race) Same As PREC.0 (Precision Class 0). |
| HR32020XJP5 | ISO | Диаметр и угол качения наружного кольца соответствуют стандарту ISO/R355. Серии размеров 20 и 29 — основные размеры соответствуют ISO/R355. |
| 01/02/7120 | ISO | Однорядный конический роликовый подшипник. |
| 2007120 | ISO | Однорядный конический роликовый подшипник. |
Аналог конического роликового подшипника 32020-X-XL — это подшипник такого же размера dx100,Dx150,Bx32, типа и конструкции.
| Обозначение | Конструктивные особенности | Внутренний (d) | Наружный (D) | Ширина (B) |
|---|---|---|---|---|
| 3007120А | Роликовый радиальный-упорный однорядный подшипник. Повышенная грузоподъемность. | 100.00 | 150.00 | 32.50 |
| 3067120А | Роликовый радиальный-упорный однорядный подшипник. Повышенная грузоподъемность. | 100.00 | 150.00 | 32.50 |
| 4-2007120 А | Роликовый радиальный-упорный однорядный подшипник. Повышенная грузоподъемность. | 100.00 | 150.00 | 32.00 |
| 2077120-А | Роликовый радиальный-упорный однорядный подшипник. Повышенная грузоподъемность. | 100.00 | 150.00 | 32.00 |
| E32020J | Роликовый радиальный-упорный однорядный подшипник. Дорожки качения наружного кольца. угол контакта и ширина наружного кольца в соответствии с ISO. | 100.00 | 150.00 | 32.00 |
| X32020XM/Y32020XM | Роликовый радиальный-упорный однорядный подшипник. Two Bearings In X-Arrangement. Medium Preload. | 100.00 | 150.00 | 32.00 |
| X32020X/Y32020X | Роликовый радиальный-упорный однорядный подшипник. Измененные размеры границ. введенные пересмотренными стандартами ISO. | 100.00 | 150.00 | 32.00 |
| XAA32020X/Y32020X | Роликовый радиальный-упорный однорядный подшипник. Измененные размеры границ. введенные пересмотренными стандартами ISO. | 100.00 | 150.00 | 32.00 |
| JLM820048/12 | Роликовый радиальный-упорный однорядный подшипник. 3/4. | 100.00 | 150.00 | 32.00 |
| GAC100T | Шарнирный подшипник. Измененная или модифицированная внутренняя конструкция при неизменных основных размерах. Textile Laminated Phenolic Resin. Outer Ring Guided. The Cage Is Suitable For Long-Term Operation At Temperatures Up To 100°C. | 100.00 | 150.00 | 32.00 |
| GAC100N | Шарнирный подшипник. Измененная или модифицированная внутренняя конструкция при неизменных основных размерах. Канавка под стопорное кольцо на внешнем кольце. | 100.00 | 150.00 | 32.00 |
| GAC 100 SP | Шарнирный подшипник. Точность размеров примерно соответствует классу точности Р5. биения — классу точности Р4. | 100.00 | 150.00 | 32.00 |
| GAC 100 CP | Шарнирный подшипник. 10 Piece Packaging. | 100.00 | 150.00 | 32.00 |
| 6-2007120 А | Роликовый радиальный-упорный однорядный подшипник. Повышенная грузоподъемность. | 100.00 | 150.00 | 32.00 |
| 6-2007120 АХМ | Роликовый радиальный-упорный однорядный подшипник. Модифицированный контакт.. Повышенная грузоподъемность. Кольца и тела качения или только кольца (в том числе одно кольцо) из цементируемой стали.. | 100.00 | 150.00 | 32.00 |
Способы доставки
Отправка через ведущие транспортные и курьерские компании: ПЭК, Деловые Линии, СДЭК, Байкал-Сервис, Энергия, КИТ, ЖелДорЭкспедиция.
Самовывоз возможен напрямую со склада в Москве.
Сроки доставки
Срок зависит от региона и выбранной транспортной компании. Все заказы комплектуются и отправляются в кратчайшие сроки со склада в Москве.
Надёжность и сохранность
Вся продукция упаковывается с учётом требований транспортировки. Мы гарантируем, что подшипники и комплектующие прибудут к заказчику в полной сохранности.
Доставка в страны ЕАЭС
Мы работаем с проверенными логистическими партнёрами, что позволяет оперативно доставлять заказы в Беларусь, Казахстан, Армению и другие страны ЕАЭС.
Варианты оплаты:
Минимальная сумма заказа и скидки:
Документы и гарантии:
Да, конечно! Наши технические специалисты готовы помочь вам с подбором точного аналога или замены подшипника. Просто позвоните нам по телефону +7 (495) 104-99-04 или напишите на почту zakaz@podsnab.ru.
Для оперативной консультации подготовьте, пожалуйста, имеющиеся данные: маркировку, размеры, тип оборудования или артикул старого подшипника.
Да, конечно! Мы высоко ценим долгосрочное сотрудничество и доверие клиентов по всей России. Для постоянных клиентов действует персональная система скидок.
Условия формируются индивидуально и зависят от:
Чтобы узнать свои условия и получить максимально выгодное предложение, свяжитесь с персональным менеджером или напишите нам на почту zakaz@podsnab.ru.
Вы можете оформить заказ несколькими способами:
Для оформления заказа от юридического лица свяжитесь с нашим отделом по работе с корпоративными клиентами по телефону +7 (495) 104-99-04 или напишите на email zakaz@podsnab.ru, прикрепив реквизиты вашей организации.
Мы оперативно подготовим коммерческое предложение и выставим счет.
Возврат товара надлежащего качества возможен в течение 10 дней с момента получения, если товар не был в употреблении, сохранен товарный вид, упаковка не вскрывалась и присутствуют все сопроводительные документы.
Возврат денежных средств осуществляется в течение 10 рабочих дней после проверки товара складом.
В соответствии с законодательством возврату не подлежат подшипники надлежащего качества, если отсутствует оригинальная упаковка или имеются следы монтажа.
В случае выявления брака или гарантийного случая мы гарантируем возврат или обмен товара.
Да, гарантийный срок хранения устанавливается заводом-изготовителем и в среднем составляет 2 года при соблюдении условий хранения: сухое помещение, оригинальная упаковка и смазка.
Точный срок для конкретного типа подшипника уточняйте у наших менеджеров.
Пн–Пт: с 8:00 до 17:00 (МСК).
Сб–Вс: выходные дни.
Заказы на сайте принимаются круглосуточно. Заявки, поступившие после окончания рабочего дня, обрабатываются на следующий рабочий день.
Минимальная сумма заказа для доставки составляет 3000 рублей. Самовывоз со склада возможен на любую сумму при наличии товара.
ООО «УралТехГрупп»
ИНН: 7415093830
КПП: 772401001
ОГРН: 1167456069021
Банк: ПАО Сбербанк
Р/с: 40702810838000475273
К/с: 30101810400000000225
БИК: 044525225
У подшипника 32020-X-XL пока нет отзывов. Вы можете стать первым покупателем, поделившимся своим мнением.