Поиск подшипника
Статьи
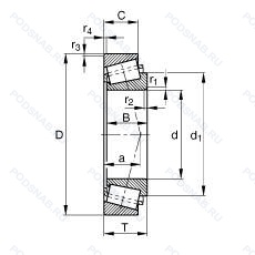
32011-X-XL — Однорядный конический роликовый подшипник, модификация основного исполнения 32011, производство FAG.
Размер подшипника: 55x90x23 мм.
Серия x-life, внешние размеры соответствуют международным стандартам.
Альтернативное обозначение: 32011-X.
Аналоги: 32011XF AS - Fersa,32011X FLT,32011 KBS.
Международная стандартизации ISO
32011XXL
В наличии
| Обозначение | Конструктивные изменения |
|---|---|
| 32011X-90KA7 | Измененные размеры границ. введенные пересмотренными стандартами ISO. |
| 32011X-90KA9 | Измененные размеры границ. введенные пересмотренными стандартами ISO. |
| 32011X-90NA4 | Измененные размеры границ. введенные пересмотренными стандартами ISO. |
| 32011X-90NA3 | Измененные размеры границ. введенные пересмотренными стандартами ISO. |
| 32011XM-90KM1 | Two Bearings In X-Arrangement. Medium Preload. |
| 32011XM-90KM7 | Two Bearings In X-Arrangement. Medium Preload. |
| 32011X-90NA5 | Измененные размеры границ. введенные пересмотренными стандартами ISO. |
| 32011XM-90NM1 | Two Bearings In X-Arrangement. Medium Preload. |
| 32011-X-XL-P5 | Серия X-Life премиум-класс. увеличиный срок службы. Размерная и рабочая точность соответствует классу допуска ISO 5. Внешние размеры соответствуют международным стандартам. |
| 32011-X-N11CA-A160-200 | Внешние размеры соответствуют международным стандартам. Два X-образных конических роликоподшипника. С прокладкам между чашками. Осевой зазор в мкм. |
| 32011X.P5 | Размерная и рабочая точность соответствует классу допуска ISO 5. Внешние размеры соответствуют международным стандартам. |
| 32011-XDY | Внешние размеры соответствуют международным стандартам. Конические роликоподшипники. произведенные в Корее и продаваемые под торговой маркой FAG. могут быть идентифицированы по суффиксу -DY/-DZ. |
| 32011-X-N11CA-A160-20 | Внешние размеры соответствуют международным стандартам. Два X-образных конических роликоподшипника. С прокладкам между чашками. Distance Between Beginning Of The Rail And First Hole In MM. |
| 32011X/VB003 | Присоединительные размеры не соответствуют серии размеров ISO. Extra Polished Outside Of The Inner Ring. |
| 32011X/Q | Оптимизированная геометрия и специальная обработка контактных поверхностей. Измененные размеры границ. введенные пересмотренными стандартами ISO. |
| 32011XQ P5 | Размерная и рабочая точность соответствует классу допуска ISO 5. Оптимизированная геометрия и специальная обработка контактных поверхностей. Присоединительные размеры не соответствуют серии размеров ISO. |
| 32011X/QVK210 | Оптимизированная геометрия и специальная обработка контактных поверхностей. Присоединительные размеры не соответствуют серии размеров ISO. На подшипнике не может быть нанесен логотип клиента, может использоваться как стандарт. |
| 32011AXP6KLF-ZVL | Конический роликоподшипник с более высокой номинальной нагрузкой и более высокой предельной скоростью. Размерные и геометрические допуски соответствуют классу точности P6. Измененные размеры границ. введенные пересмотренными стандартами ISO. |
| 32011X/VBC03 | Присоединительные размеры не соответствуют серии размеров ISO. |
| 32011X-9X048 | Измененные размеры границ. введенные пересмотренными стандартами ISO. |
| 32011-X-N11CA | Внешние размеры соответствуют международным стандартам. Два X-образных конических роликоподшипника. С прокладкам между чашками. |
| 32011X/QVB206 | Оптимизированная геометрия и специальная обработка контактных поверхностей. Присоединительные размеры не соответствуют серии размеров ISO. Отклонения основных размеров. |
| 4T-32011X | Размеры границ изменены в соответствии со стандартами ISO. Цементованная сталь. |
| 32011-X-H | Pressed Snap-Type Steel Cage. Hardened. External Dimensions Matched To International Standards.. H =. |
| 32011X57.5/32011XF | Distance Between Beginning Of The Rail And First Hole In MM. Обозначает длину в миллиметрах. |
Модификации конического роликового подшипника 32011-X-XL — это измененное основное конструктивное исполнение 32011, основные размеры (55x90x23) не отличаются.
| Обозначение | Гост | Конструктивные особенности |
|---|---|---|
| SET118 | ISO | Однорядный конический роликовый подшипник. |
| JLM506849/10 | ISO | Distance Between Beginning Of The Rail And First Hole In MM. |
| JLM506849-99401 | ISO | Однорядный конический роликовый подшипник. |
| XAA32011X-90KA1 | ISO | Измененные размеры границ. введенные пересмотренными стандартами ISO. Assembly Code. |
| JLM506849/JLM506810 | ISO | Механически обработанный латунный сепаратор. |
| HR32011XJ | ISO | Для конических роликоподшипников и радиальных шарикоподшипников. |
| JLM506849/10E | ISO | Однорядный конический роликовый подшипник. |
| JLM506849/JLM506810PREC.C | ISO | (Cone/Inner Race And Cup/Outer Race) Same As PREC.3 (Precision Class 3). |
| SET42 | ISO | Однорядный конический роликовый подшипник. |
| 4T-32011XPX1 | ISO | Размеры границ изменены в соответствии со стандартами ISO. Специальный допуск. |
| 4T-32011X P5 | ISO | Размерная и рабочая точность соответствует классу допуска ISO 5. Размеры границ изменены в соответствии со стандартами ISO. |
| 441442 | ISO | Однорядный конический роликовый подшипник. |
| 01/02/7111 | ISO | Однорядный конический роликовый подшипник. |
| JXC25678CA/Y32011X | ISO | Латунный сепаратор с симметричными роликами. (Конус/внутренняя дорожка и чашка/наружная дорожка) Суффикс имеет два значения 1) Подшипник со специальными характеристиками (невзаимозаменяемый с подшипниками. имеющими тот же номер базовой детали). 2) Подшипник ISO с теми же граничными размерами. что и у базовой детали. но с другой внутренней геометрией. Увеличение номинальных характеристик. |
| BR42 | ISO | Однорядный конический роликовый подшипник. |
| JLM506849/JLM506811 | ISO | Однорядный конический роликовый подшипник. |
| SET42-900SA | ISO | Однорядный конический роликовый подшипник. |
Аналог конического роликового подшипника 32011-X-XL — это подшипник такого же размера dx55,Dx90,Bx23, типа и конструкции.
| Обозначение | Конструктивные особенности | Внутренний (d) | Наружный (D) | Ширина (B) |
|---|---|---|---|---|
| JLM506849E/JLM506810E | Роликовый радиальный-упорный однорядный подшипник. Повышенная грузоподъемность. | 55.00 | 90.00 | 23.00 |
| R55-24UQU42 | Роликовый радиальный-упорный однорядный подшипник. Наружное кольцо подшипника с роликами и сепаратором. | 55.00 | 90.00 | 24.00 |
| JLM506849A/JLM506810 | Роликовый радиальный-упорный однорядный подшипник. Двухрядный радиально-упорный шарикоподшипник без отверстия для смазки. | 55.00 | 90.00 | 23.00 |
| X32011X/Y32011X | Роликовый радиальный-упорный однорядный подшипник. Измененные размеры границ. введенные пересмотренными стандартами ISO. | 55.00 | 90.00 | 23.00 |
| X32011XM/Y32011X | Роликовый радиальный-упорный однорядный подшипник. Two Bearings In X-Arrangement. Medium Preload. | 55.00 | 90.00 | 23.00 |
| X32011XM/Y32011XM | Роликовый радиальный-упорный однорядный подшипник. Two Bearings In X-Arrangement. Medium Preload. | 55.00 | 90.00 | 23.00 |
| X32011X/Y32011XM | Роликовый радиальный-упорный однорядный подшипник. Измененные размеры границ. введенные пересмотренными стандартами ISO. | 55.00 | 90.00 | 23.00 |
| XAA32011X/Y32011X | Роликовый радиальный-упорный однорядный подшипник. Измененные размеры границ. введенные пересмотренными стандартами ISO. | 55.00 | 90.00 | 23.00 |
| XAA32011X/Y32011XM | Роликовый радиальный-упорный однорядный подшипник. Измененные размеры границ. введенные пересмотренными стандартами ISO. | 55.00 | 90.00 | 23.00 |
| 986711-С9 | Шариковый радиально-упорный подшипник. Смазка ЛЗ-31. | 55.00 | 90.00 | 23.00 |
| 986811-К2С9 | Шариковый радиально-упорный подшипник. «Замок» (скос) на внутреннем кольце плюс массивный сепаратор из текстолита. Смазка ЛЗ-31. | 55.00 | 90.00 | 22.00 |
| 986711-С17 | Шариковый радиально-упорный однорядный подшипник. Смазка Литол-24. | 55.00 | 90.00 | 23.00 |
| 178811Л2 | Шариковый упорный двухрядный подшипник. Сепаратор из латуни.. | 55.00 | 90.00 | 22.00 |
| GAC55T | Шарнирный подшипник. Измененная или модифицированная внутренняя конструкция при неизменных основных размерах. Textile Laminated Phenolic Resin. Outer Ring Guided. The Cage Is Suitable For Long-Term Operation At Temperatures Up To 100°C. | 55.00 | 90.00 | 23.00 |
| GAC55S | Шарнирный подшипник. Запечатанная версия кулачкового ролика. Измененная или модифицированная внутренняя конструкция при неизменных основных размерах. | 55.00 | 90.00 | 23.00 |
Способы доставки
Отправка через ведущие транспортные и курьерские компании: ПЭК, Деловые Линии, СДЭК, Байкал-Сервис, Энергия, КИТ, ЖелДорЭкспедиция.
Самовывоз возможен напрямую со склада в Москве.
Сроки доставки
Срок зависит от региона и выбранной транспортной компании. Все заказы комплектуются и отправляются в кратчайшие сроки со склада в Москве.
Надёжность и сохранность
Вся продукция упаковывается с учётом требований транспортировки. Мы гарантируем, что подшипники и комплектующие прибудут к заказчику в полной сохранности.
Доставка в страны ЕАЭС
Мы работаем с проверенными логистическими партнёрами, что позволяет оперативно доставлять заказы в Беларусь, Казахстан, Армению и другие страны ЕАЭС.
Варианты оплаты:
Минимальная сумма заказа и скидки:
Документы и гарантии:
Да, конечно! Наши технические специалисты готовы помочь вам с подбором точного аналога или замены подшипника. Просто позвоните нам по телефону +7 (495) 104-99-04 или напишите на почту zakaz@podsnab.ru.
Для оперативной консультации подготовьте, пожалуйста, имеющиеся данные: маркировку, размеры, тип оборудования или артикул старого подшипника.
Да, конечно! Мы высоко ценим долгосрочное сотрудничество и доверие клиентов по всей России. Для постоянных клиентов действует персональная система скидок.
Условия формируются индивидуально и зависят от:
Чтобы узнать свои условия и получить максимально выгодное предложение, свяжитесь с персональным менеджером или напишите нам на почту zakaz@podsnab.ru.
Вы можете оформить заказ несколькими способами:
Для оформления заказа от юридического лица свяжитесь с нашим отделом по работе с корпоративными клиентами по телефону +7 (495) 104-99-04 или напишите на email zakaz@podsnab.ru, прикрепив реквизиты вашей организации.
Мы оперативно подготовим коммерческое предложение и выставим счет.
Возврат товара надлежащего качества возможен в течение 10 дней с момента получения, если товар не был в употреблении, сохранен товарный вид, упаковка не вскрывалась и присутствуют все сопроводительные документы.
Возврат денежных средств осуществляется в течение 10 рабочих дней после проверки товара складом.
В соответствии с законодательством возврату не подлежат подшипники надлежащего качества, если отсутствует оригинальная упаковка или имеются следы монтажа.
В случае выявления брака или гарантийного случая мы гарантируем возврат или обмен товара.
Да, гарантийный срок хранения устанавливается заводом-изготовителем и в среднем составляет 2 года при соблюдении условий хранения: сухое помещение, оригинальная упаковка и смазка.
Точный срок для конкретного типа подшипника уточняйте у наших менеджеров.
Пн–Пт: с 8:00 до 17:00 (МСК).
Сб–Вс: выходные дни.
Заказы на сайте принимаются круглосуточно. Заявки, поступившие после окончания рабочего дня, обрабатываются на следующий рабочий день.
Минимальная сумма заказа для доставки составляет 3000 рублей. Самовывоз со склада возможен на любую сумму при наличии товара.
ООО «УралТехГрупп»
ИНН: 7415093830
КПП: 772401001
ОГРН: 1167456069021
Банк: ПАО Сбербанк
Р/с: 40702810838000475273
К/с: 30101810400000000225
БИК: 044525225
У подшипника 32011-X-XL пока нет отзывов. Вы можете стать первым покупателем, поделившимся своим мнением.