Поиск подшипника
Статьи
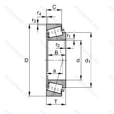
32012-X-XL — Однорядный конический роликовый подшипник, модификация основного исполнения 32012, производство FAG.
Размер подшипника: 60x95x23 мм.
Серия x-life, внешние размеры соответствуют международным стандартам.
Альтернативное обозначение: 32012-X.
Аналоги: 32012X CBF,32012CX Steyr,32012 NTN,32012XA CBF,32012X NR,32012XJ KBC.
Международная стандартизации ISO
32012XXL
В наличии
| Обозначение | Конструктивные изменения |
|---|---|
| 32012-X-CYB-W136-S24 | Внешние размеры соответствуют международным стандартам. |
| 32012-X-CYB-W136 | Внешние размеры соответствуют международным стандартам. |
| 4T-32012X | Размеры границ изменены в соответствии со стандартами ISO. Цементованная сталь. |
| 32012-X-E1 | Конструкция с увеличенной грузоподьемностью. Внешние размеры соответствуют международным стандартам. |
| 32012-X-XL-P5 | Серия X-Life премиум-класс. увеличиный срок службы. Размерная и рабочая точность соответствует классу допуска ISO 5. Внешние размеры соответствуют международным стандартам. |
| 32012X/QCL7C | Присоединительные размеры не соответствуют серии размеров ISO. Высокоэффективная конструкция. |
| 32012X/Q | Оптимизированная геометрия и специальная обработка контактных поверхностей. Присоединительные размеры не соответствуют серии размеров ISO. |
| 32012XU P5 | Размерная и рабочая точность соответствует классу допуска ISO 5. Spherical Seat Ring Type. |
| 32012VC12 | Повышенная грузоподъемность. Конический роликовый подшипник. Модификация внутренней конструкции. |
| 32012-X-E1-P5 | Размерная и рабочая точность соответствует классу допуска ISO 5. Конструкция с увеличенной грузоподьемностью. Внешние размеры соответствуют международным стандартам. |
| 32012-XDY | Внешние размеры соответствуют международным стандартам. Конические роликоподшипники. произведенные в Корее и продаваемые под торговой маркой FAG. могут быть идентифицированы по суффиксу -DY/-DZ. |
| 32012XS | (Конус/внутренняя гонка и чашка/внешняя гонка) Различные отверстия. Наружный диаметр. Ширина или радиус отличаются от номера базовой детали. |
| 32012X/QCL7CDFC250 | Оптимизированная геометрия и специальная обработка контактных поверхностей. Высокоэффективная конструкция. Присоединительные размеры не соответствуют серии размеров ISO. Комплект из двух подшипников. согласованных для установки по Х-образной схеме. Число. следующее непосредственно после букв DF. обозначает конструкцию промежуточного кольца. Осевой зазор в мкм. |
| 32012X/QCL7CW64 | Антифрикционный заполнитель. твердая смазка. Оптимизированная геометрия и специальная обработка контактных поверхностей. Высокоэффективная конструкция. Присоединительные размеры не соответствуют серии размеров ISO. |
| 32012X.P5 | Размерная и рабочая точность соответствует классу допуска ISO 5. Внешние размеры соответствуют международным стандартам. |
| 32012JR | TAPERED ROLLER BEARING CONFORMING TO ISO R355 (SUB-UNIT. METRIC SERIES). EXAMPLE/ 30206JR. |
| 32012X/P6 | Размерные и геометрические допуски соответствуют классу точности P6. Присоединительные размеры не соответствуют серии размеров ISO. |
| 32012X-92KA1 | Измененные размеры границ. введенные пересмотренными стандартами ISO. |
| 32012-X-H | Pressed Snap-Type Steel Cage. Hardened. External Dimensions Matched To International Standards.. H =. |
| 32012.C | Конический роликовый подшипник. Модификация внутренней конструкции. |
| 32012XM | Two Bearings In X-Arrangement. Medium Preload. |
| 32012X/CL7C | Высокоэффективная конструкция. Присоединительные размеры не соответствуют серии размеров ISO. |
| 32012-X-DF | Измененные размеры границ. введенные пересмотренными стандартами ISO. Комплект из двух подшипников. согласованных для установки по Х-образной схеме. Число. следующее непосредственно после букв DF. обозначает конструкцию промежуточного кольца. |
| 32012X/DFC250 | Измененные размеры границ. введенные пересмотренными стандартами ISO. |
| 32012J/1B-N | Дорожки качения наружного кольца. угол контакта и ширина наружного кольца в соответствии с ISO. Канавка под стопорное кольцо на внешнем кольце. Identification Code. |
Модификации конического роликового подшипника 32012-X-XL — это измененное основное конструктивное исполнение 32012, основные размеры (60x95x23) не отличаются.
| Обозначение | Гост | Конструктивные особенности |
|---|---|---|
| JLM508748-99401 | ISO | Однорядный конический роликовый подшипник. |
| JLM508748/JLM508710 | ISO | Механически обработанный латунный сепаратор. |
| 104060/104095 | ISO | Однорядный конический роликовый подшипник. |
| SET320 | ISO | Однорядный конический роликовый подшипник. |
| JLM508748/JLM508710PREC.B | ISO | (Cone/Inner Race And Cup/Outer Race) Same As PREC.0 (Precision Class 0). |
| STA6095 | ISO | Однорядный конический роликовый подшипник. |
| JLM508748/JLM508710PREC.3 | ISO | (Конус/внутреннее кольцо и чашка/внешнее кольцо) Класс точности 3. |
| HR32012XJ P5 | ISO | Диаметр и угол качения наружного кольца соответствуют стандарту ISO/R355. Размерная и рабочая точность соответствует классу допуска ISO 5. Серии размеров 20 и 29 — основные размеры соответствуют ISO/R355. |
| JLM508748/710-30000 | ISO | (Cone/Inner Race And Cup/Outer Race) Same As PREC.3 (Precision Class 3). |
| JLM508748/710PREC.3 | ISO | (Конус/внутреннее кольцо и чашка/внешнее кольцо) Класс точности 3. |
| JLM508748/710PREC.C | ISO | (Cone/Inner Race And Cup/Outer Race) Same As PREC.3 (Precision Class 3). |
| JLM508748/710-C0000 | ISO | Cone/Inner Race And Cup/Outer Race. |
| 01/02/7112 | ISO | Однорядный конический роликовый подшипник. |
| IR2528 | ISO | Однорядный конический роликовый подшипник. |
| JLM508748/710/Q | ISO | Подшипники класса TQ-Line. имеющих суффикс Q в обозначении. являются основой для производства подшипников SKF. |
| X32012X/Y32012X | ISO | (Конус/внутренняя дорожка и чашка/наружная дорожка) Суффикс имеет два значения 1) Подшипник со специальными характеристиками (невзаимозаменяемый с подшипниками. имеющими тот же номер базовой детали). 2) Подшипник ISO с теми же граничными размерами. что и у базовой детали. но с другой внутренней геометрией. Увеличение номинальных характеристик. |
Аналог конического роликового подшипника 32012-X-XL — это подшипник такого же размера dx60,Dx95,Bx23, типа и конструкции.
| Обозначение | Конструктивные особенности | Внутренний (d) | Наружный (D) | Ширина (B) |
|---|---|---|---|---|
| GE60SX | Сферический подшипник скольжения. Радиально-упорный сферический подшипник скольжения. требующий обслуживания по ISO 12 2402. Монтажные размеры как для конических роликоподшипников по DIN 720. 320X. Стальная скользящая контактная поверхность. Метрический радиальный сферический подшипник скольжения. | 60.00 | 95.00 | 23.00 |
| GAC60T | Сферический подшипник скольжения. Textile Laminated Phenolic Resin. Outer Ring Guided. The Cage Is Suitable For Long-Term Operation At Temperatures Up To 100°C. | 60.00 | 95.00 | 23.00 |
| 2-2007112-А | Роликовый радиальный-упорный однорядный подшипник. Повышенная грузоподъемность. | 60.00 | 95.00 | 23.00 |
| 2007112-А | Роликовый радиальный-упорный однорядный подшипник. Повышенная грузоподъемность. | 60.00 | 95.00 | 23.00 |
| 2007112A | Роликовый радиальный-упорный однорядный подшипник. Двухрядный радиально-упорный шарикоподшипник без отверстия для смазки. | 60.00 | 95.00 | 23.00 |
| E32012J | Роликовый радиальный-упорный однорядный подшипник. Дорожки качения наружного кольца. угол контакта и ширина наружного кольца в соответствии с ISO. | 60.00 | 95.00 | 23.00 |
| HR32012XJ | Роликовый радиальный-упорный однорядный подшипник. Для конических роликоподшипников и радиальных шарикоподшипников. | 60.00 | 95.00 | 23.00 |
| X32012XM/Y32012XM | Роликовый радиальный-упорный однорядный подшипник. Two Bearings In X-Arrangement. Medium Preload. | 60.00 | 95.00 | 23.00 |
| 67912-Л | Роликовый радиальный-упорный однорядный подшипник. Сепаратор из латуни.. | 60.00 | 95.00 | 22.80 |
| JLM508748/10 | Роликовый радиальный-упорный однорядный подшипник. Distance Between Beginning Of The Rail And First Hole In MM. | 60.00 | 95.00 | 24.00 |
| 104060/104095C | Роликовый радиальный-упорный однорядный подшипник. 15° Угол контакта. | 60.00 | 95.00 | 24.00 |
| 178812Л2 | Шариковый упорный двухрядный подшипник. Сепаратор из латуни.. | 60.00 | 95.00 | 22.00 |
| GAC60N | Шарнирный подшипник. Канавка под стопорное кольцо на внешнем кольце. | 60.00 | 95.00 | 23.00 |
| 5-2007112 А | Роликовый радиальный-упорный однорядный подшипник. Повышенная грузоподъемность. | 60.00 | 95.00 | 23.00 |
| 6-2007112 А | Роликовый радиальный-упорный однорядный подшипник. Повышенная грузоподъемность. | 60.00 | 95.00 | 23.00 |
Способы доставки
Отправка через ведущие транспортные и курьерские компании: ПЭК, Деловые Линии, СДЭК, Байкал-Сервис, Энергия, КИТ, ЖелДорЭкспедиция.
Самовывоз возможен напрямую со склада в Москве.
Сроки доставки
Срок зависит от региона и выбранной транспортной компании. Все заказы комплектуются и отправляются в кратчайшие сроки со склада в Москве.
Надёжность и сохранность
Вся продукция упаковывается с учётом требований транспортировки. Мы гарантируем, что подшипники и комплектующие прибудут к заказчику в полной сохранности.
Доставка в страны ЕАЭС
Мы работаем с проверенными логистическими партнёрами, что позволяет оперативно доставлять заказы в Беларусь, Казахстан, Армению и другие страны ЕАЭС.
Варианты оплаты:
Минимальная сумма заказа и скидки:
Документы и гарантии:
Да, конечно! Наши технические специалисты готовы помочь вам с подбором точного аналога или замены подшипника. Просто позвоните нам по телефону +7 (495) 104-99-04 или напишите на почту zakaz@podsnab.ru.
Для оперативной консультации подготовьте, пожалуйста, имеющиеся данные: маркировку, размеры, тип оборудования или артикул старого подшипника.
Да, конечно! Мы высоко ценим долгосрочное сотрудничество и доверие клиентов по всей России. Для постоянных клиентов действует персональная система скидок.
Условия формируются индивидуально и зависят от:
Чтобы узнать свои условия и получить максимально выгодное предложение, свяжитесь с персональным менеджером или напишите нам на почту zakaz@podsnab.ru.
Вы можете оформить заказ несколькими способами:
Для оформления заказа от юридического лица свяжитесь с нашим отделом по работе с корпоративными клиентами по телефону +7 (495) 104-99-04 или напишите на email zakaz@podsnab.ru, прикрепив реквизиты вашей организации.
Мы оперативно подготовим коммерческое предложение и выставим счет.
Возврат товара надлежащего качества возможен в течение 10 дней с момента получения, если товар не был в употреблении, сохранен товарный вид, упаковка не вскрывалась и присутствуют все сопроводительные документы.
Возврат денежных средств осуществляется в течение 10 рабочих дней после проверки товара складом.
В соответствии с законодательством возврату не подлежат подшипники надлежащего качества, если отсутствует оригинальная упаковка или имеются следы монтажа.
В случае выявления брака или гарантийного случая мы гарантируем возврат или обмен товара.
Да, гарантийный срок хранения устанавливается заводом-изготовителем и в среднем составляет 2 года при соблюдении условий хранения: сухое помещение, оригинальная упаковка и смазка.
Точный срок для конкретного типа подшипника уточняйте у наших менеджеров.
Пн–Пт: с 8:00 до 17:00 (МСК).
Сб–Вс: выходные дни.
Заказы на сайте принимаются круглосуточно. Заявки, поступившие после окончания рабочего дня, обрабатываются на следующий рабочий день.
Минимальная сумма заказа для доставки составляет 3000 рублей. Самовывоз со склада возможен на любую сумму при наличии товара.
ООО «УралТехГрупп»
ИНН: 7415093830
КПП: 772401001
ОГРН: 1167456069021
Банк: ПАО Сбербанк
Р/с: 40702810838000475273
К/с: 30101810400000000225
БИК: 044525225
У подшипника 32012-X-XL пока нет отзывов. Вы можете стать первым покупателем, поделившимся своим мнением.