Поиск подшипника
Статьи
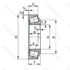
32015-X-XL — Однорядный конический роликовый подшипник, модификация основного исполнения 32015, производство FAG.
Размер подшипника: 75x115x25 мм.
Серия x-life, внешние размеры соответствуют международным стандартам.
Альтернативное обозначение: 32015-X.
Аналоги: 32015X FAG,32015 ISB.
Международная стандартизации ISO
32015XXL
В наличии
| Обозначение | Конструктивные изменения |
|---|---|
| 32015C | Конический роликовый подшипник. Модификация внутренней конструкции. |
| 32015A | Двухрядный радиально-упорный шарикоподшипник без отверстия для смазки. |
| 32015XA | (Cone/Inner Race And Cup/Outer Race) Special Feature Bearing (Non-Interchangeable With Bearings Having The Same Basic Part Number). |
| 32015X-90CB1 | Измененные размеры границ. введенные пересмотренными стандартами ISO. |
| 32015X-90KA1 | Измененные размеры границ. введенные пересмотренными стандартами ISO. Assembly Code. |
| 32015X-90CA1 | Измененные размеры границ. введенные пересмотренными стандартами ISO. |
| 32015X-90NA4 | Измененные размеры границ. введенные пересмотренными стандартами ISO. |
| 32015X-90KA9 | Измененные размеры границ. введенные пересмотренными стандартами ISO. |
| 32015X-9X025 | Измененные размеры границ. введенные пересмотренными стандартами ISO. |
| 32015XM-90KM1 | Two Bearings In X-Arrangement. Medium Preload. |
| 32015XUM-90KM3 | Assembly-code. |
| 32015XJ | Дорожки качения наружного кольца. угол контакта и ширина наружного кольца в соответствии с ISO. Серии размеров 20 и 29 — основные размеры соответствуют ISO/R355. |
| 32015X.A100.130.N11CA | Внешние размеры соответствуют международным стандартам. Два X-образных конических роликоподшипника. С прокладкам между чашками. Осевой зазор в мкм. |
| 32015JR | TAPERED ROLLER BEARING CONFORMING TO ISO R355 (SUB-UNIT. METRIC SERIES). EXAMPLE/ 30206JR. |
| 32015B | Конический роликовый подшипник. Угол контакта 20 градусов. |
| 32015X/QP6 | Оптимизированная геометрия и специальная обработка контактных поверхностей. Размерные и геометрические допуски соответствуют классу точности P6. Присоединительные размеры не соответствуют серии размеров ISO. |
| 32015A P6/T | Увеличенная грузоподъемность. Специальная внутренний дизайн. Textile Laminated Phenolic Resin. Outer Ring Guided. The Cage Is Suitable For Long-Term Operation At Temperatures Up To 100°C. Размерные и геометрические допуски соответствуют классу точности P6. |
| 32015X/QP5VQ615 | Размерная и рабочая точность соответствует классу допуска ISO 5. Оптимизированная геометрия и специальная обработка контактных поверхностей. Присоединительные размеры не соответствуют серии размеров ISO. |
| 32015-X-XL-P5 | Серия X-Life премиум-класс. увеличиный срок службы. Размерная и рабочая точность соответствует классу допуска ISO 5. Внешние размеры соответствуют международным стандартам. |
| 32015-X-P5 | Размерная и рабочая точность соответствует классу допуска ISO 5. Внешние размеры соответствуют международным стандартам. |
| 32015-X-H | Pressed Snap-Type Steel Cage. Hardened. External Dimensions Matched To International Standards.. H =. |
| 32015XUP5 | Размерная и рабочая точность соответствует классу допуска ISO 5. Размеры границ изменены в соответствии со стандартами ISO. Конические роликоподшипники с возможностью взаимозаменять друг друга. |
| 4T-32015X | Размеры границ изменены в соответствии со стандартами ISO. |
| 32015P5 | Размерная и рабочая точность соответствует классу допуска ISO 5. |
| 32015-X-N11CA-A150-200 | Внешние размеры соответствуют международным стандартам. Два X-образных конических роликоподшипника. С прокладкам между чашками. Осевой зазор в мкм. |
Модификации конического роликового подшипника 32015-X-XL — это измененное основное конструктивное исполнение 32015, основные размеры (75x115x25) не отличаются.
| Обозначение | Гост | Конструктивные особенности |
|---|---|---|
| JLM714149-99401 | ISO | Однорядный конический роликовый подшипник. |
| JLM714149/JLM714110 | ISO | Механически обработанный латунный сепаратор. |
| JXC25716C/JXC25716D | ISO | 15° Угол контакта. (Cone/Inner Race And Cup/Outer Race) Metric Series - Tapered Roller Bearing. Steep Угол контакта (24 Degrees To 32 Degrees). |
| SET1045 | ISO | Однорядный конический роликовый подшипник. |
| 2007115 | ISO | Однорядный конический роликовый подшипник. |
| SET324 | ISO | Однорядный конический роликовый подшипник. |
| KJLM714149-JLM714110 | ISO | Однорядный конический роликовый подшипник. |
| JLM714149E/10E | ISO | Повышенная грузоподъемность. |
Аналог конического роликового подшипника 32015-X-XL — это подшипник такого же размера dx75,Dx115,Bx25, типа и конструкции.
| Обозначение | Конструктивные особенности | Внутренний (d) | Наружный (D) | Ширина (B) |
|---|---|---|---|---|
| 71419/714110 | Роликовый радиальный-упорный конический однорядный подшипник. | 75.00 | 115.00 | 25.40 |
| 2007115-А | Роликовый радиальный-упорный однорядный подшипник. Повышенная грузоподъемность. | 75.00 | 115.00 | 25.20 |
| 2007115A | Роликовый радиальный-упорный однорядный подшипник. Двухрядный радиально-упорный шарикоподшипник без отверстия для смазки. | 75.00 | 115.00 | 25.00 |
| 3007115А | Роликовый радиальный-упорный однорядный подшипник. Повышенная грузоподъемность. | 75.00 | 115.00 | 25.50 |
| 3067115А | Роликовый радиальный-упорный однорядный подшипник. Повышенная грузоподъемность. | 75.00 | 115.00 | 25.50 |
| 57085 | Роликовый радиальный-упорный однорядный подшипник. | 75.00 | 115.00 | 25.00 |
| E32015J | Роликовый радиальный-упорный однорядный подшипник. Дорожки качения наружного кольца. угол контакта и ширина наружного кольца в соответствии с ISO. | 75.00 | 115.00 | 25.00 |
| HR32015XJ | Роликовый радиальный-упорный однорядный подшипник. Для конических роликоподшипников и радиальных шарикоподшипников. | 75.00 | 115.00 | 25.00 |
| X32015X/Y32015X | Роликовый радиальный-упорный однорядный подшипник. Измененные размеры границ. введенные пересмотренными стандартами ISO. | 75.00 | 115.00 | 25.00 |
| X32015XM/Y32015XM | Роликовый радиальный-упорный однорядный подшипник. Two Bearings In X-Arrangement. Medium Preload. | 75.00 | 115.00 | 25.00 |
| 75BNR20HV1V | Шариковый радиально-упорный однорядный подшипник. | 75.00 | 115.00 | 24.00 |
| JLM714149/10 | Роликовый радиальный-упорный конический однорядный подшипник. Distance Between Beginning Of The Rail And First Hole In MM. | 75.00 | 115.00 | 25.00 |
| 178815Л2 | Шариковый упорный двухрядный подшипник. Сепаратор из латуни.. | 75.00 | 115.00 | 24.00 |
| GAC75S | Шарнирный подшипник. Запечатанная версия кулачкового ролика. Измененная или модифицированная внутренняя конструкция при неизменных основных размерах. | 75.00 | 115.00 | 25.00 |
| GAC75T | Шарнирный подшипник. Textile Laminated Phenolic Resin. Outer Ring Guided. The Cage Is Suitable For Long-Term Operation At Temperatures Up To 100°C. | 75.00 | 115.00 | 25.00 |
Способы доставки
Отправка через ведущие транспортные и курьерские компании: ПЭК, Деловые Линии, СДЭК, Байкал-Сервис, Энергия, КИТ, ЖелДорЭкспедиция.
Самовывоз возможен напрямую со склада в Москве.
Сроки доставки
Срок зависит от региона и выбранной транспортной компании. Все заказы комплектуются и отправляются в кратчайшие сроки со склада в Москве.
Надёжность и сохранность
Вся продукция упаковывается с учётом требований транспортировки. Мы гарантируем, что подшипники и комплектующие прибудут к заказчику в полной сохранности.
Доставка в страны ЕАЭС
Мы работаем с проверенными логистическими партнёрами, что позволяет оперативно доставлять заказы в Беларусь, Казахстан, Армению и другие страны ЕАЭС.
Варианты оплаты:
Минимальная сумма заказа и скидки:
Документы и гарантии:
Да, конечно! Наши технические специалисты готовы помочь вам с подбором точного аналога или замены подшипника. Просто позвоните нам по телефону +7 (495) 104-99-04 или напишите на почту zakaz@podsnab.ru.
Для оперативной консультации подготовьте, пожалуйста, имеющиеся данные: маркировку, размеры, тип оборудования или артикул старого подшипника.
Да, конечно! Мы высоко ценим долгосрочное сотрудничество и доверие клиентов по всей России. Для постоянных клиентов действует персональная система скидок.
Условия формируются индивидуально и зависят от:
Чтобы узнать свои условия и получить максимально выгодное предложение, свяжитесь с персональным менеджером или напишите нам на почту zakaz@podsnab.ru.
Вы можете оформить заказ несколькими способами:
Для оформления заказа от юридического лица свяжитесь с нашим отделом по работе с корпоративными клиентами по телефону +7 (495) 104-99-04 или напишите на email zakaz@podsnab.ru, прикрепив реквизиты вашей организации.
Мы оперативно подготовим коммерческое предложение и выставим счет.
Возврат товара надлежащего качества возможен в течение 10 дней с момента получения, если товар не был в употреблении, сохранен товарный вид, упаковка не вскрывалась и присутствуют все сопроводительные документы.
Возврат денежных средств осуществляется в течение 10 рабочих дней после проверки товара складом.
В соответствии с законодательством возврату не подлежат подшипники надлежащего качества, если отсутствует оригинальная упаковка или имеются следы монтажа.
В случае выявления брака или гарантийного случая мы гарантируем возврат или обмен товара.
Да, гарантийный срок хранения устанавливается заводом-изготовителем и в среднем составляет 2 года при соблюдении условий хранения: сухое помещение, оригинальная упаковка и смазка.
Точный срок для конкретного типа подшипника уточняйте у наших менеджеров.
Пн–Пт: с 8:00 до 17:00 (МСК).
Сб–Вс: выходные дни.
Заказы на сайте принимаются круглосуточно. Заявки, поступившие после окончания рабочего дня, обрабатываются на следующий рабочий день.
Минимальная сумма заказа для доставки составляет 3000 рублей. Самовывоз со склада возможен на любую сумму при наличии товара.
ООО «УралТехГрупп»
ИНН: 7415093830
КПП: 772401001
ОГРН: 1167456069021
Банк: ПАО Сбербанк
Р/с: 40702810838000475273
К/с: 30101810400000000225
БИК: 044525225
У подшипника 32015-X-XL пока нет отзывов. Вы можете стать первым покупателем, поделившимся своим мнением.