Поиск подшипника
Статьи
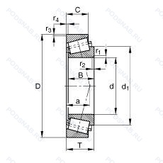
32028-X-XL — Однорядный конический роликовый подшипник, модификация основного исполнения 32028, производство FAG.
Размер подшипника: 140x210x45 мм.
Серия x-life, внешние размеры соответствуют международным стандартам.
Альтернативное обозначение: 32028-X.
Аналоги: 32028X SKF,32028XU NTN,32028X IDC/Interprecise Donath GmbH,E32028J Nachi,32028 KG,32028 X Rollway.
Международная стандартизации ISO
32028XXL
В наличии
| Обозначение | Конструктивные изменения |
|---|---|
| 32028XM-90NM6 | Two Bearings In X-Arrangement. Medium Preload. |
| 32028-X-XL-DF-A250-300 | Серия X-Life премиум-класс. увеличиный срок службы. Внешние размеры соответствуют международным стандартам. Два конических роликоподшипника. расположенных по схеме X. С промежуточным кольцом между наружными кольцами. Осевой зазор в мкм. |
| 32028-X-XL-DFA-A300-350 | Серия X-Life премиум-класс. увеличиный срок службы. Внешние размеры соответствуют международным стандартам. Two Tapered Roller Bearings Matched In An X Arrangement.With An Intermediate Ring Between The Outer Rings. Axial Internal Clearance Between .. And .. In mm. Осевой зазор в мкм. |
| 32028-X-XL-P5 | Серия X-Life премиум-класс. увеличиный срок службы. Размерная и рабочая точность соответствует классу допуска ISO 5. Внешние размеры соответствуют международным стандартам. |
| 32028-X-XL-M32IX | Серия X-Life. Внешние размеры соответствуют международным стандартам. Product With Acceptance Test Report According To EN10204-3.1B. |
| 32028J | Взаимозаменяемые кольца конического роликоподшипника. |
| 32028-X-N11CA-A250-300 | Внешние размеры соответствуют международным стандартам. Два X-образных конических роликоподшипника. С прокладкам между чашками. Осевой зазор в мкм. |
| 32028XU P6 | Размерные и геометрические допуски соответствуют классу точности P6. Spherical Seat Ring Type. |
| 32028AX | Поверхность контакта скольжения сталь / сталь. |
| 32028XU | Spherical Seat Ring Type. |
| 32028DF | Два конических роликоподшипника. расположенных по схеме X. С промежуточным кольцом между наружными кольцами. |
| 32028XUDB+15 | Размеры границ изменены в соответствии со стандартами ISO. Конические роликоподшипники с возможностью взаимозаменять друг друга. Paired Taper Set In O-Arrangement. Distance Between Beginning Of The Rail And First Hole In MM. |
| 32028-X-XL-S1 | Серия X-Life. Кольца подшипников или шайбы, стабилизированные по размерам для использования при рабочих температурах до +200°C (392°F).. Внешние размеры соответствуют международным стандартам. |
| 32028-X-DB-A200&260-T130-SQ2-77 | Внешние размеры соответствуют международным стандартам. Paired Taper Set In O-Arrangement. Axle Box Execution For Railway Rolling Stock. Защитная металлическая шайба с двух сторон подшипника. T - за которым следует цифра. обозначает общую ширину пар подшипников. расположенных «спина к спине» или «тандем». Осевой зазор в мкм. |
| 32028-X-P5 | Размерная и рабочая точность соответствует классу допуска ISO 5. Внешние размеры соответствуют международным стандартам. |
| 32028-X-N11CA | Внешние размеры соответствуют международным стандартам. Два X-образных конических роликоподшипника. С прокладкам между чашками. |
| 32028T130X/QDB | Оптимизированная геометрия и специальная обработка контактных поверхностей. Присоединительные размеры не соответствуют серии размеров ISO. Комплект из двух подшипников. согласованных для установки по О-образной схеме. Число. следующее непосредственно после букв DB обозначает конструкцию проставочных колец в комплекте. T - за которым следует цифра. обозначает общую ширину пар подшипников. расположенных «спина к спине» или «тандем». |
| 32028X/QVB003 | Оптимизированная геометрия и специальная обработка контактных поверхностей. Присоединительные размеры не соответствуют серии размеров ISO. Extra Polished Outside Of The Inner Ring. |
| 32028A | (Чаша/внешняя поверхность) отличается по наружному диаметру/радиусу/ширине от номера базовой детали. |
| 32028X-90NB3 | Измененные размеры границ. введенные пересмотренными стандартами ISO. |
| 32028-X-H | Pressed Snap-Type Steel Cage. Hardened. External Dimensions Matched To International Standards.. H =. |
| 32028-X-XL-DF-A170-200 | Серия X-Life премиум-класс. увеличиный срок службы. Внешние размеры соответствуют международным стандартам. Два конических роликоподшипника. расположенных по схеме X. С промежуточным кольцом между наружными кольцами. Осевой зазор в мкм. |
| 32028-X-DF-A170-200 | Внешние размеры соответствуют международным стандартам. Два конических роликоподшипника. расположенных по схеме X. С промежуточным кольцом между наружными кольцами. Осевой зазор в мкм. |
| 32028X-90NA1 | Измененные размеры границ. введенные пересмотренными стандартами ISO. Assembly Code. |
| 32028-X-XL-S1-M32IX | Серия X-Life. Кольца подшипников или шайбы, стабилизированные по размерам для использования при рабочих температурах до +200°C (392°F).. Внешние размеры соответствуют международным стандартам. Product With Acceptance Test Report According To EN10204-3.1B. |
Модификации конического роликового подшипника 32028-X-XL — это измененное основное конструктивное исполнение 32028, основные размеры (140x210x45) не отличаются.
| Обозначение | Гост | Конструктивные особенности |
|---|---|---|
| 320/28 | ISO | Однорядный конический роликовый подшипник. |
| HR32028XJP5 | ISO | Диаметр и угол качения наружного кольца соответствуют стандарту ISO/R355. Серии размеров 20 и 29 — основные размеры соответствуют ISO/R355. |
| E32028J | ISO | Взаимозаменяемые кольца конического роликоподшипника. |
Аналог конического роликового подшипника 32028-X-XL — это подшипник такого же размера dx140,Dx210,Bx45, типа и конструкции.
| Обозначение | Конструктивные особенности | Внутренний (d) | Наружный (D) | Ширина (B) |
|---|---|---|---|---|
| GE140SW | Сферический подшипник скольжения. Скользящая контактная поверхность из твердого хрома/Elgoglide®. Метрический радиальный сферический подшипник скольжения. | 140.00 | 210.00 | 45.00 |
| GE140SX | Сферический подшипник скольжения. Радиально-упорный сферический подшипник скольжения. требующий обслуживания по ISO 12 2402. Монтажные размеры как для конических роликоподшипников по DIN 720. 320X. Стальная скользящая контактная поверхность. Метрический радиальный сферический подшипник скольжения. | 140.00 | 210.00 | 45.00 |
| GAC140S | Сферический подшипник скольжения. Запечатанная версия кулачкового ролика. Измененная или модифицированная внутренняя конструкция при неизменных основных размерах. | 140.00 | 210.00 | 45.00 |
| 2007128-М | Роликовый радиальный-упорный однорядный подшипник. Модифицированный контакт.. | 140.00 | 210.00 | 45.00 |
| 3007128А | Роликовый радиальный-упорный однорядный подшипник. Повышенная грузоподъемность. | 140.00 | 210.00 | 44.00 |
| 3067128А | Роликовый радиальный-упорный однорядный подшипник. Повышенная грузоподъемность. | 140.00 | 210.00 | 44.00 |
| X32028X/Y32028X | Роликовый радиальный-упорный однорядный подшипник. Измененные размеры границ. введенные пересмотренными стандартами ISO. | 140.00 | 210.00 | 45.00 |
| X32028XM/Y32028XM | Роликовый радиальный-упорный однорядный подшипник. Two Bearings In X-Arrangement. Medium Preload. | 140.00 | 210.00 | 45.00 |
| XAA32028X/Y32028X | Роликовый радиальный-упорный однорядный подшипник. Измененные размеры границ. введенные пересмотренными стандартами ISO. | 140.00 | 210.00 | 45.00 |
| 67928Л1 | Роликовый радиальный-упорный однорядный подшипник. Сепаратор из латуни.. | 140.00 | 210.00 | 46.00 |
| 697928Л1 | Роликовый радиальный-упорный двухрядный подшипник. Сепаратор из латуни.. | 140.00 | 210.00 | 46.00 |
| GAC140T | Шарнирный подшипник. Измененная или модифицированная внутренняя конструкция при неизменных основных размерах. Textile Laminated Phenolic Resin. Outer Ring Guided. The Cage Is Suitable For Long-Term Operation At Temperatures Up To 100°C. | 140.00 | 210.00 | 45.00 |
| GAC 140 CP | Шарнирный подшипник. 10 Piece Packaging. | 140.00 | 210.00 | 45.00 |
| GAC 140 SP | Шарнирный подшипник. Точность размеров примерно соответствует классу точности Р5. биения — классу точности Р4. | 140.00 | 210.00 | 45.00 |
| 6-2007128 М | Роликовый радиальный-упорный однорядный подшипник. Модифицированный контакт.. | 140.00 | 210.00 | 45.00 |
Способы доставки
Отправка через ведущие транспортные и курьерские компании: ПЭК, Деловые Линии, СДЭК, Байкал-Сервис, Энергия, КИТ, ЖелДорЭкспедиция.
Самовывоз возможен напрямую со склада в Москве.
Сроки доставки
Срок зависит от региона и выбранной транспортной компании. Все заказы комплектуются и отправляются в кратчайшие сроки со склада в Москве.
Надёжность и сохранность
Вся продукция упаковывается с учётом требований транспортировки. Мы гарантируем, что подшипники и комплектующие прибудут к заказчику в полной сохранности.
Доставка в страны ЕАЭС
Мы работаем с проверенными логистическими партнёрами, что позволяет оперативно доставлять заказы в Беларусь, Казахстан, Армению и другие страны ЕАЭС.
Варианты оплаты:
Минимальная сумма заказа и скидки:
Документы и гарантии:
Да, конечно! Наши технические специалисты готовы помочь вам с подбором точного аналога или замены подшипника. Просто позвоните нам по телефону +7 (495) 104-99-04 или напишите на почту zakaz@podsnab.ru.
Для оперативной консультации подготовьте, пожалуйста, имеющиеся данные: маркировку, размеры, тип оборудования или артикул старого подшипника.
Да, конечно! Мы высоко ценим долгосрочное сотрудничество и доверие клиентов по всей России. Для постоянных клиентов действует персональная система скидок.
Условия формируются индивидуально и зависят от:
Чтобы узнать свои условия и получить максимально выгодное предложение, свяжитесь с персональным менеджером или напишите нам на почту zakaz@podsnab.ru.
Вы можете оформить заказ несколькими способами:
Для оформления заказа от юридического лица свяжитесь с нашим отделом по работе с корпоративными клиентами по телефону +7 (495) 104-99-04 или напишите на email zakaz@podsnab.ru, прикрепив реквизиты вашей организации.
Мы оперативно подготовим коммерческое предложение и выставим счет.
Возврат товара надлежащего качества возможен в течение 10 дней с момента получения, если товар не был в употреблении, сохранен товарный вид, упаковка не вскрывалась и присутствуют все сопроводительные документы.
Возврат денежных средств осуществляется в течение 10 рабочих дней после проверки товара складом.
В соответствии с законодательством возврату не подлежат подшипники надлежащего качества, если отсутствует оригинальная упаковка или имеются следы монтажа.
В случае выявления брака или гарантийного случая мы гарантируем возврат или обмен товара.
Да, гарантийный срок хранения устанавливается заводом-изготовителем и в среднем составляет 2 года при соблюдении условий хранения: сухое помещение, оригинальная упаковка и смазка.
Точный срок для конкретного типа подшипника уточняйте у наших менеджеров.
Пн–Пт: с 8:00 до 17:00 (МСК).
Сб–Вс: выходные дни.
Заказы на сайте принимаются круглосуточно. Заявки, поступившие после окончания рабочего дня, обрабатываются на следующий рабочий день.
Минимальная сумма заказа для доставки составляет 3000 рублей. Самовывоз со склада возможен на любую сумму при наличии товара.
ООО «УралТехГрупп»
ИНН: 7415093830
КПП: 772401001
ОГРН: 1167456069021
Банк: ПАО Сбербанк
Р/с: 40702810838000475273
К/с: 30101810400000000225
БИК: 044525225
У подшипника 32028-X-XL пока нет отзывов. Вы можете стать первым покупателем, поделившимся своим мнением.