Поиск подшипника
Статьи
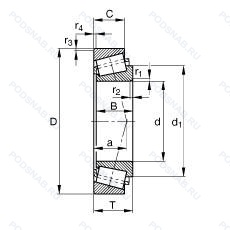
32026-X-XL — Однорядный конический роликовый подшипник, модификация основного исполнения 32026, производство FAG.
Размер подшипника: 130x200x45 мм.
Серия x-life, внешние размеры соответствуют международным стандартам.
Альтернативное обозначение: 32026-X.
Аналоги: 32026-X FAG,32026X SKF,32026X-90KA4 Timken,32026A SNR,32026X NR,32026X IBU Fiedler.
Международная стандартизации ISO
32026XXL
В наличии
| Обозначение | Конструктивные изменения |
|---|---|
| 32026X-90KA1 | Измененные размеры границ. введенные пересмотренными стандартами ISO. Assembly Code. |
| 32026XM-90KM1 | Two Bearings In X-Arrangement. Medium Preload. |
| 32026XM-90KM6 | Two Bearings In X-Arrangement. Medium Preload. |
| 32026-X-XL-DF-A125-175 | Серия X-Life премиум-класс. увеличиный срок службы. Внешние размеры соответствуют международным стандартам. Два конических роликоподшипника. расположенных по схеме X. С промежуточным кольцом между наружными кольцами. Осевой зазор в мкм. |
| 32026-X-XL-DF-A200-250 | Серия X-Life премиум-класс. увеличиный срок службы. Внешние размеры соответствуют международным стандартам. Два конических роликоподшипника. расположенных по схеме X. С промежуточным кольцом между наружными кольцами. Осевой зазор в мкм. |
| 32026-X-XL-DF-A250-300 | Серия X-Life премиум-класс. увеличиный срок службы. Внешние размеры соответствуют международным стандартам. Два конических роликоподшипника. расположенных по схеме X. С промежуточным кольцом между наружными кольцами. Осевой зазор в мкм. |
| 32026-X-XL-P5 | Серия X-Life премиум-класс. увеличиный срок службы. Размерная и рабочая точность соответствует классу допуска ISO 5. Внешние размеры соответствуют международным стандартам. |
| 32026-X-XL-S2 | Серия X-Life. Кольца стабилизированы по размерам для использования при рабочих температурах до +250°C (482°F). Внешние размеры соответствуют международным стандартам. |
| 32026XJ | Дорожки качения наружного кольца. угол контакта и ширина наружного кольца в соответствии с ISO. Серии размеров 20 и 29 — основные размеры соответствуют ISO/R355. |
| 32026-X-N11CA-A200-250 | Внешние размеры соответствуют международным стандартам. Два X-образных конических роликоподшипника. С прокладкам между чашками. Осевой зазор в мкм. |
| 32026-X-S2 | Кольца стабилизированы по размерам для использования при рабочих температурах до +250°C (482°F). Внешние размеры соответствуют международным стандартам. |
| 32026X.A200.250.N11CA | Внешние размеры соответствуют международным стандартам. Два X-образных конических роликоподшипника. С прокладкам между чашками. Resistant Up To 250°C. |
| 32026X.A250.300.N11CA | Внешние размеры соответствуют международным стандартам. Два X-образных конических роликоподшипника. С прокладкам между чашками. Осевой зазор в мкм. |
| 32026-X-N11CA-A250-300 | Внешние размеры соответствуют международным стандартам. Два X-образных конических роликоподшипника. С прокладкам между чашками. Осевой зазор в мкм. |
| 32026AX | Поверхность контакта скольжения сталь / сталь. |
| 32026B | (Cone/Inner Race And Cup/Outer Race) ISO Bearing With Same Boundary Dimensions As Basic Part Number. But WIth Different Internal Geometry. Steeper Included Outer Race Angle. Inner Race Using Brass Cage. Flanged Outer Race. |
| 32026X-9X026 | Измененные размеры границ. введенные пересмотренными стандартами ISO. |
| 32026-X-N11CA | Внешние размеры соответствуют международным стандартам. Два X-образных конических роликоподшипника. С прокладкам между чашками. |
| 32026-X-N11CA-A200-25 | Внешние размеры соответствуют международным стандартам. Два X-образных конических роликоподшипника. С прокладкам между чашками. Distance Between Beginning Of The Rail And First Hole In MM. |
| 32026-X-P5 | Размерная и рабочая точность соответствует классу допуска ISO 5. Внешние размеры соответствуют международным стандартам. |
| 32026X-90KA4 | Измененные размеры границ. введенные пересмотренными стандартами ISO. |
| 32026XA | CONE AND CUP. SPECIAL FEATURES. NON-INTERCHANGEABLE WITH BASIC PART NUMBER. |
| 32026XU | Spherical Seat Ring Type. |
| 32026A | Двухрядный радиально-упорный шарикоподшипник без отверстия для смазки. |
| 32026JR | TAPERED ROLLER BEARING CONFORMING TO ISO R355 (SUB-UNIT. METRIC SERIES). EXAMPLE/ 30206JR. |
Модификации конического роликового подшипника 32026-X-XL — это измененное основное конструктивное исполнение 32026, основные размеры (130x200x45) не отличаются.
| Обозначение | Гост | Конструктивные особенности |
|---|---|---|
| 320/26 | ISO | Однорядный конический роликовый подшипник. |
| HR32026XJ | ISO | Дорожки качения наружного кольца. угол контакта и ширина наружного кольца в соответствии с ISO. Серии размеров 20 и 29 — основные размеры соответствуют ISO/R355. Для конических роликоподшипников и радиальных шарикоподшипников. |
| Z-580988.01.TR1W | ISO | Однорядный конический роликоподшипник. Design. |
| HR32026XJP6 | ISO | Дорожки качения наружного кольца. угол контакта и ширина наружного кольца в соответствии с ISO. Размерные и геометрические допуски соответствуют классу точности P6. Серии размеров 20 и 29 — основные размеры соответствуют ISO/R355. |
| HR32026XJP5 | ISO | Диаметр и угол качения наружного кольца соответствуют стандарту ISO/R355. Серии размеров 20 и 29 — основные размеры соответствуют ISO/R355. |
| F-804120.32026-X-XL-S | ISO | Серия X-Life. Внешние размеры соответствуют международным стандартам. |
Аналог конического роликового подшипника 32026-X-XL — это подшипник такого же размера dx130,Dx200,Bx45, типа и конструкции.
| Обозначение | Конструктивные особенности | Внутренний (d) | Наружный (D) | Ширина (B) |
|---|---|---|---|---|
| GE130-SX | Сферический подшипник скольжения. Радиально-упорный сферический подшипник скольжения. требующий обслуживания по ISO 12 2402. Монтажные размеры как для конических роликоподшипников по DIN 720. 320X. Стальная скользящая контактная поверхность. Метрический радиальный сферический подшипник скольжения. | 130.00 | 200.00 | 45.00 |
| 2007126 | Роликовый радиальный-упорный однорядный подшипник. | 130.00 | 200.00 | 45.00 |
| 2-2007126 | Роликовый радиальный-упорный однорядный подшипник. | 130.00 | 200.00 | 45.00 |
| 4-2007126 | Роликовый радиальный-упорный однорядный подшипник. | 130.00 | 200.00 | 45.00 |
| E32026J | Роликовый радиальный-упорный однорядный подшипник. Дорожки качения наружного кольца. угол контакта и ширина наружного кольца в соответствии с ISO. | 130.00 | 200.00 | 45.00 |
| 130KBE130 | Роликовый радиальный-упорный двухрядный подшипник. | 130.00 | 200.00 | 46.00 |
| X32026X/Y32026X | Роликовый радиальный-упорный однорядный подшипник. Измененные размеры границ. введенные пересмотренными стандартами ISO. | 130.00 | 200.00 | 45.00 |
| X32026XM/Y32026XM | Роликовый радиальный-упорный однорядный подшипник. Two Bearings In X-Arrangement. Medium Preload. | 130.00 | 200.00 | 45.00 |
| GAC130T | Шарнирный подшипник. Измененная или модифицированная внутренняя конструкция при неизменных основных размерах. Textile Laminated Phenolic Resin. Outer Ring Guided. The Cage Is Suitable For Long-Term Operation At Temperatures Up To 100°C. | 130.00 | 200.00 | 45.00 |
| GAC130S | Шарнирный подшипник. Запечатанная версия кулачкового ролика. Измененная или модифицированная внутренняя конструкция при неизменных основных размерах. | 130.00 | 200.00 | 45.00 |
| GE130-SW | Шарнирный подшипник. Скользящая контактная поверхность из твердого хрома/Elgoglide®. Метрический радиальный сферический подшипник скольжения. | 130.00 | 200.00 | 45.00 |
| GAC 130 CP | Шарнирный подшипник. 10 Piece Packaging. | 130.00 | 200.00 | 45.00 |
| GAC 130 SP | Шарнирный подшипник. Точность размеров примерно соответствует классу точности Р5. биения — классу точности Р4. | 130.00 | 200.00 | 45.00 |
Способы доставки
Отправка через ведущие транспортные и курьерские компании: ПЭК, Деловые Линии, СДЭК, Байкал-Сервис, Энергия, КИТ, ЖелДорЭкспедиция.
Самовывоз возможен напрямую со склада в Москве.
Сроки доставки
Срок зависит от региона и выбранной транспортной компании. Все заказы комплектуются и отправляются в кратчайшие сроки со склада в Москве.
Надёжность и сохранность
Вся продукция упаковывается с учётом требований транспортировки. Мы гарантируем, что подшипники и комплектующие прибудут к заказчику в полной сохранности.
Доставка в страны ЕАЭС
Мы работаем с проверенными логистическими партнёрами, что позволяет оперативно доставлять заказы в Беларусь, Казахстан, Армению и другие страны ЕАЭС.
Варианты оплаты:
Минимальная сумма заказа и скидки:
Документы и гарантии:
Да, конечно! Наши технические специалисты готовы помочь вам с подбором точного аналога или замены подшипника. Просто позвоните нам по телефону +7 (495) 104-99-04 или напишите на почту zakaz@podsnab.ru.
Для оперативной консультации подготовьте, пожалуйста, имеющиеся данные: маркировку, размеры, тип оборудования или артикул старого подшипника.
Да, конечно! Мы высоко ценим долгосрочное сотрудничество и доверие клиентов по всей России. Для постоянных клиентов действует персональная система скидок.
Условия формируются индивидуально и зависят от:
Чтобы узнать свои условия и получить максимально выгодное предложение, свяжитесь с персональным менеджером или напишите нам на почту zakaz@podsnab.ru.
Вы можете оформить заказ несколькими способами:
Для оформления заказа от юридического лица свяжитесь с нашим отделом по работе с корпоративными клиентами по телефону +7 (495) 104-99-04 или напишите на email zakaz@podsnab.ru, прикрепив реквизиты вашей организации.
Мы оперативно подготовим коммерческое предложение и выставим счет.
Возврат товара надлежащего качества возможен в течение 10 дней с момента получения, если товар не был в употреблении, сохранен товарный вид, упаковка не вскрывалась и присутствуют все сопроводительные документы.
Возврат денежных средств осуществляется в течение 10 рабочих дней после проверки товара складом.
В соответствии с законодательством возврату не подлежат подшипники надлежащего качества, если отсутствует оригинальная упаковка или имеются следы монтажа.
В случае выявления брака или гарантийного случая мы гарантируем возврат или обмен товара.
Да, гарантийный срок хранения устанавливается заводом-изготовителем и в среднем составляет 2 года при соблюдении условий хранения: сухое помещение, оригинальная упаковка и смазка.
Точный срок для конкретного типа подшипника уточняйте у наших менеджеров.
Пн–Пт: с 8:00 до 17:00 (МСК).
Сб–Вс: выходные дни.
Заказы на сайте принимаются круглосуточно. Заявки, поступившие после окончания рабочего дня, обрабатываются на следующий рабочий день.
Минимальная сумма заказа для доставки составляет 3000 рублей. Самовывоз со склада возможен на любую сумму при наличии товара.
ООО «УралТехГрупп»
ИНН: 7415093830
КПП: 772401001
ОГРН: 1167456069021
Банк: ПАО Сбербанк
Р/с: 40702810838000475273
К/с: 30101810400000000225
БИК: 044525225
У подшипника 32026-X-XL пока нет отзывов. Вы можете стать первым покупателем, поделившимся своим мнением.