Поиск подшипника
Статьи
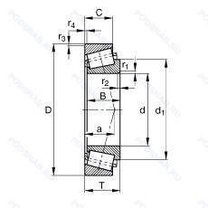
32214-XL — Однорядный конический роликовый подшипник, модификация основного исполнения 32214, производство FAG.
Размер подшипника: 70x125x33 мм.
Серия x live.
Аналоги: 32214A FAG,32214-A FAG,32214J2 SKF,32214J2/Q SKF,32214-90KA1 Timken,32214JR Koyo,HR32214J NSK,32214F AS - Fersa,32214 URB,32214 Trans Link,32214A ZVL,32214 SPZ Samara Bearing Plant,32214 Neutral.
Международная стандартизации ISO
32214XL
В наличии
| Обозначение | Конструктивные изменения |
|---|---|
| 32214J | Дорожки качения наружного кольца. угол контакта и ширина наружного кольца в соответствии с ISO. |
| 32214A | Соответствует стандартам ISO с улучшенными характеристиками. |
| 32214 | Однорядный конический роликовый подшипник. Основное конструктивное исполнение. |
| 32214JR | TAPERED ROLLER BEARING CONFORMING TO ISO R355 (SUB-UNIT. METRIC SERIES). EXAMPLE/ 30206JR. |
| 32214A P5 | Двухрядный радиально-упорный шарикоподшипник без отверстия для смазки. Размерная и рабочая точность соответствует классу допуска ISO 5. |
| 32214-92KA1 | Однорядный конический роликовый подшипник. |
| 32214E | Повышенная грузоподъемность. |
| 32214-90KA1 | Assembly Code. |
| 32214-CYB-W136 | Однорядный конический роликовый подшипник. |
| 32214-A-CYB-W136 | (Чаша/внешняя поверхность) отличается по наружному диаметру/радиусу/ширине от номера базовой детали. |
| 32214-CYB-W136-S11 | Внутреннее и наружное кольца термостабилизированы до 200°C. |
| 32214J2/Q | Оптимизированная геометрия и специальная обработка контактных поверхностей. Штампованный стальной сепаратор. центрируемый по роликам. Число после J указывает на различные конструктивные исполнения сепаратора. |
| 32214J2 | Штампованный стальной сепаратор. центрируемый по роликам. Число после J указывает на различные конструктивные исполнения сепаратора. |
| 32214-DY | Конические роликоподшипники. произведенные в Корее и продаваемые под торговой маркой FAG. могут быть идентифицированы по суффиксу -DY/-DZ. |
| 32214A.J42C | Модификация внутренней конструкции. Специальная маркировка для конических роликоподшипников. полученных от разных производителей. |
| 32214J1 | Прессованный стальной сепаратор. |
| 32214AP6KLF-ZVL | Конический роликоподшипник с более высокой номинальной нагрузкой и более высокой предельной скоростью. Размерные и геометрические допуски соответствуют классу точности P6. |
| 32214UP5 | Размерная и рабочая точность соответствует классу допуска ISO 5. Конические роликоподшипники с возможностью взаимозаменять друг друга. |
| 32214C | Изменения во внутренней конструкции. |
| 32214/Q | Подшипники класса TQ-Line. имеющих суффикс Q в обозначении. являются основой для производства подшипников SKF. |
| 32214JP1 | Прессованный сепаратор из листового металла. |
| 32214-H | Произведен в Китае. |
| 32214U | Конические роликоподшипники с возможностью взаимозаменять друг друга. |
| 32214F | Сепаратор из обработанной стали или специального чугуна. |
| 32214CR | (TB-Segment) Phenolic (Composition) Fafnir Standard. |
Модификации конического роликового подшипника 32214-XL — это измененное основное конструктивное исполнение 32214, основные размеры (70x125x33) не отличаются.
| Обозначение | Гост | Конструктивные особенности |
|---|---|---|
| 7514 | ISO | Однорядный конический роликовый подшипник. |
| 331074 | ISO | Однорядный конический роликовый подшипник. |
| E32214J | ISO | Взаимозаменяемые кольца конического роликоподшипника. |
| SET1063 | ISO | Однорядный конический роликовый подшипник. |
| SET1329 | ISO | Однорядный конический роликовый подшипник. |
| 514899 | ISO | Однорядный конический роликовый подшипник. |
| 7514K | ISO | Коническое отверстие. Конусность 1/12. |
| HR32214J | ISO | Дорожки качения наружного кольца. угол контакта и ширина наружного кольца в соответствии с ISO. Для конических роликоподшипников и радиальных шарикоподшипников. |
| 331074/Q | ISO | Подшипники класса TQ-Line. имеющих суффикс Q в обозначении. являются основой для производства подшипников SKF. |
Аналог конического роликового подшипника 32214-XL — это подшипник такого же размера dx70,Dx125,Bx33, типа и конструкции.
| Обозначение | Конструктивные особенности | Внутренний (d) | Наружный (D) | Ширина (B) |
|---|---|---|---|---|
| 89314-TV | Роликовый цилиндрический упорный подшипник. Прочный сепаратор из полиамида. армированного стекловолокном. | 70.00 | 125.00 | 34.00 |
| 89314TN | Роликовый цилиндрический упорный подшипник. литой под давлением сепаратор из полиамида 6.6. центрированный роликовый элемент. | 70.00 | 125.00 | 34.00 |
| 89314M | Роликовый цилиндрический упорный подшипник. Механически обработанный латунный сепаратор .Расположенный на элементах качения. | 70.00 | 125.00 | 34.00 |
| 70TMP93P5 | Роликовый цилиндрический упорный подшипник. Размерная и рабочая точность соответствует классу допуска ISO 5. | 70.00 | 125.00 | 34.00 |
| 89314-TVPB | Роликовый цилиндрический упорный подшипник. Литой полиамидный сепаратор оконного типа. направляющий внутреннее кольцо. | 70.00 | 125.00 | 34.00 |
| 3007214А | Роликовый радиальный-упорный однорядный подшипник. Повышенная грузоподъемность. | 70.00 | 125.00 | 32.00 |
| 3067214А | Роликовый радиальный-упорный однорядный подшипник. Повышенная грузоподъемность. | 70.00 | 125.00 | 32.00 |
| X32214M/Y32214M | Роликовый радиальный-упорный однорядный подшипник. Подшипник с латунным сепаратором. центрированный по телам качения. | 70.00 | 125.00 | 33.25 |
| 6-7514 А1 | Роликовый радиальный-упорный однорядный подшипник. Повышенная грузоподъемность. | 70.00 | 125.00 | 33.25 |
| 6-7514 АХ1 | Роликовый радиальный-упорный однорядный подшипник. Повышенная грузоподъемность. Кольца и тела качения или только кольца (в том числе одно кольцо) из цементируемой стали.. | 70.00 | 125.00 | 33.25 |
| 6-7514 Х1 | Роликовый радиальный-упорный однорядный подшипник. Кольца и тела качения или только кольца (в том числе одно кольцо) из цементируемой стали.. | 70.00 | 125.00 | 33.25 |
| 7514-А1 | Роликовый радиальный-упорный однорядный подшипник. Повышенная грузоподъемность. | 70.00 | 125.00 | 33.25 |
| 7514-К | Роликовый радиальный-упорный однорядный подшипник. Кольцевая проточка на середине цилиндрической наружной поверхности наружного кольца плюс три отверстия для смазки. | 70.00 | 125.00 | 33.25 |
| 7514-К1 | Роликовый радиальный-упорный однорядный подшипник. Кольцевая проточка на середине цилиндрической наружной поверхности наружного кольца плюс три отверстия для смазки. | 70.00 | 125.00 | 33.25 |
| 5-7514 А1 | Роликовый радиальный-упорный однорядный подшипник. Повышенная грузоподъемность. | 70.00 | 125.00 | 33.25 |
Способы доставки
Отправка через ведущие транспортные и курьерские компании: ПЭК, Деловые Линии, СДЭК, Байкал-Сервис, Энергия, КИТ, ЖелДорЭкспедиция.
Самовывоз возможен напрямую со склада в Москве.
Сроки доставки
Срок зависит от региона и выбранной транспортной компании. Все заказы комплектуются и отправляются в кратчайшие сроки со склада в Москве.
Надёжность и сохранность
Вся продукция упаковывается с учётом требований транспортировки. Мы гарантируем, что подшипники и комплектующие прибудут к заказчику в полной сохранности.
Доставка в страны ЕАЭС
Мы работаем с проверенными логистическими партнёрами, что позволяет оперативно доставлять заказы в Беларусь, Казахстан, Армению и другие страны ЕАЭС.
Варианты оплаты:
Минимальная сумма заказа и скидки:
Документы и гарантии:
Да, конечно! Наши технические специалисты готовы помочь вам с подбором точного аналога или замены подшипника. Просто позвоните нам по телефону +7 (495) 104-99-04 или напишите на почту zakaz@podsnab.ru.
Для оперативной консультации подготовьте, пожалуйста, имеющиеся данные: маркировку, размеры, тип оборудования или артикул старого подшипника.
Да, конечно! Мы высоко ценим долгосрочное сотрудничество и доверие клиентов по всей России. Для постоянных клиентов действует персональная система скидок.
Условия формируются индивидуально и зависят от:
Чтобы узнать свои условия и получить максимально выгодное предложение, свяжитесь с персональным менеджером или напишите нам на почту zakaz@podsnab.ru.
Вы можете оформить заказ несколькими способами:
Для оформления заказа от юридического лица свяжитесь с нашим отделом по работе с корпоративными клиентами по телефону +7 (495) 104-99-04 или напишите на email zakaz@podsnab.ru, прикрепив реквизиты вашей организации.
Мы оперативно подготовим коммерческое предложение и выставим счет.
Возврат товара надлежащего качества возможен в течение 10 дней с момента получения, если товар не был в употреблении, сохранен товарный вид, упаковка не вскрывалась и присутствуют все сопроводительные документы.
Возврат денежных средств осуществляется в течение 10 рабочих дней после проверки товара складом.
В соответствии с законодательством возврату не подлежат подшипники надлежащего качества, если отсутствует оригинальная упаковка или имеются следы монтажа.
В случае выявления брака или гарантийного случая мы гарантируем возврат или обмен товара.
Да, гарантийный срок хранения устанавливается заводом-изготовителем и в среднем составляет 2 года при соблюдении условий хранения: сухое помещение, оригинальная упаковка и смазка.
Точный срок для конкретного типа подшипника уточняйте у наших менеджеров.
Пн–Пт: с 8:00 до 17:00 (МСК).
Сб–Вс: выходные дни.
Заказы на сайте принимаются круглосуточно. Заявки, поступившие после окончания рабочего дня, обрабатываются на следующий рабочий день.
Минимальная сумма заказа для доставки составляет 3000 рублей. Самовывоз со склада возможен на любую сумму при наличии товара.
ООО «УралТехГрупп»
ИНН: 7415093830
КПП: 772401001
ОГРН: 1167456069021
Банк: ПАО Сбербанк
Р/с: 40702810838000475273
К/с: 30101810400000000225
БИК: 044525225
У подшипника 32214-XL пока нет отзывов. Вы можете стать первым покупателем, поделившимся своим мнением.