Поиск подшипника
Статьи
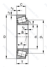
33012JRRS — Однорядный конический роликовый подшипник, модификация основного исполнения 33012, выпускается производителями: KOYO, NSK.
Размер подшипника: 60x95x27 мм.
Конический роликоподшипник. соответствующий стандарту iso r355, код внутренней конструкции (высокая грузоподъемность).
Аналоги: 33012 FAG,33012-XL FAG,33012 Timken,33012-9TKA1 Timken,33012-9X025 Timken,4T-33012 NTN,33012 MTK,331312 RUL.
Международная стандартизации ISO
33012JRRS
В наличии
| Обозначение | Конструктивные изменения |
|---|---|
| 33012J | Дорожки качения наружного кольца. угол контакта и ширина наружного кольца в соответствии с ISO. |
| 33012 | Однорядный конический роликовый подшипник. Основное конструктивное исполнение. |
| 33012-92KA1 | Однорядный конический роликовый подшипник. |
| 33012.A | Соответствует стандартам ISO с улучшенными характеристиками. |
| 33012C | 15° Угол контакта. |
| 33012-90KA1 | Assembly Code. |
| 33012-9X018 | Однорядный конический роликовый подшипник. |
| 33012-90NA3 | Однорядный конический роликовый подшипник. |
| 33012/Q | Подшипники класса TQ-Line. имеющих суффикс Q в обозначении. являются основой для производства подшипников SKF. |
| 33012-9TKA1 | Однорядный конический роликовый подшипник. |
| 33012-9X025 | Однорядный конический роликовый подшипник. |
| 33012V C12 | Повышенная грузоподъемность. Конический роликовый подшипник. Модификация внутренней конструкции. |
| 33012-XL | Серия X Live. |
| 33012JR | TAPERED ROLLER BEARING CONFORMING TO ISO R355 (SUB-UNIT. METRIC SERIES). EXAMPLE/ 30206JR. |
| 33012-H | Произведен в Китае. |
| 4T-33012U | Конические роликоподшипники с возможностью взаимозаменять друг друга. |
| 33012-DY | Конические роликоподшипники. произведенные в Корее и продаваемые под торговой маркой FAG. могут быть идентифицированы по суффиксу -DY/-DZ. |
| HR 33012 J | Дорожки качения наружного кольца. угол контакта и ширина наружного кольца в соответствии с ISO. Для конических роликоподшипников и радиальных шарикоподшипников. |
| 4T-33012 | Цементованная сталь. |
| 33012F | Сепаратор из обработанной стали или специального чугуна. |
Модификации конического роликового подшипника 33012JRRS — это измененное основное конструктивное исполнение 33012, основные размеры (60x95x27) не отличаются.
| Обозначение | Гост | Конструктивные особенности |
|---|---|---|
| JKOS060 | ISO | Однорядный конический роликовый подшипник. |
| JK0S060 | ISO | Однорядный конический роликовый подшипник. |
| JKOS060A | ISO | (Чаша/внешняя поверхность) отличается по наружному диаметру/радиусу/ширине от номера базовой детали. |
| CR1252L | ISO | Одно механическое уплотнение. |
| 331312 | ISO | Однорядный конический роликовый подшипник. |
Аналог конического роликового подшипника 33012JRRS — это подшипник такого же размера dx60,Dx95,Bx27, типа и конструкции.
| Обозначение | Конструктивные особенности | Внутренний (d) | Наружный (D) | Ширина (B) |
|---|---|---|---|---|
| 4-3182112 Л | Роликовый радиальный двухрядный подшипник. Сепаратор из латуни.. | 60.00 | 95.00 | 26.00 |
| NN3012K/W33 | Роликовый радиальный цилиндрический однорядный подшипник. Канавка для смазки и три отверстия во внешнем кольце подшипника. Коническое отверстие. Конусность 1/12. | 60.00 | 95.00 | 26.00 |
| NN3012/W33 | Роликовый радиальный однорядный подшипник. Канавка для смазки и три отверстия во внешнем кольце подшипника. | 60.00 | 95.00 | 26.00 |
| 8212Н | Шариковый упорный однорядный подшипник. Детали из теплостойкой стали. | 60.00 | 95.00 | 26.00 |
| E33012J | Роликовый радиальный-упорный однорядный подшипник. Дорожки качения наружного кольца. угол контакта и ширина наружного кольца в соответствии с ISO. | 60.00 | 95.00 | 27.00 |
| 4-9212 Л | Роликовый упорный однорядный подшипник. Сепаратор из латуни.. | 60.00 | 95.00 | 26.00 |
| 6-3182112 К | Роликовый радиальный двухрядный подшипник. Кольцевая проточка на середине цилиндрической наружной поверхности наружного кольца плюс три отверстия для смазки. | 60.00 | 95.00 | 26.00 |
| 6-3182112 КЕ | Роликовый радиальный двухрядный подшипник. Сепаратор из текстолита.. | 60.00 | 95.00 | 26.00 |
| 6-3182112 Л | Роликовый радиальный двухрядный подшипник. Сепаратор из латуни.. | 60.00 | 95.00 | 26.00 |
| 32012J/1B-N | Роликовый радиальный-упорный однорядный подшипник. Дорожки качения наружного кольца. угол контакта и ширина наружного кольца в соответствии с ISO. Канавка под стопорное кольцо на внешнем кольце. Identification Code. | 60.00 | 95.00 | 26.50 |
| 8212-К | Шариковый упорный однорядный подшипник. «Замок» (скос) на внутреннем кольце плюс массивный сепаратор из текстолита. | 60.00 | 95.00 | 26.00 |
| 5-3182112 Е | Роликовый радиальный двухрядный подшипник. Сепаратор из текстолита.. | 60.00 | 95.00 | 26.00 |
| 5-3182112 К | Роликовый радиальный двухрядный подшипник. Кольцевая проточка на середине цилиндрической наружной поверхности наружного кольца плюс три отверстия для смазки. | 60.00 | 95.00 | 26.00 |
| 5-3182112 КЕ | Роликовый радиальный двухрядный подшипник. Сепаратор из текстолита.. | 60.00 | 95.00 | 26.00 |
| 5-3182112 Л | Роликовый радиальный двухрядный подшипник. Сепаратор из латуни.. | 60.00 | 95.00 | 26.00 |
Способы доставки
Отправка через ведущие транспортные и курьерские компании: ПЭК, Деловые Линии, СДЭК, Байкал-Сервис, Энергия, КИТ, ЖелДорЭкспедиция.
Самовывоз возможен напрямую со склада в Москве.
Сроки доставки
Срок зависит от региона и выбранной транспортной компании. Все заказы комплектуются и отправляются в кратчайшие сроки со склада в Москве.
Надёжность и сохранность
Вся продукция упаковывается с учётом требований транспортировки. Мы гарантируем, что подшипники и комплектующие прибудут к заказчику в полной сохранности.
Доставка в страны ЕАЭС
Мы работаем с проверенными логистическими партнёрами, что позволяет оперативно доставлять заказы в Беларусь, Казахстан, Армению и другие страны ЕАЭС.
Варианты оплаты:
Минимальная сумма заказа и скидки:
Документы и гарантии:
Да, конечно! Наши технические специалисты готовы помочь вам с подбором точного аналога или замены подшипника. Просто позвоните нам по телефону +7 (495) 104-99-04 или напишите на почту zakaz@podsnab.ru.
Для оперативной консультации подготовьте, пожалуйста, имеющиеся данные: маркировку, размеры, тип оборудования или артикул старого подшипника.
Да, конечно! Мы высоко ценим долгосрочное сотрудничество и доверие клиентов по всей России. Для постоянных клиентов действует персональная система скидок.
Условия формируются индивидуально и зависят от:
Чтобы узнать свои условия и получить максимально выгодное предложение, свяжитесь с персональным менеджером или напишите нам на почту zakaz@podsnab.ru.
Вы можете оформить заказ несколькими способами:
Для оформления заказа от юридического лица свяжитесь с нашим отделом по работе с корпоративными клиентами по телефону +7 (495) 104-99-04 или напишите на email zakaz@podsnab.ru, прикрепив реквизиты вашей организации.
Мы оперативно подготовим коммерческое предложение и выставим счет.
Возврат товара надлежащего качества возможен в течение 10 дней с момента получения, если товар не был в употреблении, сохранен товарный вид, упаковка не вскрывалась и присутствуют все сопроводительные документы.
Возврат денежных средств осуществляется в течение 10 рабочих дней после проверки товара складом.
В соответствии с законодательством возврату не подлежат подшипники надлежащего качества, если отсутствует оригинальная упаковка или имеются следы монтажа.
В случае выявления брака или гарантийного случая мы гарантируем возврат или обмен товара.
Да, гарантийный срок хранения устанавливается заводом-изготовителем и в среднем составляет 2 года при соблюдении условий хранения: сухое помещение, оригинальная упаковка и смазка.
Точный срок для конкретного типа подшипника уточняйте у наших менеджеров.
Пн–Пт: с 8:00 до 17:00 (МСК).
Сб–Вс: выходные дни.
Заказы на сайте принимаются круглосуточно. Заявки, поступившие после окончания рабочего дня, обрабатываются на следующий рабочий день.
Минимальная сумма заказа для доставки составляет 3000 рублей. Самовывоз со склада возможен на любую сумму при наличии товара.
ООО «УралТехГрупп»
ИНН: 7415093830
КПП: 772401001
ОГРН: 1167456069021
Банк: ПАО Сбербанк
Р/с: 40702810838000475273
К/с: 30101810400000000225
БИК: 044525225
У подшипника 33012JRRS пока нет отзывов. Вы можете стать первым покупателем, поделившимся своим мнением.