Поиск подшипника
Статьи
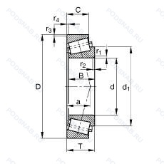
32022-X-XL — Однорядный конический роликовый подшипник, модификация основного исполнения 32022, производство FAG.
Размер подшипника: 110x170x38 мм.
Серия x-life, внешние размеры соответствуют международным стандартам.
Альтернативное обозначение: 32022-X.
Аналоги: 32022X FAG.
Международная стандартизации ISO
32022XXL
В наличии
| Обозначение | Конструктивные изменения |
|---|---|
| 32022X-90KA1 | Измененные размеры границ. введенные пересмотренными стандартами ISO. Assembly Code. |
| 32022X-90NA4 | Измененные размеры границ. введенные пересмотренными стандартами ISO. |
| 32022X-9AKA3 | Измененные размеры границ. введенные пересмотренными стандартами ISO. |
| 32022XUM-90KM3 | Assembly-code. |
| 32022-X-CYB-W136 | Внешние размеры соответствуют международным стандартам. |
| 32022-X-XL-DF-A220-270 | Серия X-Life премиум-класс. увеличиный срок службы. Внешние размеры соответствуют международным стандартам. Два конических роликоподшипника. расположенных по схеме X. С промежуточным кольцом между наружными кольцами. Осевой зазор в мкм. |
| 32022-X-XL-DF-A90-130 | Серия X-Life премиум-класс. увеличиный срок службы. Внешние размеры соответствуют международным стандартам. Два конических роликоподшипника. расположенных по схеме X. С промежуточным кольцом между наружными кольцами. Осевой зазор в мкм. |
| 32022-X-XL-S2 | Серия X-Life. Кольца стабилизированы по размерам для использования при рабочих температурах до +250°C (482°F). Внешние размеры соответствуют международным стандартам. |
| 32022-X-N11CA-A220-270 | Внешние размеры соответствуют международным стандартам. Два X-образных конических роликоподшипника. С прокладкам между чашками. Осевой зазор в мкм. |
| 32022X/QP5 | Размерная и рабочая точность соответствует классу допуска ISO 5. Оптимизированная геометрия и специальная обработка контактных поверхностей. Присоединительные размеры не соответствуют серии размеров ISO. |
| 32022XU | Spherical Seat Ring Type. |
| 32022XF P5 | Precision Higher than P6. Фланец. Размеры границ изменены в соответствии со стандартами ISO. |
| 32022-X-N11CA-A220-27 | Внешние размеры соответствуют международным стандартам. Два X-образных конических роликоподшипника. С прокладкам между чашками. 1.11/16. |
| 32022-X-S2 | Кольца стабилизированы по размерам для использования при рабочих температурах до +250°C (482°F). Внешние размеры соответствуют международным стандартам. |
| 32022X-90KA1-P5 | (Cone/Inner Race And Cup/Outer Race) Dimensional And Running Accuracy To ISO Tolerance Class 5. Измененные размеры границ. введенные пересмотренными стандартами ISO. Assembly Code. |
| 32022-X-XL-P5 | Серия X-Life премиум-класс. увеличиный срок службы. Размерная и рабочая точность соответствует классу допуска ISO 5. Внешние размеры соответствуют международным стандартам. |
| 32022X/QDF/R834 | Оптимизированная геометрия и специальная обработка контактных поверхностей. Присоединительные размеры не соответствуют серии размеров ISO. Комплект из двух подшипников. согласованных для установки по Х-образной схеме. Число. следующее непосредственно после букв DF. обозначает конструкцию промежуточного кольца. Matching / Pairing Preload. |
| 32022X-9X026 | Измененные размеры границ. введенные пересмотренными стандартами ISO. |
| 32022X/QDFC200 | Оптимизированная геометрия и специальная обработка контактных поверхностей. Присоединительные размеры не соответствуют серии размеров ISO. Комплект из двух подшипников. согласованных для установки по Х-образной схеме. Число. следующее непосредственно после букв DF. обозначает конструкцию промежуточного кольца. Осевой зазор в мкм. |
| 32022X.N11CA | Внешние размеры соответствуют международным стандартам. Два Х-расположенных конических роликоподшипника. С прокладками между чашками. |
| 32022T84X/QDBC200 | Оптимизированная геометрия и специальная обработка контактных поверхностей. Присоединительные размеры не соответствуют серии размеров ISO. Комплект из двух подшипников. согласованных для установки по О-образной схеме. Число. следующее непосредственно после букв DB обозначает конструкцию проставочных колец в комплекте. Осевой зазор в мкм. T - за которым следует цифра. обозначает общую ширину пар подшипников. расположенных «спина к спине» или «тандем». |
| 32022-X-XL-DF-A170-230 | Серия X-Life премиум-класс. увеличиный срок службы. Внешние размеры соответствуют международным стандартам. Два конических роликоподшипника. расположенных по схеме X. С промежуточным кольцом между наружными кольцами. Осевой зазор в мкм. |
| 32022-X-DF-A170-230 | Внешние размеры соответствуют международным стандартам. Два конических роликоподшипника. расположенных по схеме X. С промежуточным кольцом между наружными кольцами. Осевой зазор в мкм. |
| 32022XC99 | Размеры границ изменены в соответствии со стандартами ISO. |
| 32022-X-DF | Измененные размеры границ. введенные пересмотренными стандартами ISO. Комплект из двух подшипников. согласованных для установки по Х-образной схеме. Число. следующее непосредственно после букв DF. обозначает конструкцию промежуточного кольца. |
Модификации конического роликового подшипника 32022-X-XL — это измененное основное конструктивное исполнение 32022, основные размеры (110x170x38) не отличаются.
| Обозначение | Гост | Конструктивные особенности |
|---|---|---|
| Z-574119.01.TR1W | ISO | Однорядный конический роликоподшипник. Design. |
| Z-574119.32022-X | ISO | Внешние размеры соответствуют международным стандартам. |
Аналог конического роликового подшипника 32022-X-XL — это подшипник такого же размера dx110,Dx170,Bx38, типа и конструкции.
| Обозначение | Конструктивные особенности | Внутренний (d) | Наружный (D) | Ширина (B) |
|---|---|---|---|---|
| 8-2007122 МW3 | Роликовый радиальный-упорный однорядный подшипник. Детали из вакуумированной стали.. Модифицированный контакт.. | 110.00 | 170.00 | 38.00 |
| 2007122-М | Роликовый радиальный-упорный однорядный подшипник. Модифицированный контакт.. | 110.00 | 170.00 | 38.00 |
| 2007122A | Роликовый радиальный-упорный однорядный подшипник. Двухрядный радиально-упорный шарикоподшипник без отверстия для смазки. | 110.00 | 170.00 | 38.00 |
| 3007122А | Роликовый радиальный-упорный однорядный подшипник. Повышенная грузоподъемность. | 110.00 | 170.00 | 37.00 |
| 3067122А | Роликовый радиальный-упорный однорядный подшипник. Повышенная грузоподъемность. | 110.00 | 170.00 | 37.00 |
| 8-2007122 М | Роликовый радиальный-упорный однорядный подшипник. Модифицированный контакт.. | 110.00 | 170.00 | 38.00 |
| E32022J | Роликовый радиальный-упорный однорядный подшипник. Дорожки качения наружного кольца. угол контакта и ширина наружного кольца в соответствии с ISO. | 110.00 | 170.00 | 38.00 |
| X32022XM/Y32022XM | Роликовый радиальный-упорный однорядный подшипник. Two Bearings In X-Arrangement. Medium Preload. | 110.00 | 170.00 | 38.00 |
| X32022X/Y32022X | Роликовый радиальный-упорный однорядный подшипник. Измененные размеры границ. введенные пересмотренными стандартами ISO. | 110.00 | 170.00 | 38.00 |
| GAC 110 CP | Шарнирный подшипник. 10 Piece Packaging. | 110.00 | 170.00 | 38.00 |
| GAC 110 SP | Шарнирный подшипник. Точность размеров примерно соответствует классу точности Р5. биения — классу точности Р4. | 110.00 | 170.00 | 38.00 |
| GAC110T | Шарнирный подшипник. Textile Laminated Phenolic Resin. Outer Ring Guided. The Cage Is Suitable For Long-Term Operation At Temperatures Up To 100°C. | 110.00 | 170.00 | 38.00 |
| GAC110N | Шарнирный подшипник. Канавка под стопорное кольцо на внешнем кольце. | 110.00 | 170.00 | 38.00 |
| 6-2007122 А | Роликовый радиальный-упорный однорядный подшипник. Повышенная грузоподъемность. | 110.00 | 170.00 | 38.00 |
| 6-2007122 М | Роликовый радиальный-упорный однорядный подшипник. Модифицированный контакт.. | 110.00 | 170.00 | 38.00 |
Способы доставки
Отправка через ведущие транспортные и курьерские компании: ПЭК, Деловые Линии, СДЭК, Байкал-Сервис, Энергия, КИТ, ЖелДорЭкспедиция.
Самовывоз возможен напрямую со склада в Москве.
Сроки доставки
Срок зависит от региона и выбранной транспортной компании. Все заказы комплектуются и отправляются в кратчайшие сроки со склада в Москве.
Надёжность и сохранность
Вся продукция упаковывается с учётом требований транспортировки. Мы гарантируем, что подшипники и комплектующие прибудут к заказчику в полной сохранности.
Доставка в страны ЕАЭС
Мы работаем с проверенными логистическими партнёрами, что позволяет оперативно доставлять заказы в Беларусь, Казахстан, Армению и другие страны ЕАЭС.
Варианты оплаты:
Минимальная сумма заказа и скидки:
Документы и гарантии:
Да, конечно! Наши технические специалисты готовы помочь вам с подбором точного аналога или замены подшипника. Просто позвоните нам по телефону +7 (495) 104-99-04 или напишите на почту zakaz@podsnab.ru.
Для оперативной консультации подготовьте, пожалуйста, имеющиеся данные: маркировку, размеры, тип оборудования или артикул старого подшипника.
Да, конечно! Мы высоко ценим долгосрочное сотрудничество и доверие клиентов по всей России. Для постоянных клиентов действует персональная система скидок.
Условия формируются индивидуально и зависят от:
Чтобы узнать свои условия и получить максимально выгодное предложение, свяжитесь с персональным менеджером или напишите нам на почту zakaz@podsnab.ru.
Вы можете оформить заказ несколькими способами:
Для оформления заказа от юридического лица свяжитесь с нашим отделом по работе с корпоративными клиентами по телефону +7 (495) 104-99-04 или напишите на email zakaz@podsnab.ru, прикрепив реквизиты вашей организации.
Мы оперативно подготовим коммерческое предложение и выставим счет.
Возврат товара надлежащего качества возможен в течение 10 дней с момента получения, если товар не был в употреблении, сохранен товарный вид, упаковка не вскрывалась и присутствуют все сопроводительные документы.
Возврат денежных средств осуществляется в течение 10 рабочих дней после проверки товара складом.
В соответствии с законодательством возврату не подлежат подшипники надлежащего качества, если отсутствует оригинальная упаковка или имеются следы монтажа.
В случае выявления брака или гарантийного случая мы гарантируем возврат или обмен товара.
Да, гарантийный срок хранения устанавливается заводом-изготовителем и в среднем составляет 2 года при соблюдении условий хранения: сухое помещение, оригинальная упаковка и смазка.
Точный срок для конкретного типа подшипника уточняйте у наших менеджеров.
Пн–Пт: с 8:00 до 17:00 (МСК).
Сб–Вс: выходные дни.
Заказы на сайте принимаются круглосуточно. Заявки, поступившие после окончания рабочего дня, обрабатываются на следующий рабочий день.
Минимальная сумма заказа для доставки составляет 3000 рублей. Самовывоз со склада возможен на любую сумму при наличии товара.
ООО «УралТехГрупп»
ИНН: 7415093830
КПП: 772401001
ОГРН: 1167456069021
Банк: ПАО Сбербанк
Р/с: 40702810838000475273
К/с: 30101810400000000225
БИК: 044525225
У подшипника 32022-X-XL пока нет отзывов. Вы можете стать первым покупателем, поделившимся своим мнением.