Поиск подшипника
Статьи
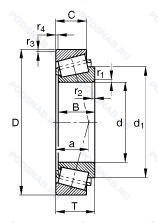
HR31309J — однорядный конический роликовый подшипник, модификация основного исполнения HR31309, производство NSK.
Размер подшипника: 45x100x27 мм.
Для конических роликоподшипников и радиальных шарикоподшипников: увеличенная грузоподъемность, дорожки качения наружного кольца. угол контакта и ширина наружного кольца в соответствии с iso.
Аналоги: 31309-XL FAG,31309 Timken,31309J1 Steyr,31309V B22 SNR,31309F AS - Fersa,31309A ZVL,31309 ISB,31309A Rollway,31309A H Rollway,31309A Neutral.
Международная стандартизации ISO
HR31309J
В наличии
| Обозначение | Конструктивные изменения |
|---|---|
| HR31309JDF+KRCA90 | Дорожки качения наружного кольца. угол контакта и ширина наружного кольца в соответствии с ISO. Комплект подшипников с кольцевой проставкой между наружными кольцами. Комплект из двух подшипников. согласованных для установки по Х-образной схеме. Число. следующее непосредственно после букв DF. обозначает конструкцию промежуточного кольца. |
Модификации конического роликового подшипника HR31309J — это измененное основное конструктивное исполнение HR31309, основные размеры (45x100x27) не отличаются.
| Обозначение | Гост | Конструктивные особенности |
|---|---|---|
| 31309 | ISO | однорядный конический роликовый подшипник. |
| 31309A | ISO | Соответствует стандартам ISO с улучшенными характеристиками. |
| 31309J1 | ISO | Прессованный стальной сепаратор. |
| 31309J2 | ISO | Штампованный стальной сепаратор. центрируемый по роликам. Число после J указывает на различные конструктивные исполнения сепаратора. |
| 30309J1 | ISO | Прессованный стальной сепаратор. |
| 30309AFA | ISO | Модификация внутренней конструкции. |
| 30309DY | ISO | Конические роликоподшипники. произведенные в Корее и продаваемые под торговой маркой FAG. могут быть идентифицированы по суффиксу -DY/-DZ. |
| 31309J2/QCLN | ISO | Оптимизированная геометрия и специальная обработка контактных поверхностей. Штампованный стальной сепаратор. центрируемый по роликам. Число после J указывает на различные конструктивные исполнения сепаратора. Reduced Tolerances For Ring Widths And Total (Abutment) Width_ Corresponds To ISO Tolerance Class 6X. |
| 30309E | ISO | Повышенная грузоподъемность. |
| 31309J | ISO | Дорожки качения наружного кольца. угол контакта и ширина наружного кольца в соответствии с ISO. |
| 30309-OEM | ISO | Производитель оригинального оборудования. |
| 31309-90KA1 | ISO | Assembly Code. |
| HR30309DJ | ISO | Угол контакта (от 24 до 32 градусов). Метрическая серия. Дорожки качения наружного кольца. угол контакта и ширина наружного кольца в соответствии с ISO. Для конических роликоподшипников и радиальных шарикоподшипников. |
| 4T-30309D | ISO | Угол контакта (от 24 до 32 градусов). Метрическая серия. Цементованная сталь. |
| VKHB2680MY | ISO | Механически обработанный латунный сепаратор. |
| 30309DJR | ISO | Tapered Roller Bearing. Steep Угол контакта (24). Tapered Roller Bearing Conforming To ISO R355 (Sub-Unit. Metric Series). Exemple/ 30206JR. To 32 Degrees). Metric Series. |
| 31309J2/CL7A | ISO | Штампованный стальной сепаратор. центрируемый по роликам. Число после J указывает на различные конструктивные исполнения сепаратора. Высокопроизводительная конструкция для подшипниковых узлов шестерен (заменена на CL7C). |
| 31309J2/Q | ISO | Оптимизированная геометрия и специальная обработка контактных поверхностей. Штампованный стальной сепаратор. центрируемый по роликам. Число после J указывает на различные конструктивные исполнения сепаратора. |
| 31309A CL7C | ISO | Двухрядный радиально-упорный шарикоподшипник без отверстия для смазки. Высокоэффективная конструкция для шестерней подшипниковых узлов. (100% взаимозаменяемость с базовым обозначением). |
| 30309DJRN | ISO | Угол контакта (от 24 до 32 градусов). Метрическая серия. Tapered Roller Bearing Conforming To Iso R355. Sub-Unit. Metric Series. |
| 31309-H | ISO | Произведен в Китае. |
| 30309-H | ISO | Произведен в Китае. |
| 31309V B22 | ISO | Повышенная грузоподъемность. Измененный внутренний дизайн. |
Аналог конического роликового подшипника HR31309J — это подшипник такого же размера dx45,Dx100,Bx27, типа и конструкции.
| Обозначение | Конструктивные особенности | Внутренний (d) | Наружный (D) | Ширина (B) |
|---|---|---|---|---|
| 6-7309 А1 | Роликовый радиальный-упорный однорядный подшипник. Повышенная грузоподъемность. | 45.00 | 100.00 | 27.50 |
| 27309-А | Роликовый радиальный-упорный однорядный подшипник. Повышенная грузоподъемность. | 45.00 | 100.00 | 27.25 |
| 4-7309 КШ | Роликовый радиальный-упорный однорядный подшипник. Кольцевая проточка на середине цилиндрической наружной поверхности наружного кольца плюс три отверстия для смазки. Нормы шумности. | 45.00 | 100.00 | 27.50 |
| У-7309 А1 | Роликовый радиальный-упорный однорядный подшипник. Повышенная грузоподъемность. | 45.00 | 100.00 | 27.50 |
| E30309J | Роликовый радиальный-упорный однорядный подшипник. Дорожки качения наружного кольца. угол контакта и ширина наружного кольца в соответствии с ISO. | 45.00 | 100.00 | 27.25 |
| 4T-30309 | Роликовый радиальный-упорный конический однорядный подшипник. Цементованная сталь. | 45.00 | 100.00 | 27.25 |
| X30309M/Y30309M | Роликовый радиальный-упорный однорядный подшипник. Подшипник с латунным сепаратором. центрированный по телам качения. | 45.00 | 100.00 | 27.25 |
| X31309M/Y31309M | Роликовый радиальный-упорный однорядный подшипник. Подшипник с латунным сепаратором. центрированный по телам качения. | 45.00 | 100.00 | 27.66 |
| SB0910N | Шариковый радиальный однорядный подшипник. Канавка под стопорное кольцо на внешнем кольце. | 45.00 | 100.00 | 28.00 |
| 7309-А | Роликовый радиальный-упорный однорядный подшипник. Повышенная грузоподъемность. | 45.00 | 100.00 | 27.50 |
| 7309-А1 | Роликовый радиальный-упорный однорядный подшипник. Повышенная грузоподъемность. | 45.00 | 100.00 | 27.50 |
| Э-7309 А | Роликовый радиальный-упорный однорядный подшипник. Повышенная грузоподъемность. | 45.00 | 100.00 | 27.50 |
| 30309F | Роликовый радиальный-упорный конический однорядный подшипник. Сепаратор из обработанной стали или специального чугуна. | 45.00 | 100.00 | 27.25 |
| 31309F | Роликовый радиальный-упорный однорядный подшипник. Сепаратор из обработанной стали или специального чугуна. | 45.00 | 100.00 | 27.25 |
| 30309CR | Роликовый радиальный-упорный однорядный подшипник. (TB-Segment) Phenolic (Composition) Fafnir Standard. | 45.00 | 100.00 | 27.25 |
Способы доставки
Отправка через ведущие транспортные и курьерские компании: ПЭК, Деловые Линии, СДЭК, Байкал-Сервис, Энергия, КИТ, ЖелДорЭкспедиция.
Самовывоз возможен напрямую со склада в Москве.
Сроки доставки
Срок зависит от региона и выбранной транспортной компании. Все заказы комплектуются и отправляются в кратчайшие сроки со склада в Москве.
Надёжность и сохранность
Вся продукция упаковывается с учётом требований транспортировки. Мы гарантируем, что подшипники и комплектующие прибудут к заказчику в полной сохранности.
Доставка в страны ЕАЭС
Мы работаем с проверенными логистическими партнёрами, что позволяет оперативно доставлять заказы в Беларусь, Казахстан, Армению и другие страны ЕАЭС.
Варианты оплаты:
Минимальная сумма заказа и скидки:
Документы и гарантии:
Да, конечно! Наши технические специалисты готовы помочь вам с подбором точного аналога или замены подшипника. Просто позвоните нам по телефону +7 (495) 104-99-04 или напишите на почту zakaz@podsnab.ru.
Для оперативной консультации подготовьте, пожалуйста, имеющиеся данные: маркировку, размеры, тип оборудования или артикул старого подшипника.
Да, конечно! Мы высоко ценим долгосрочное сотрудничество и доверие клиентов по всей России. Для постоянных клиентов действует персональная система скидок.
Условия формируются индивидуально и зависят от:
Чтобы узнать свои условия и получить максимально выгодное предложение, свяжитесь с персональным менеджером или напишите нам на почту zakaz@podsnab.ru.
Вы можете оформить заказ несколькими способами:
Для оформления заказа от юридического лица свяжитесь с нашим отделом по работе с корпоративными клиентами по телефону +7 (495) 104-99-04 или напишите на email zakaz@podsnab.ru, прикрепив реквизиты вашей организации.
Мы оперативно подготовим коммерческое предложение и выставим счет.
Возврат товара надлежащего качества возможен в течение 10 дней с момента получения, если товар не был в употреблении, сохранен товарный вид, упаковка не вскрывалась и присутствуют все сопроводительные документы.
Возврат денежных средств осуществляется в течение 10 рабочих дней после проверки товара складом.
В соответствии с законодательством возврату не подлежат подшипники надлежащего качества, если отсутствует оригинальная упаковка или имеются следы монтажа.
В случае выявления брака или гарантийного случая мы гарантируем возврат или обмен товара.
Да, гарантийный срок хранения устанавливается заводом-изготовителем и в среднем составляет 2 года при соблюдении условий хранения: сухое помещение, оригинальная упаковка и смазка.
Точный срок для конкретного типа подшипника уточняйте у наших менеджеров.
Пн–Пт: с 8:00 до 17:00 (МСК).
Сб–Вс: выходные дни.
Заказы на сайте принимаются круглосуточно. Заявки, поступившие после окончания рабочего дня, обрабатываются на следующий рабочий день.
Минимальная сумма заказа для доставки составляет 3000 рублей. Самовывоз со склада возможен на любую сумму при наличии товара.
ООО «УралТехГрупп»
ИНН: 7415093830
КПП: 772401001
ОГРН: 1167456069021
Банк: ПАО Сбербанк
Р/с: 40702810838000475273
К/с: 30101810400000000225
БИК: 044525225
У подшипника HR31309J пока нет отзывов. Вы можете стать первым покупателем, поделившимся своим мнением.