Поиск подшипника
Статьи
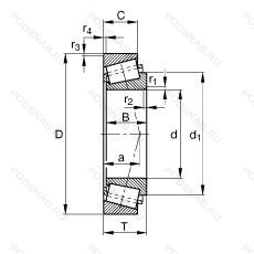
30215-XL — Однорядный конический роликовый подшипник, модификация основного исполнения 30215, производство FAG.
Размер подшипника: 75x130x27 мм.
Серия x live.
Аналоги: 30215-A FAG,30215J2 SKF,30215-90KB1 Timken,30215JR Koyo,30215F AS - Fersa,E30215J Nachi,30215C Steyr,30215A URB,30215 IBB Fiedler.
Международная стандартизации ISO
30215XL
В наличии
| Обозначение | Конструктивные изменения |
|---|---|
| 30215C | 15° Угол контакта. |
| 30215P6 | Размерные и геометрические допуски соответствуют классу точности P6. |
| 30215J2/DFC140 | Штампованный стальной сепаратор. центрируемый по роликам. Число после J указывает на различные конструктивные исполнения сепаратора. |
| 30215A.P6 | Модификация внутренней конструкции. Размерные и геометрические допуски соответствуют классу точности P6. |
| 30215-90KA1 | Assembly Code. |
| 30215M-90KM1 | Подшипник с латунным сепаратором. центрированный по телам качения. |
| 30215-A-N11CA-A80-120 | Модификация внутренней конструкции. Два Х-расположенных конических роликоподшипника. С прокладками между чашками. Осевой зазор в мкм. |
| 30215-92H50 | Timken Inspection Code. |
| 30215J2/Q | Оптимизированная геометрия и специальная обработка контактных поверхностей. Штампованный стальной сепаратор. центрируемый по роликам. Число после J указывает на различные конструктивные исполнения сепаратора. |
| 30215JR | TAPERED ROLLER BEARING CONFORMING TO ISO R355 (SUB-UNIT. METRIC SERIES). EXAMPLE/ 30206JR. |
| 30215J2 | Штампованный стальной сепаратор. центрируемый по роликам. Число после J указывает на различные конструктивные исполнения сепаратора. |
| 30215U | Конические роликоподшипники с возможностью взаимозаменять друг друга. |
| 30215P5 | Размерная и рабочая точность соответствует классу допуска ISO 5. |
| 30215J2/W64 | Антифрикционный заполнитель. твердая смазка. Штампованный стальной сепаратор. центрируемый по роликам. Число после J указывает на различные конструктивные исполнения сепаратора. |
| 30215M | (Конус/внутренняя поверхность и чашка/внешняя поверхность) Компоненты со сквозной закалкой. Номера деталей DIN 720. Номера деталей IsoClass. |
| 30215J2/QDF | Оптимизированная геометрия и специальная обработка контактных поверхностей. Штампованный стальной сепаратор. центрируемый по роликам. Число после J указывает на различные конструктивные исполнения сепаратора. Комплект из двух подшипников. согласованных для установки по Х-образной схеме. Число. следующее непосредственно после букв DF. обозначает конструкцию промежуточного кольца. |
| 30215T70J2/DBC270 | Комплект из двух подшипников. согласованных для установки по О-образной схеме. Число. следующее непосредственно после букв DB обозначает конструкцию проставочных колец в комплекте. Штампованный стальной сепаратор. центрируемый по роликам. Число после J указывает на различные конструктивные исполнения сепаратора. T - за которым следует цифра. обозначает общую ширину пар подшипников. расположенных «спина к спине» или «тандем». Осевой зазор в мкм. |
| 30215-A-P5 | Модификация внутренней конструкции. Размерная и рабочая точность соответствует классу допуска ISO 5. |
| 30215-H | Произведен в Китае. |
| 30215J2/QCLN | Оптимизированная геометрия и специальная обработка контактных поверхностей. Штампованный стальной сепаратор. центрируемый по роликам. Число после J указывает на различные конструктивные исполнения сепаратора. Reduced Tolerances For Ring Widths And Total (Abutment) Width_ Corresponds To ISO Tolerance Class 6X. |
| 30215-XL-P5 | Серия X Live. Размерная и рабочая точность соответствует классу допуска ISO 5. |
| 4T-30215DF | Комплект из двух подшипников. согласованных для установки по Х-образной схеме. Число. следующее непосредственно после букв DF. обозначает конструкцию промежуточного кольца. Цементованная сталь. |
| 30215F | Сепаратор из обработанной стали или специального чугуна. |
| 30215J/DF | Дорожки качения наружного кольца. угол контакта и ширина наружного кольца в соответствии с ISO. Комплект из двух подшипников. согласованных для установки по Х-образной схеме. Число. следующее непосредственно после букв DF. обозначает конструкцию промежуточного кольца. |
| 30215CR | (TB-Segment) Phenolic (Composition) Fafnir Standard. |
Модификации конического роликового подшипника 30215-XL — это измененное основное конструктивное исполнение 30215, основные размеры (75x130x27) не отличаются.
| Обозначение | Гост | Конструктивные особенности |
|---|---|---|
| E30215J | ISO | Дорожки качения наружного кольца. угол контакта и ширина наружного кольца в соответствии с ISO. |
| 4T-30215P5 | ISO | Размерная и рабочая точность соответствует классу допуска ISO 5. |
| HR30215J | ISO | Дорожки качения наружного кольца. угол контакта и ширина наружного кольца в соответствии с ISO. Для конических роликоподшипников и радиальных шарикоподшипников. |
| 4T-30215 | ISO | Цементованная сталь. |
Аналог конического роликового подшипника 30215-XL — это подшипник такого же размера dx75,Dx130,Bx27, типа и конструкции.
| Обозначение | Конструктивные особенности | Внутренний (d) | Наружный (D) | Ширина (B) |
|---|---|---|---|---|
| 2В0-7215 К1Ш2W | Роликовый радиальный-упорный однорядный подшипник. Детали из вакуумированной стали.. Нормы шумности. | 75.00 | 130.00 | 27.25 |
| 7215-К1УШ2W | Роликовый радиальный-упорный однорядный подшипник. Детали из вакуумированной стали.. Кольцевая проточка на середине цилиндрической наружной поверхности наружного кольца плюс три отверстия для смазки. Дополнительные технические требования. Нормы шумности. | 75.00 | 130.00 | 27.25 |
| 7215-К1W | Роликовый радиальный-упорный однорядный подшипник. Детали из вакуумированной стали.. Кольцевая проточка на середине цилиндрической наружной поверхности наружного кольца плюс три отверстия для смазки. | 75.00 | 130.00 | 27.25 |
| 6-7215 АШ1 | Роликовый радиальный-упорный однорядный подшипник. Повышенная грузоподъемность. Нормы шумности. | 75.00 | 130.00 | 27.25 |
| 6-7215 АШ | Роликовый радиальный-упорный однорядный подшипник. Повышенная грузоподъемность. Нормы шумности. | 75.00 | 130.00 | 27.25 |
| 2В0-7215 К1УШ2 | Роликовый радиальный-упорный однорядный подшипник. Дополнительные технические требования. Нормы шумности. | 75.00 | 130.00 | 27.00 |
| С8-7215 К1УШ2 | Роликовый радиальный-упорный однорядный подшипник. Дополнительные технические требования. Нормы шумности. | 75.00 | 130.00 | 27.25 |
| X30215M/Y30215M | Роликовый радиальный-упорный однорядный подшипник. Подшипник с латунным сепаратором. центрированный по телам качения. | 75.00 | 130.00 | 27.25 |
| ВО-7215 К1Ш2 | Роликовый радиальный-упорный однорядный подшипник. Нормы шумности. | 75.00 | 130.00 | 27.25 |
| 6-7215 А1 | Роликовый радиальный-упорный однорядный подшипник. Повышенная грузоподъемность. | 75.00 | 130.00 | 27.25 |
| 6-7515 А | Роликовый радиальный-упорный однорядный подшипник. Повышенная грузоподъемность. | 75.00 | 130.00 | 27.00 |
| 7215-А1 | Роликовый радиальный-упорный однорядный подшипник. Повышенная грузоподъемность. | 75.00 | 130.00 | 27.25 |
| 7215-К1 | Роликовый радиальный-упорный однорядный подшипник. Кольцевая проточка на середине цилиндрической наружной поверхности наружного кольца плюс три отверстия для смазки. | 75.00 | 130.00 | 27.25 |
| 7215-К1УШ2 | Роликовый радиальный-упорный однорядный подшипник. Кольцевая проточка на середине цилиндрической наружной поверхности наружного кольца плюс три отверстия для смазки. Дополнительные технические требования. Нормы шумности. | 75.00 | 130.00 | 27.25 |
| 5-7215-У1 | Роликовый радиальный-упорный однорядный подшипник. Дополнительные технические требования. | 75.00 | 130.00 | 27.25 |
Способы доставки
Отправка через ведущие транспортные и курьерские компании: ПЭК, Деловые Линии, СДЭК, Байкал-Сервис, Энергия, КИТ, ЖелДорЭкспедиция.
Самовывоз возможен напрямую со склада в Москве.
Сроки доставки
Срок зависит от региона и выбранной транспортной компании. Все заказы комплектуются и отправляются в кратчайшие сроки со склада в Москве.
Надёжность и сохранность
Вся продукция упаковывается с учётом требований транспортировки. Мы гарантируем, что подшипники и комплектующие прибудут к заказчику в полной сохранности.
Доставка в страны ЕАЭС
Мы работаем с проверенными логистическими партнёрами, что позволяет оперативно доставлять заказы в Беларусь, Казахстан, Армению и другие страны ЕАЭС.
Варианты оплаты:
Минимальная сумма заказа и скидки:
Документы и гарантии:
Да, конечно! Наши технические специалисты готовы помочь вам с подбором точного аналога или замены подшипника. Просто позвоните нам по телефону +7 (495) 104-99-04 или напишите на почту zakaz@podsnab.ru.
Для оперативной консультации подготовьте, пожалуйста, имеющиеся данные: маркировку, размеры, тип оборудования или артикул старого подшипника.
Да, конечно! Мы высоко ценим долгосрочное сотрудничество и доверие клиентов по всей России. Для постоянных клиентов действует персональная система скидок.
Условия формируются индивидуально и зависят от:
Чтобы узнать свои условия и получить максимально выгодное предложение, свяжитесь с персональным менеджером или напишите нам на почту zakaz@podsnab.ru.
Вы можете оформить заказ несколькими способами:
Для оформления заказа от юридического лица свяжитесь с нашим отделом по работе с корпоративными клиентами по телефону +7 (495) 104-99-04 или напишите на email zakaz@podsnab.ru, прикрепив реквизиты вашей организации.
Мы оперативно подготовим коммерческое предложение и выставим счет.
Возврат товара надлежащего качества возможен в течение 10 дней с момента получения, если товар не был в употреблении, сохранен товарный вид, упаковка не вскрывалась и присутствуют все сопроводительные документы.
Возврат денежных средств осуществляется в течение 10 рабочих дней после проверки товара складом.
В соответствии с законодательством возврату не подлежат подшипники надлежащего качества, если отсутствует оригинальная упаковка или имеются следы монтажа.
В случае выявления брака или гарантийного случая мы гарантируем возврат или обмен товара.
Да, гарантийный срок хранения устанавливается заводом-изготовителем и в среднем составляет 2 года при соблюдении условий хранения: сухое помещение, оригинальная упаковка и смазка.
Точный срок для конкретного типа подшипника уточняйте у наших менеджеров.
Пн–Пт: с 8:00 до 17:00 (МСК).
Сб–Вс: выходные дни.
Заказы на сайте принимаются круглосуточно. Заявки, поступившие после окончания рабочего дня, обрабатываются на следующий рабочий день.
Минимальная сумма заказа для доставки составляет 3000 рублей. Самовывоз со склада возможен на любую сумму при наличии товара.
ООО «УралТехГрупп»
ИНН: 7415093830
КПП: 772401001
ОГРН: 1167456069021
Банк: ПАО Сбербанк
Р/с: 40702810838000475273
К/с: 30101810400000000225
БИК: 044525225
У подшипника 30215-XL пока нет отзывов. Вы можете стать первым покупателем, поделившимся своим мнением.