Поиск подшипника
Статьи
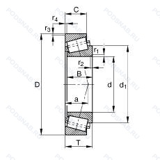
32216-XL — Однорядный конический роликовый подшипник, модификация основного исполнения 32216, производство FAG.
Размер подшипника: 80x140x35 мм.
Серия x live.
Аналоги: 32216-9X026 Timken,32216-90KB4 Timken,32216JR Koyo,32216U NTN,32216A SNR,4T-32216 NTN,32216.C SNR,32216A KLF-ZVL,7516E LYC,32216 Neutral,32216 Sin Nan Hwa.
Международная стандартизации ISO
32216XL
В наличии
| Обозначение | Конструктивные изменения |
|---|---|
| 32216 | Однорядный конический роликовый подшипник. Основное конструктивное исполнение. |
| 32216A | Соответствует стандартам ISO с улучшенными характеристиками. |
| 32216U | Конические роликоподшипники с возможностью взаимозаменять друг друга. |
| 32216J2 | Штампованный стальной сепаратор. центрируемый по роликам. Число после J указывает на различные конструктивные исполнения сепаратора. |
| 32216A.F22 | Модификация внутренней конструкции. Taper Roller Bearing. |
| 32216JR | TAPERED ROLLER BEARING CONFORMING TO ISO R355 (SUB-UNIT. METRIC SERIES). EXAMPLE/ 30206JR. |
| 32216J | Дорожки качения наружного кольца. угол контакта и ширина наружного кольца в соответствии с ISO. |
| 32216-90KA1 | Assembly Code. |
| 32216-90NA4 | Однорядный конический роликовый подшипник. |
| 32216M-90KM1 | Подшипник с латунным сепаратором. центрированный по телам качения. |
| 32216-A-N11CA-A180-220 | Модификация внутренней конструкции. Два Х-расположенных конических роликоподшипника. С прокладками между чашками. Осевой зазор в мкм. |
| 32216E | Повышенная грузоподъемность. |
| 32216J2/Q | Оптимизированная геометрия и специальная обработка контактных поверхностей. Штампованный стальной сепаратор. центрируемый по роликам. Число после J указывает на различные конструктивные исполнения сепаратора. |
| 32216A.J42C | Модификация внутренней конструкции. Специальная маркировка для конических роликоподшипников. полученных от разных производителей. |
| 32216-92H50 | Timken Inspection Code. |
| 32216DF | Комплект из двух подшипников. согласованных для установки по Х-образной схеме. Число. следующее непосредственно после букв DF. обозначает конструкцию промежуточного кольца. |
| 32216-XL-P5 | Серия X Live. Размерная и рабочая точность соответствует классу допуска ISO 5. |
| 32216-A-N11CA | Модификация внутренней конструкции. Два Х-расположенных конических роликоподшипника. С прокладками между чашками. |
| 32216J2/QDF | Оптимизированная геометрия и специальная обработка контактных поверхностей. Штампованный стальной сепаратор. центрируемый по роликам. Число после J указывает на различные конструктивные исполнения сепаратора. Комплект из двух подшипников. согласованных для установки по Х-образной схеме. Число. следующее непосредственно после букв DF. обозначает конструкцию промежуточного кольца. |
| 32216T78J2/QDBC110 | Оптимизированная геометрия и специальная обработка контактных поверхностей. Комплект из двух подшипников. согласованных для установки по О-образной схеме. Число. следующее непосредственно после букв DB обозначает конструкцию проставочных колец в комплекте. Штампованный стальной сепаратор. центрируемый по роликам. Число после J указывает на различные конструктивные исполнения сепаратора. T - за которым следует цифра. обозначает общую ширину пар подшипников. расположенных «спина к спине» или «тандем». Осевой зазор в мкм. |
| 32216-H | Произведен в Китае. |
| 32216C | Конический роликовый подшипник. Модификация внутренней конструкции. |
| 32216A.P5 | Модификация внутренней конструкции. Размерная и рабочая точность соответствует классу допуска ISO 5. |
| 32216F | Сепаратор из обработанной стали или специального чугуна. |
| 32216J/DF | Дорожки качения наружного кольца. угол контакта и ширина наружного кольца в соответствии с ISO. Комплект из двух подшипников. согласованных для установки по Х-образной схеме. Число. следующее непосредственно после букв DF. обозначает конструкцию промежуточного кольца. |
Модификации конического роликового подшипника 32216-XL — это измененное основное конструктивное исполнение 32216, основные размеры (80x140x35) не отличаются.
| Обозначение | Гост | Конструктивные особенности |
|---|---|---|
| 7516E | ISO | Повышенная грузоподъемность. |
| E32216J | ISO | Взаимозаменяемые кольца конического роликоподшипника. |
| 4T-32216 | ISO | Однорядный конический роликовый подшипник. |
| 01/02/7416 | ISO | Однорядный конический роликовый подшипник. |
| VKHB2674MY | ISO | Механически обработанный латунный сепаратор. |
| HR32216J | ISO | Дорожки качения наружного кольца. угол контакта и ширина наружного кольца в соответствии с ISO. Для конических роликоподшипников и радиальных шарикоподшипников. |
Аналог конического роликового подшипника 32216-XL — это подшипник такого же размера dx80,Dx140,Bx35, типа и конструкции.
| Обозначение | Конструктивные особенности | Внутренний (d) | Наружный (D) | Ширина (B) |
|---|---|---|---|---|
| 6-7516-АШ1 | Роликовый радиальный-упорный однорядный подшипник. Повышенная грузоподъемность. Нормы шумности. | 80.00 | 140.00 | 35.25 |
| 6-7516-А1Ш1 | Роликовый радиальный-упорный однорядный подшипник. Повышенная грузоподъемность. Нормы шумности. | 80.00 | 140.00 | 35.25 |
| 3007216А | Роликовый радиальный-упорный однорядный подшипник. Повышенная грузоподъемность. | 80.00 | 140.00 | 35.00 |
| 3067216А | Роликовый радиальный-упорный однорядный подшипник. Повышенная грузоподъемность. | 80.00 | 140.00 | 35.00 |
| 4-7516 А | Роликовый радиальный-упорный однорядный подшипник. Повышенная грузоподъемность. | 80.00 | 140.00 | 35.25 |
| X32216M/Y32216M | Роликовый радиальный-упорный однорядный подшипник. Подшипник с латунным сепаратором. центрированный по телам качения. | 80.00 | 140.00 | 35.19 |
| 6-7516-А1 | Роликовый радиальный-упорный однорядный подшипник. Повышенная грузоподъемность. | 80.00 | 140.00 | 35.25 |
| 6-7516-АХ1 | Роликовый радиальный-упорный однорядный подшипник. Повышенная грузоподъемность. Кольца и тела качения или только кольца (в том числе одно кольцо) из цементируемой стали.. | 80.00 | 140.00 | 35.25 |
| 6-7516-Х1 | Роликовый радиальный-упорный однорядный подшипник. Кольца и тела качения или только кольца (в том числе одно кольцо) из цементируемой стали.. | 80.00 | 140.00 | 35.25 |
| 6Р-7516 А1 | Роликовый радиальный-упорный однорядный подшипник. Повышенная грузоподъемность. | 80.00 | 140.00 | 35.00 |
| 7-7516 А | Роликовый радиальный-упорный однорядный подшипник. Повышенная грузоподъемность. | 80.00 | 140.00 | 35.25 |
| 7516-А1 | Роликовый радиальный-упорный однорядный подшипник. Повышенная грузоподъемность. | 80.00 | 140.00 | 35.25 |
| 7516-Х1 | Роликовый радиальный-упорный однорядный подшипник. Кольца и тела качения или только кольца (в том числе одно кольцо) из цементируемой стали.. | 80.00 | 140.00 | 35.25 |
| 7516-Ю | Роликовый радиальный-упорный однорядный подшипник. Все детали или часть деталей из нержавеющей стали.. | 80.00 | 140.00 | 35.25 |
| 5-7516 А | Роликовый радиальный-упорный однорядный подшипник. Повышенная грузоподъемность. | 80.00 | 140.00 | 35.25 |
Способы доставки
Отправка через ведущие транспортные и курьерские компании: ПЭК, Деловые Линии, СДЭК, Байкал-Сервис, Энергия, КИТ, ЖелДорЭкспедиция.
Самовывоз возможен напрямую со склада в Москве.
Сроки доставки
Срок зависит от региона и выбранной транспортной компании. Все заказы комплектуются и отправляются в кратчайшие сроки со склада в Москве.
Надёжность и сохранность
Вся продукция упаковывается с учётом требований транспортировки. Мы гарантируем, что подшипники и комплектующие прибудут к заказчику в полной сохранности.
Доставка в страны ЕАЭС
Мы работаем с проверенными логистическими партнёрами, что позволяет оперативно доставлять заказы в Беларусь, Казахстан, Армению и другие страны ЕАЭС.
Варианты оплаты:
Минимальная сумма заказа и скидки:
Документы и гарантии:
Да, конечно! Наши технические специалисты готовы помочь вам с подбором точного аналога или замены подшипника. Просто позвоните нам по телефону +7 (495) 104-99-04 или напишите на почту zakaz@podsnab.ru.
Для оперативной консультации подготовьте, пожалуйста, имеющиеся данные: маркировку, размеры, тип оборудования или артикул старого подшипника.
Да, конечно! Мы высоко ценим долгосрочное сотрудничество и доверие клиентов по всей России. Для постоянных клиентов действует персональная система скидок.
Условия формируются индивидуально и зависят от:
Чтобы узнать свои условия и получить максимально выгодное предложение, свяжитесь с персональным менеджером или напишите нам на почту zakaz@podsnab.ru.
Вы можете оформить заказ несколькими способами:
Для оформления заказа от юридического лица свяжитесь с нашим отделом по работе с корпоративными клиентами по телефону +7 (495) 104-99-04 или напишите на email zakaz@podsnab.ru, прикрепив реквизиты вашей организации.
Мы оперативно подготовим коммерческое предложение и выставим счет.
Возврат товара надлежащего качества возможен в течение 10 дней с момента получения, если товар не был в употреблении, сохранен товарный вид, упаковка не вскрывалась и присутствуют все сопроводительные документы.
Возврат денежных средств осуществляется в течение 10 рабочих дней после проверки товара складом.
В соответствии с законодательством возврату не подлежат подшипники надлежащего качества, если отсутствует оригинальная упаковка или имеются следы монтажа.
В случае выявления брака или гарантийного случая мы гарантируем возврат или обмен товара.
Да, гарантийный срок хранения устанавливается заводом-изготовителем и в среднем составляет 2 года при соблюдении условий хранения: сухое помещение, оригинальная упаковка и смазка.
Точный срок для конкретного типа подшипника уточняйте у наших менеджеров.
Пн–Пт: с 8:00 до 17:00 (МСК).
Сб–Вс: выходные дни.
Заказы на сайте принимаются круглосуточно. Заявки, поступившие после окончания рабочего дня, обрабатываются на следующий рабочий день.
Минимальная сумма заказа для доставки составляет 3000 рублей. Самовывоз со склада возможен на любую сумму при наличии товара.
ООО «УралТехГрупп»
ИНН: 7415093830
КПП: 772401001
ОГРН: 1167456069021
Банк: ПАО Сбербанк
Р/с: 40702810838000475273
К/с: 30101810400000000225
БИК: 044525225
У подшипника 32216-XL пока нет отзывов. Вы можете стать первым покупателем, поделившимся своим мнением.