Поиск подшипника
Статьи
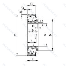
KLM11749/LM11710 — Однорядный конический роликовый подшипник, модификация основного исполнения KLM11749, производство FAG.
Размер подшипника: 17x39x13 мм.
Альтернативное обозначение: LM11749/710, LM11749-20024 / 710-20024, LM11749-902M4, LM11749-99401, SET1.
Аналоги: SET1 Timken,LM11749/LM11710 ZKL,LM11749/10 LYC,LM11749/LM11710 MTK.
Международная стандартизации ISO
KLM11749LM11710
В наличии
| Обозначение | Конструктивные изменения |
|---|---|
| KLM11749-LM11710-CZ | Однорядный конический роликовый подшипник. |
| KLM11749.LM11710TVP | Сепаратор из полиамида. |
| KLM11749.LM11710.J22C | Продукция без маркировки или с ограниченной маркировкой. Технические характеристики упаковки J22C. Заменяет Z67. |
Модификации конического роликового подшипника KLM11749/LM11710 — это измененное основное конструктивное исполнение KLM11749, основные размеры (17x39x13) не отличаются.
| Обозначение | Гост | Конструктивные особенности |
|---|---|---|
| LM11749/LM11710 | ISO | Механически обработанный латунный сепаратор. |
| LM11749/10 | ISO | Distance Between Beginning Of The Rail And First Hole In MM. |
| LM11749/LM11710/Q | ISO | Подшипники класса TQ-Line. имеющих суффикс Q в обозначении. являются основой для производства подшипников SKF. |
| 30203J2 | ISO | Штампованный стальной сепаратор. центрируемый по роликам. Число после J указывает на различные конструктивные исполнения сепаратора. |
| LM11749/710/QVC027VK210 | ISO | Оптимизированная геометрия и специальная обработка контактных поверхностей. На подшипнике не может быть нанесен логотип клиента, может использоваться как стандарт. Modified Internal Geometry For Increased Permissible Misalignment. |
| 30203DY | ISO | Конические роликоподшипники. произведенные в Корее и продаваемые под торговой маркой FAG. могут быть идентифицированы по суффиксу -DY/-DZ. |
| 30203J3 | ISO | Штампованный стальной сепаратор. центрируемый по роликам. Число после J указывает на различные конструктивные исполнения сепаратора. |
| 30203J2/W64E | ISO | Solid Oil Filling And E (Extreme Pressure Grease). Штампованный стальной сепаратор. центрируемый по роликам. Число после J указывает на различные конструктивные исполнения сепаратора. |
| 30203J2/W64 | ISO | Антифрикционный заполнитель. твердая смазка. Штампованный стальной сепаратор. центрируемый по роликам. Число после J указывает на различные конструктивные исполнения сепаратора. |
| 47KT5 30203-ENH | ISO | Enhanced. |
| 4T-30203 | ISO | Цементованная сталь. |
| 30203J2/Q | ISO | Оптимизированная геометрия и специальная обработка контактных поверхностей. Штампованный стальной сепаратор. центрируемый по роликам. Число после J указывает на различные конструктивные исполнения сепаратора. |
| LM11749RG/LM11710RG | ISO | Соответствует стандарту AFBMA. Углеродистые чаши и конусы корпуса. |
| K-LM11749/710/QVC027 | ISO | Оптимизированная геометрия и специальная обработка контактных поверхностей. Modified Internal Geometry For Increased Permissible Misalignment. |
| K-LM11749/710/Q | ISO | Подшипники класса TQ-Line. имеющих суффикс Q в обозначении. являются основой для производства подшипников SKF. |
| 30203P5 | ISO | Размерная и рабочая точность соответствует классу допуска ISO 5. |
| LM11749/710/Q | ISO | Подшипники класса TQ-Line. имеющих суффикс Q в обозначении. являются основой для производства подшипников SKF. |
| LM11749/LM11710RG | ISO | Соответствует стандарту AFBMA. Углеродистые чаши и конусы корпуса. |
| HR30203J | ISO | Дорожки качения наружного кольца. угол контакта и ширина наружного кольца в соответствии с ISO. Для конических роликоподшипников и радиальных шарикоподшипников. |
| 30203-H | ISO | Произведен в Китае. |
| SET1 | ISO | Однорядный конический роликовый подшипник. |
| 4T-30203P5 | ISO | Размерная и рабочая точность соответствует классу допуска ISO 5. |
| H-E30203J | ISO | Взаимозаменяемые кольца конического роликоподшипника. |
Аналог конического роликового подшипника KLM11749/LM11710 — это подшипник такого же размера dx17,Dx39,Bx13, типа и конструкции.
| Обозначение | Конструктивные особенности | Внутренний (d) | Наружный (D) | Ширина (B) |
|---|---|---|---|---|
| 5-46203 Р | Шариковый радиально-упорный однорядный подшипник. Детали из теплоустойчивой (быстрорежущие) стали.. | 17.00 | 40.00 | 12.00 |
| 5-66203 К | Шариковый радиально-упорный однорядный подшипник. «Замок» (скос) на внутреннем кольце плюс массивный сепаратор из текстолита. | 17.00 | 40.00 | 12.00 |
| 5-80203 С9 | Шариковый радиальный однорядный подшипник. Смазка ЛЗ-31. | 17.00 | 40.00 | 12.00 |
| 50203-А | Шариковый радиальный однорядный подшипник. Повышенная грузоподъемность. | 17.00 | 40.00 | 12.00 |
| 55-32203 Б1 | Роликовый радиальный однорядный подшипник. Сепаратор из безоловянистой бронзы.. | 17.00 | 40.00 | 12.00 |
| 55-32203 Б2 | Роликовый радиальный однорядный подшипник. Сепаратор из безоловянистой бронзы.. | 17.00 | 40.00 | 12.00 |
| 55-32203 Б3 | Роликовый радиальный однорядный подшипник. Сепаратор из безоловянистой бронзы.. | 17.00 | 40.00 | 12.00 |
| 550703-М | Шариковый радиальный однорядный подшипник. Модифицированный контакт.. | 17.00 | 40.00 | 13.00 |
| 6-180203 А1С17 | Шариковый радиальный однорядный подшипник. Смазка Литол-24. Повышенная грузоподъемность. | 17.00 | 40.00 | 12.00 |
| 6-180203 А1С17Ш | Шариковый радиальный однорядный подшипник. Смазка Литол-24. Повышенная грузоподъемность. Нормы шумности. | 17.00 | 40.00 | 12.00 |
| 6-180203 А1С9 | Шариковый радиальный однорядный подшипник. Повышенная грузоподъемность. Смазка ЛЗ-31. | 17.00 | 40.00 | 12.00 |
| 6-180203 АК1С9 | Шариковый радиальный однорядный подшипник. Повышенная грузоподъемность. Смазка ЛЗ-31. | 17.00 | 40.00 | 12.00 |
| 6-180203 АС17 | Шариковый радиальный однорядный подшипник. Смазка Литол-24. Повышенная грузоподъемность. | 17.00 | 40.00 | 12.00 |
| 6-180203 АС9 | Шариковый радиальный однорядный подшипник. Повышенная грузоподъемность. Смазка ЛЗ-31. | 17.00 | 40.00 | 12.00 |
| 6-180203 К1С17 | Шариковый радиальный однорядный подшипник. Смазка Литол-24. | 17.00 | 40.00 | 12.00 |
Способы доставки
Отправка через ведущие транспортные и курьерские компании: ПЭК, Деловые Линии, СДЭК, Байкал-Сервис, Энергия, КИТ, ЖелДорЭкспедиция.
Самовывоз возможен напрямую со склада в Москве.
Сроки доставки
Срок зависит от региона и выбранной транспортной компании. Все заказы комплектуются и отправляются в кратчайшие сроки со склада в Москве.
Надёжность и сохранность
Вся продукция упаковывается с учётом требований транспортировки. Мы гарантируем, что подшипники и комплектующие прибудут к заказчику в полной сохранности.
Доставка в страны ЕАЭС
Мы работаем с проверенными логистическими партнёрами, что позволяет оперативно доставлять заказы в Беларусь, Казахстан, Армению и другие страны ЕАЭС.
Варианты оплаты:
Минимальная сумма заказа и скидки:
Документы и гарантии:
Да, конечно! Наши технические специалисты готовы помочь вам с подбором точного аналога или замены подшипника. Просто позвоните нам по телефону +7 (495) 104-99-04 или напишите на почту zakaz@podsnab.ru.
Для оперативной консультации подготовьте, пожалуйста, имеющиеся данные: маркировку, размеры, тип оборудования или артикул старого подшипника.
Да, конечно! Мы высоко ценим долгосрочное сотрудничество и доверие клиентов по всей России. Для постоянных клиентов действует персональная система скидок.
Условия формируются индивидуально и зависят от:
Чтобы узнать свои условия и получить максимально выгодное предложение, свяжитесь с персональным менеджером или напишите нам на почту zakaz@podsnab.ru.
Вы можете оформить заказ несколькими способами:
Для оформления заказа от юридического лица свяжитесь с нашим отделом по работе с корпоративными клиентами по телефону +7 (495) 104-99-04 или напишите на email zakaz@podsnab.ru, прикрепив реквизиты вашей организации.
Мы оперативно подготовим коммерческое предложение и выставим счет.
Возврат товара надлежащего качества возможен в течение 10 дней с момента получения, если товар не был в употреблении, сохранен товарный вид, упаковка не вскрывалась и присутствуют все сопроводительные документы.
Возврат денежных средств осуществляется в течение 10 рабочих дней после проверки товара складом.
В соответствии с законодательством возврату не подлежат подшипники надлежащего качества, если отсутствует оригинальная упаковка или имеются следы монтажа.
В случае выявления брака или гарантийного случая мы гарантируем возврат или обмен товара.
Да, гарантийный срок хранения устанавливается заводом-изготовителем и в среднем составляет 2 года при соблюдении условий хранения: сухое помещение, оригинальная упаковка и смазка.
Точный срок для конкретного типа подшипника уточняйте у наших менеджеров.
Пн–Пт: с 8:00 до 17:00 (МСК).
Сб–Вс: выходные дни.
Заказы на сайте принимаются круглосуточно. Заявки, поступившие после окончания рабочего дня, обрабатываются на следующий рабочий день.
Минимальная сумма заказа для доставки составляет 3000 рублей. Самовывоз со склада возможен на любую сумму при наличии товара.
ООО «УралТехГрупп»
ИНН: 7415093830
КПП: 772401001
ОГРН: 1167456069021
Банк: ПАО Сбербанк
Р/с: 40702810838000475273
К/с: 30101810400000000225
БИК: 044525225
У подшипника KLM11749/LM11710 пока нет отзывов. Вы можете стать первым покупателем, поделившимся своим мнением.