Поиск подшипника
Статьи
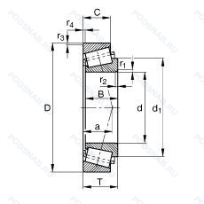
KLM11949.LM11910 — Однорядный конический роликовый подшипник, модификация основного исполнения KLM11949, производство FAG.
Размер подшипника: 19x45x15 мм.
Альтернативное обозначение: 505508, LM11949/910.
Аналоги: KLM11949-LM11910 FAG,LM11949/910/Q SKF,LM11949/LM11910 Koyo,LM11949/LM11910 LSA,IR2030 IRB Rolamentos,LM11949/10 KBF,7804 KG,LM11949/LM11910 Neutral,LM11949/10 HCH,11949/910 Neutral.
Международная стандартизации ISO
KLM11949LM11910
В наличии
| Обозначение | Конструктивные изменения |
|---|---|
| KLM11949-LM11910-CZ | Однорядный конический роликовый подшипник. |
| KLM11949C/KLM11910C | (Чашка/внешнее кольцо) Размеры отличаются от основного номера детали (невзаимозаменяемые). |
| KLM11949-LM11910-SNZ1 | Stands For The FAG Brand. |
| KLM11949/KLM11910 | Однорядный конический роликовый подшипник. |
Модификации конического роликового подшипника KLM11949.LM11910 — это измененное основное конструктивное исполнение KLM11949, основные размеры (19x45x15) не отличаются.
| Обозначение | Гост | Конструктивные особенности |
|---|---|---|
| 7804 | ISO | Однорядный конический роликовый подшипник. |
| 11949/910 | ISO | Однорядный конический роликовый подшипник. |
| LM11949/LM11910 | ISO | Механически обработанный латунный сепаратор. |
| LM11949/10 | ISO | Distance Between Beginning Of The Rail And First Hole In MM. |
| LM11949G/LM11910G | ISO | Bearing Made Of Carburized Steel. |
| LM11949.LM11910.J22R | ISO | Сделано в Корее. |
| SET2 | ISO | Однорядный конический роликовый подшипник. |
| LM11949.LM11910CZ | ISO | Однорядный конический роликовый подшипник. |
| LM11949RS/LM11910 | ISO | Резиновое уплотнение с одной стороны. |
| LM11949.LM11910.J22C | ISO | Продукция без маркировки или с ограниченной маркировкой. Технические характеристики упаковки J22C. Заменяет Z67. |
| LM11949C/LM11910C | ISO | (Чашка/внешнее кольцо) Размеры отличаются от основного номера детали (невзаимозаменяемые). |
| IR2032 | ISO | Однорядный конический роликовый подшипник. |
| IR12030 | ISO | Однорядный конический роликовый подшипник. |
| LM11949/910 | ISO | Однорядный конический роликовый подшипник. |
| LM11949C-902M1 | ISO | 15° Угол контакта. |
| LM11949R/LM11910 | ISO | С выпуклыми асимметричными роликами и обработанным сепаратором. |
| LM11949R/910RNES4C02 | ISO | Соответствует стандарту AFBMA. |
| LM11949/910/Q | ISO | Подшипники класса TQ-Line. имеющих суффикс Q в обозначении. являются основой для производства подшипников SKF. |
| LM11949R/LM11910R | ISO | Соответствует стандарту AFBMA. |
| 7804 | ГОСТ | Однорядный конический роликовый подшипник. |
Аналог конического роликового подшипника KLM11949.LM11910 — это подшипник такого же размера dx19,Dx45,Bx15, типа и конструкции.
| Обозначение | Конструктивные особенности | Внутренний (d) | Наружный (D) | Ширина (B) |
|---|---|---|---|---|
| 6-7804 ХУ | Роликовый радиальный-упорный однорядный подшипник. Дополнительные технические требования. Кольца и тела качения или только кольца (в том числе одно кольцо) из цементируемой стали.. | 19.05 | 45.25 | 15.49 |
| 4-7804-У | Роликовый радиальный-упорный однорядный подшипник. Дополнительные технические требования. | 19.05 | 45.25 | 15.49 |
| 6-7804 УШ1 | Роликовый радиальный-упорный однорядный подшипник. Дополнительные технические требования. Нормы шумности. | 19.05 | 45.25 | 15.49 |
| 6-7804 УШ | Роликовый радиальный-упорный однорядный подшипник. Дополнительные технические требования. Нормы шумности. | 19.05 | 45.25 | 15.49 |
| RN304-E-MPBX | Роликовый радиальный однорядный подшипник. Повышенная грузоподъемность. | 20.00 | 45.50 | 15.00 |
| 8-7804 У | Роликовый радиальный-упорный однорядный подшипник. Дополнительные технические требования. | 19.05 | 45.25 | 15.49 |
| 6-7804 А | Роликовый радиальный-упорный однорядный подшипник. Повышенная грузоподъемность. | 19.05 | 45.24 | 15.49 |
| 6-7804 У | Роликовый радиальный-упорный однорядный подшипник. Дополнительные технические требования. | 19.05 | 45.24 | 15.49 |
| 6-7804 УБЛ | Роликовый радиальный-упорный однорядный подшипник. Сепаратор из латуни.. Дополнительные технические требования. Сепаратор из безоловянистой бронзы.. | 19.00 | 45.00 | 15.00 |
| 7-7804 У | Роликовый радиальный-упорный однорядный подшипник. Дополнительные технические требования. | 19.05 | 45.25 | 15.49 |
| Э-7804 А | Роликовый радиальный-упорный однорядный подшипник. Повышенная грузоподъемность. | 19.06 | 45.25 | 15.49 |
| 7804-А | Роликовый радиальный-упорный однорядный подшипник. Повышенная грузоподъемность. | 19.05 | 45.24 | 15.49 |
| 7804-КУ | Роликовый радиальный-упорный однорядный подшипник. Дополнительные технические требования. | 19.06 | 45.25 | 15.49 |
| 7804-У | Роликовый радиальный-упорный однорядный подшипник. Дополнительные технические требования. | 19.05 | 45.24 | 15.49 |
| 7804-ХУ | Роликовый радиальный-упорный однорядный подшипник. Дополнительные технические требования. Кольца и тела качения или только кольца (в том числе одно кольцо) из цементируемой стали.. | 19.05 | 45.25 | 15.49 |
Способы доставки
Отправка через ведущие транспортные и курьерские компании: ПЭК, Деловые Линии, СДЭК, Байкал-Сервис, Энергия, КИТ, ЖелДорЭкспедиция.
Самовывоз возможен напрямую со склада в Москве.
Сроки доставки
Срок зависит от региона и выбранной транспортной компании. Все заказы комплектуются и отправляются в кратчайшие сроки со склада в Москве.
Надёжность и сохранность
Вся продукция упаковывается с учётом требований транспортировки. Мы гарантируем, что подшипники и комплектующие прибудут к заказчику в полной сохранности.
Доставка в страны ЕАЭС
Мы работаем с проверенными логистическими партнёрами, что позволяет оперативно доставлять заказы в Беларусь, Казахстан, Армению и другие страны ЕАЭС.
Варианты оплаты:
Минимальная сумма заказа и скидки:
Документы и гарантии:
Да, конечно! Наши технические специалисты готовы помочь вам с подбором точного аналога или замены подшипника. Просто позвоните нам по телефону +7 (495) 104-99-04 или напишите на почту zakaz@podsnab.ru.
Для оперативной консультации подготовьте, пожалуйста, имеющиеся данные: маркировку, размеры, тип оборудования или артикул старого подшипника.
Да, конечно! Мы высоко ценим долгосрочное сотрудничество и доверие клиентов по всей России. Для постоянных клиентов действует персональная система скидок.
Условия формируются индивидуально и зависят от:
Чтобы узнать свои условия и получить максимально выгодное предложение, свяжитесь с персональным менеджером или напишите нам на почту zakaz@podsnab.ru.
Вы можете оформить заказ несколькими способами:
Для оформления заказа от юридического лица свяжитесь с нашим отделом по работе с корпоративными клиентами по телефону +7 (495) 104-99-04 или напишите на email zakaz@podsnab.ru, прикрепив реквизиты вашей организации.
Мы оперативно подготовим коммерческое предложение и выставим счет.
Возврат товара надлежащего качества возможен в течение 10 дней с момента получения, если товар не был в употреблении, сохранен товарный вид, упаковка не вскрывалась и присутствуют все сопроводительные документы.
Возврат денежных средств осуществляется в течение 10 рабочих дней после проверки товара складом.
В соответствии с законодательством возврату не подлежат подшипники надлежащего качества, если отсутствует оригинальная упаковка или имеются следы монтажа.
В случае выявления брака или гарантийного случая мы гарантируем возврат или обмен товара.
Да, гарантийный срок хранения устанавливается заводом-изготовителем и в среднем составляет 2 года при соблюдении условий хранения: сухое помещение, оригинальная упаковка и смазка.
Точный срок для конкретного типа подшипника уточняйте у наших менеджеров.
Пн–Пт: с 8:00 до 17:00 (МСК).
Сб–Вс: выходные дни.
Заказы на сайте принимаются круглосуточно. Заявки, поступившие после окончания рабочего дня, обрабатываются на следующий рабочий день.
Минимальная сумма заказа для доставки составляет 3000 рублей. Самовывоз со склада возможен на любую сумму при наличии товара.
ООО «УралТехГрупп»
ИНН: 7415093830
КПП: 772401001
ОГРН: 1167456069021
Банк: ПАО Сбербанк
Р/с: 40702810838000475273
К/с: 30101810400000000225
БИК: 044525225
У подшипника KLM11949.LM11910 пока нет отзывов. Вы можете стать первым покупателем, поделившимся своим мнением.