Поиск подшипника
Статьи
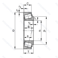
KLM501349.LM501310 — Однорядный конический роликовый подшипник, модификация основного исполнения KLM501349, производство FAG.
Размер подшипника: 41x73x19 мм.
Альтернативное обозначение: KLM501349-310, LM501349/310, LM501349/LM501310, LM501349-20024/310-20024, LM501349-99401, SET45.
Аналоги: LM501349/LM501310 Timken,SET45 Timken,LM501349/310/Q SKF.
Международная стандартизации ISO
KLM501349LM501310
В наличии
| Обозначение | Конструктивные изменения |
|---|---|
| KLM501349-LM501310-CZ | Однорядный конический роликовый подшипник. |
| KLM501349-LM501314 | Однорядный конический роликовый подшипник. |
| KLM501349-LM501310-DZ | Конические роликоподшипники. произведенные в Корее и продаваемые под торговой маркой FAG. могут быть идентифицированы по суффиксу -DY/-DZ. |
Модификации конического роликового подшипника KLM501349.LM501310 — это измененное основное конструктивное исполнение KLM501349, основные размеры (41x73x19) не отличаются.
| Обозначение | Гост | Конструктивные особенности |
|---|---|---|
| LM501349/10 | ISO | Distance Between Beginning Of The Rail And First Hole In MM. |
| LM501349-99401 | ISO | Однорядный конический роликовый подшипник. |
| LM501349/LM501310 | ISO | Механически обработанный латунный сепаратор. |
| LM501349G/LM501310G | ISO | Bearing Made Of Carburized Steel. |
| LM501349/10CZ | ISO | Однорядный конический роликовый подшипник. |
| LM501349/LM501310/Q | ISO | Подшипники класса TQ-Line. имеющих суффикс Q в обозначении. являются основой для производства подшипников SKF. |
| LM501349/10/Q | ISO | Подшипники класса TQ-Line. имеющих суффикс Q в обозначении. являются основой для производства подшипников SKF. Distance Between Beginning Of The Rail And First Hole In MM. |
| LM501349.LM501310CZ | ISO | Однорядный конический роликовый подшипник. |
| AK-LM501349/LM501310 | ISO | Однорядный конический роликовый подшипник. |
| LM501349/310-30000 | ISO | (Cone/Inner Race And Cup/Outer Race) Same As PREC.3 (Precision Class 3). |
| LM501349/310PREC.3 | ISO | (Конус/внутреннее кольцо и чашка/внешнее кольцо) Класс точности 3. Размерные и геометрические допуски соответствуют классу точности P6. |
| IR2040 | ISO | Однорядный конический роликовый подшипник. |
| LM501349R/310R | ISO | Соответствует стандарту AFBMA. |
| LM501349/310 | ISO | Однорядный конический роликовый подшипник. |
| LM501349/310/Q | ISO | Подшипники класса TQ-Line. имеющих суффикс Q в обозначении. являются основой для производства подшипников SKF. |
| LM501349/LM501310V | ISO | Однорядный конический роликовый подшипник. |
| SET45 | ISO | Однорядный конический роликовый подшипник. |
| 4T-LM501349/LM501310 | ISO | Однорядный конический роликовый подшипник. |
| K501349/10 | ISO | Distance Between Beginning Of The Rail And First Hole In MM. |
Аналог конического роликового подшипника KLM501349.LM501310 — это подшипник такого же размера dx41,Dx73,Bx19, типа и конструкции.
| Обозначение | Конструктивные особенности | Внутренний (d) | Наружный (D) | Ширина (B) |
|---|---|---|---|---|
| RSTO35X | Опорный ролик. Цилиндрическая рабочая поверхность. | 42.00 | 72.00 | 19.80 |
| 6-292306-Р1 | Роликовый радиальный однорядный подшипник. Детали из теплоустойчивой (быстрорежущие) стали.. | 42.00 | 72.00 | 19.00 |
| 292306-К1W3 | Роликовый радиальный однорядный подшипник. Детали из вакуумированной стали.. Кольцевая проточка на середине цилиндрической наружной поверхности наружного кольца плюс три отверстия для смазки. | 42.00 | 72.00 | 19.00 |
| 292306-К1 | Роликовый радиальный однорядный подшипник. Кольцевая проточка на середине цилиндрической наружной поверхности наружного кольца плюс три отверстия для смазки. | 42.00 | 72.00 | 19.00 |
| 292306-К2 | Роликовый радиальный однорядный подшипник. Кольцевая проточка на середине цилиндрической наружной поверхности наружного кольца плюс три отверстия для смазки. | 42.00 | 72.00 | 19.00 |
| 292306А | Роликовый радиальный однорядный подшипник. Повышенная грузоподъемность. | 40.50 | 72.00 | 19.00 |
| 292306Н | Роликовый радиальный однорядный подшипник. Детали из теплостойкой стали. | 42.00 | 72.00 | 19.00 |
| F-208962.01 | Роликовый радиальный однорядный подшипник. Design. | 42.00 | 72.00 | 18.50 |
| 57428-N | Роликовый радиальный-упорный однорядный подшипник. Канавка под стопорное кольцо на внешнем кольце. | 41.27 | 72.00 | 19.56 |
| BT1-0384/Q | Роликовый радиальный-упорный однорядный подшипник. Оптимизированная геометрия и специальная обработка контактных поверхностей. | 41.27 | 73.43 | 19.56 |
| BT1-0124/QCL7C | Роликовый радиальный-упорный однорядный подшипник. Высокоэффективная конструкция. | 41.00 | 72.00 | 18.49 |
| LM 501349/2/310/2/QCL7C | Роликовый радиальный-упорный подшипник. ISO Tolerance Class ABEC.9. Высокоэффективная конструкция. | 41.27 | 73.43 | 19.56 |
| LM501349A/LM501310 | Роликовый радиальный-упорный однорядный подшипник. Двухрядный радиально-упорный шарикоподшипник без отверстия для смазки. | 41.27 | 73.43 | 19.56 |
| ARX40X72X20 | Роликовый игольчатый подшипник однорядный. Изменённая фаска. | 40.00 | 72.00 | 20.00 |
| HI-CAP ST4074LFT | Роликовый радиальный-упорный однорядный подшипник. Угол контакта 20 градусов. | 40.00 | 74.00 | 20.00 |
Способы доставки
Отправка через ведущие транспортные и курьерские компании: ПЭК, Деловые Линии, СДЭК, Байкал-Сервис, Энергия, КИТ, ЖелДорЭкспедиция.
Самовывоз возможен напрямую со склада в Москве.
Сроки доставки
Срок зависит от региона и выбранной транспортной компании. Все заказы комплектуются и отправляются в кратчайшие сроки со склада в Москве.
Надёжность и сохранность
Вся продукция упаковывается с учётом требований транспортировки. Мы гарантируем, что подшипники и комплектующие прибудут к заказчику в полной сохранности.
Доставка в страны ЕАЭС
Мы работаем с проверенными логистическими партнёрами, что позволяет оперативно доставлять заказы в Беларусь, Казахстан, Армению и другие страны ЕАЭС.
Варианты оплаты:
Минимальная сумма заказа и скидки:
Документы и гарантии:
Да, конечно! Наши технические специалисты готовы помочь вам с подбором точного аналога или замены подшипника. Просто позвоните нам по телефону +7 (495) 104-99-04 или напишите на почту zakaz@podsnab.ru.
Для оперативной консультации подготовьте, пожалуйста, имеющиеся данные: маркировку, размеры, тип оборудования или артикул старого подшипника.
Да, конечно! Мы высоко ценим долгосрочное сотрудничество и доверие клиентов по всей России. Для постоянных клиентов действует персональная система скидок.
Условия формируются индивидуально и зависят от:
Чтобы узнать свои условия и получить максимально выгодное предложение, свяжитесь с персональным менеджером или напишите нам на почту zakaz@podsnab.ru.
Вы можете оформить заказ несколькими способами:
Для оформления заказа от юридического лица свяжитесь с нашим отделом по работе с корпоративными клиентами по телефону +7 (495) 104-99-04 или напишите на email zakaz@podsnab.ru, прикрепив реквизиты вашей организации.
Мы оперативно подготовим коммерческое предложение и выставим счет.
Возврат товара надлежащего качества возможен в течение 10 дней с момента получения, если товар не был в употреблении, сохранен товарный вид, упаковка не вскрывалась и присутствуют все сопроводительные документы.
Возврат денежных средств осуществляется в течение 10 рабочих дней после проверки товара складом.
В соответствии с законодательством возврату не подлежат подшипники надлежащего качества, если отсутствует оригинальная упаковка или имеются следы монтажа.
В случае выявления брака или гарантийного случая мы гарантируем возврат или обмен товара.
Да, гарантийный срок хранения устанавливается заводом-изготовителем и в среднем составляет 2 года при соблюдении условий хранения: сухое помещение, оригинальная упаковка и смазка.
Точный срок для конкретного типа подшипника уточняйте у наших менеджеров.
Пн–Пт: с 8:00 до 17:00 (МСК).
Сб–Вс: выходные дни.
Заказы на сайте принимаются круглосуточно. Заявки, поступившие после окончания рабочего дня, обрабатываются на следующий рабочий день.
Минимальная сумма заказа для доставки составляет 3000 рублей. Самовывоз со склада возможен на любую сумму при наличии товара.
ООО «УралТехГрупп»
ИНН: 7415093830
КПП: 772401001
ОГРН: 1167456069021
Банк: ПАО Сбербанк
Р/с: 40702810838000475273
К/с: 30101810400000000225
БИК: 044525225
У подшипника KLM501349.LM501310 пока нет отзывов. Вы можете стать первым покупателем, поделившимся своим мнением.