Поиск подшипника
Статьи
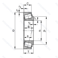
KL68149.L68111 — Однорядный конический роликовый подшипник, модификация основного исполнения KL68149, производство FAG.
Размер подшипника: 34x59x15 мм.
Материал корпуса - полипропилен (белый).
Альтернативное обозначение: KL68149.111, L68149/111, L68149/L68111.
Аналоги: L68149/L68111 Timken,SET17 Timken,L68149/111/Q SKF,AK-L68149/K-L68111/Q SKF,L68149/L68111 Koyo,L68149/L68111 ZKL,L68149/L68111 KBC.
Международная стандартизации ISO
KL68149L68111
В наличии
| Обозначение | Конструктивные изменения |
|---|---|
| KL68149.L68110CZ | Однорядный конический роликовый подшипник. |
| KL68149.L68110 | Однорядный конический роликовый подшипник. |
Модификации конического роликового подшипника KL68149.L68111 — это измененное основное конструктивное исполнение KL68149, основные размеры (34x59x15) не отличаются.
| Обозначение | Гост | Конструктивные особенности |
|---|---|---|
| L68149/11 | ISO | Отдельное внутреннее или наружное кольцо разборного подшипника. 11/16. |
| L68149/L68111 | ISO | Однорядный конический роликовый подшипник. |
| L68149/L68110 | ISO | Однорядный конический роликовый подшипник. |
| SET13 | ISO | Однорядный конический роликовый подшипник. |
| JL68145/JL68111Z | ISO | Однорядный конический роликовый подшипник. |
| L68149/L68111/Q | ISO | Подшипники класса TQ-Line. имеющих суффикс Q в обозначении. являются основой для производства подшипников SKF. |
| L68149/10 | ISO | Distance Between Beginning Of The Rail And First Hole In MM. |
| L68149.L68110CZ | ISO | Однорядный конический роликовый подшипник. |
| L68149RGC/111RGPN-01 | ISO | Соответствует стандарту AFBMA. Углеродистые чаши и конусы корпуса. Design. |
| BT1B332541AB/Q | ISO | Больший угол контакта по сравнению со стандартной конструкцией. Оптимизированная геометрия и специальная обработка контактных поверхностей. Модификация внутренней конструкции. |
| L68149/110/Q | ISO | Подшипники класса TQ-Line. имеющих суффикс Q в обозначении. являются основой для производства подшипников SKF. 1.5/8. |
| L68149/L68110/Q | ISO | Подшипники класса TQ-Line. имеющих суффикс Q в обозначении. являются основой для производства подшипников SKF. |
| L68149RG/L68110RG | ISO | Соответствует стандарту AFBMA. Углеродистые чаши и конусы корпуса. |
| L68149RGC/L68110RGC | ISO | Соответствует стандарту AFBMA. Углеродистые чаши и конусы корпуса. |
| 4T-L68149/L68110V1 | ISO | Однорядный конический роликовый подшипник. |
| 35KW03G5 | ISO | Науглероженная сталь - внутреннее и наружное кольцо. |
| 4T-L68149/L68111 | ISO | Однорядный конический роликовый подшипник. |
| SET17 | ISO | Однорядный конический роликовый подшипник. |
| AK-L68149/K-L68111/Q | ISO | Подшипники класса TQ-Line. имеющих суффикс Q в обозначении. являются основой для производства подшипников SKF. |
| L68149/111/Q | ISO | Подшипники класса TQ-Line. имеющих суффикс Q в обозначении. являются основой для производства подшипников SKF. 1.11/16. |
| BR17 | ISO | Однорядный конический роликовый подшипник. |
Аналог конического роликового подшипника KL68149.L68111 — это подшипник такого же размера dx34,Dx59,Bx15, типа и конструкции.
| Обозначение | Конструктивные особенности | Внутренний (d) | Наружный (D) | Ширина (B) |
|---|---|---|---|---|
| RCT35-1 | Шариковый радиально-упорный подшипник однонаправленный. Number Of Carriages Per Rail Track. | 35.00 | 58.00 | 14.00 |
| RNU070614 | однорядный цилиндрический роликовый подшипник. | 34.00 | 58.00 | 14.00 |
| GT14TN | Подшипник шариковый упорный однонаправленный. Сепаратор из полиамида. | 33.34 | 59.54 | 15.88 |
| 2007407-А1 | Роликовый радиальный-упорный однорядный подшипник. Повышенная грузоподъемность. | 34.99 | 59.97 | 15.88 |
| 6-2007407 А1К | Роликовый радиальный-упорный однорядный подшипник. Повышенная грузоподъемность. | 34.99 | 59.97 | 15.88 |
| 6-2007407 А1 | Роликовый радиальный-упорный однорядный подшипник. Повышенная грузоподъемность. | 34.99 | 59.97 | 15.88 |
| 2007407-А1К | Роликовый радиальный-упорный однорядный подшипник. Кольцевая проточка на середине цилиндрической наружной поверхности наружного кольца плюс три отверстия для смазки. Повышенная грузоподъемность. | 35.00 | 59.97 | 15.88 |
| L68145/11 | Роликовый радиальный-упорный однорядный подшипник. 11/16. | 35.00 | 60.00 | 15.88 |
| K-L68149/K-L68111 | Роликовый радиальный-упорный однорядный подшипник. | 35.00 | 60.00 | 15.88 |
| SF0724 | Шариковый радиально-упорный однорядный подшипник. | 33.00 | 60.00 | 14.70 |
| F15036 | Роликовый радиальный-упорный однорядный подшипник. | 35.00 | 60.00 | 15.88 |
| L68149R/L68110 | Роликовый радиальный-упорный однорядный подшипник. С выпуклыми асимметричными роликами и обработанным сепаратором. | 34.99 | 59.13 | 15.88 |
| HI-CAP 57331 | Роликовый радиальный-упорный однорядный подшипник. Угол контакта 20 градусов. | 35.00 | 59.98 | 15.88 |
| HI-CAP 57331E3 | Роликовый радиальный-упорный однорядный подшипник. Угол контакта 20 градусов. | 35.00 | 59.98 | 15.88 |
| SC07B59 | Шариковый радиальный однорядный подшипник. Угол контакта 40°. | 35.00 | 60.00 | 14.00 |
Способы доставки
Отправка через ведущие транспортные и курьерские компании: ПЭК, Деловые Линии, СДЭК, Байкал-Сервис, Энергия, КИТ, ЖелДорЭкспедиция.
Самовывоз возможен напрямую со склада в Москве.
Сроки доставки
Срок зависит от региона и выбранной транспортной компании. Все заказы комплектуются и отправляются в кратчайшие сроки со склада в Москве.
Надёжность и сохранность
Вся продукция упаковывается с учётом требований транспортировки. Мы гарантируем, что подшипники и комплектующие прибудут к заказчику в полной сохранности.
Доставка в страны ЕАЭС
Мы работаем с проверенными логистическими партнёрами, что позволяет оперативно доставлять заказы в Беларусь, Казахстан, Армению и другие страны ЕАЭС.
Варианты оплаты:
Минимальная сумма заказа и скидки:
Документы и гарантии:
Да, конечно! Наши технические специалисты готовы помочь вам с подбором точного аналога или замены подшипника. Просто позвоните нам по телефону +7 (495) 104-99-04 или напишите на почту zakaz@podsnab.ru.
Для оперативной консультации подготовьте, пожалуйста, имеющиеся данные: маркировку, размеры, тип оборудования или артикул старого подшипника.
Да, конечно! Мы высоко ценим долгосрочное сотрудничество и доверие клиентов по всей России. Для постоянных клиентов действует персональная система скидок.
Условия формируются индивидуально и зависят от:
Чтобы узнать свои условия и получить максимально выгодное предложение, свяжитесь с персональным менеджером или напишите нам на почту zakaz@podsnab.ru.
Вы можете оформить заказ несколькими способами:
Для оформления заказа от юридического лица свяжитесь с нашим отделом по работе с корпоративными клиентами по телефону +7 (495) 104-99-04 или напишите на email zakaz@podsnab.ru, прикрепив реквизиты вашей организации.
Мы оперативно подготовим коммерческое предложение и выставим счет.
Возврат товара надлежащего качества возможен в течение 10 дней с момента получения, если товар не был в употреблении, сохранен товарный вид, упаковка не вскрывалась и присутствуют все сопроводительные документы.
Возврат денежных средств осуществляется в течение 10 рабочих дней после проверки товара складом.
В соответствии с законодательством возврату не подлежат подшипники надлежащего качества, если отсутствует оригинальная упаковка или имеются следы монтажа.
В случае выявления брака или гарантийного случая мы гарантируем возврат или обмен товара.
Да, гарантийный срок хранения устанавливается заводом-изготовителем и в среднем составляет 2 года при соблюдении условий хранения: сухое помещение, оригинальная упаковка и смазка.
Точный срок для конкретного типа подшипника уточняйте у наших менеджеров.
Пн–Пт: с 8:00 до 17:00 (МСК).
Сб–Вс: выходные дни.
Заказы на сайте принимаются круглосуточно. Заявки, поступившие после окончания рабочего дня, обрабатываются на следующий рабочий день.
Минимальная сумма заказа для доставки составляет 3000 рублей. Самовывоз со склада возможен на любую сумму при наличии товара.
ООО «УралТехГрупп»
ИНН: 7415093830
КПП: 772401001
ОГРН: 1167456069021
Банк: ПАО Сбербанк
Р/с: 40702810838000475273
К/с: 30101810400000000225
БИК: 044525225
У подшипника KL68149.L68111 пока нет отзывов. Вы можете стать первым покупателем, поделившимся своим мнением.