Поиск подшипника
Статьи
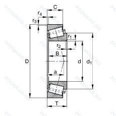
32215-XL — Однорядный конический роликовый подшипник, модификация основного исполнения 32215, производство FAG.
Размер подшипника: 75x130x33 мм.
Серия x live.
Аналоги: 32215-A FAG,32215J2 SKF,BT1-0506 SKF,32215-90KB3 Timken.
Международная стандартизации ISO
32215XL
В наличии
| Обозначение | Конструктивные изменения |
|---|---|
| 32215J2 | Штампованный стальной сепаратор. центрируемый по роликам. Число после J указывает на различные конструктивные исполнения сепаратора. |
| 32215E | Повышенная грузоподъемность. |
| 32215 | Однорядный конический роликовый подшипник. Основное конструктивное исполнение. |
| 32215A | Соответствует стандартам ISO с улучшенными характеристиками. |
| 32215JG | Конический роликовый подшипник. изготовленный в соответствии с ISO. Case Hardened Steel. |
| 32215U | Конические роликоподшипники с возможностью взаимозаменять друг друга. |
| 32215A.F22 | Модификация внутренней конструкции. Taper Roller Bearing. |
| 32215J | Дорожки качения наружного кольца. угол контакта и ширина наружного кольца в соответствии с ISO. |
| 32215C | Конический роликовый подшипник. Модификация внутренней конструкции. |
| 32215J1 | Прессованный стальной сепаратор. |
| 32215-90KA1 | Assembly Code. |
| 32215M-90KM1 | Подшипник с латунным сепаратором. центрированный по телам качения. |
| 32215DZ | Конические роликоподшипники. произведенные в Корее и продаваемые под торговой маркой FAG. могут быть идентифицированы по суффиксу -DY/-DZ. |
| 32215JR | TAPERED ROLLER BEARING CONFORMING TO ISO R355 (SUB-UNIT. METRIC SERIES). EXAMPLE/ 30206JR. |
| 32215J2/Q | Оптимизированная геометрия и специальная обработка контактных поверхностей. Штампованный стальной сепаратор. центрируемый по роликам. Число после J указывает на различные конструктивные исполнения сепаратора. |
| 32215UP5 | Размерная и рабочая точность соответствует классу допуска ISO 5. Конические роликоподшипники с возможностью взаимозаменять друг друга. |
| 32215DY | Конические роликоподшипники. произведенные в Корее и продаваемые под торговой маркой FAG. могут быть идентифицированы по суффиксу -DY/-DZ. |
| 32215J2/QDF | Оптимизированная геометрия и специальная обработка контактных поверхностей. Штампованный стальной сепаратор. центрируемый по роликам. Число после J указывает на различные конструктивные исполнения сепаратора. Комплект из двух подшипников. согласованных для установки по Х-образной схеме. Число. следующее непосредственно после букв DF. обозначает конструкцию промежуточного кольца. |
| 32215T80J2/QDB | Оптимизированная геометрия и специальная обработка контактных поверхностей. Комплект из двух подшипников. согласованных для установки по О-образной схеме. Число. следующее непосредственно после букв DB обозначает конструкцию проставочных колец в комплекте. Штампованный стальной сепаратор. центрируемый по роликам. Число после J указывает на различные конструктивные исполнения сепаратора. T - за которым следует цифра. обозначает общую ширину пар подшипников. расположенных «спина к спине» или «тандем». |
| 32215A-P5 | Модификация внутренней конструкции. Размерная и рабочая точность соответствует классу допуска ISO 5. |
| 32215-H | Произведен в Китае. |
| 32215UDF | Однорядный конический роликовый подшипник. |
| 32215F | Сепаратор из обработанной стали или специального чугуна. |
| 32215J/DF | Дорожки качения наружного кольца. угол контакта и ширина наружного кольца в соответствии с ISO. Комплект из двух подшипников. согласованных для установки по Х-образной схеме. Число. следующее непосредственно после букв DF. обозначает конструкцию промежуточного кольца. |
| 32215CR | (TB-Segment) Phenolic (Composition) Fafnir Standard. |
Модификации конического роликового подшипника 32215-XL — это измененное основное конструктивное исполнение 32215, основные размеры (75x130x33) не отличаются.
| Обозначение | Гост | Конструктивные особенности |
|---|---|---|
| E32215JA1 | ISO | Однорядный конический роликовый подшипник. |
| 133075/133130 | ISO | Однорядный конический роликовый подшипник. |
| 7515A | ISO | Двухрядный радиально-упорный шарикоподшипник без отверстия для смазки. |
| HR32215J | ISO | Дорожки качения наружного кольца. угол контакта и ширина наружного кольца в соответствии с ISO. Для конических роликоподшипников и радиальных шарикоподшипников. |
| 01/02/7415 | ISO | Однорядный конический роликовый подшипник. |
| E32215JA | ISO | Прессованный сепаратор из незакаленной листовой стали, центрировано по внешнему кольцу. |
| VKHB2673MY | ISO | Механически обработанный латунный сепаратор. |
| 7515 | ISO | Однорядный конический роликовый подшипник. |
| 4T-32215 | ISO | Однорядный конический роликовый подшипник. |
| 42686/42624 | ISO | Однорядный конический роликовый подшипник. |
Аналог конического роликового подшипника 32215-XL — это подшипник такого же размера dx75,Dx130,Bx33, типа и конструкции.
| Обозначение | Конструктивные особенности | Внутренний (d) | Наружный (D) | Ширина (B) |
|---|---|---|---|---|
| N-7515 А | Роликовый радиальный-упорный однорядный подшипник. Повышенная грузоподъемность. | 75.00 | 130.00 | 33.25 |
| 2В6-7515 А | Роликовый радиальный-упорный однорядный подшипник. Повышенная грузоподъемность. | 75.00 | 130.00 | 33.25 |
| 7515-У | Роликовый радиальный-упорный однорядный подшипник. Дополнительные технические требования. | 75.00 | 130.00 | 33.25 |
| 17715ЛK | Роликовый радиальный-упорный однорядный подшипник. Коническое отверстие. Конусность 1/12. Сепаратор из латуни.. | 75.00 | 130.00 | 33.50 |
| 8-7515 А | Роликовый радиальный-упорный однорядный подшипник. Повышенная грузоподъемность. | 75.00 | 130.00 | 33.25 |
| 57072J-9 | Роликовый радиальный-упорный однорядный подшипник. Дорожки качения наружного кольца. угол контакта и ширина наружного кольца в соответствии с ISO. Largest Fill. | 75.00 | 130.00 | 33.25 |
| E32215J | Роликовый радиальный-упорный однорядный подшипник. Дорожки качения наружного кольца. угол контакта и ширина наружного кольца в соответствии с ISO. | 75.00 | 130.00 | 33.25 |
| X32215M/Y32215M | Роликовый радиальный-упорный однорядный подшипник. Подшипник с латунным сепаратором. центрированный по телам качения. | 75.00 | 130.00 | 33.25 |
| 962715-ХС17 | Опорный ролик. Смазка Литол-24. Кольца и тела качения или только кольца (в том числе одно кольцо) из цементируемой стали.. | 75.00 | 129.00 | 32.00 |
| 6-7515 А1 | Роликовый радиальный-упорный однорядный подшипник. Повышенная грузоподъемность. | 75.00 | 130.00 | 33.25 |
| 7515-А | Роликовый радиальный-упорный однорядный подшипник. Повышенная грузоподъемность. | 75.00 | 130.00 | 33.25 |
| 7515-А1 | Роликовый радиальный-упорный однорядный подшипник. Повышенная грузоподъемность. | 75.00 | 130.00 | 33.25 |
| Э-7515 А | Роликовый радиальный-упорный однорядный подшипник. Повышенная грузоподъемность. | 75.00 | 130.00 | 33.25 |
| 133075/133130C | Роликовый радиальный-упорный однорядный подшипник. 15° Угол контакта. | 75.00 | 130.00 | 33.25 |
| 5-7515-А | Роликовый радиальный-упорный однорядный подшипник. Повышенная грузоподъемность. | 75.00 | 130.00 | 33.25 |
Способы доставки
Отправка через ведущие транспортные и курьерские компании: ПЭК, Деловые Линии, СДЭК, Байкал-Сервис, Энергия, КИТ, ЖелДорЭкспедиция.
Самовывоз возможен напрямую со склада в Москве.
Сроки доставки
Срок зависит от региона и выбранной транспортной компании. Все заказы комплектуются и отправляются в кратчайшие сроки со склада в Москве.
Надёжность и сохранность
Вся продукция упаковывается с учётом требований транспортировки. Мы гарантируем, что подшипники и комплектующие прибудут к заказчику в полной сохранности.
Доставка в страны ЕАЭС
Мы работаем с проверенными логистическими партнёрами, что позволяет оперативно доставлять заказы в Беларусь, Казахстан, Армению и другие страны ЕАЭС.
Варианты оплаты:
Минимальная сумма заказа и скидки:
Документы и гарантии:
Да, конечно! Наши технические специалисты готовы помочь вам с подбором точного аналога или замены подшипника. Просто позвоните нам по телефону +7 (495) 104-99-04 или напишите на почту zakaz@podsnab.ru.
Для оперативной консультации подготовьте, пожалуйста, имеющиеся данные: маркировку, размеры, тип оборудования или артикул старого подшипника.
Да, конечно! Мы высоко ценим долгосрочное сотрудничество и доверие клиентов по всей России. Для постоянных клиентов действует персональная система скидок.
Условия формируются индивидуально и зависят от:
Чтобы узнать свои условия и получить максимально выгодное предложение, свяжитесь с персональным менеджером или напишите нам на почту zakaz@podsnab.ru.
Вы можете оформить заказ несколькими способами:
Для оформления заказа от юридического лица свяжитесь с нашим отделом по работе с корпоративными клиентами по телефону +7 (495) 104-99-04 или напишите на email zakaz@podsnab.ru, прикрепив реквизиты вашей организации.
Мы оперативно подготовим коммерческое предложение и выставим счет.
Возврат товара надлежащего качества возможен в течение 10 дней с момента получения, если товар не был в употреблении, сохранен товарный вид, упаковка не вскрывалась и присутствуют все сопроводительные документы.
Возврат денежных средств осуществляется в течение 10 рабочих дней после проверки товара складом.
В соответствии с законодательством возврату не подлежат подшипники надлежащего качества, если отсутствует оригинальная упаковка или имеются следы монтажа.
В случае выявления брака или гарантийного случая мы гарантируем возврат или обмен товара.
Да, гарантийный срок хранения устанавливается заводом-изготовителем и в среднем составляет 2 года при соблюдении условий хранения: сухое помещение, оригинальная упаковка и смазка.
Точный срок для конкретного типа подшипника уточняйте у наших менеджеров.
Пн–Пт: с 8:00 до 17:00 (МСК).
Сб–Вс: выходные дни.
Заказы на сайте принимаются круглосуточно. Заявки, поступившие после окончания рабочего дня, обрабатываются на следующий рабочий день.
Минимальная сумма заказа для доставки составляет 3000 рублей. Самовывоз со склада возможен на любую сумму при наличии товара.
ООО «УралТехГрупп»
ИНН: 7415093830
КПП: 772401001
ОГРН: 1167456069021
Банк: ПАО Сбербанк
Р/с: 40702810838000475273
К/с: 30101810400000000225
БИК: 044525225
У подшипника 32215-XL пока нет отзывов. Вы можете стать первым покупателем, поделившимся своим мнением.