Поиск подшипника
Статьи
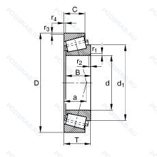
K-LM503349/LM503310 — Однорядный конический роликовый подшипник, основное исполнение, выпускается производителями: FAG, SKF.
Размер подшипника: 45x74x18 мм.
Альтернативное обозначение: KLM503349-310, LM503349/310, LM503349/LM503310, LM503349-20024/310-20024, LM503349-99404.
Международная стандартизации ISO
KLM503349LM503310
В наличии
| Обозначение | Гост | Конструктивные особенности |
|---|---|---|
| LM503349/10 | ISO | Distance Between Beginning Of The Rail And First Hole In MM. |
| L102849-99401 | ISO | Однорядный конический роликовый подшипник. |
| LM503349-99404 | ISO | Однорядный конический роликовый подшипник. |
| 4T-LM503349/LM50#01 | ISO | Однорядный конический роликовый подшипник. |
| LM503349A/LM503310 | ISO | Двухрядный радиально-упорный шарикоподшипник без отверстия для смазки. Механически обработанный латунный сепаратор. |
| LM503349/LM503310 | ISO | Однорядный конический роликовый подшипник. |
| CBK331 | ISO | Однорядный конический роликовый подшипник. |
| L102849/L102810 | ISO | Однорядный конический роликовый подшипник. |
| L102849/L102810B | ISO | Фланец на передней поверхности наружного кольца. |
| KLM503349-A-LM503310 | ISO | Двухрядный радиально-упорный шарикоподшипник без отверстия для смазки. |
| 528942 | ISO | Однорядный конический роликовый подшипник. |
| LM503349/310/QCL7C | ISO | Высокоэффективная конструкция. |
| LM503349A-9T401 | ISO | (Чаша/внешняя поверхность) отличается по наружному диаметру/радиусу/ширине от номера базовой детали. |
| LM503349-90404 | ISO | Однорядный конический роликовый подшипник. |
| LM.503349/310 | ISO | Однорядный конический роликовый подшипник. |
| NP938901/NP611161 | ISO | Однорядный конический роликовый подшипник. |
| SET319 | ISO | Однорядный конический роликовый подшипник. |
| LM503349A/310 | ISO | Двухрядный радиально-упорный шарикоподшипник без отверстия для смазки. |
| CBK331A | ISO | (Чаша/внешняя поверхность) отличается по наружному диаметру/радиусу/ширине от номера базовой детали. |
| KLM503349.LM503310CZ | ISO | Однорядный конический роликовый подшипник. |
Аналог конического роликового подшипника K-LM503349/LM503310 — это подшипник такого же размера dx45,Dx74,Bx18, типа и конструкции.
| Обозначение | Конструктивные особенности | Внутренний (d) | Наружный (D) | Ширина (B) |
|---|---|---|---|---|
| 3007109А | Роликовый радиальный-упорный однорядный подшипник. Повышенная грузоподъемность. | 45.00 | 75.00 | 19.00 |
| 3067109А | Роликовый радиальный-упорный однорядный подшипник. Повышенная грузоподъемность. | 45.00 | 75.00 | 19.00 |
| NJ2009 | Роликовый радиальный однорядный подшипник. Штампованный сепаратор из стального листа. Канавка под стопорное кольцо на наружном кольце подшипника. Однорядный цилиндрический роликовый подшипник. Наружное кольцо имеет два борта. | 45.00 | 75.00 | 19.00 |
| NU2009 | Роликовый радиальный однорядный подшипник. Канавка под стопорное кольцо на наружном кольце подшипника. Однорядные цилиндрические роликоподшипники. Наружное кольцо подшипника имеет два борта. | 45.00 | 75.00 | 19.00 |
| NUP2009 | Роликовый радиальный однорядный подшипник. Канавка под стопорное кольцо на наружном кольце подшипника. Точность размеров примерно соответствует классу точности Р4. Однорядный цилиндрический роликовый подшипник. Наружное кольцо имеет два борта. | 45.00 | 75.00 | 19.00 |
| BT1-0383/Q | Роликовый радиальный-упорный однорядный подшипник. Оптимизированная геометрия и специальная обработка контактных поверхностей. | 45.99 | 74.97 | 18.00 |
| Z-537401.01 | Шариковый радиальный однорядный подшипник. Design. | 45.00 | 75.00 | 19.00 |
| F-122901.7 | Шариковый радиальный однорядный подшипник. Небольшая предварительная нагрузка. | 45.00 | 75.00 | 19.00 |
| F-555102.02 | Шариковый радиальный однорядный подшипник. Design. | 45.00 | 75.00 | 19.00 |
| 6-2180109 С17 | Роликовый радиально-упорный подшипник. Смазка Литол-24. | 45.00 | 75.00 | 19.00 |
| L102849/10 | Роликовый радиальный-упорный однорядный подшипник. Отдельное внутреннее или наружное кольцо разборного подшипника. Distance Between Beginning Of The Rail And First Hole In MM. | 44.45 | 73.03 | 18.26 |
| LM503349A/10 | Роликовый радиальный-упорный однорядный подшипник. Двухрядный радиально-упорный шарикоподшипник без отверстия для смазки. Distance Between Beginning Of The Rail And First Hole In MM. | 45.99 | 74.98 | 18.00 |
| LM503349R/LM503310 | Роликовый радиальный-упорный однорядный подшипник. С выпуклыми асимметричными роликами и обработанным сепаратором. | 45.99 | 74.98 | 18.00 |
| 2180109-С17 | Шариковый радиальный однорядный подшипник. Смазка Литол-24. | 45.00 | 75.00 | 19.00 |
| 2180109AC17 | Шариковый радиальный однорядный подшипник. Литол-24. | 45.00 | 75.00 | 19.00 |
Способы доставки
Отправка через ведущие транспортные и курьерские компании: ПЭК, Деловые Линии, СДЭК, Байкал-Сервис, Энергия, КИТ, ЖелДорЭкспедиция.
Самовывоз возможен напрямую со склада в Москве.
Сроки доставки
Срок зависит от региона и выбранной транспортной компании. Все заказы комплектуются и отправляются в кратчайшие сроки со склада в Москве.
Надёжность и сохранность
Вся продукция упаковывается с учётом требований транспортировки. Мы гарантируем, что подшипники и комплектующие прибудут к заказчику в полной сохранности.
Доставка в страны ЕАЭС
Мы работаем с проверенными логистическими партнёрами, что позволяет оперативно доставлять заказы в Беларусь, Казахстан, Армению и другие страны ЕАЭС.
Варианты оплаты:
Минимальная сумма заказа и скидки:
Документы и гарантии:
Да, конечно! Наши технические специалисты готовы помочь вам с подбором точного аналога или замены подшипника. Просто позвоните нам по телефону +7 (495) 104-99-04 или напишите на почту zakaz@podsnab.ru.
Для оперативной консультации подготовьте, пожалуйста, имеющиеся данные: маркировку, размеры, тип оборудования или артикул старого подшипника.
Да, конечно! Мы высоко ценим долгосрочное сотрудничество и доверие клиентов по всей России. Для постоянных клиентов действует персональная система скидок.
Условия формируются индивидуально и зависят от:
Чтобы узнать свои условия и получить максимально выгодное предложение, свяжитесь с персональным менеджером или напишите нам на почту zakaz@podsnab.ru.
Вы можете оформить заказ несколькими способами:
Для оформления заказа от юридического лица свяжитесь с нашим отделом по работе с корпоративными клиентами по телефону +7 (495) 104-99-04 или напишите на email zakaz@podsnab.ru, прикрепив реквизиты вашей организации.
Мы оперативно подготовим коммерческое предложение и выставим счет.
Возврат товара надлежащего качества возможен в течение 10 дней с момента получения, если товар не был в употреблении, сохранен товарный вид, упаковка не вскрывалась и присутствуют все сопроводительные документы.
Возврат денежных средств осуществляется в течение 10 рабочих дней после проверки товара складом.
В соответствии с законодательством возврату не подлежат подшипники надлежащего качества, если отсутствует оригинальная упаковка или имеются следы монтажа.
В случае выявления брака или гарантийного случая мы гарантируем возврат или обмен товара.
Да, гарантийный срок хранения устанавливается заводом-изготовителем и в среднем составляет 2 года при соблюдении условий хранения: сухое помещение, оригинальная упаковка и смазка.
Точный срок для конкретного типа подшипника уточняйте у наших менеджеров.
Пн–Пт: с 8:00 до 17:00 (МСК).
Сб–Вс: выходные дни.
Заказы на сайте принимаются круглосуточно. Заявки, поступившие после окончания рабочего дня, обрабатываются на следующий рабочий день.
Минимальная сумма заказа для доставки составляет 3000 рублей. Самовывоз со склада возможен на любую сумму при наличии товара.
ООО «УралТехГрупп»
ИНН: 7415093830
КПП: 772401001
ОГРН: 1167456069021
Банк: ПАО Сбербанк
Р/с: 40702810838000475273
К/с: 30101810400000000225
БИК: 044525225
У подшипника K-LM503349/LM503310 пока нет отзывов. Вы можете стать первым покупателем, поделившимся своим мнением.