Поиск подшипника
Статьи
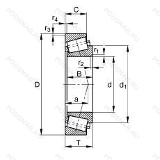
32009-XA — Однорядный конический роликовый подшипник, модификация основного исполнения 32009, выпускается производителями: FAG, FLT, ROLLWAY, URB.
Размер подшипника: 45x75x20 мм.
(cone/inner race and cup/outer race) special feature bearing (non-interchangeable with bearings having the same basic part number).
Альтернативное обозначение: 32009, 32009-XA-N11CA-120-160.
Аналоги: 32009-X-XL FAG,32009X/QVK210 SKF,32009AX Japanese Origin,32009XF AS - Fersa,32009XA URB,32009XA Rollway,32009AX ZKL,32009AX ZVL,32009 KBS,32009 CFC,32009 BGR,2007109 GPZ,32009 Neutral,32009 China.
Международная стандартизации ISO
32009XA
В наличии
| Обозначение | Конструктивные изменения |
|---|---|
| 32009X-90KA9 | Измененные размеры границ. введенные пересмотренными стандартами ISO. |
| 32009X-90NA2 | Измененные размеры границ. введенные пересмотренными стандартами ISO. |
| 32009X-9AKA5 | Измененные размеры границ. введенные пересмотренными стандартами ISO. |
| 32009XM-90KM1 | Two Bearings In X-Arrangement. Medium Preload. |
| 32009X-90KB2 | Измененные размеры границ. введенные пересмотренными стандартами ISO. |
| 32009-X-CYB-W136 | Внешние размеры соответствуют международным стандартам. |
| 32009-X-XL-P5 | Серия X-Life премиум-класс. увеличиный срок службы. Размерная и рабочая точность соответствует классу допуска ISO 5. Внешние размеры соответствуют международным стандартам. |
| 32009XDB | Размеры границ изменены в соответствии со стандартами ISO. Комплект из двух подшипников. согласованных для установки по О-образной схеме. |
| 32009-X-CYB-W136-S37 | Внешние размеры соответствуют международным стандартам. |
| 32009X/QVK210 | Оптимизированная геометрия и специальная обработка контактных поверхностей. Присоединительные размеры не соответствуют серии размеров ISO. На подшипнике не может быть нанесен логотип клиента, может использоваться как стандарт. |
| 32009JR | TAPERED ROLLER BEARING CONFORMING TO ISO R355 (SUB-UNIT. METRIC SERIES). EXAMPLE/ 30206JR. |
| 32009X/Q | Оптимизированная геометрия и специальная обработка контактных поверхностей. Присоединительные размеры не соответствуют серии размеров ISO. |
| 32009-X-XL | Серия X-Life. Внешние размеры соответствуют международным стандартам. |
| 32009-XA-N11CA-120-160 | Два X-образных конических роликоподшипника. С прокладкам между чашками. (Cone/Inner Race And Cup/Outer Race) Special Feature Bearing (Non-Interchangeable With Bearings Having The Same Basic Part Number). Осевой зазор в мкм. |
| 32009-XA-N11CA-A120-160 | Два X-образных конических роликоподшипника. С прокладкам между чашками. (Cone/Inner Race And Cup/Outer Race) Special Feature Bearing (Non-Interchangeable With Bearings Having The Same Basic Part Number). Осевой зазор в мкм. |
| 32009X/QW64 | Антифрикционный заполнитель. твердая смазка. Оптимизированная геометрия и специальная обработка контактных поверхностей. Присоединительные размеры не соответствуют серии размеров ISO. |
| 32009XF | Внутренняя конструкция изменена с целью получения большей грузоподъемности и продолжительности работы. Размеры границ изменены в соответствии со стандартами ISO. |
| 32009X.P5 | Размерная и рабочая точность соответствует классу допуска ISO 5. Внешние размеры соответствуют международным стандартам. |
| 32009DY | Конические роликоподшипники. произведенные в Корее и продаваемые под торговой маркой FAG. могут быть идентифицированы по суффиксу -DY/-DZ. |
| 32009-XDY | Внешние размеры соответствуют международным стандартам. Конические роликоподшипники. произведенные в Корее и продаваемые под торговой маркой FAG. могут быть идентифицированы по суффиксу -DY/-DZ. |
| 4T-32009X | Размеры границ изменены в соответствии со стандартами ISO. Цементованная сталь. |
| 32009A | Конический роликоподшипник с более высокой номинальной нагрузкой и более высокой предельной скоростью. |
| 32009XA.P5 | Размерная и рабочая точность соответствует классу допуска ISO 5. (Cone/Inner Race And Cup/Outer Race) Special Feature Bearing (Non-Interchangeable With Bearings Having The Same Basic Part Number). |
| 32009-X-H | Pressed Snap-Type Steel Cage. Hardened. External Dimensions Matched To International Standards.. H =. |
| 32009-X-XL-H92 | Серия X-Life. Внешние размеры соответствуют международным стандартам. Rolling Bearings With Special Requirements For ZF. |
Модификации конического роликового подшипника 32009-XA — это измененное основное конструктивное исполнение 32009, основные размеры (45x75x20) не отличаются.
| Обозначение | Гост | Конструктивные особенности |
|---|---|---|
| JXC25370CA-90KA2 | ISO | Латунный сепаратор с симметричными роликами. |
| 2007109 | ISO | Однорядный конический роликовый подшипник. |
| HR32009XJ | ISO | Дорожки качения наружного кольца. угол контакта и ширина наружного кольца в соответствии с ISO. Серии размеров 20 и 29 — основные размеры соответствуют ISO/R355. Для конических роликоподшипников и радиальных шарикоподшипников. |
| XAA32009X-99401 | ISO | Измененные размеры границ. введенные пересмотренными стандартами ISO. |
| EC41053H106 | ISO | Однорядный конический роликовый подшипник. |
| KLM503349-902M9 | ISO | Однорядный конический роликовый подшипник. |
| 2007109 | ГОСТ | Однорядный конический роликовый подшипник. |
Аналог конического роликового подшипника 32009-XA — это подшипник такого же размера dx45,Dx75,Bx20, типа и конструкции.
| Обозначение | Конструктивные особенности | Внутренний (d) | Наружный (D) | Ширина (B) |
|---|---|---|---|---|
| X32009X/Y32009X | Роликовый радиальный-упорный однорядный подшипник. Измененные размеры границ. введенные пересмотренными стандартами ISO. | 45.00 | 75.00 | 20.00 |
| XAA32009X/Y32009X | Роликовый радиальный-упорный однорядный подшипник. Измененные размеры границ. введенные пересмотренными стандартами ISO. | 45.00 | 75.00 | 20.00 |
| XAA32009X/Y32009XM | Роликовый радиальный-упорный однорядный подшипник. Измененные размеры границ. введенные пересмотренными стандартами ISO. | 45.00 | 75.00 | 20.00 |
| XAB32009X/Y32009X | Роликовый радиальный-упорный однорядный подшипник. Измененные размеры границ. введенные пересмотренными стандартами ISO. | 45.00 | 75.00 | 20.00 |
| BFSB 353321/HA3 | Роликовый упорный однорядный подшипник. Закаленное внутреннее кольцо. | 45.00 | 74.00 | 20.00 |
| T177S | Роликовый упорный однорядный подшипник. Запечатанная версия кулачкового ролика. | 45.00 | 74.50 | 20.22 |
| Z-537401.01 | Шариковый радиальный однорядный подшипник. Design. | 45.00 | 75.00 | 19.00 |
| F-122901.7 | Шариковый радиальный однорядный подшипник. Небольшая предварительная нагрузка. | 45.00 | 75.00 | 19.00 |
| F-555102.02 | Шариковый радиальный однорядный подшипник. Design. | 45.00 | 75.00 | 19.00 |
| 6-2180109 С17 | Роликовый радиально-упорный подшипник. Смазка Литол-24. | 45.00 | 75.00 | 19.00 |
| 2180109-С17 | Шариковый радиальный однорядный подшипник. Смазка Литол-24. | 45.00 | 75.00 | 19.00 |
| 2180109AC17 | Шариковый радиальный однорядный подшипник. Литол-24. | 45.00 | 75.00 | 19.00 |
| GAC45T | Шарнирный подшипник. Измененная или модифицированная внутренняя конструкция при неизменных основных размерах. Textile Laminated Phenolic Resin. Outer Ring Guided. The Cage Is Suitable For Long-Term Operation At Temperatures Up To 100°C. | 45.00 | 75.00 | 20.00 |
| GAC45N | Шарнирный подшипник. Измененная или модифицированная внутренняя конструкция при неизменных основных размерах. Канавка под стопорное кольцо на внешнем кольце. | 45.00 | 75.00 | 20.00 |
| 6-2007109 А | Роликовый радиальный-упорный однорядный подшипник. Повышенная грузоподъемность. | 45.00 | 75.00 | 20.00 |
Способы доставки
Отправка через ведущие транспортные и курьерские компании: ПЭК, Деловые Линии, СДЭК, Байкал-Сервис, Энергия, КИТ, ЖелДорЭкспедиция.
Самовывоз возможен напрямую со склада в Москве.
Сроки доставки
Срок зависит от региона и выбранной транспортной компании. Все заказы комплектуются и отправляются в кратчайшие сроки со склада в Москве.
Надёжность и сохранность
Вся продукция упаковывается с учётом требований транспортировки. Мы гарантируем, что подшипники и комплектующие прибудут к заказчику в полной сохранности.
Доставка в страны ЕАЭС
Мы работаем с проверенными логистическими партнёрами, что позволяет оперативно доставлять заказы в Беларусь, Казахстан, Армению и другие страны ЕАЭС.
Варианты оплаты:
Минимальная сумма заказа и скидки:
Документы и гарантии:
Да, конечно! Наши технические специалисты готовы помочь вам с подбором точного аналога или замены подшипника. Просто позвоните нам по телефону +7 (495) 104-99-04 или напишите на почту zakaz@podsnab.ru.
Для оперативной консультации подготовьте, пожалуйста, имеющиеся данные: маркировку, размеры, тип оборудования или артикул старого подшипника.
Да, конечно! Мы высоко ценим долгосрочное сотрудничество и доверие клиентов по всей России. Для постоянных клиентов действует персональная система скидок.
Условия формируются индивидуально и зависят от:
Чтобы узнать свои условия и получить максимально выгодное предложение, свяжитесь с персональным менеджером или напишите нам на почту zakaz@podsnab.ru.
Вы можете оформить заказ несколькими способами:
Для оформления заказа от юридического лица свяжитесь с нашим отделом по работе с корпоративными клиентами по телефону +7 (495) 104-99-04 или напишите на email zakaz@podsnab.ru, прикрепив реквизиты вашей организации.
Мы оперативно подготовим коммерческое предложение и выставим счет.
Возврат товара надлежащего качества возможен в течение 10 дней с момента получения, если товар не был в употреблении, сохранен товарный вид, упаковка не вскрывалась и присутствуют все сопроводительные документы.
Возврат денежных средств осуществляется в течение 10 рабочих дней после проверки товара складом.
В соответствии с законодательством возврату не подлежат подшипники надлежащего качества, если отсутствует оригинальная упаковка или имеются следы монтажа.
В случае выявления брака или гарантийного случая мы гарантируем возврат или обмен товара.
Да, гарантийный срок хранения устанавливается заводом-изготовителем и в среднем составляет 2 года при соблюдении условий хранения: сухое помещение, оригинальная упаковка и смазка.
Точный срок для конкретного типа подшипника уточняйте у наших менеджеров.
Пн–Пт: с 8:00 до 17:00 (МСК).
Сб–Вс: выходные дни.
Заказы на сайте принимаются круглосуточно. Заявки, поступившие после окончания рабочего дня, обрабатываются на следующий рабочий день.
Минимальная сумма заказа для доставки составляет 3000 рублей. Самовывоз со склада возможен на любую сумму при наличии товара.
ООО «УралТехГрупп»
ИНН: 7415093830
КПП: 772401001
ОГРН: 1167456069021
Банк: ПАО Сбербанк
Р/с: 40702810838000475273
К/с: 30101810400000000225
БИК: 044525225
У подшипника 32009-XA пока нет отзывов. Вы можете стать первым покупателем, поделившимся своим мнением.